FM,即:调频,频率调制,是指高频载波的频率随调制信号而改变的调制方式,FM的振幅不变,随接收距离的增加振幅因传播衰减而减小,FM的信号频率变化程度由调制信号决定。如下图所示。

FM调频信号的产生,大多是利用变容二极管或三极管的结电容的变容特性,实现改变谐振回路的电容量,达到调频的目的。
FM调频信号的频率与调制信号的振幅有关。
比如用一个正弦波作为调制信号,当正弦波的振幅为零时,FM调频信号的实际频率,就是载频的频率,即:中心频率。当振幅向正方向增大时,实际频率,在中心频率的基础上提高,反之降低。
调制信号的幅度越大,FM调频信号的实际频率,偏离中心频率越大。这就是FM调频传送信息的方式。
调频的方式可以分为直接调频和间接调频。
1、直接调频
直接调频是最常用的调频方式,是用调制信号直接控制高频振荡器,让调谐回路参数发生改变,从而改变振荡器的输出频率,如下图所示,是直接调频的原理框图。

直接调频的原理框图
下图,是用变容二极管实现的调频电路。

用变容二极管实现的调频电路
其原理是,三极管VT等组成的电容三点式振荡器,振荡频率由L、C2谐振回路决定。调制信号电压通过R1加载到变容二极管VD上,使得VD的PN结电容随之变化。
由于VD并联在LC谐振回路上,结电容的变化会改变LC谐振回路的参数,使得振荡频率随调制信号的幅度而改变。最终的调频信号从L抽头经过C4输出。
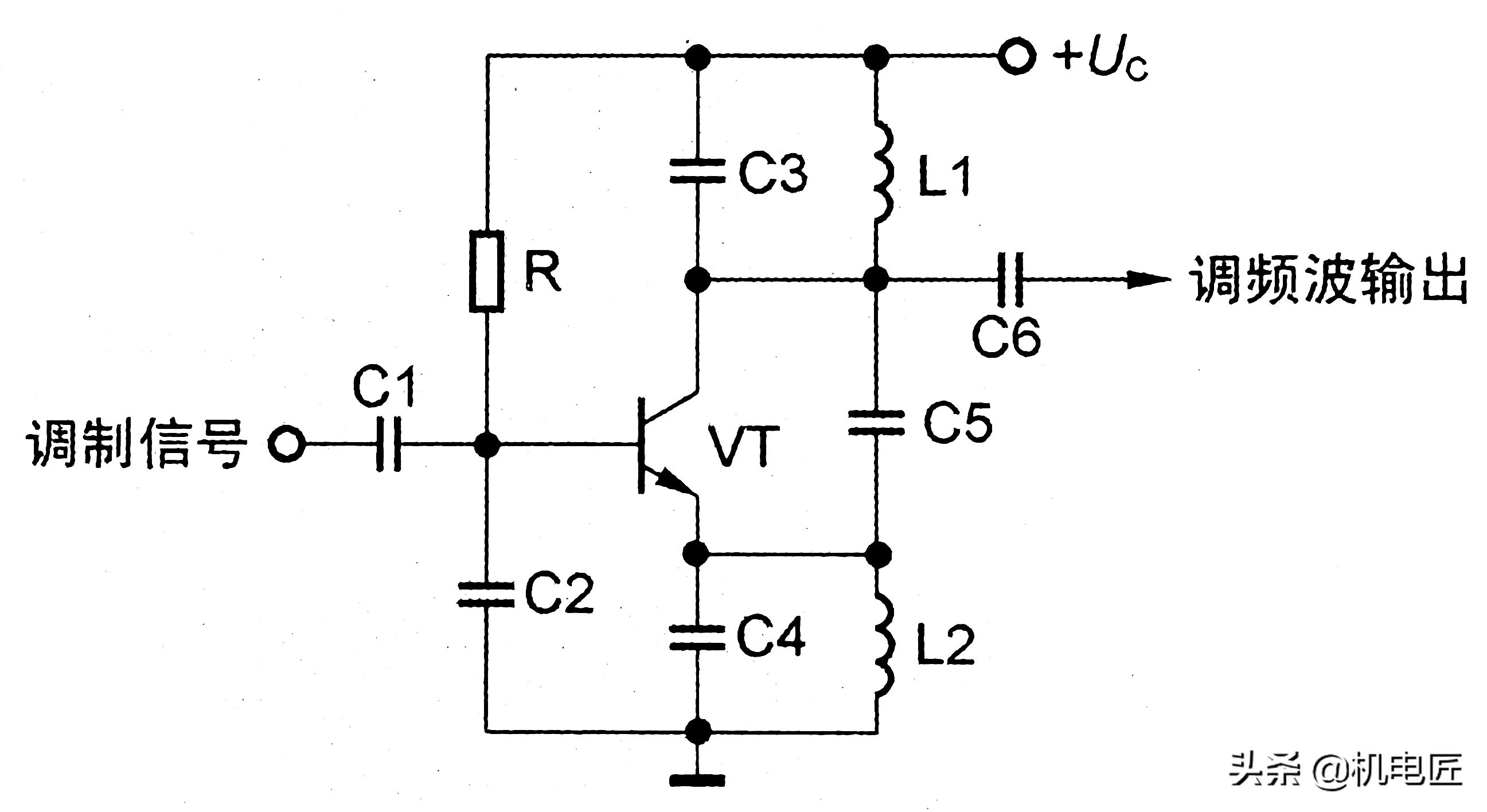
下图是用三极管实现的调频电路。

用三极管实现的调频电路
其原理是,三极管VT等组成的电容三点式振荡器,振荡频率由L1、C3谐振回路和VT的结电容共同决定。调制信号经过C1加载三极管VT基极,使VT的结电容随之变化。从而改变LC谐振回路的参数,使得振荡频率随调制信号的幅度而改变。最终的调频信号从VT集电极经过C6输出。
2、间接调频
间接调频是用积分电路对调制信号进行积分,在yoga积分信号对调相器进行调相,从调相器输出的就是调频信号,如下图所示,是间接调频的原理框图。

间接调频原理框图
间接调频电路比较复杂,频移也小,但优点是频率稳定,主要应用在对频率稳定性要求高的场合。