“停课不停学”
假期在家不荒废~
昨天
北京市已经明确了
各级各类学校的开学时间
娃娃们是不是
已经开始准备复课啦?
趁着还没开学的空档儿
电子工坊最后一期课程
马上学习起来吧!

在之前的课程中
我们学习了一些
集成电路的基础内容
如门电路
及电容器的充放电

今天我们可要放大招啦
制作一个话筒扩音器
《电子工坊》基础电学科普视频
第二十期已上线
制作一个话筒扩音器
视频加载中...
No.20制作一个话筒扩音器
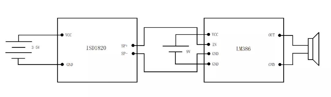
在制作话筒扩音器之前,你需要准备几节5号电池、几个电池夹、一节积层电池、一个积层电池卡扣、一些导线、一个8欧3瓦的喇叭、一个ISD1820录放模块,一个LM386功放模块。
准备好之后我们先来观察这两个集成电路。先看ISD1820。

这是ISD1820录放模块的电路图,看起来好麻烦的样子。

我们再来观察LM386。

这是LM386功放模块的电路图。

这也太复杂了,看起来头都大了,我们把它俩简化一下,画在一张电路图里。是不是简单很多了呢。

将准备好的东西按电路图连接起来,连接的时候注意不要接错线。
这里说一下,LM386需要的电压比ISD1820大一些,所以我们用积层电池,两组电池不要接错,否则可能会烧坏ISD1820录放模块。
连接好之后,就可以使用了。按下红色按钮对着它说话就可以录音了,但是不能录太久。录完后按这个按钮(视频中)就可以把录制的声音*放播**出来。
效果还可以,但是如果我们把LM386功放模块去掉呢?我们再来试一试。
这个对比就很明显了,我相信你听的出来。LM386这个小模块还是很神奇的哦!
这就是最后一期的课程啦~

不知不觉
电子工坊
系列电学课程
已经结束啦
还真有点儿不舍呐
小伙伴们
我们以后的节目中再会

P.S.:
蝌蚪五线谱官网(http://www.kedo.gov.cn/)及新媒体矩阵(*今条头日**、企鹅号、搜狐号、网易号、百家号、一点号、新浪微博、新浪看点、大鱼号、哔哩哔哩、西瓜视频)将同步更新《电子工坊》系列电学科普视频,请关注蝌蚪五线谱在以上平台的账号。
福利来啦
疫情期间,为更好地满足一线师生的实际教学需求,在蝌蚪五线谱微信公众号后台回复“老师/学生+姓名+联系方式+所在学校+年级”,小编会联系奉上整套《电子工坊》科普视频资源。