第一章 编制依据 4
第二章 项目简介 4
第三章 施工部署 4
3.1 施工准备 4
3. 2 组织机构 6
3. 3 施工现场规划和准备 10
第四章 主要工程项目的施工方案和方法 10
4. 1 一般规定 10
4. 2 施工准备和施工测量 11
4. 3 箱涵施工 12
4.3.1 土方开挖 12
4.3.2 钢筋工程 13
4.3.3 模板工程 16
4.3.4 混凝土工程 19
4.3.5 施工缝施工 20
4.3.6闭水试验 22
4.3.7 土方回填 23
第五章 确保工程质量、工期措施 24
5. 1 确保工程质量的措施 24
5. 2 工期保证措施 26
第六章 确保安全生产及职业健康措施 28
6. 1 施工期间的交通组织和安全工作 28
6. 2 安全生产目标 28
6. 3 施工安全保证措施 29
6.3.1 安全管理保证措施 29
6.3.2 施工区的安全措施 30
6.3.3 其他安全措施 31
6.3.4 职业健康的保证措施 31
6. 4 施工用电安全技术措施 32
6.4.1 施工用电的搭设要求 32
6.4.2 使用配电箱的安全技术要求 34
6.4.3 电气防火措施 36
6.4.4 施工用电防火措施 37
6.5 文明施工 39
第七章 质量控制标准和检验要求 42
第一章 编制依据
1.《石家庄#######整治截污工程设计图》
2.《石家庄#######整治截污工程招标书》
3.《混凝土结构工程施工质量验收规范》GB50204-2015
4.《给水排水构筑物施工及验收规范》GB50141-2008
5.《地下工程防水技术规范》GB50108-2008
6.《建筑地基基础施工质量验收规范》GB50202-2002
7.《砌体工程施工质量验收规范》GB50203-2011
8.《给水排水管道工程施工及验收规范》GB50268-2008
第二章 项目简介
工程概况
本工程的排污箱涵坐落#######外侧,箱涵沿###,从K5+383开始到K6+210结束。箱涵为C30现浇钢筋混凝土箱涵。排污箱涵作为一个独立施工段进行施工。本次工程段施工的排污暗箱涵全长共827米。
第三章 施工部署
3.1 施工准备
一、技术准备
1、已组织各专业人员熟悉图纸,对图纸进行自审,熟悉和掌握施工图纸的全部内容和设计意义。并参加施工单位、设计单位和监理单位组织的设计交底和图纸会审。做好记录。
2、做好编制施工图预算,根据施工图纸,计算分部分项工程量,按规定套用施工定额,计算所需要材料的详细数量、人工数量、大型机械台班数,已做好进度计划,更好地控制成本,减少消耗。
3、根据项目施工的内容,已做好加工及定货计划。
4、已做好技术交底工作。本工程每一道工序开工前,均进行技术交底,技术交底是施工企业技术管理的一个重要制度,是保证工程质量的重要因素,其目的是通过技术交底使参加施工的所有人员对工程技术要求做到心中有数,以便科学地组织施工和按合理的工序、工艺进行施工。
技术交底专业均采用三级制,即各专业工程技术负责人一专业工长一各班组长,技术交底均有书面文字及图片,及时交底签字,工程技术负责人向专业工长进行交底要求细致、齐全、完善,并要结合具体操作部位、关键部位的质量要求,操作要点及注意事项等进行详细的交底后,工长接受后,应反复详细地向作业班组进行交底,班组长在接受交底后,应组织工人进行认真讨论,全面理解施工意图,确保工程的质量和进度。
二、生产准备
1、建筑材料及安全防护用品准备:对水泥、钢材等大批材料,均应根据实际情况做好计划,分批进场,编制各项材料计划表,对各种材料的入库,保管和出库制订完善的管理办法,同时加强防盗、防火的管理。
2、施工机具设备:已全部落实并做好进场计划。见第七章附表主要施工机械设备表。
3、修正施工出入口,铺设现场内施工道路,做好地面排水沟、车辆冲洗台,搭设平面布置图中的临建设施,安装好备用柴油发电机。
4、施工管理人员已进场,且做好如下准备工作:会同有关单位做好现场的移交工作,包括测量控制点以及有关技术资料,并复核控制点。
5、临时用电、临时用水的搭设、安装、调试。
6、已组织施工管理人员及劳动力调配入场,满足施工要求。具体进场人员见第七章项目管理班子人员配置情况附图。
3. 2 组织机构
一、项目法施工
实施项目法施工的管理模式,组建本工程的项目经理部,对工程施工全过程的进度、质量、安全、成本及文明施工等负全责。项目经理部要以工程项目管理为核心、以优质、高速、安全、文明为主轴,加强动态、科学管理,优化生产要素,精心施工,大力推广先进施工的同时,在创质量优良的同时,力争提前完成施工任务。在推行项目法施工的同时,从文件控制、材料采购到产品标识、过程控制等过程中,切实执行QHSE体系文件控制,达到创优高效的目标。
在本工程施工中实施项目管理,项目经理对工程项目行使计划、组织、协调、控制、监督、指挥职能、全权处理项目事务,其下设工程技术组、质量安全组及材料设备组。项目经理部对公司实行经济责任承包。项目内容工程技术管理人员通过岗位目标责任制和行为准则来约束,共同为优质、安全、高速、低耗地完成项目任务而努力工作。
项目经理部对工程项目进行计划管理。计划管理主要体现在工程项目综合进度和经济计划,项目经理部的进度计划包括:施工总进度计划,分部分项工程进度计划,施工进度控制计划,设备供应进度计划,竣工验收和试生产计划。经济计划包括:劳动力需用量及工资计划,材料计划,构件及加工半成品需用量计划,施工机具需用量计划,工程项目降低成本措施及降低成本计划,资金使用计划,利润计划等。
二、组建项目经理部
本工程拟实行项目法施工管理,委派我公司实践经验丰富和管理水平高的人员担任项目部主要负责人,选聘技术、管理水平高的技术人员、项目总工组建项目部。项目管理层由项目经理、项目副经理、总工、安全主管、材料主管和工程质量组成员组成,在建设单位、监理单位和公司的指导下,负责对本工程的工期、质量、安全、成本等实施计划。组织、协调、控制和决策,对各生产施工要素实施全过程的动态管理。
作业层人员的配备:施工人员均挑选有丰富施工经验和劳动技能的正式工和合同工,分工种组成作业班组,要选技术过硬、思想素质好的正式职工带班。
三、项目经理组织机构图

项目管理班子人员配置情况
|
工种 |
人数(人) |
监理核实量 |
|
管理人员 |
5 |
|
|
技术员 |
2 |
|
|
测量员 |
2 |
|
|
安全员 |
1 |
|
|
电工 |
1 |
|
|
钢筋工 |
15 |
|
|
油料员 |
2 |
|
|
机械作业人员 |
13 |
|
|
木工 |
12 |
|
|
普工 |
10 |
|
|
合计 |
63 |
投入本工程的主要施工机械设备表
|
序号 |
机械设备名称 |
型号规格 |
数量 |
额定功率(KV) |
生产能力 |
备注 |
|
1 |
挖掘机 |
神刚230 |
2台 |
良好 |
||
|
2 |
挖掘机 |
现代265 |
1台 |
良好 |
||
|
3 |
挖掘机 |
现代225 |
1台 |
良好 |
||
|
4 |
装载机 |
龙工855 |
2台 |
良好 |
||
|
5 |
发电机 |
300KW |
1台 |
良好 |
||
|
6 |
发电机 |
50KW |
1台 |
良好 |
||
|
7 |
二相潜水泵 |
QX15—30—2.2 |
2台 |
良好 |
||
|
8 |
三相潜水泵 |
WQ70—10—5.5 |
1台 |
良好 |
||
|
9 |
插入式振动机 |
ZN50 |
3台 |
良好 |
||
|
10 |
水准仪 |
DSC532 |
3台 |
良好 |
||
|
11 |
全站仪 |
KTS442R |
2台 |
良好 |
3. 3 施工现场规划和准备
1、测量放线:开工前组织测量人员,校核提供的控制坐标点、高程,然后放出箱涵的中心线,布设施工坐标点及水准点。
2、清理现场及回填整平,做好临时排水工作。
3、做好施工现场准备,修建施工临时设施,安装调试施工机具及标定试验机具,做好材料的储存和堆放,做好施工的检测改进。
4、施工前应查明施工范围附近地下线及构筑物的分部情况,及时报请*迁拆**。
5、根据施工现场的测量和实际环境,为了减短施工周期,按各路段的施工顺序,进行突击施工,争取短时间内全部完成本工施工段的管线工程和道路工程。
6、做好施工现场的交通组织和安全工作。
第四章 主要工程项目的施工方案和方法
4. 1 一般规定
1、施工前,必须验槽。
2、箱涵施工宜按变形缝分段施工。墙体和顶板的变形缝与底板的变形缝应对正,缝宽应符合设计要求。
3、在施工过程中,应有专人负责沟槽和井点降水的检查工作,经常抽出沟槽内积水和有效地降底地下水,确保施工顺利进行。
4、施工时,应经常对沟槽支撑或开挖的土坡进行检查、加固或修整,以保证安全生产。
4. 2 施工准备和施工测量
1、测量放线:开工前组织测量人员,校核提供的控制坐标点、高程,然后放出截污管道的中心线,布设施工坐标点及水准点。
2、做好施工前现场准备,准备足够的模板、工程材料、施工机械进场,做好材料的储存和堆放,做好施工前的检测改进。
3、施工箱涵在雨季期间的工程段时,应每段设置集水井,在集水井用相配流水量的水泵将施工排水抽到排水管进行排水;以排泄由于雨季期间的大量降水产生设计管道排水量不够的多余积水。
4、本工程因工程量较大,施工周期短,由于箱涵工程是地下工程,发生特大暴雨等灾害其后时,对已施工的模板工程和正在施工的混凝土浇捣工程等,很难做出临时的保护措施,所以我们必须要随时注意天气预报,在将有暴雨对本工程造成损失;但由于本工程是按段施工,每段的施工周期比较短,如果特发的特大暴雨或不可抗拒的自然灾害气候袭击,不可避免地造成工程破坏和经济损失;在发生该种情况时,建设单位应给以补偿。
5、工程施工顺序:本箱涵工程由于工程量大,混凝土结构拆模周期时间长,必须分段按顺序进行施工。
6、施工步骤
从1段箱涵开始分段施工,按段范围梆底板和墙壁钢筋,装模板,浇捣底板及底板以上约25cm的侧墙混凝土,装顶板。期间,可开始下段的挖土等工作。
7、钢筋混凝土结构施工严格按照设计要求和施工规范进行施工,进排水管预留洞口要准确。
4. 3 箱涵施工
施工程序:箱涵施工一般采用现浇,在开挖好的沟槽内设置底层,浇筑一层混凝土垫层,再将加工好的钢筋现场绑扎,支内模和外模,较大的箱涵一般先浇筑底板和侧壁的下半部分,再绑扎侧壁上部和顶板钢筋,支好内外模,浇筑侧壁上半部分,最后浇筑顶板。施工缝采用300mm*3mm止水钢板。待混凝土达到设计要求的强度拆模,在箱涵两侧同时回填土。
箱涵施工程序为:测量放样→基坑开挖→浇筑垫层→绑扎基础钢筋及涵身钢筋→浇筑底板混凝土→绑扎涵身钢筋、安装模板→浇筑涵身混凝土→安装满堂脚手架、顶板底模板→绑扎顶板钢筋、立模板→浇筑盖板混凝土→涵台背回填
4.3.1.1 土方开挖
以反铲挖掘机沿沟槽纵向开挖为主,人工配合检底修边。
1、挖掘机应停放在平坦坚实的地面上,以保证其稳定性和回转机构的正常工作。
2、挖掘机不应自行移动较大距离(5KM以上),以免使行驶机构遭到过度损伤。
3、挖掘机移动时,动臂应放在行走方向,铲斗距离地面高度不得超过1M。铲斗满载时,禁止移动。挖掘机上坡时,驱动应在后面;下坡时,驱动轮应在前面,动臂在后面。挖掘机通过软土、粘土路面时,应铺设垫板。
4、当铲斗未离开工作面时,禁止挖掘机转动。在挖掘机转动时,不得用铲斗对工作面等物进行侧面冲击或铲侧面刮土壤。
5、在铲斗下落时,注意不要冲击车架和履带,不要提升钢丝绳。当铲斗接触地面时,禁止挖掘机转动。
6、土方开挖过程必须注意对地下管线保护,在可能有地下管线的地方,先人工开挖探明管线,然后再进行大开挖。
7、沟槽的坡度应事先根据土质确定,开挖时严格按照要求修坡。
8、本排污箱涵土较深,挖沟槽时要按规定进行放坡,并留足够的施工面,基槽开挖后,若发现土质较复杂时,应通知设计人员,会同有关人员现场商定处理措施。开挖处理的基坑在施工过程中出现局部烂泥浆,铺填(夯迷实)200厚砂碎石垫层(砂:碎石=7:3),垫层铺填平面要比箱涵外边线超铺200宽:如因施工雨(污)水管造成槽底土松动时,该部分也可考虑用砂碎石垫层铺填。
- 基础沟槽较深,沟槽两边要作安全围栏进行卫护,并在明显地方安放危险标志。
- 沟槽开挖土方采用自卸车(12t)运至1km处堆土场地堆放,待沟槽回填至时再运至沟槽。多余土方运至25km处弃土场地。
4.3.1.2 基坑支护
4.3.2工艺流程
土方开挖→修整边壁→测量、放线→埋设喷射砼厚度控制桩→干配混凝土料→依次打开电、风、水开关、喷射第一层砼→测量放线、布孔位→人工掏孔→钻至设计深度→安装锚杆→压力灌浆养护→焊接钢筋网片→干配混凝土料→依次打开电、风、水开关→进行喷射混凝土作业→混凝土面层养护。
4.3.3操作工艺
(1)修整边壁
1)采用人工精修边坡,以使坡度及平面平整度达到设计要求。坡面平整度控制在±5cm以内,坡度控制在±3°。
2)对于易塌的土体视现场情况制定以下措施:
对修整后的边壁立即喷上一层薄的砂浆或混凝土,待凝结后再进行人工掏孔;在作业面上先安装钢筋网片喷射混凝土面层后,再进行掏孔并设置锚杆;在水平方向分小段间隔开挖;先将开挖的边壁作成斜坡,待掏孔并设置锚杆后再清坡;开挖时沿开挖面垂直插入钢筋后注浆加固土体。
(2)喷护
1)喷射第一层混凝土
喷射混凝土作业分段进行,同一分段内喷射顺序应自下而上,喷射第一层混凝土的厚度为30mm(倒虹吸段为40mm)。喷射混凝土的射距宜保持在0.6~1.0m范围内,并使射流垂直于壁面。采用螺旋轨道,一圈压半圈的方式进行喷射。
2)布孔位
在支护工作面形成后,利用全站仪及钢卷尺,根据设计方案在实地测量确定锚孔位置,锚孔孔距误差:≤±100mm。
3)钻孔
在确定锚杆孔位置后,搭设双排脚手架采用人孔钻孔按设计方案角度α=l5°及相应的钻孔长度进行钻孔。施工前应调整好角度,角度误差±5%;孔深允许偏差±50mm;孔径允许偏差±5mm。钻孔时应做好原始记录,发现异常情况,应及时向设计人员进行汇报。
4)清孔
①成孔后,应将孔壁上附着的粉尘、泥屑使用高压空气进行彻底清理,以确保注浆体与孔壁的粘结强度。
②当钻孔过程中有地下水从孔口溢出时,应采用固结注浆,以免锚固段注浆体流失或强度降低。
③待钻孔完成并洁理干净后应对孔口进行暂时封堵,不得使碎屑杂物进入孔内。
5)锚杆制作与安装
①锚杆制作
A.锚杆的材料必须符合设计与规范要求,并经抽样送检合格后方可使用。
B.锚杆的制作宜在覆盖工棚内进行。
C.组装前钢筋应平直,除油除锈。
D.锚杆下料长度:锚杆下料长度=设计标注长度,误差不超过±30 mm。
E.二级钢筋的接头应采用闪光对焊或搭接焊接头,采用双面搭接焊的焊接长度为5d。
F.锚杆制作应沿拉杆钢筋按@2000mm设置对中支架,对中支架和隔离架的支撑高度均不小于30mm,保证拉杆钢筋的保护层厚度不小于30mm,加工好的拉杆钢筋必须保证顺直。
②锚杆安装
A.安装锚杆前应对钻孔重新进行检查,对塌孔、掉块应进行清理或处理。
B.锚杆安装前要对锚杆体,进行详细检查,对损坏的防护层、配件进行恢复。
C.推送锚杆时用力需均匀一致,应防止在推送过程中损伤锚杆配件和防护层。
D.推送锚杆时不得使锚杆体转动。
E.当推送锚杆困难时,应将锚杆抽出,对抽出的锚杆应仔细地进行检查,并对安放固定器的有效性、锚杆的防护层的损坏程度、孔的清洁度进行观察检查。
F.安放杆体时,应防止杆体扭压、弯曲,杆体放入角度应与钻孔角度保持一致。
G.杆体插入孔内深度不应小于锚杆长度的95%,杆体安放后不得随意敲击。
H.封孔水泥砂浆未达到设计强度的70%时,不得在锚杆端部悬挂重物或碰撞外锚具。
(3)锚杆压力注浆
1)注浆材料:注浆采用P.S.A32.5 矿渣硅酸盐水泥。
土钉注浆为常压注浆,水灰比约0.50。浆液为水泥纯浆,水泥采用P.S常压灌注,注浆压力≥0.3~0.6Mpa。注浆管在注浆前送入孔底,注浆时浆管距孔底250~500mm处,孔口部位要设置止浆塞及排气管。浆液灌入孔底后,边注浆边缓慢拔出注浆管,注浆流量保持在10~60L/min,使注浆管始终有一定长度埋于浆液中,直至砂浆注满。注满后,应保持压力3~5min,稍后需补浆1~2次。施工过程中,由于工期紧,需要适量掺入速凝增强剂。
2)注浆中,当孔中存有积水时,待溢出浆液的稠度与注入浆液的稠度一样后再抽出注浆管。
3)每次注浆完毕,应将注浆管、搅拌机、注浆泵完全冲洗干净,以保证下次注浆顺利进行。
(4)绑扎钢筋网
1)钢筋保护层厚度不宜小于20mm。修坡后按顺序编扎钢筋网,如因其他原因需分层开挖,上下层的竖向钢筋搭接长度应大于300mm,以保证钢筋网的整体性,有利于力的传递。网格钢筋可采取绑扎,钢筋网与坡面间距不小于40mm,钢筋网与土钉交接处采取焊接,与加强筋连接牢固;喷射混凝土时不晃动。
2)钢筋网片采用绑扎而成,网格偏差控制在±10mm范围内。铺设钢筋网时每边的搭接长度应不小于300mm。
(5)喷射砼
喷射前应按下列方法做好工作:
1)在坡面上按设计要求安装泄水管;
2)在基坑内按设计要求做好排水沟及集水坑;
3)在基坑边缘按设计安装护栏及挡水墙;
4.3.2 钢筋工程
本工程采用HPB300级热轧钢筋、HRB400级热轧钢筋。
1、钢筋制作
本工程所有钢筋在钢筋加工厂内加工成型后,采用汽车运输(3km)到施工现场。钢筋加工制作时,要将钢筋加工下料表与设计图复核,检查下料表实否有错误和遗漏,对每种钢筋要按下料表检查是否达到要求,经过这两道检查后,再按下料表现放出实样,试制合格后方可批制作,加工好的钢筋要挂牌堆放整齐有序。
1)、钢筋表面应洁净,沾着的油污、泥土、浮锈使用前必须清理干净,可结合冷拉工艺除锈。
2)、钢筋调直,可用机械或人工调直。经调直后的钢筋不得有局部弯曲、死弯、小波浪形,其表面伤痕不应使钢筋截面减小5%。
3)、钢筋切断应根据钢筋号、直径、长度和数量,长短搭配,先断长料后断短料,尽量减少和缩短钢筋短头、以节约钢材。
4)钢筋弯钩或弯曲:
(1)钢筋弯钩。
形式有三种,分别为半圆弯钩、直弯钩及斜弯钩。钢筋弯曲后,弯曲处内皮收缩。外皮延伸、轴线长度不变,弯曲处形成圆弧,弯起后尺寸不大于下料尺寸,应考虑弯曲调整值。钢筋弯心直径为2.5d,平直部分为3d,钢筋弯钩增加长度的理论计算值:对装半圆弯钩为6.25d,对直弯钩为3.5d,对斜弯钩为4.9d。
(2)钢筋下料长度应根据构件尺寸、混凝土保护厚度、钢筋弯曲调整值和弯钩增加长度等规定综合考虑。
A、直钢筋下料长度=构件长度-保护层厚度+弯钩增加长度
B、弯起钢筋下料长度=直段长度+斜弯长度—弯曲调整值+弯钩增加长度
C、箍筋下料长度=箍筋内周长+箍筋调整值+弯钩增加长度
2、钢筋绑扎与安装
钢筋绑扎前先认真熟悉图纸,检查配料表与图纸,设计是否有出入,仔细检查成品尺寸、形状是否与下料表相符。核对无误后方可进行绑扎。钢筋垂直运输采用16T汽车吊将加工制作好的钢筋吊入基坑。运输和吊装过程中,钢筋用铁丝绑扎成捆。
箱涵侧墙钢筋间距40cm*40cm梅花形布置Φ10的S筋,底板及顶板间距80cm*80cm梅花形布置Φ14马镫筋。钢筋搭接采用绑扎搭接接头,搭接长度为40d。
3、质量要求
(1)、钢筋的材质。规格及焊条类型应符合钢筋工程的设计和施工规范,有材质及产品合格证书和物理性能检验。
(2)、钢筋的规格、形状、尺寸、数量、间距、锚固长度、接头位置、保护层厚度必须符合设计要求和施工规范的规定。
(3)、焊工必须持相应等级焊工证才允许上岗操作。
(4)、在焊接前应预先用相同的材料、焊接条件及参数,制作二个抗拉试件,其试验结果大于该类别钢筋的抗拉强度时,才允许正式施焊,此时可不再从成品抽样取试件。
(5)、钢筋、骨架绑扎,缺口、松扣不超过应绑扎数的10%,且部应集中。
(6)、钢筋弯钩的朝向正确,绑扎接头符合施工规范的规定,搭接长度不小于规定值。
(7)、所有焊接接头必须进行外观检验,其要求是:焊缝表面平顺,没有较明显的咬边。凹陷、焊瘤,夹渣及气孔,严禁有裂纹出现.
4、机械性能试验、检查方法。
根据焊件的机械性能的有关规定进行取样送检。
4.3.3 模板工程
模板工程作为结构施工三大分项工程之一,模板体系及施工方法选用情况对工程的影响时至关重要的。选用合理、先进、科学的模板体系不但可以提高工程质量、缩短工期、工程成本也可以大为降低。在不同的结构部位,选用不同的模板。支撑体系或施工方法,并力求合理、先进、科学。
模板采用钢模板进行施工,侧墙模板内每40cm*40cm距离绑扎一根Φ10的S筋,每隔40cm*40cm距离用Φ16(标准段长度为80cm,特殊井及倒虹吸段长度为95cm)对拉止水螺杆扣紧,以保证墙体厚度准确。模板安装一定要保证尺寸位置准确,安装牢固,接缝紧密,不漏浆,不跑模。
本工程侧墙体面积大,适合采用大模板,实行整装整拆,与人工现场加工并装和现场零星拆除相比,不但混凝土的表面平整光滑,拼缝严密,而且机械化施工程度高、操作简单、模板周转速度快、次数多,大模板的设计如下:
1、根据侧墙形状拼装大模板,充分利用不同尺寸的模板组成所需形状。
2、拉接横梁
为保证各模板连接的整体性,以及将砼的侧压力传递到支撑满堂脚手架,模板横向采用钢管“拉接横梁”相互连接,采用对拉止水螺杆固定。
3、支撑体系
为保证让模板安装时的稳定性,采用满堂脚手架做支撑,用扣件与对拉横梁相互连接。安装外墙模板采用双排外脚手架作为操作平台。
模板工程设计安拆要求:
模版的材质应符合有关的专门规定。
模板及其支撑体系应符合下列规定:
(1)保证工程结构和构件各部分形状尺寸和相互位置的正确。
(2)具有足够的承载刚度和稳定性,能可靠地承受现浇混凝土的自重和侧压,以及在施工过程中所产生的荷载。
(3)构造简单、装拆方便,并便于钢筋的绑扎安装及混凝土的浇筑、养护等要求。
(4)模板的接缝不得漏浆。
(5)模板与混凝土的接触面应涂隔离剂。对油质类等影响结构或妨碍装饰工程的隔离剂不得采用。严禁隔离剂沾污钢筋与混凝土接搓处。
(6)模板及其支架在安装过程中,必须设置防倾覆的临时固定。
(7)现浇钢筋混凝土梁、板,当跨等于或大于4m时,模板应起拱:当设计无具体要求时,起拱高度宜为全跨长度的1/1000~3/1000。
F、固定在模板上的预埋件和预留洞不得遗漏,安装必须牢固、位置准确。
(8)模板安装的偏差不得超高过有关规定。
(9)现浇结构的模板及其支架拆除时的混凝土强度,应符合设计要求;当设计无具体要求时,应符合下列规定:
1)侧模:在混凝土强度能保证其表面棱角不因拆除模板面而受损后,方可拆除。
2)底模:其砼强度需按跨度达到相关要求后方可拆除。
现浇混凝土底模拆除时所需强度值
|
结 构 类 型 |
结构跨度(m) |
达到设计强度标准值 (%) |
|
板、拱 |
≤2 |
50 |
|
>2,≤8 |
75 |
3)侧墙模板拆除后,将拉止水螺杆周围砼凿除,深约20mm,然后将螺杆用氧割切割,用1:2防水砂浆抹成饼状。
4、箱涵涵支架模板支撑体系验算:
A、荷载计算:
a、板模板及龙骨自重标准值:
q1=1.1KN/m2m2
b、现浇钢筋砼自重标准值
q2=0.4X25=10KN/m2m2
c、施工人员及设备荷载标准值(按均布荷载考虑):
q3=1.0KN/m2m2
d、振捣砼荷载标准值:
q4=2.0KN/m2m2
d倾倒砼生产的荷载标准值:
q5=2.0KN/m2m2
荷载组合值:
q=(q1+q2)X1.4+(q3+q4)X1.4+q5X1.4
=(1.1+10)X1.2+(1.0+2.0)X1.4+2.0X1.4
=20.32KN/m2m2
作用于架体立柱集中力:
立柱纵横间距为1.0米,
N=0.5X2.0X2.0Xq=40.64KN
B、强度验算:
δ=N/An=40.46X103/1224.44=33.20N/mm2〈f=215N/mm2
满足强度要求
C、稳定性验算
横杆步高为1.8米,细长比为:
λ=1.8/0.048=37.50,查表:Ψ=0.879
N/ΨA=40640/0.879X6359.18=7.27N/mm2<f=215N/mm2
满足稳定性要求。
4.3.4 混凝土工程
本工程采用商品混凝土,混凝土水平及垂直运输采用混凝土泵车泵送,人工为辅。
作业条件
1)、下达任务单时,必须包括工程名称、地点、部位、数量、对混凝土的各项技术要求(强度等级、抗渗等级、缓凝剂特种要求)、现场施工方法、生产效率(或工期)。*班交**搭接要求,以及供需双方协议调内容,连同施工配合比通知单下起下达。
2)、设备试运转正常,混凝土运输车辆数量满足要求。
3)、材料供应充足,特别是指定的水泥品种有足够的储存量或后续供应有保证。
4)、全部材料应经检验合格,符合使用要求。
5)、天气满足作业要求。
2、对商品混凝土的质量检查要求
1)坍落度抽检每车一次:混凝土整车容重检查每一配合比每天不少于一次。
2)、现场取样时,应以搅拌车卸料1/4后至3/4前的混凝土为代表。混凝土取样、试件制作、养护,均应由供需双方共同签证认可。
3)、运输车卸料前不得出现离析和初凝现象。拌料后至卸料前时间间隔小于2小时,否则搅拌车内混凝土不能用于主体结构。
7、混凝土的护养
1)、混凝土浇筑完毕后,应在12小时以内加以覆盖,并浇水护养。
2)、混凝土浇水养护日期,掺用缓凝型外加剂或有抗渗要求的混凝土不得小于14天。在混凝土强度达到1.2MPa之前,不得在其上踩踏或施工振动。
3)、每日浇水次数应能保持混凝土处于足够的润湿状态。
4.3.5 施工缝施工
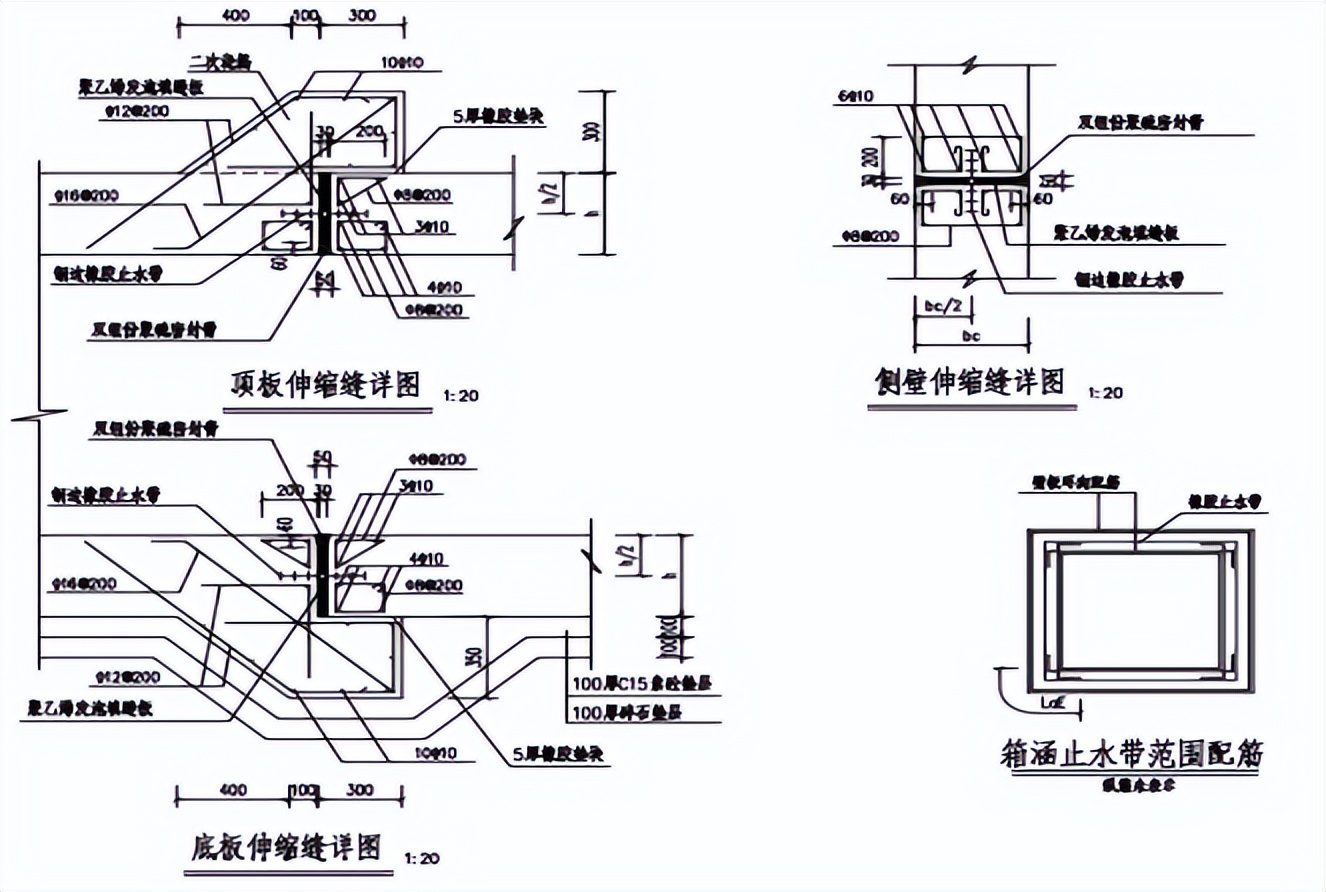
- 箱涵沿纵向每25米设一道伸缩缝,缝宽30mm,墙体中间设置钢边止水带,聚乙烯发泡填缝,双组份聚硫密封膏密封。在底板及顶板伸缩缝位置铺设橡胶垫块(3600*300*5mm)详见下图:

2、留设施工缝时,应符合下列规定:
(1)墙体水平施工缝不应留在剪力最大处或底板与侧墙交接处,应留在高出底板表面不小于30cm的墙体上。墙体有预留孔洞时,施工缝距预留孔洞边缘不小于30cm。
(2)垂直施工缝应避开地下水和裂隙水较多的地段,并宜与变形缝相结合。
3、施工缝的施工应符合下列规定:
(1)水平施工缝浇筑混凝土前,应将其表面浮浆及杂物清除,然后铺设净浆或混凝土界面处理剂、水泥基渗透结晶型防水涂料等材料,再铺设30—50mm厚的1:1水泥砂浆,并应及时浇筑混凝土。
(2)垂直施工缝浇筑混凝土前,应将其表面清理干净,再涂刷混凝土界面处理剂、水泥基渗透结晶型防水涂料等材料,并应及时浇筑混凝土。
(3)采用中埋式止水带,应定位准确、固定牢靠。
4.3.6闭水试验
1、闭水试验时,试验箱涵段应符合下列规定:
(1)箱涵及检查井外观质量已验收合格;
(2)箱涵未回填土且基坑内无积水;
(3)全部预留孔应封堵,不得渗水;
(4)箱涵两端堵板承载力经核算应大于水压力的合力;除预留进出水管外,应封堵坚固,不得渗水。
2、闭水试验应符合下列规定:
(1)当试验段上游设计水头不超过箱涵顶内壁时,试验水头应以试验段上游箱涵顶内壁加2m计;
(2)当试验段上游设计水头超过箱涵顶内壁时,试验水头应以试验段上游设计水头加2m计;
(3)当计算出的试验水头小于10m,但已超过上游检查井井口时,试验水头应以上游检查井井口高度为准;
(4)实测渗水量应小于或等于按下式计算的允许渗水量;

式中:Q——允许渗水量(m3/ (24h·km));
D——管道内径 (mm)。
(5)异形截面管道的允许渗水量可按周长折算为圆形管道计。
4.3.7 土方回填
1、基坑回填必须在构筑物的地下部分验收合格后及时进行。回填覆土前必须将基坑底清除干净,基坑内不得有积水,回填应均匀、对称、分层回填。回填土的密实度应满足有关规范的要求。
2、 回填之前需要将锚喷支护结构采用小型机械拆除外运,避免因锚喷支护结构导致不均匀沉降。箱涵顶上50cm范围内采用夯实法,一般采用蛙式打夯机、电夯等夯实设备,单层回填厚度为15cm。管顶50cm以上采用机械夯实法,分层回填。
3、雨期填土应经常检验土的含水量,随填随压,防止松土淋雨。填土时基坑四周被破坏的土堤及排水沟应及时修复。但雨天不宜填土。
4、冬期填土,在道路或管道通过的部位、不得回填冻土,其他部位可均匀掺入冻土,其数量不得超过填土总体积的15%,且冻块尺寸不得大于15cm。
5、基坑填土的质量应符合下列要求:
(1)、回填土的压实度应符合设计要求,当设计无要求时,回填土的压实度不应低于90%;道路通过的部位其回填土的压实度应符合国家现行有关标准规范的规定;
(2)填土表面应略高于地面、清理平整,并利于排水。
- 基坑回填土其他材料的压实,应符合下列规定:
(1)分段回填压实时,相邻段的接茬应呈接梯形,且不得漏夯;
(2)采用木夯、蛙式夯等压实工具时,应夯夯相连;采用压路机时,碾压的重叠宽度不得小于20cm;
第五章 确保工程质量、工期措施
5. 1 确保工程质量措施
1、健全质量保证体系,建立以项目经理为组长,总工程师为副组长,各职能部门负责人为组长的创优小组,主持项目创活动,形成以总工程师质量总负责,质量工程师专职监督的内部质量监督和业主的质量监理控制相统一组织保证机构,实行单项工程和施工工序、工艺负责人和质量责任人的质量责任制,使创优落实到人头和各项具体工作中去,做到上道工序不优,下道工序不开工,分部把关,层层负责。
2、施工中要严格按照QHSE手册体系的各种规定办理,开工前组织技术人员、施工人员和有关管理人员熟悉设计标准和相关施工规范及QHSE手册质量管理中的有关规定,在实施过程中细节和质量的检查与控制办法,确保工程一次合格,一次成优。
3、技术人员及施工管理人员要吃透图纸,熟悉资料,进行层层技术交底,使主要管理者,现在管理人员及操作人员了解整个工程的设计意图熟悉技术标准,掌握操作方法,对施工中出现的问题积极配合现场监理工程师和设计单位,确定处理方案,及时予以解决。
4、坚持“预防为主,检验把关相结合“的方法,按照规定,加强对原材料,中间产品质量的检验,杜绝不合格材料在工程中使用,按规定及时检测砼的强度,据以指导配合比的调整改进工艺,达到结构工程的内实外美。
5、认真执行质量管理制度,实行图纸审签制度,技术交底、质量“三检”(自检、互检、专检),隐蔽工程检查证制、分项工程质量评定制质量事故报告制等行之有效的质量管理制度,在具体实施中要认真落实,互相监督,善始善终。
6、加强工作质量,提高工序质量,确保工程质量,工作质量与分配挂钩,建立严格的奖罚制度,使创优工作在良好的激励机制下进行。
我公司将坚持质量原则,设计图纸及施工规范要求和建立工程师的指令为标准。会同建设、建立、设计单位,,优化施工方案,采取新工艺新方法,确保各分段项目工程优质完成。
5. 2 工期保证措施
1、在劳动力合机械设备的配备方面,已有足够的保证。工程所需用各类机械设备都已考虑了留有余地,并实行动态管理,公司直接掌握调配。所需技术工种和施工机械,直接由公司领导调配。并采取相应的任务调整加班加点的措施保证工期完成。
2、根据计划,分段控制,明确每个施工段的目标、任务。突出重点,全方位抓落实。作业班组以工序保证日计划,施工队以日计划保证计划的完成。项目经理部除掌握总体计划外,要以旬计划下达施工。各阶段施工计划层层落实,确保分段计划和总计划的落实。
3、加强物资的供应、运输组织、试验和管理。 成立材料采购运输供应小组和实验小组,落实订单和供货日期、运输方式等事宜,抓准抓早抓落实,材料到工地后,必须按标书逐项测试,填写报告单。
4、加强对工程的领导和管理,健全施工协调制度。
(1)公司选丰富施工经验,良好组织才能,高度责任心的同志担任项目经理。集中专业技术骨干,组织精干过硬的分队上线施工。
(2)实施项目经理负责制,推行方针目标管理。充分发挥项目经理的工作能力,充分地向项目经理授权,使其有权处理施工中出现的问题。制定方针目标经理。层层分解下达执行。
(3)健全施工协调制度。坚持施工班组的完工会制度,项目经理统一组织落实调度*班交**会、以组织现场调查为核心,做好各项开工前的技术准备工作。认真组织图纸会审。熟悉设计图纸,核对图纸之间有无矛盾、错落,核对设计与现场实际情况是否相同。组织测量人员测量现场中线、水平、边柱、涵位测量,复核控制桩和BM点。做好施工前技术交底和岗前培训。配合项目经理、质监部门和材料部门落实临时工程的实施和材质检验。
5、施工阶段:以指导施工和技术攻心为核心,及时协调处理解决施工中出现的施工技术问题加强与工程师(监理工程师),业主设计部门的联系,督促检查有关人员及时做好原始记录的记载和整理,及时组织攻克施工中各种技术难关。及时办理变更设计,指导施工人员按设计规范进行施工。严格掌握施工顺序。
完工阶段以抓好收尾工程、编制竣工文件为核心。配合好初验和办理验收决算工作。
6、做好思想工作,充分调动广大施工人员的积极性,群策群力,团结合作,保证质量,保证按期完成。
7、杜绝工程质量、安全事故,确保施工按施工计划进行。
8、做好预计施工和季节性施工安排。
9、每日24小时连续施工,白天尽量施工人工工作,夜晚进行土方运输等设备车辆参与的施工工作。在整个运输通道上全线设置照明设施,保障夜间施工行车安全。
10、准备时间与工程开工同步进行,边准备边开工,以便在有效的工期最大的增加施工时间。
11、开工前在工地试验室未成立前,工地所有的化验、试验项目均委托业主同意的试验室来做,以便为顺利开工提供科学地试验数据。
12、本工程段按施工方案进度计划,我们要精心进行安排,要做到按时或提前竣工。
13.雨季的施工安排
1)、雨季施工必须作好场地的排水,保持排水沟的畅通。
2)、施工场地的临时排水设施与永久性排水设施相结合,流水不得排入农田,也不得污染自然水源和引起河道的淤积或冲刷等。
3)、根据气象资料随时掌握气象情况。
4)、在雨季抓紧设备的维修、技术人员培训和学习等工作,做好内业资料整理工作。
5)、大量开展一些受雨水影响小的工作,如涵洞、砌石工程等。
6)、预制场搭设简易防雨工棚,砼现浇施工场地备好足量的防雨布。砼现浇数量大,又不能停止作业,施工面小的项目,搭设简易防雨工棚。
第六章 确保安全生产及职业健康措施
6. 1 施工期间的交通组织和安全工作
本工程段的箱涵位置大部分在河堤绿化景观带内,箱涵施工期间,要做好各种安全工作和安全措施。
6. 2 安全生产目标
为贯彻“安全第一、预防为主”的方针和“管生产必须管安全”的原则,加强安全生产的领导,强化管理,全面贯彻执行《建筑施工安全检查评分标准》和《施工现场临时用电技术规范》,推行安全标准化工作,为广大职工创造一个安全工作环境,在科研行政中心人工挖孔桩工程中实现“无因工死亡事故;无重伤事故;无火灾事故;无中毒;无重大设备事故”的安全目标。
6. 3 施工安全保证措施
6.3.1 安全管理保证措施
1)认真贯彻执行劳动保护和安全生产各项方针、政策、法规、法令规章制度以及上级机关颁发的安全生产工作条例和规定,结合我公司的具体情况,制定贯彻实施细则,组织机构,建立和健全各项安全生产工作岗位责任制,并检查执行情况。
2)坚持贯彻“安全第一、预防为主”的方针,把安全生产工作摆在日常工作首位,定期研究和解决安全生产中存在的问题。
3)对职工进行安全和遵守纪律的教育,督促各个职能部门做好本职范围内的安全工作。
4)主持重大安全事故的调查分析,提出处理意见和改进措施,并督促实施。
5)定期召开工地的安全生产工作会议,当进度与安全生产矛盾时,必须服从安全。
6)经常组织各种安全生产教育活动,支持和配合技安人员搞好各项安全工作。
7)组织对职工、各主管职能部门进行安全技术知识教育。
8)及时组织解决在施工中存在的安全技术问题,参加重大安全事故的调查分析,针对事故原因,从技术上提出防范和改进措施。
认真贯彻执行国家各项安全生产方针、政策、规章和制度。掌握安全动态,并经常向单位工程责任汇报工作。
9)组织职工学习安全操作规程和制度,配合做好安全培训、教育工作。
10)严格遵守安全生产各项规章制度和劳动纪律。
11)服从领导、听从指挥、工作时思想要集中,坚守岗位,严禁酒后上班,不得在禁止烟火的地方吸烟,动火。
12)严格遵守“施工现场各项安全规定”正确使用“三宝”,爱护各种安全设施及安全标语牌,不得任意拆除和随意挪动。
13)坚持“三级”安全教育,凡未经安全教育的不得上岗作业。
6.3.2 施工区的安全措施
1)所有现场施工人员要穿工作服、劳保鞋、戴安全帽,特种作业人员要配合专门的防护用品。
2)所有在现场施工人员和机械人员严禁酒后上岗。
3)现场施工道路交叉处、过桥处以及道路弯处,指派专人指挥交通。
4)汽车运输要严格限制速度,行车要保持安全距离。
5)大型机械作业时,不准任何人在机械的回旋范围内进行任何工作。
6)定期对机械进行检修,如有损坏,应立即修理。
7)工地上的大型设备,要有专人负责指挥。
8)材料堆放应保持稳妥,避免倾倒和塌落。
9)夜间施工必须保证现场和主要通道有足够的照明灯具。
10)土方开挖基槽应按规定做好围护,并用安全标志做好标识。
6.3.3 其他安全措施
1)加强机械设备和机械操作人员的管理,对机械设备要常检查、常维修、常保养,建立定期检测和操作人员岗位责任制。
2)现场临时用电,严格按照有关规范执行,严禁使破损或绝缘性能不良的电线,严禁电线随地走,所有电闸相应有门有锁,有防雨盖板,悬挂危险标志。
3)特殊工种工人应经过专业培训,持证上岗,严禁无证操作。
4)施工用电采用三相五线制,现场施工机具,安装灵敏、有效的漏电保护装置,做到一机一闸一漏电,漏电开关动作电流不小于30MA,动作时间不超过0.5秒,并应定期检测。
5)安全资料应有专人负责,并按部颁评分标准,认真加予整理分类,每次检查,均应有文字记录资料。
6.3.4 职业健康的保证措施
一、职业健康的目标:1、无职业病2、劳保用品发放率100% 3、有害作业点达标率100%。
二、职业病的防治措施:
1)有毒、粉尘、噪音、振动作业无防护用品,未进行含毒化学元素监测,无防尘防振装置。
2)有毒有害作业场所应按《劳动保护用品发放和使用管理规定》SJGD—010给作业工人配备防护用品。
3)对从事接触职业病危害的作业的劳动者,按卫生行政部门的规定组织上岗前、在岗期间和离岗时的职业健康检查。
6. 4 施工用电安全技术措施
6.4.1 施工用电的搭设要求
(一)外电防护要求,在建设工程不得在外高压线路下方施工,且不得在其下方搭作业栅,建生活设施以及堆放杂物。在建工程(含脚手架)的外侧边缘与外电架空线路的边缘之间的距离必须满足:1KV以下4m,1KV—10KV以上6m;施工现场的激动车道与外电架空交叉时,其最低点与路面的垂直距离应满足;1KV以下6m,1KV—10KV以上7m。现场开挖沟槽之边缘与埋地处电缆沟边缘之距离应0.5m。上述要求不能满足时,必须采取防防措施,增设屏障、遮拦、围栏或保护网,并挂警告牌。
(二)干线架设:
1、施工现场用电必须采用TN—S系统,即三相五线制五根导线分为五种颜色,其中相线分为A相为黄色,B相为绿色,工作零线(N)为黑色,专用保护零线(PE线)为黄/绿双色线。
2、临时电系统采用TN—S系统时,保护零线(PE)应自工作地线引出,如三相四线转换成三相五线制TN—S系统时,保护零线应以总相漏电开关工作零线前端单独引出,此根导线引出作护零线时,禁止作工作零线用,PE主线的截面采用不得小于工作零线的截面,其先材只准采用铜线,不准采用吕线。
3、每组线路的重复接地不得少于三处(总电箱、中间配电箱和末端配电箱)重复接地线最好与新建筑物的避雷带连接,接头采用螺丝固定。
4、所有电气设备的金属外壳必须与PE先连接,其连接的PE线不得小于2.5mm2的绝缘多胶铜线,PE线重复接地电阻
5、架空线路必须设在专用电杆上用绝缘(瓷瓶)固定每条支线,严禁使用金属裸线作绑成,禁止把电线随便架设在外脚手架、井架、树木等。
6、施工用电干线采用架空敷设,严禁沿地面明设,导线与地面最小垂直距离4m与建筑物凸出部分最小水平距离应不小于1m。
7、三相五线制的架空线路相序排列是:L1、N、L2、L3、PE(面向负荷从左到右计),线间距不小于0.3m。
8、办公室、工棚的照明线路一律套PVC管,照明总电箱由工地办公室控制,以防止工人乱拉乱接。
(三)配电箱和开关箱的装设要求:
施工现场按施工要求布线完后,接入用电设备,接入用电设备之前所有线路必须经过配电箱,实行开关控制,熔断保护,漏电保护等,配电箱一般情况分三级,即:总配电箱—分配电箱—开关箱。配电箱必须满足以下要求:
1、配电箱、开关箱的箱体材料,一般选用铁板,箱体里板应选取用绝缘板,而不准选用木质材料作绝缘之用。
2、配电箱、开关箱,按工作位置安装端正、牢固,不得倒置、歪斜、松动及至摇晃。固定式配电箱、开关箱的下底与地面垂直距离宜大于0.6m,小于1.5m。
3、进入开关箱的电源线,严禁用插销连接。
4、分配电箱与开关箱的距离不得超过30m,开关箱与固定式用电设备的水平距离不宜超过3m。
5、施工现场每台用电设备应有各自专用的开关箱,必须实行“一机一闸一漏电”一个箱制,严禁用同一个开关器直接控制二台及二台以上用电设备(含插座)。
6、开关箱中必须设漏电保护器,其额定漏电动作电流应小于30mA,漏电动作时间应小于0.1S。在任何情况下,不能通过保护零线、漏电开关的试验按扭不准作为开关分合手柄使用。
7、所有配电箱门应配锁,不得在配电箱和开关箱内拉接或插接其它临时设备,开关箱内严禁放置杂物。
8、配电箱、开关箱的PE线应采用铜接线端子连接,PE线应跟踪到每一台设备的金属外壳上。
9、各配电箱的电源进出线布置:电源先进闸刀开关,后进漏电开关断路器。断路器出线端接负载。
10、熔丝选用应与闸刀开关及用电设备相适宜,安装应与闸刀开关底座槽面紧密接触,禁止用其它金属代替熔丝。
6.4.2 使用配电箱的安全技术要求
为保障配电箱、开关箱安全运行,其使用和安全措施如下:
1、标志:
为加强对配电箱和开关箱的管理,防止误操作,所有分配电箱、开关箱应在箱门处标注其编号、名称、用途和分路情况。开关箱要专箱专用,改变用途要经电气负责人同意。
2、合理工作顺序:
停电时,操作顺序是先关开关箱,再关分配电箱,最后关总配电箱。送电时,操作顺序是先开总配电箱,再开分配电箱,最后开开关箱。
3、操作人员
使用配电箱、开关箱操作者应接受必要的岗前安全技术培训,熟悉使用设备的电气性能,熟练掌握有关开关的正确操作方法。作业前,应检查有关配电箱、开关箱、用电设备、电气线路和保护设施完好后方可进行操作,发现问题及时处理,如发现保护零线断线或接头松动、脱落,应及时重新牢固连接才可操作。作业电工必须持有效的电工操作证方可上岗工作。
4、维修
检查、维修期限一般一个月为宜,更换熔断器的熔丝,必须用规格的熔丝,严禁用铜丝、铁丝代替。认真检查各配电箱、临时线路、机械设备等,发现问题及时处理。
5、环境:
配电箱的工作环境应经常保持设置时的要求,不得在其周围堆放任何杂物,保持必要的操作空间和通道。
6、停电:
停电作业时,要与电源负责人联系维修机器停电,要悬挂警示牌,卸下保险丝,锁上开关箱。
6.4.3 电气防火措施
(一)电气防火技术措施
1、合理配置、整定、更换各种保护电器,对电路和设备的过载、短路故障进行可靠保护。
2、在电气装置和线路周围不准堆放易燃、易爆和强腐蚀介质,不使用火源。
3、在电气装置相对集中的场所。如变电所、配电室、发电机室等配置绝缘灭火器,并禁止烟火。
4、加强电气设备时间和相一地间绝缘,防止闪烁。
5、合理设置防雷装置。
(二)电气防火组织措施:
1、建立易燃、易爆物和强腐蚀介质管理制度。
2、建立电气防火责任制,加强电气防火重点场所烟火管制并设置禁止烟火标志。
3、建立电气防火教育制度,经常进行电气防火知识教育和宣传,提高各类用电人员电气防火自觉性。
4、建立电气防火检查制度,发现问题及时解决处理。
5、强化电气防火领导体制,建立电气防火队伍。
上述电气防火组织措施可以一般防火组织措施一并考虑。
6.4.4 施工用电防火措施
针对电气防火措施,施工组织设计要制定出有效的预防措施。
1、施工组织设计时经根据设备用电量正确选择截面,从理论上杜绝线路超负荷使用,保护装置要认真选择,当线路上出现长期过负荷时,能在规定时间内动作保护线路。
2、导线架空敷设时其安全间距必须满足规范要求,当配电线路采用熔断器做短路保护时,熔体额定电流一定要小于电缆或穿管绝缘导线允许载流量的2.5倍,或明敷绝缘导线允许载流量的1.5倍。经常教育用电人员正确执行安全操作规程,避免作业不当造成火灾。
3、电气操作人员要认真执行规范,线头连接要有过渡端子,多股导线要用端子或涮锡后再与设备安装,以防加大电阻引起火灾。
4、配电室的耐火等级要大于三级,室内配置砂箱和绝缘灭火器。严格执行变压器的运行检修制度。现场中的电动机严禁超载使用及“带病”作业,电机周围无易燃物,发现问题及时解决,保证设备正常运转。
5、施工现场内严禁使用电炉子。使用碘钨灯时,灯与易燃物间距不大于30CM,室内不准使用功率超过60W的灯炮,严禁使用床头灯。
6、使用焊机要执行用火证制度,并有人监护,施焊周围不能存在易燃物体,并备齐防火设备。电焊机要放在通风良好的地方。
7、施工现场的高大设备和有可能产生静电的电气设备要做好防雷接地和防静电接地,以免雷电及静电火花引起火灾。
8、存放易燃气体、易燃物仓库内的照明装置一定要采用防爆型设备,导线敷设、灯具安装、导线与设备连接均应满足有关规范要求。
9、配电箱、开关箱内严禁存放杂物及易燃物体,并派专人负责定期清扫。
10、设有消防设施的施工现场,消防泵的电源要由总箱引出专用回路供电,而且此回路不得设置漏电保护器,当电源发生接地故障时可以设单相接地报警装置。
11、施工现场应建立防火检查制度,强化电气防火领导体制,建立电气防火队伍。
12、施工现场一旦发生电气火灾时,扑灭电气火灾应注意以下事项:
(1)迅速切断电源,以免事态扩大。切断电源时应戴绝缘手套,使用有绝缘柄的工具。当火场离开关较远时,火线和零线应分开错位剪断,以免在钳口处造成短路,并防止电源线掉在地上造成短路使人触电。
(2)当电源线因其它原因不能及时切断时,一方面派人去供电端拉闸,另一方面灭火时,人体的各部位与带电体应保持一定距离,必须穿戴绝缘用品。
(3)扑灭电气火灾时要用绝缘性能好的灭火剂和干粉灭火剂、二氧化碳灭火器、1211灭火器或干燥砂子,严禁使用导电灭火剂进行扑救。
13、按照《施工现场临时用电安全技术规范》设置有关警告牌,危险地段增设夜间指示灯。文明施工及环境卫生室施工企业的追求,同时也是建筑和社会的需要。文明施工管理的水准是反映一个现代企业的综合管理水平和竞争能力的重要特征。按照石家庄市建设局颁发的《石家庄市建设工程现场文明施工管理办法》,我公司对派驻工程的一切人员进行教育,提高文明素质,提高管理水平,要以崭新的精神面貌展现给社会各方面,把文明施工做为维护企业形象、企业信誉基本工作,要求全体员工自觉自愿地积极参与。
6.5 文明施工
1、现场工程标志牌设计及临设布置按照施工组织总设计布置。
2、成品、半成品、原材堆放。
严格按施工组织设计中的平面布置图划定的位置堆放成品、半成品和愿材料,所有材料应堆放整齐。
3、污水的处理和排放
场内设淀池和化粪池,并做到:
(1)、所有的生活或其它污水必须分别处理后才能排入市政排水管道。杜绝运输中泥浆、散体。流体物料撒漏。车辆出工地前,轮胎、车身必须冲洗干净,并防止掉土污染路面。
4、运输车辆。
(1)、运输车辆必须冲洗干净后才能离场上路行驶。
(2)、装运建筑材料、土石方。建筑垃圾及工程渣土的车辆,应采取有效措施,保证行驶途中不污染道路和环境。
5、现场卫生管理。
(1)、明确施工现场各区域的卫生责任人。
(2)、食堂必须申领卫生许可证,并应符合卫生标准,生、熟食操作应分开,熟食操作室应有防蝇间或防蝇罩。禁止使用食用塑料制品作熟食容器,炊事员和茶水工需持有效的健康证明上岗。
(3)、施工现场应设置卫生间,并有水源冲洗,同时设简易化粪池或基粪池,加盖并定期喷药,每日有专人负责清洁。
(4)、设置足够的垃圾池和垃圾桶,定期搞好环境卫生、清理垃圾,施药除“四害”。
(5)、建筑垃圾必须集中堆放并及时清运,做到工完场清。
(6)、工地应设茶水亭茶水桶,做到有盖、加锁和有标志。
(7)、夏季施工应有防暑降温措施。
(8)配备保健药箱,购置必要的急救、保健药品。
6、现场安全、保卫。
(1)、建立健全安全、保卫制度,落实治安、防火。计划生育管理责任人。
(2)、施工现场配备专职保卫人员,昼夜值班,做好进入施工现场人员的登记手续,防止外来人员随便进入施工现场。施工现场的车辆必须登记进场,在场内要服从现场人员的调度安排。
(3)、施工现场的管理人员、作业人员必须配佩工作卡,表明相片、姓名、单位、工种或职务,管理人员和作业人员的标卡应分颜色区别。
(4)、现场不准留宿家属及闲杂人员。
7、文明施工教育。
施工现场要利用黑板报和其它形式对员工进行法纪宣传教育工作,使施工现场各类施工人员知法、懂法并自觉遵守和维护国家的法律法令,提高员工的法纪关念,防止和杜绝盗窃、斗殴及进行黄、赌、毒等非法活动的发生。
8、文明施工管理。
1)文明施工总目标;
本工程文明施工总目标为“石家庄市文明施工工地”。
2)指导思想:
由于本工程附近为现状工业区,为把对周围居民的生活、学习造成的影响降低到最低程度,因此在施工中把文明施工管理将作为管理工作的重点之一来抓。明确文明施工是一项综合性基础管理工作,是施工现代化得一个重要标志,也是施工企业的一项综合性基础管理工作。我公司希望通过抓好文明施工促进、带动和完善企业整体管理,增强企业:“内功”,提高整体素质,提高企业声誉。
3)组织机构:
本公司文明施工实行公司、项目部二级管理,各级均建立文明施工领导小组和管理制度。
公司文明施工领导小组有公司总经理、主管生产副总经理、总工程师及安全监督部、工程技术部、资产管理部负责人组成;总经理是公司文明施工管理第一责任人,主管生产副经理是公司文明施工管理直接责任人,安全监督部室公司文明施工管理的主要部门。
项目部文明施工领导小组由项目经理、主管文明施工副经理、项目总工程师、安全监督部长、安全员组成:项目经理为文明施工第一责任人,主管生产副经理是项目文明施工的直接责任人。现场文明施工实行分区管理和班组管理相结合。现场划分施工、办公和生活三大责任区,各责任区再划分若干个责任小区,各大小责任区设专人负责,各作业班组的班组长作业区的文明施工负责。
第七章 质量控制标准和检验要求
1、工程质量检验评定应与施工工序同步完成。报验单和质量检验评定用表,按石家庄市市政公用工程质量安全监督站和河北省建设厅监理处统一规定的表格执行。
2、质量检验允许偏差
(1)基坑开挖允许偏差(见附表一);
(2)钢筋加工允许偏差(见附表二);
(3)钢筋安装允许偏差和检验方法(附表三);
(4)现浇结构模板安装的允许偏差及检验方法(附表四);
3、施工中应具备的原始资料
(1)测量放样记录及成果汇总表;
(2)砼设计配合比报告单;
(3)各种原材料质保书、出厂检验资料及现场见证取样试验单;
(4)特种材料及构件质保书、出厂检验资料及现场抽样检验结果;
(5)砼浇筑记录;
(6)砼强度试验汇总表、评定记录;
(7)按工序、部位填报的质量评定表及报验单。
4、分项、分部检验评定
(1)本工程由于工期紧、任务重,为加快工程资料的整理、汇总,实行按分项、分部工程进行检验评定的办法。承包人对已完工的
分项或分部工程及时整理,报监理工程师签认,并及时整改质量缺陷。
(2)没有达到合格标准的分项工序,承包人应向工程监理部报送整改书面报告,经监理工程师审批后,按有关规定及时进行处理。
(3)返工重做的工序,可重新进行质量评定。
基坑开挖允许偏差(附表一)
|
序号 |
项目 |
允许偏差 (㎜) |
检验频率 |
检验方法 |
||
|
范围 |
点数 |
|||||
|
1 |
坑底高程 |
土方 |
±30 |
每 坐 |
5 |
水准仪测量 |
|
石方 |
±100 |
5 |
||||
|
2 |
轴线位移 |
50 |
2 |
经纬仪测量横纵向各一点 |
||
|
3 |
基坑尺寸 |
不小于规定 |
2 |
用尺量,每边各计一点 |
||
|
4 |
||||||
钢筋加工允许偏差(附表二)
|
项目 |
允许偏差(mm) |
检查数量 |
检验方法 |
|
受力钢筋沿长度方向的净尺寸 |
±10 |
同一设备加工的同一类型钢筋,每工作班抽查不应少于3件 |
尺量 |
|
弯起钢筋的弯折位置 |
±20 |
尺量 |
|
|
箍筋外廓尺寸 |
±5 |
尺量 |
钢筋安装允许偏差和检验方法(附表三)
|
项目 |
允许偏差(mm) |
检验方法 |
||
|
绑扎钢筋网 |
长、宽 |
±10 |
尺量 |
|
|
网眼尺寸 |
±20 |
尺量连续三档,取最大偏差值 |
||
|
绑扎钢筋骨架 |
长 |
±10 |
尺量 |
|
|
宽、高 |
±5 |
尺量 |
||
|
纵向受力钢筋 |
锚固长度 |
-20 |
尺量 |
|
|
间距 |
±10 |
尺量两端、中间各一点,区最大偏差值 |
||
|
排距 |
±5 |
|||
|
纵向受力钢筋、箍筋的混凝土保护层厚度 |
基础 |
±10 |
尺量 |
|
|
柱、梁 |
±5 |
尺量 |
||
|
板、墙、壳 |
±3 |
尺量 |
||
|
绑扎箍筋、横向钢筋间距 |
±20 |
尺量连续三档,取最大偏差值 |
||
|
钢筋弯起点位置 |
20 |
尺量 |
||
|
预埋件 |
中心线位置 |
5 |
尺量 |
|
|
水平高差 |
+3,0 |
塞尺量测 |
||
现浇混凝土管渠模板安装允许偏差(mm)(附表四)
|
项 目 |
允 许 偏 差(mm) |
|
|
轴 线 位 置 |
基础 |
10 |
|
墙板、管、拱 |
5 |
|
|
相邻两板表面高低差 |
刨光模板、钢模 |
2 |
|
不刨光模板 |
4 |
|
|
表面平整度 |
刨光模板、钢模 |
3 |
|
不刨光模板 |
5 |
|
|
垂直度 |
墙、板 |
0.1%,H≤6 |
|
截面尺寸 |
基础 |
+10 -20 |
|
墙、板 |
+3 -8 |
|
|
管、拱 |
不小于设计断面 |
|
|
中心位置 |
预埋管、件及止水带 |
3 |
|
预留洞 |
5 |
|
注:H为墙的高度(mm)。