

触摸开关
1.电路

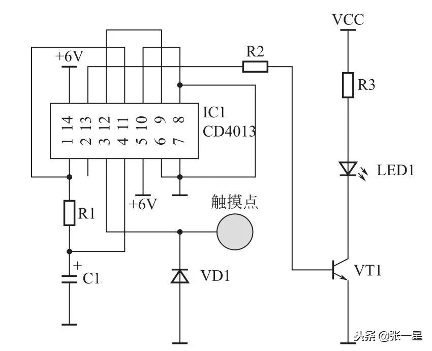
“触摸开关LED”电路图

元器件清单
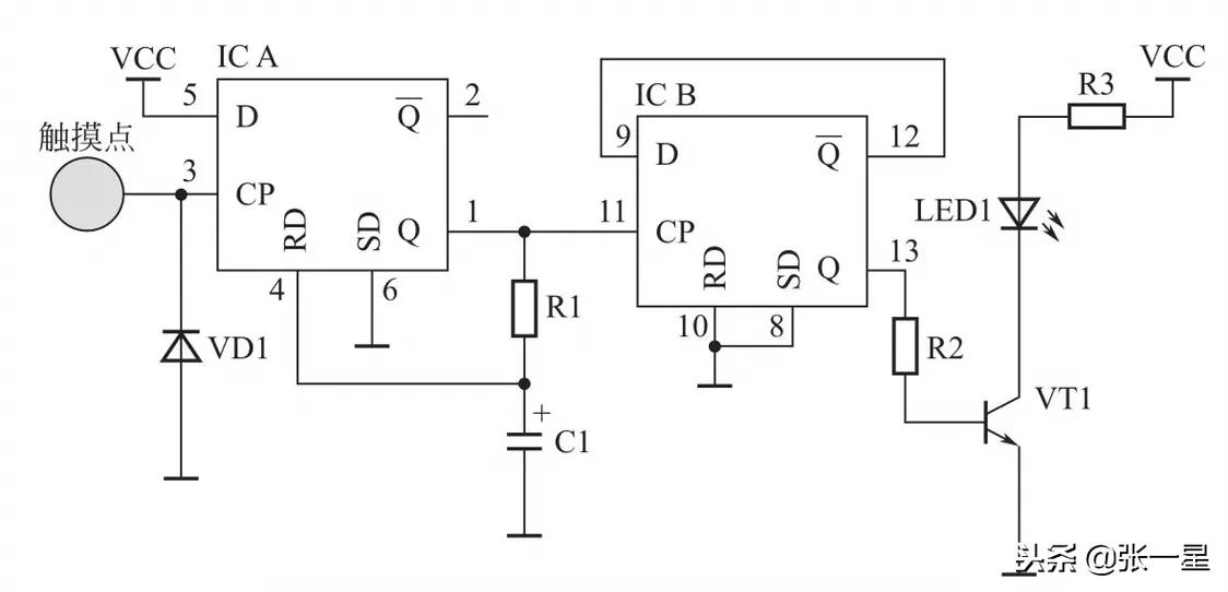
 两个触发器分别接为单稳态与双稳态,触发器1接成单稳态,每触摸一次,1Q输出一个高电平,该高电平加至2CP,由于触发器2接成双稳态,2CP每接收到一个高电平,2Q输出电平都会翻转,当2Q输出高电平时,VT1导通,LED点亮;2Q输出低电平时,VT1截止,LED熄灭。那么有没有简单直观一些呢? 那就用触发器的图形符号来绘制,就可以一目了然。
有时候感应不是很灵敏,这个是不是电路问题吗?触摸开关原理是依靠人体感应电来完成,与周围环境的湿度有关,湿度高,感应灵敏度就下降。

“触摸开关”电路图的另一种画法
注意这种画法,没有画电源引脚,在制作中请注意,一般来讲,在所有实验中,数字电路未用到的触发器以及门电路,最好将其输入端接到VCC或GVD,以免引起干扰。
同样触摸二极管VD1(1N4148)的负极引线即可完成触摸。