电气控制电路图一般有三种:电气原理图、电器元件布置图和电气安装接线图。电气原理图是根据控制电路工作原理绘制的,具有结构简单、层次分明、便于研究和分析电路工作原理的特性。电气原理图包括所有电器元件的导电部件和接线端点之间的相互关系,不按电器元件的实际位置和实际接线情况来绘制,也不反映电器元件的大小。
绘制和识读电路图,尤其是复杂电路图还是必须要遵循一定的规则的。




绘制电气原理图的基本规则
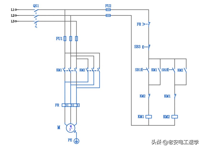
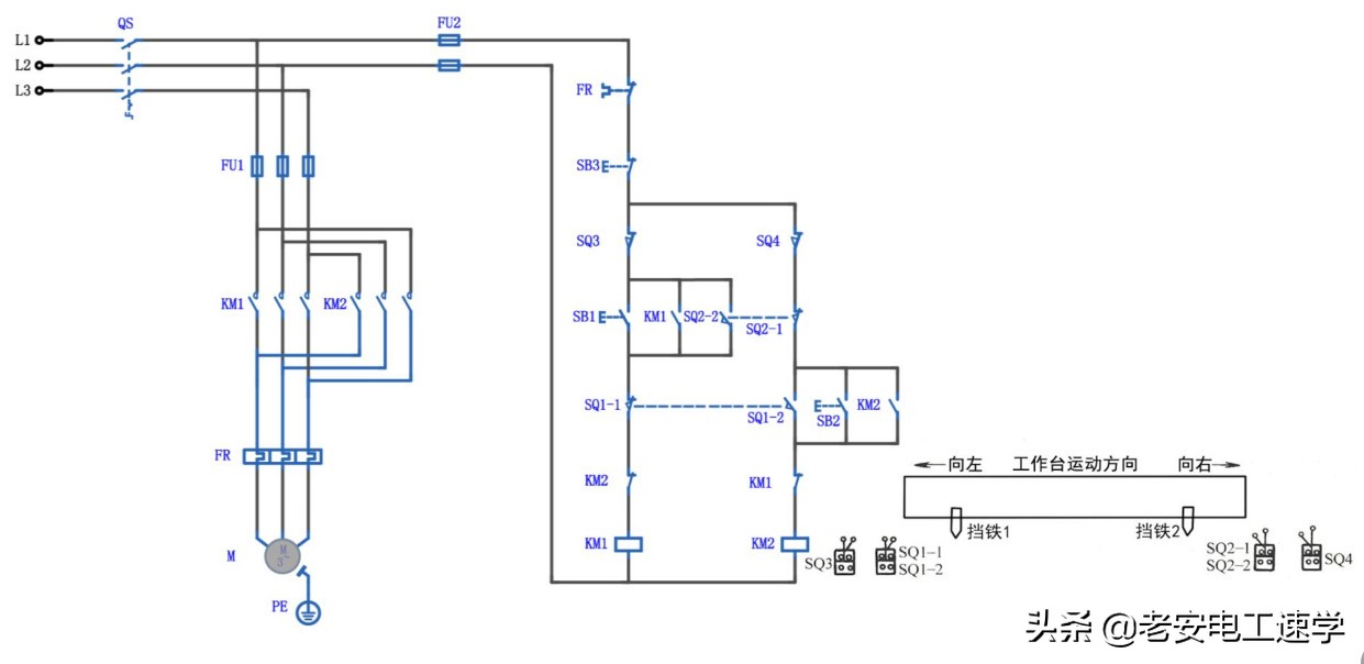
(1 )电路图一般分为电源电路、主电路和辅助电路三部分绘制。电源电路一般画成水平线,三相交流电源相序L1 、L2 、L3(U 、V 、W) 自上而下依次画出,中线N 和保护地线PE 依次画在相线之下。直流电源的“+ ” 端画在上端,“– ” 端画在下端。电压开关水平画出。
主电路是指受电的动力装置及控制、保护电器的支路,由主熔断器、接触器的主触头、热继电器的热元件以及电动机等组成。主电路通过的电流是电动机的工作电流,电流较大。
主电路要画在电路图的左侧并垂直电源电路 ,通常主电路由粗实线表示。
辅助电路一般包括控制主电路工作状态的控制电路;显示主电路工作状态的指示电路;以及提供机床设备局部照明的照明电路等。它是由主令电器的触头、接触器线圈及辅助触头、继电器线圈及触头、指示灯和变压器、照明灯等组成。辅助电路通过的电流都较小,一般不超过5A 。
画辅助电路图时,辅助电路要跨接在两相电源线之间,一般按照控制电路、指示电路和照明电路的顺序依次画在主电路图的右侧。电路中,耗能元件(比如接触器线圈、指示灯、照明灯等)要画在电路图的下方,而电器的触头要画在耗能元件与上边电源线之间。辅助电路用细实线表示。

(2 )电气原理图中的所有电器元件都应采用国家标准中统一规定的图形符号和文字符号表示。对同类型的电器,在同一电路中的表示可采用在文字符号后加阿拉伯数字序号区分。如按钮SB1 和SB2 等。
(3 )电气原理图中电器元件的布局应根据便于阅读的原则安排。同一电器元件的各部件根据需要可不画在一起,但文字符号要相同。如图中交流接触器KM 的线圈、主触点和辅助触点。
(4 )所有电器的可动部分都应按没有通电和没有外力作用时的初始开、关状态画出。例如继电器、接触器的触点按吸引线圈不通电时的状态画,控制器按手柄处于零位时的状态画,按钮、行程开关等按不受外力作用时的状态画。
(5 )无论主电路还是控制电路,各电气元件一般按动作顺序从上到下,从左到右依次排列,可水平布置或者是垂直布置。
(6 )电气原理图中尽量减少线条和避免线条交叉。各导线之间有电联系时,对“T ”形连接点,在导线交点处可画实心圆点,也可以不画;对“+ ”形连接点必须画实心圆点。根据图形布置需要,可将图形符号旋转绘制,一般逆时针旋转90 °,但文字符号不可以倒置。
(7 )具有循环运动的机械装备,应在电路原理图上绘出工作循环图。转换开关、行程开关等应绘出动作程序及动作位置示意图表。

(8 )由若干元件构成的具有特定功能的环节,可以用虚线框括起来,并标注出环节的主要作用,比如速度调节器、电流继电器等。
(9 )对于外购的成套电气装置,如稳压电源、电子放大器等,应将其详细电路与参数绘在电气原理图上。
(10 )全部电动机、电器元件的型号、文字符号、用途、数量、额定技术数据等,均应填在元件明细表当中。
关注老安电工速学,分享更多电工知识!