可控硅又叫晶闸管,是一种常用的半导体器件,是一种能像闸门一样控制电流的大小元器件。因此,可控硅也具有开关控制电压调整和整流等功能。
可控硅的种类较多,强电电路中采用的可控硅主要有单向可控硅和双向可控硅两种。
(1)单向可控硅用符号:

单向可控硅缩写为SCR,引脚符号是K、G、A,其中G极为门极,也是控制极,A极为阳极,k极为阴极。
工作状态: 单向可控硅若用于直流电路,一旦触发信号开通,并保持一定幅度的流通电流的话,可控硅会一直保持开通状态。除非将电源关断一次,才能使其关断。若用于交流电路,则在其承受正向电压期间,若接受一个触发信号,则一直保持导通,直到电压过零到来,因无流通电流而关断。
在承受反向电压期间,即使送入触发信号,可控硅也同A、k之间电压反向,而保持截止状态。
单向可控硅应用电路1例下图:

上图,单向可控硅直流电路,触摸控制灯开、关
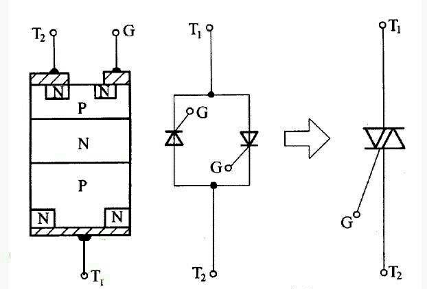
(2)双向可控硅用符号图:

双向可控硅为3CTsI,双向可控硅引脚符号是T1、T2(或A1A2)、G,其中G为门极,另外两个端子因为可以双向单通,所以不区分为阴极和阳极(单向可控硅分阴极和阳极),都是主端子,用T1、T2表示。
双向可控硅其特点是: 当G极和T2极相对于T1的电压均为正时,T2是阳极,T1是阴极。反之,当G极和T2相对于T1的电压为负时,T2为阴极,T1变为阳极。双向可控硅由正反向特性曲线具有相对称性,所以它可以在任何一个方向导通。
单向双向可控硅两种符号表示图:

双向可控硅应用电路一例下图:

上图,双向可控硅电源插座控制灯开、关
以上讲述单、双向可控硅的区别之处在于: 单向可控硅有阴极和阳极之分,双向可控硅因两个端子都双向导通,则没有阴极和阳极之分,双向具有正反向对称牲,它可在任何一个方向导通。