

文| 伊力
编辑| 伊力

●—≺ 微粒飞萤的基本概念和运动特征 ≻—●
活性炭的孔结构是其吸附性能的决定因素之一,如何用杏壳调控活性炭孔结构活性?优异分级孔结构的活性炭,基于1-乙基-3-甲基咪唑四氟硼酸盐(EMIMBF4)为基础的电解质怎么构筑高性能超级电容器?
活性炭作为一种重要的吸附材料,具有高比表面积、多孔性、化学稳定性等特点,活性炭的吸附性能与其孔结构密切相关,其中孔径、孔壁厚度和孔隙度是决定吸附性能的关键因素,在环境治理、食品工业、医药等领域具有广泛应用。

我们将以杏壳为原料,通过多步物理活化法制备活性炭,在此基础上探讨如何调控活性炭的孔结构。因为杏壳是一种常见的农业废弃物,其含有丰富的木质素和纤维素等成分,可以作为制备活性炭的原料,成本低、好利用和资源丰富,非常适合我们这个实验。
要用多步物理活化法能够让我们在控制活化温度、气氛、时间等不同因素情况下,从而调控活性炭的孔结构。材料准备的是来自陕西渭南市大荔县某果园的杏壳作为原料,经过洗涤和干燥处理后开始使用。NaOH、KOH:AR级,H2SO4、HCl:AR级,均来自本地化学试剂公司。

接着要将杏壳先经过粉碎、筛选处理,然后按照一定的质量比例与NaOH混合,煅烧处理得到碱活化杏壳碱活化杏壳经过水洗、干燥处理后,使用多步物理活化法制备活性炭。
具体实验过程如下:将碱活化杏壳放入炉子中,进行热解处理。热解温度为800℃,保持时间为1h,制得初级炭。在初级炭制作成功后,经过CO2气氛下的高温活化处理,活化温度为900℃,活化时间为1h,制得次级炭。接着再将次级炭经过水蒸气活化处理。活化温度为800℃,活化时间为1h,制得活性炭。

用这些活性炭再通过化温度、气氛和时间等参数,可以进一步调控其孔径、孔壁厚度和孔隙度,在各项参数观察不同处理条件下,能够发现它的孔结构存在明显的差异。
但是普通的活性炭通常具有较大的孔径和不规则的孔道结构,难以实现高能量密度和高功率密度的储能,就需要构筑优异分级孔结构的活性炭来满足超级电容器的高性能要求。

●—≺ 微粒飞萤的基本概念和运动特征 ≻—●
我们进一步来制作优异分级孔的活性碳,将烘干后的杏壳粉末放入炉内,在氮气气氛下进行碳化处理,温度为900℃,持续时间为2小时,接着在二氧化碳气氛下进行活化处理,温度为800℃,持续时间为3小时,得到碳化后的杏壳粉末放入炉内,将活化后的杏壳粉末用乙醇和水混合液洗涤并干燥,得到活性炭粉末。

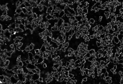
在此我们运用的方法是SEM观察法,在扫描电子显微镜(SEM)观察下,制备的初级炭、次级炭和活性炭的SEM图像。
图像中能够看出,初级炭的孔径较大,孔壁厚度较薄,孔隙度较低;次级炭的孔径变小,孔壁厚度增加,孔隙度增加;活性炭的孔径更小,孔壁厚度更厚,孔隙度更高。这说明随着处理条件的不同,活性炭的孔结构得到了逐步优化。

为了评估不同处理条件下制备的活性炭的吸附性能,我们选择了亚甲基蓝(MB)作为模型污染物进行测试。
将一定量的活性炭与一定浓度的MB溶液混合,摇匀后静置一段时间,通过UV-Vis光度计测定MB的吸附量。展示了不同处理条件下活性炭对MB的吸附量。
可以看到,活性炭的吸附量随着孔径的减小、孔壁厚度的增加和孔隙度的增加而增加。这是由于活性炭的吸附能力与孔结构密切相关,孔径较小、孔壁厚度较大、孔隙度较高的活性炭具有更大的比表面积和更多的吸附位点,从而具有更好的吸附能力。

活性炭孔结构和表面化学特特征对吸附能力有何作用呢?我们运用不同处理条件下活性炭的X射线衍射(XRD)谱图和傅里叶变换红外光谱(FTIR)图。不同处理条件下,制备的活性炭具有不同的XRD谱图和FTIR图,这表明它们具有不同的晶体结构和表面化学性质。同时,XRD谱图和FTIR图也可以反映活性炭的孔结构和表面*能官**团的类型。

本次研究结果表明,通过适当的物理活化条件可以调控活性炭的孔径、孔壁厚度和孔隙度,从而提高其吸附性能。通过SEM观察、吸附性能测试和表征分析,我们发现不同处理条件下制备的活性炭具有不同的孔结构和表面化学性质,从而具有不同的吸附能力。
随着处理条件的优化,活性炭的孔径减小、孔壁厚度增加、孔隙度增加,其吸附能力也随之提高。
在得到优异分级孔结构的活性炭后,我们接着基于1-乙基-3-甲基咪唑四氟硼酸盐(EMIMBF4)为基础的电解质,来研究怎么构筑高性能超级电容器?


●—≺ 直流GIL的主绝缘线形微粒作用 ≻—●
以优异分级孔结构的活性炭为基础材料,采用1-乙基-3-甲基咪唑四氟硼酸盐(EMIMBF4)作为电解质,通过构筑高性能超级电容器来实现高能量密度和高功率密度的储能,并研究其电化学性能。
这里主要分为四个部分来进行:活性炭的制备、EMIMBF4电解液的制备、超级电容器的组装和电化学性能的测试与分析。

上文实验中,我们已经制作出在不同物理活化下的活性炭,并得到了不同孔结构的活性炭。电解质的选择也对超级电容器的性能具有重要影响。
传统的电解质如硫酸和氢氟酸,存在着安全性差、挥发性高、毒性大等问题,限制了其在实际应用中的发展。因此,需要寻找新型的电解质来提高超级电容器的性能。
我们准备的是EMIMBF4电解液,电子是一种新型离子液体,具有较高的化学稳定性、热稳定性和电化学稳定性,非常适合这次的研究使用。EMIMBF4电解液的制作需要分为三步,先将将1-乙基-3-甲基咪唑(EMIM)和四氟硼酸(BF4)按1:1的比例混合,然后在70℃下搅拌并加热,直到溶解完全,直到过滤去除杂质,在常温下保存。

接着我们就能够进行活性炭在EMIMBF4电解液中的电化学性能测试了。先将活性炭粉末与聚丙烯酸锂(LiPAA)混合,按照质量比1:1的比例添加适量的聚乙烯吡咯烷酮(PVP)溶液,并在磁力搅拌器上搅拌均匀。
将混合后的粉末敲打成片状,并用涂布机将其均匀涂布在导电性石墨毡上,并在80℃下干燥,拿出准备好的电极片与两块铝箔片用夹子夹紧,把电极片放入盛有EMIMBF4电解液的电容器中,并使用电子压力计进行压紧,直到达到所需的电容值。

测试优异分级孔结构的活性炭的化学性能分析中,我们用到了循环伏安法(CV)和恒流充放电法(GCD)来研究超级电容器的电化学性能。将活性炭在不同扫描速率下,记录电压与电流的变化关系,得到电容器的循环伏安曲线。和将活性炭在不同电流密度下,记录电容器的充放电时间及电压变化关系,并计算电容器的比电容。
最终结果对比出来,所制备超级电容器具有优异的电化学性能,其比电容达到了147 F/g,并且表现出良好的循环稳定性和电化学稳定性。

通过对超级电容器的电化学性能测试,得出了其具有优异的比电容和循环稳定性,对超级电容器的电化学性能测试,得出了其具有优异的比电容和循环稳定性的结论。本研究构筑了基于优异分级孔结构的活性炭和EMIMBF4电解液的高性能超级电容器,展示了电解液对超级电容器性能的重要影响。

●—≺优级 分级孔结构活性炭应用 ≻—●
我们接着以EMIMBF4电解液下的杏壳碳元素分级孔结构来分析,活性炭在智能电动汽车上的实际应用。
选择适用于分级孔结构的合适材料,常见的选择包括钛合金、铝合金、镍基合金等,这些材料应具备良好的导电性、化学稳定性和机械强度。使用合适的工艺和技术来设计和制造分级孔结构。分级孔结构应具备多层次孔隙的特点,以增加比表面积和质子传导路径。

要确保分级孔结构具备优异的质子传导性能,我们可以通过控制孔隙尺寸、形状和排布来实现。优化的分级孔结构能够提高质子的扩散速率和减小电阻,从而提高电池的输出功率和能量密度。在分级孔结构表面应用合适的包层材料,以提高结构的稳定性和耐久性。
这些材料可以是陶瓷、聚合物等,应能够抑制孔隙的堵塞和膨胀,并保护分级孔结构免受电池循环过程中的损伤。再将分级孔结构整合到电动汽车的整个电池系统中,包括电池单体的设计和组装。确保分级孔结构与电池正负极材料的良好接触,以实现高效的电池充放电过程。

需要注意的是,构筑高性能电动汽车不仅仅依赖于分级孔结构,还涉及其他方面的技术和创新,如电池材料的改进、电池管理系统的优化、充电基础设施的建设等