液体和扫描电镜真空系统,本就是天敌。电镜的真空系统是服务于电子光路,为电子提供一条“畅通无阻”的大道,而液体在这样的真空状态下会快速蒸发,对真空系统带来巨大威胁,因此,原则上扫描电镜是不能直接观察液体或含液体的样品。
但在生命科学领域,含水的样品实在是数不胜数,放眼其分支植物学、动物学、微生物学等,也都避不开含水样品的表征工作,此外食品科学以及材料科学领域也同样会面临含水样品。那么如何来解决扫描电镜不能直接观察含水样品的矛盾?最常用的方式便是对样品进行干燥处理,但是干燥又会面临处理过程繁琐,或是样品结构变形的新矛盾。何不返璞归真,想办法不让液体在电镜中挥发呢?

飞纳电镜温度控制样品杯:直接观察含水样品
飞纳电镜给出了最便捷的解决方案——温度控制样品杯。该样品杯基于珀尔帖效应,降温极限可低至 -50℃,精度为 ±1.5℃,配合飞纳扫描电镜三仓分离真空设计使用,可实现对含水样品的扫描电镜观察工作。

口说无凭,眼见为真,如下是对含水样品的扫描电镜成像结果:

西瓜(含水率约 94%)

荔枝(含水率约 85%)

黄瓜(含水率约 83%)

菠萝(含水率约 87%)

葡萄(含水率约 89%)

土豆(含水率约 70%)

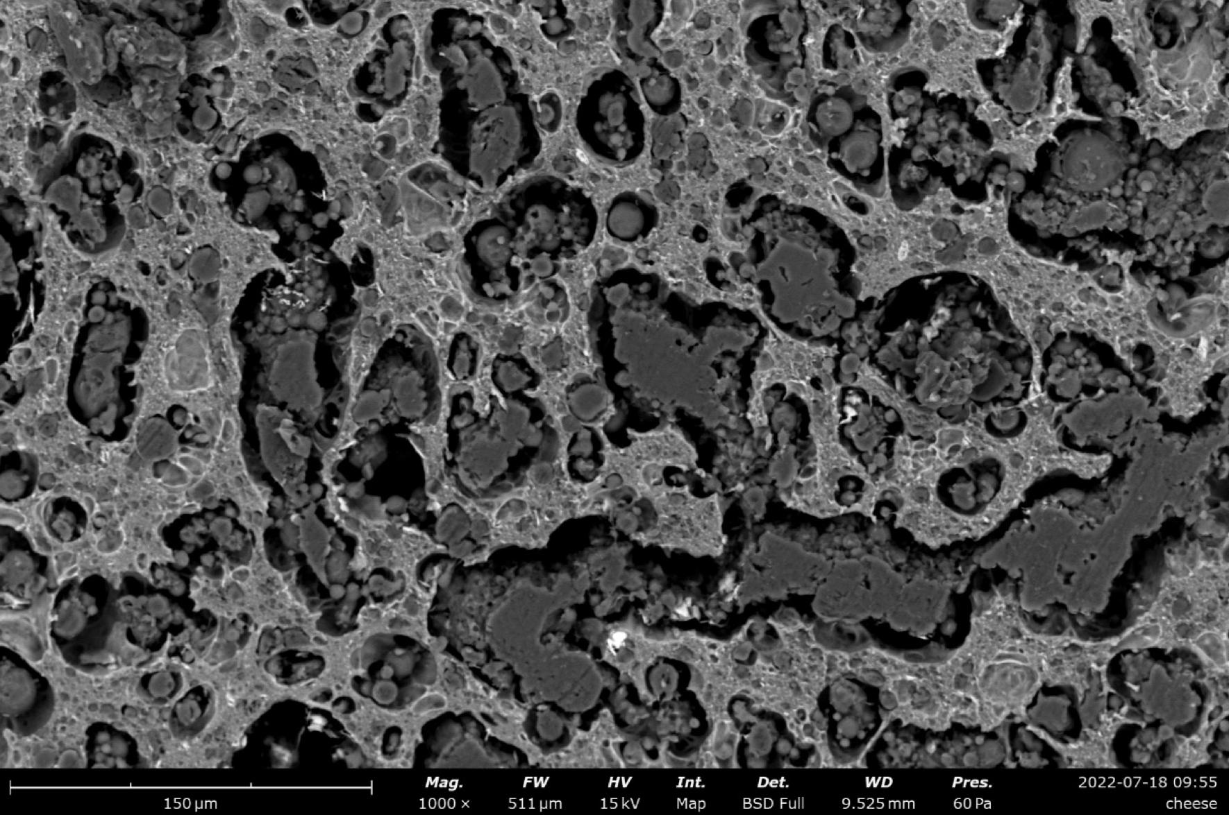
奶酪(含水率约 56%)

水凝胶(含水率约 95%)

雪糕(含水率约 60%-90%)
使用飞纳电镜温控样品杯观察含水样品有哪些优势?
PART ONE|无需复杂繁琐的干燥工艺
使用冷冻干燥工艺处理的含水样品进行观测,非常依赖材料本身结构以及干燥工艺,若工艺不佳,样品结构会因干燥而坍缩,孔隙结构失真,因此干燥的方式和方法需要实验积累和摸索,不能一蹴而就,但使用飞纳电镜温控样品杯就可以对含水样品直接观察,无需对样品进行干燥处理。
PART TWO|保留样品原始形貌结构
使用飞纳温控样品杯将含水样品在冷冻状态下直接观察,避免了不当的干燥工艺对样品造成的损伤,可观察到样品真实且完整的空间结构,摆脱干燥处理造成的结构坍塌。
PART THREE|操作方便,摆脱一切安全顾虑
温控样品杯基于珀尔帖效应制冷,通过控制器不仅可以迅速、轻松调整温度,还可以对样品温度进行精确的监控,时刻掌握样品状态。飞纳电镜同时采用真空外循环水对制冷器进行冷却,避免了采用传统设计的循环水泄露造成的电镜真空腔室“大灾难”,大大提升了设备的安全性,降低了使用门槛。
