Part 1:历史篇
先从耳机的历史开讲吧。第一个具有现代意义的耳机应该是1910年由一个美国人发明。当时美军试用后觉得非常不错,预定了100条,但这位谜一样的大神只接受一次10条订单,原因居然是这个耳机竟然是他一个人在厨房组装的,一个人忙不过来。值得注意的是,这条耳机居然还使用了平衡线,要知道平衡输出这种技术在近一两年才开始流行起来。

1937年,鬼子呐进了中原(情不自禁唱了起来)。同年,真正意义上面向大众的第一款耳机dt-48开始在德国销售,我们记住这个品牌,拜亚动力。这个品牌绵延至今带给我们太多感动。

1949年,新中国刚刚成立。就在这时候AKG发布了自己的旗舰耳机k120,在这之前,AKG是做电影器材的,不过从那以后,见识到销售耳机的利润率比贩毒还高*(边仿博士名言),AKG就放弃了以前费力又不赚钱的生意,专注耳机的开发。

1958年,高斯开发了第一款立体声耳机sp-3,这可能就是现代HiFi耳机的雏形,在当时中国国内物资匮乏的时候,万恶的资本主义已经能享受到HiFi的熏陶了。1959年,stax发布了世界上第一款静电耳机sr-1。当然,后来者森海塞尔分别把这两种技术发展到了极致。

1968年,森海塞尔发布了世界上第一款开放式耳机hd414,hd系列开始由此发威。

到了1980年以后,由于磁带机技术的兴起,便携头戴和耳塞开始从日本流行到了全球,记住东洋四杰,索尼,松下,建伍,爱华,正式这四家厂商层出不穷的黑科技铺垫,才能让我们今天能在入耳上面享受旗舰的声音。其中松下hv-100更是集所有平头优势的大成者,氛围宽松,声场巨大,低频澎湃,解析优秀,人声甜美。由于当时松下hv-100的定价非常高昂,折合现在的售价也要大概一万人民币以上,所以保有量不大,现目前基本上一塞难求。

1991年,世界上第一款单动铁耳机诞生于美国,也就是我们非常熟悉的音特美er4p。在当时,耳塞普遍被认为是头戴的妥协,动铁也不可避免的要和助听器联系起来,但售价330美元的er4p打破了烧油的这一印象,人们第一次意识到动铁耳塞也可以这么好听。

早期er4p
Part 2:技术篇
说完了历史,我们来聊一聊耳机的发声技术。目前比较成熟的HiFi耳机发声技术主要有四种,动圈,动铁,平板,静电。还有一些非常冷门而且或多或少有缺陷的发声技术还有压电陶瓷,铝带,驻极体等等。
动圈
动圈可以说是当今耳机主流。最核心的本质就是振膜,线圈,磁体,处于永磁场中的线圈与振膜相连,线圈在信号电流驱动下带动振膜发声。动圈具有结构简单,价格低廉,频响完整的优点,所以应用也最广泛。但是动圈的缺点也非常明显,那就是调教的难度很大,需要前前后后几年甚至几十年的技术积累。业内就有一种说法,一流的厂商做动圈头戴,二流的厂商做动铁耳塞。在动圈技术的基础上修修改改,或是特殊生物材料,或是镀膜,或是非等厚,或是特斯拉,以此达到自己独特的声音,各家都玩出了自己的花样。目前森海塞尔,AKG,拜亚动力,歌德,等在动圈领域做得非常优秀。

动铁
动铁式耳机是通过一个结构精密的连接棒传导到一个微型振膜的中心点,从而产生振动并发声的耳机。动铁耳机早年因为其优秀的高频特性和解析能力被普遍应用于助听器领域。后来经过一代又一*开代**发者研究,通过多单元复合,终于成为市场的主流。如果说动铁有什么缺点,那肯定就是贵了。以前人们常说的动铁的低频和声场的劣势目前都有厂家能够通过魔幻般的手段弥补,一些高端耳机不说是动铁还是动圈你根本听不出来到底是什么发声单元。现目前,高端的耳塞市场几乎被动铁垄断,一些魔性的单边10单元,12单元,18单元22单元开始如雨后春笋一样冒了出来。仅有的几个高端动圈之一,HIFIman RE2000,据说要被郁夏峰用一个只赚100块的耳机锤哭(我的内心毫无波动,甚至还有点想买郁夏峰的耳机)。


平板
平板耳机将平面的音圈嵌入轻薄的振膜里,象印刷电路板一样,可以使驱动力平均分布。磁体集中在振膜的一侧或两侧(推挽式),振膜在其形成的磁场中振动。可以有效的抑制分割震动。平板耳机具有静电耳机高解析声音细腻的优点,又没有静电耳机那么娇贵。可以说是非常折中的一种技术了。但是平板耳机低频不够凝聚,相对而言比较吃推力,而且发开的成本和难度相当大。目前奥蒂兹,hifiman两家得平板耳机做的非常不错。

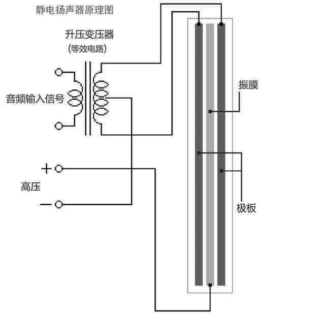
静电
静电耳机的振膜非常薄,由高电压直流极化。振膜悬挂在由两块固定的金属板(定子)形成的静电场中,当音频信号加载到定子上时,静电场发生变化,驱动振膜振动。静电的缺点很明显,那就是需要匹配专门的静电耳放来驱动,成本居高不下。静电耳机振膜易损不防潮湿,必须要放置在专门的干燥箱中,而且每次听歌之前都需要一定时间的热机。即便静电的缺点很多,但只要有好听这个优点就够了。静电耳机的声音特点就是,细节丰富,声音细腻温润,放下静电耳机,你再听什么动圈耳机都会觉得它的声音有些躁动。目前主流的三家做静电耳机的厂商有森海塞尔,HiFiman,Stax。

当然技术不是孤立的,结合动圈和动铁各自优势,相互弥补短板的圈铁耳机应运而生并大行其道。除了圈铁,还有铁静耳机,圈静耳机等等。
Part 3:佩戴篇
说完了技术,我们来聊聊耳机的佩戴方式。夏天到了,注意耳朵降温,别带着头戴出街哦。目前主流的三种方式有头戴式,入耳式,平头式,另外还有耳挂式,私模式,半入耳式等等。
头戴式
理论上说,这个星球上最好听的耳机都是头戴式。因为那句应用在单反上的名言,底大一级压死人,似乎同样适用耳机领域。所以当普通人问道,你这个入耳大概相当于多少钱的头戴啊?奸商肯定会回答你,这二者没有可比性。不过我倒是想问了,同样是耳机,为啥就不能比了?头戴中还包含头戴封闭式,头戴开放式,还有头戴音响式。头戴封闭式的抗干扰能力强,声音更干净适合复杂的环境。头戴开放式声音更自然,声场更开。头戴音响式,那就纯粹是开挂了,几十年前的k1000至今仍然是最好的耳机之一。

入耳式
入耳式是现目前的主流,具有便携,不压头发,隔音的优势。我想出门携带一个全尺寸头戴的成本和携带一个入耳的成本根本就是不言而喻的,何况现目前入耳的声音已经不错了。不过入耳式耳机因为单元较小,声音自然度和声场比不过同级别头戴,入耳式的听诊器效应也难以避免,行进中听歌简直是一种煎熬。理论上说,私模也是入耳的一种,不过私模的费用高昂。

平头式
平头式耳机的缺点确实不少,比如说难以获得凝聚的低频,解析不高,不隔音,佩戴不稳等等。不过对于发烧友来说,平头的声场和声音自然度是入耳没办法取代的。就凭这点平头也有它庞大的市场。

除了佩戴以外,还有蓝牙耳机,有线耳机之分。蓝牙耳机可能是未来众耳机厂商角逐的主战场,现在几乎所有的大厂都投入了人力物力去搞蓝牙耳机的研发。蓝牙耳机说白了就是有方便的优势。但因为要在很小的体积内集成信号接收器,电池,解码,运放等元器件,可能未来好几年蓝牙耳机的音质都无法和有线耳机相提并论。
分体式蓝牙耳机
分体式蓝牙耳机近一两年非常流行,优点是体积小巧,续航持久。缺点是不易收纳,音质有所妥协。

一体式蓝牙耳机
这样的蓝牙耳机可以看成是剪掉线的有线耳机。优点是适应性强,容易收纳,而且耳机本体并没有为节约空间妥协音质,理论上说应该比分体式蓝牙耳机效果好。

Part 4:巅峰篇
看完上述的内容,你应该初步对耳机有所了解。接下来介绍耳机圈至今无法逾越的一些巅峰。
大牌厂家和其扬名立万的产品
到现在我还是这个观点,不是品牌成全了产品,而是产品成就了品牌,现在就介绍国内外的大牌厂商何其背后的王牌产品。
森海塞尔:售价42万人民币,耳机圈鼎鼎大名的传奇静电耳机奥菲斯HE1就是由森海塞尔调音制作。拥有一台大奥至今仍然是许多耳机发烧友最崇高的理想,当年王思聪一口气买下两套。(王思聪花100万买两台大奥获得的愉悦度和我花100块买一条极北之森获得的愉悦度应该差不多)

AKG:出道即是巅峰的k1000,本以为是头戴扬声器系统的一个开端,没想到却是落幕。
k1000的声音令人着迷,拥有远超普通头戴的声场表现和声音自然度。虽然难以驱动,佩戴不够舒适,但仍然耳机历史上的巅峰产品之一。

索尼:被烧油尊称为动圈之王的R10就是出自索尼之手,霸气的外观,宽松大气的声音,优秀的做工,无疑不奠定了R10的地位。到如今,每一台存世的R10都是天价。

HiFiman:如果说大奥代表的是乐感的极限,那香格里拉就是解析的极限。高度还原的声音,能量充沛,细节多到耳朵都发晕。边博士也一直引以为豪,并希望以此纠正烧油的听音观。

Part 5:毒文注解篇
介绍了耳机届的几个巅峰以后。接下来就要了解玄学内容了,仔细阅读下面的内容,你将更加容易看懂毒文。当一个合格云烧油,从了解专用名词开始。*(其实一开始这些专用名称来源于国外论坛的意译。后来国内的烧油就自己融会贯通了)
毒文常用的关键词
系统:参与重放的所有设备,包括电源,解码,运放,耳机,线材,插接件等等。
前端:指的是一个重放系统除耳机以外的部分,现在经常代指*放播**器。
声场与定位:声场指的是系统还原的声音的空间范围,定位指的是还原的声音的空间位置。
结像:系统还原的乐器和人声的形体轮廓是否和真实声音一致。
素质:耳机还原声音细节的能力,包括其未开发的潜力,统称为素质。
解析:耳机还原声音细节的能力。
推力:耳机对输入功率,控制力,电流需求的统称。如果耳机需要的推力大,通常意义就是在说耳机需要的输入功率大。但是推力绝不等于音量大小。
中频:通常指的是800-3000Hz的频率,某些时候特指人声。
低频:低于800Hz的频率就是低频的范围。
下潜:系统可以正常重放的低频极限。
华丽:形容高频听感透明,微亮,泛音丰富。
高频延伸:系统可以正常重放的高频极限。
通透:形容高频明亮,干净,整体不闷。
自然度:是否与真实的声音保持一致。
密度:用于形容声音的能量是否充足。
软硬:低频泛音多成为低软,反之为硬。
动态:系统重放的最大响度和最小响度的对比。
瞬态:指的是系统对突然出现又消失的声音的响应能力。
Part 6:HiFi硬梗篇
说完了玄学内容,当然必不可少需要要了解一些只有发烧友才能看得懂的冷门知识和江湖黑话。
江湖黑话
*教邪**:索尼*法大**好。

天桥货:天桥日常售卖着的beats全系。

大项链:声音极其糟糕,只能拿来当项链用的beats耳机。

db:beats耳机的标志。
他们来了:要黑beats的人正在路上了,他们马上要来了。
劲:铁三角e40。
啪啪啪之泪:魔声定位时尚的耳机钻石之泪。又称之为聚乙烯之泪。当年有人买这个送女朋友,当晚就啪啪成功,所以后来聚乙烯之泪又被成为啪啪啪之泪。

地外科技:不走寻常路的jvc,黑科技层出不穷,被网友戏称地外科技。
小白兔:指的是苹果配塞earpods。

真男人:烧油对HiFiman的爱称,又被成为男人家,因为其硬核的外观设计加标志的意译杂糅而来。

老铁:当然指的是铁三角,一股掉渣的东北味加上全家女毒的品牌形象居然出奇有反差萌。
5678:飞朵调皮定价5678的天狼星耳机。
金砖:索尼nw-wm1a。因为其外形酷似一块板砖而得名,加上其变态的保值率,后来人们就称之为金砖,意味着像金子一样贵。
金菊花:乐图paw gold。因为其左下方大大的镶金菊花控制键而得名,后来官方都认命了,在商品页大方的自称金菊花。
小知识
德国声:德系厂家的声音至始至终都在给人一种中正,真实,大气的印象。这和欧洲几百年爱听交响和歌剧的习惯分不开。甚至这种音乐性格和国家的形象都画上了等号。
日本声:随着技术的成熟,耳机的解析越来越高,日本动漫配乐开始逐渐把越来越多的乐器元素杂糅在一首歌里,这种特定的音乐形象甚至形成了一种特定的音乐门类,ACG。看看日本高端耳机的销量就知道了,2018年全年,仙女座排在第一,qdc海王星第二,后面排第八还有国内的b&r5。
美国声:以低频量大,整体发糊著称。在美国卖得好的耳机几乎都是hufi。比如beats solo,高斯pp,sure se846等等,仅有的正常一些的歌德,其声音也透露着粗狂的美国风格。
换线是否有用?换线前后听感确实有不少差别差别,但是普通人来说换线的提升不如直接换耳机来的大。
煲机是否有用?有一定的作用,但别期待它改头换面。特别是动铁。目前我实测的两款动圈耳机煲机500小时前后频响几乎没有差异。
Part 7:耳机篇
所有的知识储备到位,作为一个大佬,你已经有了基本功。但是当朋友问到,大佬,我的耳机坏了,能帮我选个耳机吗?你怎么能一问三不知。所以现在介绍一些经典的耳机供你们推荐。
预算一百以内
潜韵 潜25:平头声音自然耐听,加上做工也非常踏实,睡觉用稳赚。(25)

网易氧气:每次打折都有你!等一波50元卷49就能带回家。网易氧气低频弹性非常好,听流行不错哦。外观和包装都还到到位,你甚至可以用它送人。(49)

极北之森:100元内最均衡的耳机之一,低频杠杠的,人声还清晰,用来听动次打次相当不错。(98)

要听古典买哪个?
dt235:应该是最便宜的古典耳机了,低频凝聚,声场大,虽然吃点推力,但是古典听感不错。(257)

k240s:除了听古典以外,它的真实身份是一个专业的录音棚耳机。复古的外观,扎实的做工,能开闹房的AKG莲花标,k240s果然真香。(500)

ie80s:作为森海塞尔的当红花旦,ie80s继承了几个大哥的优点,低频宽松,氛围优秀,声场大,定位精准。(1699)

hd600:超经典的动圈旗舰,卖了二三十年了口碑一直不减。中正大气易推是其优点。这个耳机真的是让假货贩子绝望,因为真假声音太过明显,没有谁能复制它的声音。可以复制的早自己开厂了,还做啥假货。(2100)

k701:烧油俗称大手办,k701真的很难驱动。推好的k701解析能力要强hd600一丝,声场也要大一些,要是推不好,那就只能真的当手办了。(1299)

hd800:声场简直是怪物级别,如果你不知道什么是声场的,可以买hd800纠正一下耳朵。(7999)

主听acg,应该买哪个?
ls300is:老铁家神秘女毒加持,加上大厂少有的三单元良心配制,解析不俗。用来听acg绰绰有余。(2399)

b&r5:今年vgp2019已经获奖,日本人肯定了它的实力。五单元渐进相位系统,用动铁做到了三频均衡,人声细腻突出,解析强大,和acg天然绝配。(1999)

fd01:不要以为地外科技只会动次打次,他要是女毒起来连老铁都害怕。fd01的声音就像开了挂一样,用一颗单动圈做出了接近动铁的人声密度和高频延伸。如果不是腔体太重可能会更加火爆。(2599)

dk3001:宽松的低频,明亮的高频,结实的人声,当我第一次听到dk3001的时候我就知道它未来和acg密不可分。(2599)

仙女座:作为以星座命名耳机的始祖,alo终于还是依靠仙女座保住了地位。结实的低频,突出的人声,爆炸的解析,这无不是大厂的风范。用来听acg非常石格义。(6800)

我要买女毒耳机,帮我选个呗?
创新air:非常经典的平头耳机,总体有些清淡,但人声非常细腻,是个女毒。(479)

铁三角ew9:烧油爱称女王耳机,外观就足够让人珍惜。声音十分平实耐听,人声倒不是很突出。(950)

弱水masya:不知道为啥我总要把玛莎和女王联系起来,可能因为他们都有这圆滚滚的外观把。玛莎的声音非常均衡,声场很大,人声走的是自然真实的路子,听人声真的是非常毒。(999)

msr7:烧油称之为陌生人妻,整体虽然低频量少了些,但人声的调教非常妖艳好听。(1299)

pure:小334一个,人声密度很大很贴耳,虽然低频确实太少,但整体听感真的非常之毒。(5999)

低频爽的,有吗
高斯pp:低频量很大,质量也很不错,用来听流行带感。(150)

血色围城:低频质感相当不错,凝聚,下潜深,而且人声还很好听。(392)

hde10:打折打到手软,作为一个发售价格1299的耳机,现目前359的价格那就真的只能在后面喊真香了。(369)

hd25:烧油口中的直推神器,实际上上台后更香哦。hd25是一个小尺寸的封闭式耳机,推好出来的声音和全尺寸大耳没什么区别,而且还有森海塞尔家特别的中正调音。(1299)

fw001:fx1200的续作,低频质感非常好,宽松,下潜深。同时还有不错的声场表现。(2899)

天狼星:也就是烧油口中常说的5678。天狼星的声音非常中正,低频质量优秀,声场大,同时解析还很厉害。(5678)

想买旗舰耳机,又没有*放播**器,有容易推的吗?
太阳神:非常易推的塞子,声场很大,解析很强。听啥歌都好听。(11900)

女武神:目前非常强的直推神器,手机直推都能媲美许多万元旗舰加*放播**器的声音。人声圆润,空间感强。(14200)

qdc变色龙vx:独特的奶油人声,听啥都带有甜味。同时不太吃推力,也不挑剔前端。(13800)

*(原创内容,资料查找不易,您的评论点赞关注就是我的动力,平台内欢迎转载,转载到平台外请先告知。)