
立式斜流泵即导叶式式混流泵。
按泵的比转数划分:ns=20~280 离心泵
ns=270~650混流泵
ns=650~1600 轴流泵
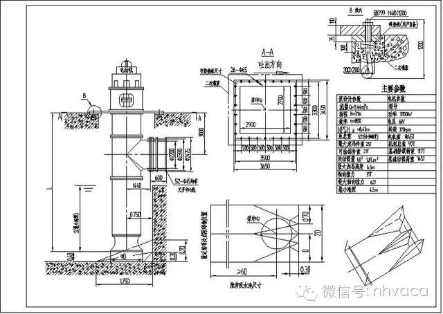
最常见的立式斜流泵结构为电机与泵直联、单基础安装、吐出口在基础层之下、泵转子部件可抽出。见下图:

立式斜流泵的主要零件有:吸入喇叭口、外接管、吐出弯管、泵支撑板、泵安装垫板、轴、叶轮、叶轮室、导叶体、内接管、轴承支架、导轴承、导流片、导流片接管、填料函体、填料压盖、泵联轴器、轴端调整螺母、电机支座、电机联轴器等。
立式斜流泵的结构形式为:垂直向下的喇叭口吸水,水平吐出;泵的下部浸没在水中,采用水润滑导轴承,并有轴保护管将清洁的润滑水与泵输送水隔开;大多数泵做成转子可抽出式,即泵维修拆卸时不必拆动外筒体、外部管路和安装基础,将需要维修的转子部件从泵壳中向上抽出;叶轮和叶轮室之间的间隙值通过上部联轴器处的调整螺母予以调节。
泵安装形式分为:单基础安装和双基础安装,吐出口在基础层之下或之上,水泵的轴向力通常由电机承受。
最常见的立式斜流泵外形安装图:

斜流泵安装调试知识要点
1、泵基础的灌浆及安装垫板的校水平
安装前,首先检查吸水池流道的尺寸是否符合图纸要求。注意吸入水池泵中心线距离最近拐弯处的距离必须大于泵吸入喇叭口直径的6倍(6D),且最近拐弯处斜坡的角度必须小于15°,否则会影响进水流态,对泵组运行造成不利的后果。
第二,检查泵安装基础的稳定性,安装基础水平度和尺寸
泵安装基础稳定性指泵房土建结构不均匀沉降问题,新建的泵房有时会发生下沉和倾斜,希望泵房土建结构完成后,滞后一段时间再装机电设备。泵机组安装前,要检查安装基础水平度和尺寸。
第一步:设定基准线
1> 检查安装基础的水平度及地脚螺栓预留方坑两侧平垫铁的水平度,检查泵的地脚螺栓孔是否与图纸要求的一致。
2> 用压缩空气清除混泥土地面和地脚螺栓孔,将基础面上无关的东西拿开。
3> 根据外形安装图在安装基础和穿墙管位置用吊线及墨线等方式标记泵吐出口方向中心线、泵中心线。
重点检查:穿墙管中心线、安装基础位十字线、泵吐出口中心至泵安装层的高度
第二步:吊下伸缩节到预定位置

第三步:设置垫铁
垫铁是插入被安装的机械设备和基础之间,用以调整设备水平,同时承受设备自重和运行荷重的零件(见右下图)。
一组垫铁包括一个平垫铁与一对斜垫铁,也有以三个平垫铁为一组的。原则上使用前者,若使用后者的平垫铁,包括辅助垫铁在内总数不得超过5片。

如果在初始安装时有难度的情况下,可先用临时垫铁。正式垫铁放置后,拧紧地脚螺栓,拿走临时垫铁。
重点检查:垫铁的位置是否靠近地脚螺栓两侧、平垫铁的水平度、斜垫铁的锥度控制在1/25-1/50。
第四步:泵安装垫板第一次校水平
1> 以基础位置的墨线为准,在瞄准方向的同时,将泵安装垫板安放在预定位置。泵安装垫板中心线与基础位置墨线对中。
2> 固定地脚螺栓前为了防止地脚螺栓与泵安装垫板地脚螺栓孔错位,把泵安装垫板悬空吊起来,将地脚螺栓插入泵安装垫板螺栓孔再原样放下,同时将地脚螺栓置于箱框孔内,然后将泵安装垫板放在垫铁上。
3> 水平设定是将直尺放在泵安装垫板加工上面,通过水准器控制泵安装垫板的水平度偏差直至小于0.05mm/m,而泵安装垫板的水平度是通过垫铁来进行调整的。
4>使用发泡苯乙烯代替预埋地脚螺栓箱框不够理想,需要使用时必须特别小心,注意不要让发泡苯乙烯残留在框内。因为用氧气、煤气等烧除发泡苯乙烯时残存有燃烧废气,会使一期混凝土的粘接性恶化。
重点检查 :对准墨线、水平度0.05mm/m、泵安装垫板底面与斜垫铁完全接触。
第五步:地脚螺栓灌浆
1> 地脚螺栓插入箱框孔,拧紧螺母直至留出垫片厚度再加上 2-3个螺纹;
2> 在地脚螺栓箱框孔内浇注混凝土的过程中,注意地脚螺栓不要倾斜;
3> 当地脚螺栓与配置钢筋有可能焊接时将其焊接或绑扎。
4> 在地脚螺栓箱框孔内浇注混凝土并捣固,待混凝土硬化后使之能承受地脚螺栓的螺母紧固时所受的拉力才能进行第二次灌浆。
2、泵的安装与拆卸
以二根轴的泵长度为例介绍立式可抽斜流泵的安装过程:
1> 泵壳部件的安装
警惕:在任何情况下,不能用吸入喇叭口作为泵的支撑或利用它作类似的用途。
1.1> 将吸入喇叭口与外接管a联接(法兰面用密封胶密封,下同),然后在泵安装垫板上放置工字钢或槽钢且其强度必须能承受泵的最大起吊重,注意不要损坏泵安装垫板结合面(以后的安装过程同),将联接好的这一段泵体用外接管a的支撑耳支放在工字钢或槽钢上,为防止受力不匀,拧紧法兰螺栓时,一定要对称拧紧螺母。注意:壳体部件法兰上均有记号和数字,装配时将数字相同的壳体选配在同一台泵,记号均应在同一方向。
1.2> 外接管b与外接管a联接好,将联接好的这一段泵体用外接管b的支撑耳支放在工字钢或槽钢上。
1.3> 用泵支撑板上的四个吊耳吊起泵支撑板与外接管c上法兰联接好,再一起吊起泵支撑板和外接管c与吐出弯管上法兰联接,同时注意泵支撑板、外接管c、吐出弯管的方向(三者均有定位销孔,安装时销孔应在同一方向),最后将三者一起吊起与外接管b上法兰联接好。

1.4> 最后整体吊起泵壳部件,撤去工字钢或槽钢,清理好安装垫板结合面,放下泵壳体部件,使支撑板就位。记下外接管a内凹槽的位置,在泵壳内做标记。
重点检查:数字相同的壳体选配在同一台泵并且记号均应在同一方向、在泵壳内做出外接管a内凹槽位置标记、吐出口中心线与穿墙管中心线对中。
2> 第二次校水平
泵壳部件装完后, 检查泵支撑板精加工面的水平度,确认水平度在0.05mm/m以内。如不能满足此要求,调整斜垫铁,直至达到要求。待地脚螺栓箱框孔内的第一次混凝土彻底硬化后,拧紧地脚螺栓的螺母,将泵座固定,点焊每组垫铁,并把每组垫铁与泵安装垫板点焊在一起。
检查:泵支撑板精加工面的水平度,确认水平度在0.05mm/m以内;垫板上表面至水泵吐出口中心的垂直高度;每组垫铁是否焊牢,并是否与泵安装垫板焊牢。
3> 灌浆
泵座固定后,在泵安装垫板与基础层之间灌入砂浆。灌浆之前,先插入一个泵安装垫板固定框架,以防泥沙流入泵坑内。待基础的砂浆彻底干固后,再装配可抽部件。
4> 可抽部件的安装
4.1> 将下主轴置于V形枕木上(以防滚动),然后在下主轴上装进轴套a,并滑过短键槽处,在短键槽处装上短键,将轴套退回至键位顶住,在轴套上螺孔处各拧上紧定螺钉,钉头不得高出轴套外表面。紧定螺钉作为轴套定位用。(通常轴套在出厂前已装好)注意:在装紧定螺钉前须先在轴上分别锪深3mm 锥形孔。
4.2> 将叶轮室、叶轮放置在一人高左右的梁架上或安装座上,在下主轴下端装上叶轮键,在下主轴的另一端拧上吊环螺钉,将轴吊至已装好密封环的叶轮上方,放下主轴使主轴穿过叶轮的主轴孔,装上叶轮哈夫锁环、螺栓、垫圈等。装叶轮哈夫锁环时注意止口端朝上,并装入叶轮轮毂内与之配合,切忌上下装反。(见下图)

4.3> 将已装好导轴承a和密封环的导叶体吊至组装好的下主轴上方,慢慢放下,使导叶体穿过轴与叶轮室配合面接触,将导叶体与叶轮室联接好,接合面涂密封胶,再装上导轴承b。
4.4> 已装好导轴承的轴承支架与内接管a上端联接好,再一起垂直吊起,穿轴将内接管另一端与导叶体联接好。
4.5> 在下主轴上方装上吊环螺钉将下主轴部件放入泵壳内,并用轴承支架上的肋板支承在工字钢或槽钢上,卸下吊环螺钉。
4.6> 将上主轴置于V形枕木上以防滚动,然后在上主轴装轴套b部位处装短键,装上轴套b,并在填料轴套部位装上短键,并装上填料轴套、“O”形密封圈、轴套螺母,在轴套螺母的螺孔处拧上紧定螺钉,螺钉头不得高出轴套外表面。并在上主轴下端装上传递扭矩的键。套筒联轴器直立于一平台上,使带有4个螺孔的一端朝下;在上主轴上方装上吊环螺钉,将轴吊起至套筒联轴器上方,慢慢放下,使轴从套筒联轴器内孔穿过,将套筒联轴器顺轴上推,直至露出键为止,并在联轴器外圆上拧上两个紧定螺钉将其固定于轴上。
4.7> 将上主轴吊至下主轴上方,将上主轴下放,两轴对中,将连接卡环装于轴上,松开套筒联轴器上的固定螺钉使其缓缓下落,同时在下轴连接处键槽处放上键,然后滑过连接卡环至止推卡环位置,用螺栓和垫圈与止推卡环联接起来。
4.8> 吊起内接管b穿过上主轴与轴承支架和轴承相连。
4.9> 吊起可抽部件,移开枕木,放入泵壳体内,直至叶轮室与吸入喇叭口锥面完全贴合。叶轮室外圆周上的凸耳应卡入外接管a的凹槽中,并贴紧机组旋转方向一侧凹槽面。凸耳位置的标记延伸到便于观察的地方,如导叶体上方。
小心:在内接管穿轴安装过程中,不要碰伤轴加工表面,并设法保持泵主轴垂直。
重点检查:叶轮室下端精加工锥面与吸入喇叭口精加工锥面是否完全贴合;叶轮室外圆周上的凸耳是否卡入外接管a的凹槽中,并帖紧机组旋转方向一侧凹槽面。
5> 泵盖板、导流片接管、导流片、填料部件的安装
5.1> 导流片与导流片接管联接起来,同时注意定位销孔方向和导流片的方向,用行车将此部件吊至上主轴上方,调整好导流片的方向(导流片下尖端朝吐出口方向),并在导流片接管与泵支撑板结合面上刷密封胶,穿轴放下与泵支撑板连接起来(注意两零件定位销孔方位)。如果泵盖板与导流片接管分开,则在导流片接管安装后再装泵盖板。
5.2> 将导轴承a装入填料函体的轴承腔中,并在填料函体外圆装上“O”形密封圈,先在填料函与导流片接管上法兰联接处装上纸垫,用行车将填料函体部件吊至上主轴上方,穿轴放下,并用螺柱、螺母与导流片接管联接好。
6> 测量转子窜动量、盘车、泵轴中心位置调整
6.1> 测量转子窜动量、盘车
在上主轴上端安装吊环螺钉,吊起转子,使导叶体端面A与叶轮上端面B贴合,此时在轴上端测量转子最大窜动量,窜动量必须大于转子提升高度。然后再将转子落至极下位置,再按总装图上已标明的转子提升高度提升转子,盘车检查转子是否灵活。然后再放下转子到极下位置。(见下图)

6.2> 泵轴中心位置调整。
采用填料函内孔与泵轴对中的方法,在填料函内用四块金属楔形块或等厚块调整泵轴中心与泵中心重合, 径向允差在0.05mm以内,调好后不要拆除垫块(见下图)。

7> 泵联轴器的安装
在上主轴的上部装上传递扭矩的键,将泵联轴器和轴端调整螺母装上。
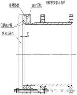
8> 安装出口伸缩节:
安装出口伸缩节的整个过程要对泵支撑板的水平度进行监控,以防止在出口伸缩节安装时对泵筒体产生干扰作用。
安装步骤为:先将伸缩节本体与泵出口法兰预留出15mm的间隙,用螺栓、螺杆穿入相应的螺孔;将与管路联结的一端法兰螺母拧紧;将活动法兰并紧,再联拉杆的螺栓,带紧即可。
注意:泵出口伸缩节必须为刚性联接,否则会对泵组的运行产生严重后果。另外现场的穿墙管必须固定。

泵出口安装伸缩节的必要性
1、刚性伸缩节在管路法兰与伸缩节法兰对接时,可有15mm的最大调整间隙,通过调整该间隙可以实现泵吐出口与外部穿墙管的自然联接,消除张口;减少或消除穿墙管与泵吐出弯管相联接后管路焊接应力对泵组水平度的影响,消除引起泵组振动的主要因素,确保泵组的平稳运行。
2、可以通过调整伸缩节的间隙,部分地避免由于泵基础下沉或者安装精度未达到要求造成的泵出口中心与外部管路中心不对中的现象,确保安装达到要求。
3、在泵组拆卸后回装时,伸缩节能方便地连接泵与出口管道。
9> 电机支座的安装
将电机支座吊至泵支撑板上方,用螺柱、螺母将其与泵支撑板连接起来;校电机支座上法兰面的水平度,应保证在0.05mm/m以内。如果达不到要求,则在电机支座下法兰面与泵支撑板之间加钢垫片。
重点检查:电机支座上法兰面水平度 在0.05mm/m以内;泵轴上端面到电机支座上法兰面的距离。
10> 电机的安装
10.1> 在对电机做任何安装或处理工作之前,先阅读 电机安装使用说明书。
10.2> 检查电机的气隙和油隙是否符合安装要求。
10.3> 装好电机联轴器及紧定螺母,注意电机联轴器采用热装。
10.4> 将电机吊至电机支座上。
10.5> 泵和电机的对中(见下图):在电机联轴器上安放检测仪表托架,并调整检测仪表,使其针端落在泵联轴器的最大外圆上。用电机盘车工具盘动电机轴,并调整电机的位置直至指针读数在0.05mm以下为止,拧紧电机与电机支座的联接螺栓,并反复测跳动值。

10.6> 检查电机、泵转向。
注意:在起动电机检查转向前,电机与电机支座法兰的联接螺栓一定要上好,看清楚标在泵、电机转向牌上的旋转方向。在给电机通电的一瞬间,判断转向;若转向不对,需将转向改正。
10.7> 泵运行前,有关电机各项准备工作按电机安装使用说明书进行。
重点检查:泵和电机的对中,电机轴和泵轴的同心度为0.05mm。
11> 转子调整
泵叶轮叶片和叶轮室的间隙、泵转子正确的提升高度在泵总装图和泵安装使用说明书中已明确规定。
对于闭式叶轮转子提升高度一般为8~10 mm;
对于开式叶轮,转子提升高度一般为4~5mm,在提升转子时,如果叶片与叶轮室间隙达不到以下规定的要求,则要求再调整转子提升高度,需人工下到池底用塞尺塞间隙。
| 吐出口径(mm) | 叶片与叶轮室的单边间隙(mm) |
| ≤1600 | 0.9~1.2 |
| >1600 | 1.2~1.5 |
叶轮叶片与叶轮室之间的间隙值对泵的运行性能有很大影响。间隙值过大,将使泵的扬程和效率降低;间隙值过小,有可能使叶片与叶轮室摩擦,产生机械故障。
泵转子提升步骤如下:
11.1> 判断泵转子是否已落到极下位置,叶轮室下端精加工锥面与吸入喇叭口精加工锥面是否完全贴合;叶轮室上的凸耳是否插入外接管a的凹槽内,并帖紧机组旋转方向一侧凹槽面;吸入喇叭口至水池底面的高度是否符合外形安装图的要求。
11.2> 旋转轴端调整螺母直至上端面与电机联轴器端面贴合。
11.3> 向下旋转轴端调整螺母,测量电机联轴器下端面与轴端调整螺母上端面的距离,即为转子的提升高度。如果上主轴最上端螺距为3mm时,可以采用以下方法调整:首先在电机联轴器及轴端调整螺母外圆上用粉笔或笔画一条竖线作为记号;然后向下旋转轴端调整螺母一圈直至竖线再次对齐,表明转子提升了3mm,向下再旋半圈则说明转子共提升了4.5mm。
注意:当轴端调整螺母向下旋转,电机联轴器下端面与轴端调整螺母上端面的距离(即转子的提升高度)已达到了规定要求时,此时若轴端调整螺母与泵联轴器的螺栓孔不对,则继续向下旋转轴端调整螺母,直至与最靠近的螺孔对正为止。
11.4> 装上联轴器联接螺栓、止动垫圈、螺母,交替对称地逐渐拧紧螺母。一定要按总装图上的拧紧力矩拧紧螺栓、螺母。
11.5> 联轴器装完后,检查叶轮叶片与叶轮室间隙是否均匀。
12> 填料的安装
泵发货运输时,填料并不装入填料函体内,而是将一整组填料装在一个小箱内和泵一起发运。正确地安装填料是泵高效运行的必要条件,请注意下面的说明:
12.1>拆下对中块,清理干净填料函;
12.2>每次将一环填料装进填料函内,以确保填料落到正确的位置;
12.3>如果使用石棉绳填料,每环填料的切口要错开180°放置,当最后一环填料装进后,再装上分半填料压盖,均匀地拧紧螺母,然后松开,再复到“指紧”程度。泵起动之后,缓慢、均匀地调节两螺母,直到合适的泄漏量为止。如果使用液体填料,先在填料函腔体的底部及上端各装一根碳素纤维填料,再装上填料压盖,用注射枪将液体填料注入填料函腔体内(注意不要完全注满,只注入2/3左右,待泵开车后再将液体填料完全注满)。
注意:对于油浸石棉绳填料,填料压盖决不能将填料压紧到无水从填料函处泄漏的程度,填料的润滑是需要一定的泄漏量的,否则将导致填料烧坏,擦伤轴套,并可能卡死转子。而对于液体填料则可以做到完全没有水泄漏。
斜流泵主要配合尺寸:
1.叶轮与轴的配合H7/h6
2.轴套与轴的配合H7/h6
3.套筒联轴器与轴的配合为H7/h6
4.泵联轴器与轴的配合为H7/h6
5.导叶体(可抽式)与外接管的配合H9/f9
6.轴承支架与外接管的配合为H9/f9
7.轴套与橡胶导轴承的配合为H9/h7,但两者之间有名义间隙
8.外接管之间止口配合为H8/h8
13> 完成其它安装工作
13.1> 安装双口排气阀;
13.2> 安装出口压力表部件。
13.3> 安装润滑冷却水系统:泵组的润滑冷却水系统分有外接水源和无外接水源两种情况;在有外接水源情况时,我公司提供整套润滑水系统零件,包括流量报警开关、过滤器、阀门、压力表等,同时分出一个支路至电机做电机冷却水;如果外接水源是海水,则相关零件采用不锈钢材质。在无外接水源情况时,泵采用的赛龙(陶瓷)轴承可以允许短时间干磨擦,泵启动后靠自身水润滑轴承,电机冷却水可以从泵出口引出。安装时注意检查润滑冷却水压力和流量是否符合要求。
润滑水量:q≈0.025d(q——l/s d——轴承公称内径)
润滑水压力P:有平衡孔P≈0.05~0.08MPa
无平衡孔P=Pd+(0.07~0.1)MPa
Pd——出口压力(MPa)
14> 认真填写“首次安装完毕后的原始记录数据”。
15> 拆卸
泵组拆卸为泵安装的逆过程。筒体部件不拆卸但需检查支撑板水平度是否在0.05mm/m以内。泵组拆卸注意事项:
15.1> 在必要的配合处作好相配的标记,以便下次安装;
15.2> 准备一些小箱子,盛装拆卸下来的小型零件,以防散失,每处拆下来的紧固件也用箱子分别装好,并在箱子上标记为何处,何种零件,切忌混杂;
15.3> 准备好稀释过的防锈油,以便涂于零件的某些配合表面;
15.4> 准备好防锈漆,以便涂于零件需要防锈的部位;
15.5> 下列零件往往不能重复使用:“O”形密封圈、填料、锈坏的紧固件。
3 、启动与停车
3.1启动前的准备
1> 清除泵吸水池内所有杂物,如木块、砖头、纤维、织品、金属丝等,并在泵运行时,防止有新的杂物继续进入泵的吸水池。
2> 检查泵吸水池内的水位是否在最小淹没深度以上,若小于规定值,则泵运行时可能会产生旋涡并将空气带入泵内,引起振动和泵汽蚀,此时应增加泵的淹没深度。
3>检查填料的压紧程度,不要太紧或太松;同时注意填料压盖是否压得均匀。
4> 安装好出口压力表,以检测系统阻力。
5> 检查机组冷却润滑水系统的流量是否正常,并且一定要在泵起动之前向机组供水5分钟以上。
3.2 启动与停车方法
做好启动前的准备后,可按下列顺序启动和停车:
1>排气阀处于工作状态;
2>主泵起动。
通常立式斜流泵的启动有两种方法:
1> 排出阀关闭状态下的启闭方法
1.1> 泵和排出阀门同时启动,前10秒阀门快开,阀门在30秒内由开启至全开;
1.2> 停车时阀门与泵电机联锁,当阀门关闭30°时,泵电机断开电源,阀门关闭时间为45秒。
2> 排出阀打开状态下的启闭方法
2.1> 先将阀门开至30°位置,主泵启动,阀门继续开启到全开。
2.2> 停车时应在阀门关闭到15°位置时,泵电机断开电源,然后再慢慢关闭出口阀,阀门关闭时间为45秒。
在并联运行的循环水泵系统中,当一台泵正常运行,需要开启另一台泵时,必须采用上述第一种启动方式,即闭阀启动。
小心:水泵在真空状态下,千万不能起动。由于停车后,系统产生回流,会在泵内引起真空,由于泵体内流速的急剧变化,造成压力急剧变化,此时若马上开机,会在泵内产生水锤,对泵机组造成破坏。在泵重新起动之前,要有足够的时间让空气进入泵内,以消除真空。
4、运行与维护
1>运行注意事项
1.1> 泵无吐出(即排出阀关闭)不能运行,对于比转数ns≤350的泵,可短时间运行,但运行时间不能超过1分钟。
1.2> 注意橡胶轴承的润滑水和电机的冷却水是否正常,如果水的流量减少,轴承将会升温。
1.3> 观察和测量泵的振动和噪音,如有异常(如振动大,噪音大)应停泵慎重检查。
1.4> 调整填料的压紧程度,以有少量的水连续不断地从填料函处冒出为准;慢慢紧固填料,直到它变成稳定状态后再拧紧压盖,检查是否发热。
1.5> 检查压力表和电流计的读数,如果数值突然变化,则意味着可能有问题,继续观察数值的变化。
1.6> 尽可能详细地作好运行日志,如有故障更要记录完备。
2>停车注意事项
排出阀关闭的同时,泵的电源应切断。泵组润滑冷却水需在泵组完全停止运行后方可停止供给。当发生事故停机发生后,应在阀门关闭到15°位置时,泵电机断开电源,然后再慢慢关闭出口阀,阀门关闭时间为45秒。
3> 泵的维护与维修
3.1> 泵的维护
安装完套筒联轴器后,在上下两端缝隙处涂上密封胶,以防止有水进入造成轴端生锈导致套筒联轴器拆卸困难。
在保存橡胶轴承时,要注意:用油纸或塑料袋封住橡胶轴承,放在木箱中保存。不要将重物压在轴承上,以防橡胶及外壳变形。保存时不要让橡胶轴承接触油或溶剂,因为这些会使得橡胶变质或澎涨,内径变小,导致轴承不能用。在装配橡胶轴承时,可用水或甘油润滑橡胶表面以便轴承容易装入,不要使用油脂、肥皂水和洗涤剂等,以免橡胶涨大,使得轴套与轴承的间隙减小,造成橡胶烧坏。
3.2> 运行检查
泵在运行中要作好运行日志,如实记录运行情况;运行日志最少应包括下列内容:开、停机时间,测量数据时间(数据包括:电机测点温度、吸入水位、排出压力、振动、噪音、电流、电压、频率等)及有无异常情况。
泵运行中要坚持每周一次的泵组巡视,巡视中记录好运行日志的内容,并检查以下项目:填料函是否有适量的泄漏、管路系统是否有泄漏、机组电机的振动和测点温度。为了及早发现泵运行中出现的异常,根据经验可用探棒在泵盖板处探听泵内部的声音,能及时有效的发现泵运行的异常情况。
3.3> 泵的维修
在泵维修时要更换填料,经常检查电机、泵联轴器上的联接紧固件。大修时,将可抽出部件吊出、拆卸;检查易损件、旋转部件和其他零件损坏情况,检查所有紧固件是否有松动和损坏,决定更换哪些零件,大修时还需清理进水流道。
在泵停用期时维护应更换旧填料;每周转动一下泵轴;长时间不用或在冰冻时期,应将进水位降到泵体以下。
3.4> 泵出现故障后到现场需要了解的数据
电机空载运行数据;带负荷运行后电机支座上法兰、泵支撑板等位置各方向振动值;进水池水位;电流表读数、出口压力表读数、出口压力表安装位置(距进水池水位高度);润滑水系统压力表读数;泵出口伸缩节安装情况;进水流道布置是否符合图纸要求等。
欢迎您加入暖通南社学习交流互动社区:
| QQ 群群号 | 主要功能 | 目前人数 |
| 127278380 | 注册暖通及资深设计、甲方居多; | 999人 |
| 162504281 | 以施工、设计技术人员居多 | 994人 |
| 161153868 | 施工、暖通空调造价人员居多 | 293人 |
| 191232844 | 土建、建筑施工人员居多 | 875人 |
| 194045991 | 主要以吸收南方工程技术人员 | 267人 |
| 189417984 | 纯设备群,初建 | 21人 |
| 365552966 | 加各类不能明确的技术人员,待以后再行分配 | 37人 |
| 235204658 | 以注考为主的群 | 258人 |
| 184579553 | 以厂商技术研发人员、维保人员为主的群 | 991人 |
| 145754593 | 以加施工人员为主的群 | 233人 |
| 338391569 | 专为求职人员设立的群 | 331人 |
| 168494112 | 以洁净空调和各特色专业设立的群 | 863人 |
| 241676445 | 专业设计群,为新手们准备 | 375人 |
| 171780399 | 南社唯一允许自由广告的推广群 | 340人 |
| 170823423 | 综合交流群 | 994人 |
| 492479546 | BIM专业交流群 | 231人 |
| 303891401 | 以暖通空调自控、家居系统集成为主的群 | 260人 |
| 167899477 | 吸收以北方工程技术人员为主的群 | 309人 |
| 其他各QQ群请百度:“暖通南社QQ群”查找。本QQ群所有群均为实名加群,加群请注明:“地区-姓名-专业”方能加群成功,每个人最多可加两个群,恶意加群者拉黑。所有群现在实行更替制,即新加人同时踢出最后一个发言的人。加各地区微信群,请注明:“地区-姓名-专业”加微信号:1114325507。高级专业技术人员可加QQ:13301898699,可获取南社认可的“南社工程专业技术人员俱乐部”证书。推广及商务合作,请加QQ:13301898699或微信号:1114325507 |
本次更新信息:2016年12月3日。微信公众号:nhvaca
加我个人微信号: 1114325507 ,拉你进暖通南社各片区和专业微信群。