轴承行业扒皮文,国内在售大多数轴承都是假的,某种意义上,轴承是真正的『暴利行业』。这个回答会得罪很多人,伤害很多人的利益,可能会遭到很多轴承(贩假)从业人士的强烈反对,但我还是决定写下来,因为假轴承对中国的精密工业已经造成了很大的伤害,而大多数受害者是不知情的。
如果有帮助到你的话,可以点个关注。
每日更新机械行业相关资讯
(本文不会介绍任何轴承购买渠道,亦不会给任何轴承经销商打广告;本文为纯扒皮文;本文不提供任何轴承『鉴真』手段,但提供了一种高效的『鉴伪』手段;
事情经过:我近期项目(精密传动相关)需要采购精密轴承,因此调查了国内整个轴承行业及数十家号称“绝对正品、假一赔十”的轴承销售公司,发现『国内绝大多数在售轴承,无论国产品牌还是进口品牌,都是假的』。
任何教你“如何分辨真假轴承”的文章,都是无稽之谈。轴承作为标准工业产品,真假与否,实际上是几乎无法分辨的(除了拙劣的 造假 )。
在不拆卸轴承的情况下,轴承的很多参数都难以检测(例如,球轴承的滚珠的同心度、滚道的平行度...),而一旦拆卸,轴承就会遭到不可逆的破坏,检测因而失去了意义。检测轴承的真假,与检测轴承实际的精密等级,都是相当困难的。甚至,不同品牌、同一型号的轴承,除了 Logo 不同外,可能都难以区分。
国内轴承业现状是,除了有名气的几家轴承厂(哈尔滨轴承、瓦房店轴承...),其余厂家一律说自己是“NSK”“SKF”....顾客想要什么品牌,就激光雕刻相应的品牌 Logo。
小厂家的数量、产量远高于大厂家,我们平时却见不到“没品牌”的轴承,为什么?因为顾客认品牌,只要有一家轴承厂雕刻 NSK 的 Logo,其他厂不这样做,就没活路了。线上线下各种销售渠道,几块的“NSK”随处可见,从日本运过来邮费都不够,这种“NSK”是真的吗?
但这种“NSK”占据了国内轴承销量的大头。这种“NSK”的购买者,未必相信它是正品,但可以向自己的客户说,“我们使用名牌轴承(NSK)”,这是轴承业乱象的主要来源之一。
1. 轴承的造假成本
轴承造假几乎没有门槛,一套制造轴承的流水线只要数百万元,便宜的甚至不到一百万元,而真假轴承价格可以差 10 倍以上。同一条轴承造假流水线,几乎可以造世界上任何品牌的轴承。
轴承行业标准实际上完全由 SKF(斯凯孚,轴承行业绝对的世界第一)主导,几乎所有品牌的轴承规格、尺寸、型号都以 SKF 为准,换而言之,不同品牌、同一型号的轴承,都是按照 SKF 的图纸加工制造(SKF 所有轴承的图纸均在官网公开),在没有制造误差的情况下,不会有任何不同。
假轴承,激光雕刻 SKF 的 Logo,就叫“SKF 原装进口轴承“;激光雕刻 NSK 的 Logo,就叫“NSK 原装进口轴承”。

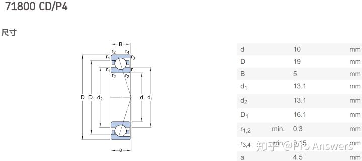
SKF 官网提供的 71800 轴承尺寸,71800 是本文主角,详情见下文。

SKF 官网提供的 71800 轴承的 3D 图纸,有机械相关背景的同学应该意识到了——有了 3D 图纸,1:1 仿制是没有任何难度的。
2. 轴承行业现状
实际上,没有任何手段判断一家公司销售的轴承的真假,看人下菜、真假混卖是常态,客户发现轴承有问题,便会解释“这是 XX(品牌)中国工厂制造的,品控比较差,您若不满意,寄回来给您免费更换。”,目前也没有任何主流轴承品牌提供官方鉴假,因此打假难、近乎不可行。
本文主角是 SKF 71800 轴承(通常称呼为 71800),我近期项目需要它,而它其实是一种极其小众的轴承,主流品牌(无论国内国外)都极难买到,甚至根本买不到。
可能有人会问,SKF 71800 不是挺好买吗?随手一搜:

但如果换个搜索方式:

很多经常网购的朋友可能已经意识到了问题:一款商品,淘宝有售、天猫有售,意味着什么?——淘宝在某种意义上管不了、不管假货,而天猫的管控,相比之下颇为严格。
可能还有朋友会说:天猫只有 SKF 官方旗舰店允许出售 SKF 轴承,其他商家没有天猫的网络销售权,因而只能在淘宝上售卖。但是,经我多方咨询(SKF 授权经销商、SKF 中国...),SKF 71800 目前全国断货,一级经销售没有、二级经销商更不可能有(这款轴承极其小众,二级经销商不可能囤货),下一批货要大约 4 个月以后才到,因此,目前国内在售所有 SKF 71800,应该都是假的。不仅 SKF 的 71800 断货,其他进口品牌同样断货,我只查到 FAG 现在有一点库存,但非常少。
可能还有朋友会说:71800 “断货”,并不意味着真的没人手里有货,况且,哈尔滨轴承的 71800 不是在天猫上有货吗?

注意:『哈尔滨轴承』和『哈尔滨安邦轴承』完全没有任何关系。
然而,经询问、哈尔滨轴承公司回复我:“哈尔滨轴承从未生产过 71800”。
有些轴承商家表示,NSK 有 71800 的替代型号,但名字不叫 71800、叫 7800。然而,经询问、NSK 中国回复我:“NSK 从未生产过 7800”。
因此,NSK 7800(短时间内还有 SKF 71800)便成了“靶点”,任何有这轴承在售的商家,都是贩假者。并由此衍生了一个轴承商家的鉴伪手段:拿一个冷门并且已经断货的轴承型号,去咨询商家,商家回复有货,则该商家为贩假者。
(瓦房店轴承也没有 71800)
3. 真假轴承对比
造假分子为什么要造 71800 的假,明知道很多品牌压根不生产 71800 ?这还得从 71800 的兄弟,71900 说起。不同于71800,主流轴承品牌基本都有 71900(719xx 系列,机床主轴上用得很多),71800 是 71900 的“迷你版”,很多购买 71900 的顾客也会有 71800 的需求,有需求就有(造假)市场。
例如,NSK 虽然没有 71800,但有 71900 的替代型号 7900,造假分子依据 7900 这个名字,拟造了一个从未有过的 71800 替代品、NSK 7800。NSK 官网可以搜索到 7900、搜索不到 7800,造假分子会辩解“NSK 轴承几十万个型号,不可能都上传到官网。”(NSK 官网的搜索功能很不好用、查轴承型号很不方便)。
我分别从某『某金牌全 4.9 分皇冠淘宝店』和『SKF 中国』购买了『某款轴承(为避免暴露身份,不透露轴承型号)』,『SKF 中国』的价格是:

200+ 元

真轴承的外圈较薄、塑封干净无油污。
『某金牌全 4.9 分皇冠淘宝店』的价格是:

不到 100 元

假轴承的外圈较厚、塑封劣质有油污(防锈油)。
真假轴承盒子对比:

左真、右假,真盒子的印刷质量(色彩、字体清晰度)明显优于假盒子,图片上不太容易看出来,实物很明显。
商家辩解(假)轴承是法国产(包装盒上写着产地是法国,此外,真轴承的产地是日本),因此尺寸不一样,云云,但轴承是标准加工品,特别是世界第一轴承品牌 SKF,不同产地的轴承,尺寸和官网提供的 3D 模型严格保持一致(加工误差是 0.0? mm 的量级,肉眼不可见),尺寸是标准加工品最基本参数,不应该、不可能、压根不会不一样。
这个轴承并不是我精挑细选、故意购买的假轴承,事实上,据我调查,淘宝(包括 1688)上售卖的 SKF 轴承,除了几家 SKF 网络授权经销商(可能是真的)以外,(在我翻的十几页搜索结果范围里)全都是假的,无一例外。部分地区的线下实体店(机械配件市场)贩卖假轴承,甚至已成“公开的事实”,商家会开门见山“要高仿还是低仿?反正都是假的,没有区别。”。
中国每年售出的 SKF 轴承,可能已超过 SKF 年产量,甚至是 SKF 年产量的数倍。其他品牌也是如此,NSK、哈尔滨轴承也是重灾区。
4. 百度的推波助澜
你能找到正确的 SKF 官网吗?百度的“SKF 轴承”关键字组合早已被轴承公司买断(“SKF”、“SKF 官网”没有这种现象):

中国大陆没有所谓“SKF 中国总代理”,中国大陆的总经销商是 SKF 中国。
国内所有 SKF 授权经销商都可以在官网查询(授权经销商同样可能贩假,轴承行业看人下菜、真假混卖极其严重;非授权经销商更不可能卖真货):
经销商www.skf.com

假轴承的新闻其实屡见不鲜,但不是大众话题、关注度低:

5. 假轴承的由来
为什么轴承行业如此混乱,是监管部门懒政所致?不,因为很难界定『假』轴承。
事情要从『轴承代工(贴牌)』说起。国产轴承,代工、贴牌是业界“*规则潜**”,例如轴研所就有很多产品是贴牌的(轴研所并不否认这点,毕竟售价也不同)。
轴承消费者特别认牌子,品牌不响亮的轴承卖不出去。因此诞生了“租借品牌”的业务,即『轴承代工(贴牌)』,例如同样是轴研所品牌的轴承,有些经销商专卖轴研所自产轴承(高价)、有些经销商专卖轴研所贴牌轴承(低价),前者的客户用高价得到了轴研所的品质、后者的客户用低价得到了轴研所的品牌(因此可以和自己的客户说,自己的产品用的是轴研所的轴承)。

例如这个轴承,虽然它说自己是“哈尔滨轴承”,但轴承上的 Logo 却是“LUT(天猫店家品牌名)”,这到底是假轴承,还是哈尔滨轴承的贴牌产品?难以分辨。SKF 71800 售价在 200~300 元之间,而它只要 11 块钱...
市面上高仿轴承的来源,很大一部分就是这些国产轴承的代工厂,但这并不违法,因为“假”不一定是代工厂“造“的,也可能是无良经销商“造”的。无良经销商购买代工厂的无 Logo 轴承,自己回去用激光雕刻机,可以刻任何品牌的 Logo、变成任何品牌的轴承,这便是所谓的看人下菜、真假混卖。
一个无 Logo 轴承在刻上 SKF 的 Logo 之前,都不能算是假轴承,因此警方有执法困难,拥有激光雕刻机不违法、拥有无 Logo 轴承不违法、私自印刷 SKF 的包装盒可能也“不违法”(包装盒的金额太小,很可能无法立案),除了一些过于猖狂、贪婪、愚蠢的不良商家,一次性制作并库存了太多假轴承,才会被警方立案。

主流民用激光雕刻机只要一万元左右
综上所述,一个国产小厂打的 SKF 的 Logo,是假轴承;但打哈尔滨轴承的 Logo,就不好说了,可能是假轴承,也可能是贴牌。所以轴承业内人士称,“哈尔滨轴承比 SKF 还要乱”,便是如此。某些国外轴承据说也有贴牌现象(但我没考证到具体的品牌名),因此轴承行业是真的很“乱”。买『贵的』不一定买得到『真的』,或许你只是花更多的钱买到了一个假轴承。

4 块钱一个的 NSK 轴承(6200 的内径为 10、外径为 30、厚度为 9),真的够从日本寄过来的运费吗?相信买这种“NSK”的人都知道它是假的,但就像假的名牌衣服包包一样,有需求也有市场。
6. 假轴承的影响
真轴承和假轴承,例如都是 P4 精度,会有什么区别?

P4 是精密轴承的一种等级,在此之上还有 P2,但国产轴承厂应该还达不到真正意义上的 P2(我不是轴承行业的,不了解国内 P2 轴承的发展状况),国外品牌 P2 轴承好像对中国禁运(没查证出来)。
由上图可见,P4 有很多检测项,国产很多所谓 P4 轴承只是外圈直径和内圈直径能达到 P4 标准,其余可能是都达不到的,P2 同理。轴承有四个常见公差等级(按照从一般到精密排序):普通、P6、P4、P2。
不同公差等级,理应使用不同产线、不同工艺、不同制造标准,但很多国产轴承厂的方式是:统一按某一等级做(例如 P6),生产出来以后检测内圈和外圈公差,不良品按普通卖,刚及格的按 P6 卖,精度好点的按 P4 卖,精度最好的按 P2 卖,这种做法其实毫无意义,因为(例如深沟球轴承)滚珠、滚道的精度都不够,只有内圈和外圈精度够,无非是自欺欺人,但很多人买单,因为他们的客户吃这一套(“我们的设备使用 P2 轴承,超精密,还便宜。”)。这其实也是行业内“公开的秘密”。
大公司合作多年的供应商也可能卖假轴承,甚至,基于对供应商多年的信任,大公司会长期受到欺骗,自己的产品质量达不到预期,也不明所以。毕竟,造假的成本太低、利润太高。我近期调研了一些精密减速机厂,某家精密减速机厂向我们介绍了自己的轴承供应商,然而,该轴承供应商却向我们推荐 NSK 7800 作为 71800 的替代!难怪有精密减速机厂的研发人员向我们抱怨,设计、制造、装配都没有问题,但就是达不到理想的精度,并感叹“精密传动是玄学”,毕竟,你们的轴承可能是假的...中国制造业压价压得很厉害,大家都在打价格战,企业往往只在乎采购成本(或者说,“把钱花在刀刃上”,把预算留给一些相对重要的零件),并不会太关注轴承的真伪、品质。
但是,假轴承对轴承行业而言,却是一件好事,因此谁都不愿意戳穿这个“秘密”。如果没有冒牌假轴承,中国很多小的轴承厂都会倒闭。
此外,就中国整体工业水平现状而言,轴承精度并不是主要制约因素,甚至连次要制约因素都算不上,只有精密工业受轴承影响较大。从好的方面看,假轴承“阻止”了很多外国轴承公司垄断中国轴承业(毕竟损害的主要是外国轴承品牌的商誉...),为很多企业提供了低价、相对优质的产品(能做“高仿”的厂,质量都还过得去),在过去很长时间里是利国利民的。中国制造正在往高端转型,会有越来越多的人意识到轴承的问题,届时,『中国假轴承』或许就能作为一段历史,消失在『中国制造人』的回忆里。中国现在已经有了一些非常优秀的轴承厂,例如 XX、XX...(我们的供应商,因此无法透露),希望你们越做越强。
如果有帮助到你的话,可以点个关注。
每日更新机械行业相关资讯