1. 白炽灯无级调光电路
电路图
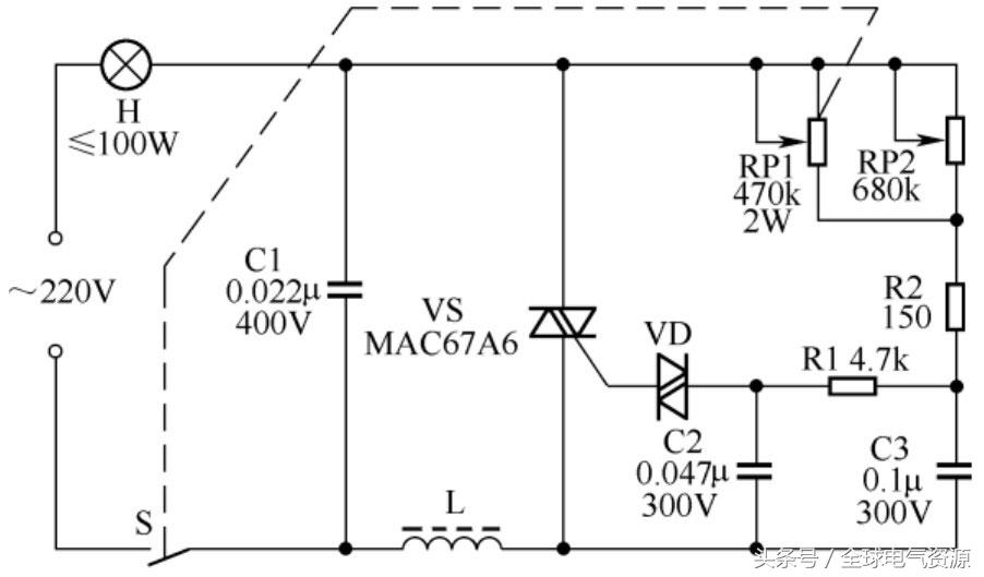
图1-7所示是一个实用的双向晶闸管调光灯电路。

图1-7 白炽灯无级调光电路
工作原理
闭合电源开关S,220V交流电经RP1、RP2、R2向电容C3充电,当C3两端电压达到双向触发二极管VD的转折电压时,VD与双向晶闸管VS相继导通,使电灯H发光。当交流电过零反向时,VS自行关断,C3 又开始反向充电,重复上述过程。所以,在交流电一个周期内,VS在正、负两个半周各对称导通一次。调节电位器RP1的阻值大小,可改变电容C3的充电速率,从而改变VS的导通角,以达到无级调光的目的。
2. 白炽灯步进调光电路
电路图
图1-8所示电路是由M668调光专用集成电路制作的白炽灯步进调光电路。

图1-8 白炽灯步进调光电路
工作原理
M668是一种新颖四挡触摸式步进调光集成电路,每触摸一次,灯光亮度就改变一挡,即灯光亮度可在弱光—中光—最亮—熄灭……之间进行选择。该电路功耗小,可以接成两线制灯光控制回路,因此接线方便。
VD1~VD4与VS组成电灯H的主回路,控制回路由M668等组成。VZ、R1和C1组成电阻降压稳压电路,输出6V左右直流电压供集成块用电。R2 和 R3 组成分压器为集成块⑤脚提供同步信号。C3为集成块脉冲输出电容,将脉冲加到晶闸管VS的门极,控制VS的导通角,从而实现四挡亮度控制。R7、R8为安全电阻,确保使用者的安全。当人手触摸一次电极片M时,人体感应的杂波信号经R7、R8加到A的输入端,经内部电路处理后⑦脚就输出一系列脉冲信号经C3送至VS的门极,去控制VS的导通角,使灯泡亮度按弱光—中光—最亮—熄灭……四挡循环变化,最大亮度时VS导通角为150°。如果将④脚不接地而改接⑧脚,则电路就变为单纯的触摸式灯开关,而无调光功能。
来源:《电工常用经典线路应用范例》