摘要:塔河油田抽油机虽具备自动启停功能,但禁止使用。自启动存在烧电机、冲击供电系统安全运行及抽油机本体安全运行等问题。针对上述问题,我们从抽油机启动控制原理开始,充分结合单井工况来展开油梁式抽油机断电自启动的研究。
关键词: 游梁式抽油机 自启动 计数继电器 限位开关
0前言
现塔河油田单井大部分的抽油机为14型游梁式抽油机,抽油机启停为现场手动控制,每次停电、恢复供电,需采油工人逐一单井停机、启机,操作流程繁琐,并且影响油气生产。自启动研究就显的非常有意义。虽抽油机配电柜具备自动启停功能,但禁止使用。主要考虑以下问题,在电机保护动作后,反复启动烧毁电机;以及电网停电恢复供电后,大面积抽油机同时自启动,启动电流过大,冲击电网安全运行;电网长时间停电恢复供电,抽油机存在光杆滞后等现实的安全隐患。
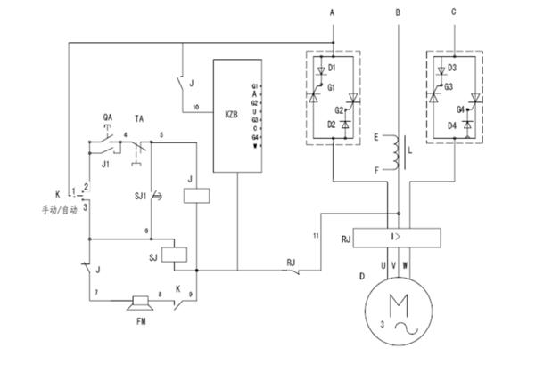
1 油梁式抽油机电气控制回路

图1、抽油机控制电气原理图
抽油机手动启、停过程:将“手动/自动”把手打至“手动”位置,点按“启动”按钮QA或“停止”按钮TA来完成电机的启、停。抽油机自动启、停过程:将“手动/自动”把手打至“自动”位置,时间继电器SJ1延时动作后,继电器J动作,电机启动。抽油机正常运行,无故障情况下,电机不会自动停机, 若要停机,只能将“手动/自动”转换把手打至“手动”位置,手动停机。
以上两种启动方式,电机故障时,电机保护器RJ会启动,切断电机电源回路,停机。
2 禁止自启动的分析
2.1 电机安全运行方面考虑
电机保护器保护输出接口(即图1中RJ触点)为无触点的固交流电子开关,当断相或者过载时,控制回路断开,电机电源断开,但一定时间后,电机保护器会复归,那么故障电机会再次启动,势必加剧电机故障。电机保护动作后,故障电机启、停存在反复性,存在安全隐患。
2.2 抽油机安全运行方面考虑
游梁式抽油机断电停机后会从动平衡状态经过一段时间才能回到静平衡状态,若供电系统恢复送电,抽油机未在平衡状态立即启动,一方面可能损坏齿轮箱,另一方面在反作用力之下,可能造成电机过载保护动作,抽油机无法启动。
另一种更严重的情况,抽油机在断电重启时,可能出现光杆滞后,尤其是稠油井,光杆滞后是指光杆与悬绳器运动不同步,正常运行时应是悬绳器带动着光杆同步运行。光杆滞后,会造成毛辫子移出轨道、驴头下行撞坏光杆,甚至造成井控事故,这种情况下驴头再次上升时,因失去平衡可能拉断光杆、将抽油机前轴拉断。

图2、油梁式抽油机结构图
2.3 供电系统安全运行方面考虑
塔河油田1条10kV线路均带有几十口抽油机,当10kV线路恢复供电后,抽油机同时启动,启动电流过大,会造成10KV线路过流保护动作,引起线路跳闸。
3 自启动研究及解决方案
针对上述抽油机不能断电自启动的原因分析,必须解决上述三个问题。从电气控制原理及调整运行方式等实现抽油机断电自启动。
3.1 电机安全运行解决方案
针对抽油机过载反复重启动的问题,由于该保护的控制输出为固态常闭接点,经多次调整控制方式均不能解决过载保护后反复自启动的问题,选择了增加控制功能的方式,对控制回路进行了改造。

图3、改造后的抽油机配电箱原理图
如图3,无论选择手动或者自动运行方式,都可以避免电机过载或者故障后再次上电。运用电机保护器的固态常闭接点启动中间继电器,中间继电器的机械开关量接点去启动计数继电器,设置计数继电器的计数定值,当保护动作次数达到定值后,不再启动,直到人为复归或下次再断电后才能自启动。

图4、计数继电器内部原理
计数继电器设置次数为1,即保护动作后允许自动重启动一次,如果启动失败,没有人为复归或再次断电,电机无法再启动。
3.2 抽油机光杆滞后解决方案
塔河油田大部分油梁式抽油机冲次为3-5次,即一个冲次15秒左右。塔河电网10kV线路重合闸时间为1.2秒,即线路停电后,若线路为瞬间故障,1.2秒后恢复供电。对于这种线路故障停电、并在极短时间内恢复供电的情况所以针对上述停电情况,抽油机会因为运动惯性,保持运行工况,当再次来电时,电机很容易启动。
在供电系统长时间停电,游梁式抽油机自动停机后,当再次供电时,部分单井出现光杆滞后的情况,为了避免这种情况下电机自启动。考虑使用限位开关,光杆滞后时,限位开关常闭断开,切断电机控制回路,那么在供电系统恢复供电时,如果位置不允许启动,那么本次启动失败。此种方法适合于现场安装,安装流程简单并可靠。

图5、限位开关安装位置示意图
在示功器与悬绳器之间安装限位开关,间接的用于监测两者的行程。当供电系统长时间停电,抽油机原本的平衡度将被打破,无人为干扰情况下,抽油机与光杆最终将会静止,根据单井油质不同,油泵会发生卡涩现象,当抽油机驴头下行时,光杆滞后悬绳器,示功器与悬绳器之间的行程增大,限位开关断开,切断电机控制电路,电机停止启动,避免驴头下行碰撞光杆。
3.3 供电系统安全考虑解决方案
抽油机启动柜中配有时间继电器,可以根据供电系统线路所带单井数量来调整启动时间。线路下单井数量较少时,全部抽油机启动时间调至最小,供电系统长时间停电又恢复供电时,所有单井启动电流满足线路保护定值。若线路供电单井数量较多,那么系统恢复供电时,若同时启动抽油机,那么启动电流必然影响线路的保护。此时,就需要调整时间继电器使抽油机分批启动,躲开线路过流保护。
4结论
本次研究,主要是解决上述三个主要问题进行改造。改造完成后,塔河油田大部分的油梁式抽油机可以打至自动运行状态,供电系统断电后,大部分满足启动条件的单井可以安全自启动,少部分不能满足启动条件的单井,只能采油工人现场手动启机,考虑到断电后注稀油不确定,因此参稀井除外;因故障而停机的,也避免了电机再次上电,造成更严的损坏。
参考文献:
[1] 阮毅,陈伯时,电力拖动自动控制系统-运动控制系统,机械工业出版社,2010.1.1
[2] 陈宪侃,叶利平、谷玉洪,抽油机采油技术,石油工业出版社,2004.2