亲爱的小伙伴们,炎炎夏日桑拿天气,不知道你是奋战在施工一线汗流浃背还是躲在办公室里惬意的啃着西瓜吹着空调呢?这么热的天,工地上发生了哪些有意思的事情,欢迎留言让我们一起开心一下。
初次接触建筑电气施工图的小伙伴,有没有这么一种经历,被图纸上一大堆的英文符号搞得晕头转向,一会BV BVV 一会TC SC还有很多其他奇奇怪怪的组合。今天就让“小张谈施工”和大家一起学习一下建筑电气施工图的一些基础知识,希望今天的内容可以为你一解所惑。

基础知识
1.常用电线:
⑴ 裸导线:一般为架空线路的主体,输送电能。
① 裸单线:TY 铜质圆单线 LY 铝质圆单线
② 裸绞线:TJ 铜绞线 LJ 铝绞线 LGJ 钢芯铝绞线
⑵ 绝缘电线;种类很多,一般明明规则都是如下图所示:

BV:铜芯塑料绝缘线
BX:铜芯橡胶绝缘线
BLV:铝芯塑料绝缘线
BVV:铜芯塑料绝缘护套线
BLVV:铝芯塑料绝缘护套线

BV:铜芯塑料绝缘线

BVV:铜芯塑料绝缘护套线
例:BV— 2.5
BVV— 4
ZRBLV—25
NHBX—10
2.电缆: 多芯导线,在电路中起着输送和分配电能的作用,电气装备用电线电缆及电力电缆的型号主要由以下七部分组成:
1.类别、用途代号 2.导体代号 3.绝缘层代号 4.护层代号 5.特征代号 6.铠装层代号 7.外护层代号 [1]
1.绝缘种类:V代表聚氯乙烯;X代表橡胶;Y代表聚乙烯;YJ代表交联聚乙烯;Z代表纸。
2.导体材料:L代表铝;T(省略)代表铜。
3.内护层:V代表聚氯乙烯护套;Y聚乙烯护套;L铝护套;Q铅护套;H橡胶护套;F氯丁橡胶护套。
4.特征:D不滴流;F分相;CY充油;P贫油干绝缘;P屏蔽;Z直流。
5.铠装层:0无;2双钢带;3细钢丝;4粗钢丝。
6.外被层:0无;1纤维外被;2聚氯乙烯护套;3聚乙烯护套。
7.阻燃电缆在代号前加ZR;耐火电缆在代号前加NH;防火电缆在代号前加DH。
电缆的组成:线芯、绝缘层、保护层
电缆按用途可分为:
⑴ 电力电缆:用来输送和分配大功率电能
a、聚氯乙烯绝缘聚氯乙烯护套电力电缆
VV VLV
例:VV22 - 4×120+1×50
表示4根截面为120mm2和1根截面为50mm2的铜芯聚氯乙烯绝缘,钢带铠装聚氯乙烯护套五芯电力电缆。

VV电缆
b、交联聚乙烯绝缘聚氯乙烯护套电力电缆
YJV YJLV
例:YJV22 - 4×120
表示4根截面为120mm2的铜芯交联聚乙烯绝缘,钢带铠装聚氯乙烯护套四芯电力电缆。

YJV电缆
⑵ 控制电缆:用于传输控制电流
常用控制电缆:KVV KVLV

KVV
⑶ 通信电缆:用于传输信号和数据
① 电话电缆: HYY HYV
② 同轴射频电缆: STV-75-4
电缆按绝缘层可分为:
油浸纸绝缘 Z
橡皮绝缘 X
塑料绝缘 V、Y
⑷ 电缆附件
电缆终端头:电缆与配电箱的连接处, 一根电缆两个电缆头
电缆中间头:用于电缆的延长,隔250m设一个
3.母线:
⑴ 软母线:用于35kV以上的高压配电装置中

⑵ 硬母线:用于高低压配电所
TMY:硬铜母线
LMY:硬铝母线

4、线路敷设方式代号:
TC:用电线管敷设

SC:用焊接钢管敷设

SR:用金属线槽敷设

CT:用桥架敷设

PC:用硬塑料管敷设

PEC:用半硬塑料管敷设

5、线路敷设部位代号:
WE:沿墙明敷 WC:沿墙暗敷
CE:沿顶棚明敷 CC:沿顶棚暗敷
BE:沿屋架明敷 BC:沿梁暗敷
CLE:沿柱明敷 CLC:沿柱暗敷
FC:沿地板暗敷 SCC:在吊顶内敷设
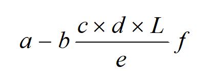
6、线路在平面图上的表示:
a-b (c × d) e - f
a :线路编号 b:导线型号
c :导线根数 d :导线截面
e :线路敷设方式 f :线路敷设部位
例: N1 BV-3×4 SC20 –FC
表示:N1回路,3根4mm2的铜芯聚氯乙烯塑料绝缘线,穿DN20的焊接钢管沿地板敷设
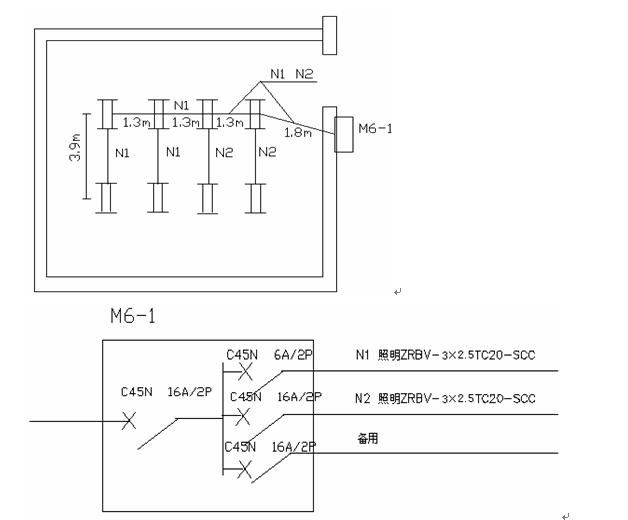
7、灯具在平面图上的表示:

a :灯具数量 b:灯具型号 c :灯泡数量 d :灯泡容量,W e :灯具安装高度 f :灯具安装方式(X吸顶,B壁安,G吊杆式,L吊链式,R:嵌入式) L:光源种类
例:

8、电气工程系统图的识读:
⑴ 识读程序:
先看图纸目录,再看施工说明,了解图例符号,系统结合平面。
⑵ 识读要点:
① 供电方式和相数:高压还是低压供电,单相还是三相
② 进户方式:电杆进户、沿墙边埋角钢进户、地下电缆进户
③ 线路分配情况
④ 线路敷设方式:绝缘子布线、管子布线、线槽布线、电缆布线等
⑤ 照明设备器具的布置:安装高度及平面位置
⑥ 接地防雷情况
⑶ 识读脉络:进户线 — 总配电箱 — 干线 — 分配电箱 — 支线 — 用电设备

