绝缘电阻表用来测量电气设备的绝缘电阻,绝缘电阻的单位是兆欧,故绝缘电阻表又叫兆欧表。
1.由于简便而有效,绝缘电阻表用于检验电气设备的绝缘状况十分广泛,应用很多。
2.要测量准确,必须了解绝缘电阻表的工作原理、技术性能、操作方法和注意事项
如何选择绝缘电阻表的电压和量程
绝缘电阻表的输出电压通常有250、500、1000、2500、5000和10000V等多种。
设备额定电压100V以下--250V/量程50兆欧及以上绝缘电阻表
设备额定电压500V以下至100V--500V/量程100兆欧及以上绝缘电阻表
设备额定电压3000V以下至500V--1000V/量程2000兆欧及以上绝缘电阻表
设备额定电压10000V以下至3000V--2500V/量程10000兆欧及以上绝缘电阻表
设备额定电压10000V以上--2500V或5000V/量程10000兆欧及以上绝缘电阻表
用于极化指数测量时短路电流不应低于2mA。
绝缘电阻表的形式和结构
按电源形式分
发电机型—手摇发电机
整流电源型—电子式电源
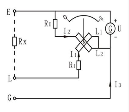
1、手摇式绝缘电阻表
1)工作原理
手摇小发电机
比率式磁电系测量机构
有电压线圈YV和电流线圈YA。无游丝,指针无定位。Rl、Ru分别串接在YA和YV中。


2)使用举例
测量电力电缆芯线绝缘电阻
端子L接电缆芯线
端子E接电缆金属外皮
端子G接电缆绝缘层(用裸铜线在靠近导线的绝缘层上缠绕两圈)
G的作用:消除杂散电流对测量的影响。

2、整流电源型绝缘电阻表
采用整流电源或干电池代替手摇小发电机,经整流稳压、倍压升压至所需测试用高电压。
优点:稳定的输出电压
缺点:需有电源的场所或配备干电池

3、自动化绝缘电阻测试仪有指针式和数字式两种显示
可存储测量数据,计算吸收比、极化指数可自动对残留电荷放电


绝缘电阻表的容量和负载
1、绝缘电阻的容量
■绝缘电阻表的容量即最大输出电流值。
■输出端经毫安表短路后测得。
■又称为绝缘电阻表的输出短路电流值
■容量小,对被测物的充电速度慢,会影响吸收比和极化指数,应选用大于1mA的绝缘电阻表。对220kV及以上的大容量变压器要求大于2mA的绝缘电阻表。
2、绝缘电阻的负载特性
■绝缘电阻表的负载特性即被测电阻R和绝缘电阻表端电压U的关系曲线。
■不同型号的绝缘电阻表其负载特性是不同的。

选用绝缘电阻表时应注意
■被试品的绝缘电阻合格范围要求严格时应选用负载特性好的绝缘电阻表
■对有介质吸收现象的电机、变压器等设备,其绝缘电阻值、吸收比值和极化指数会随绝缘电阻表端电压变化。故历次试验应选用负载特性相同的绝缘电阻表
■用作低压回路的耐压试验( 1min)应选用容量大负载特性好的绝缘电阻表
用绝缘电阻表测试绝缘电阻操作步骤
为保障测量时人身及设备安全,并尽量使测量数据准确应按《DL/T474.1——2006现场绝缘试验导则绝缘电阻、吸收比和极化指数试验》规定的实验步骤进行试验。
■断开被试品电源、接地、放电。电容量较大时要充分放电(5min)清洁被试品外绝缘处的脏污
■绝缘电阻表端子E接被试品的接地端,L接高压端,G接屏蔽端。
■驱动绝缘电阻表达额定转速或接通绝缘电阻表电源,等指针稳定后(60s)读取绝缘电阻值。
■测量吸收比和极化指数时,先驱动绝缘电阻表至额定转速,等指针至“oo”时,将高压端立即接至被试品上,同时记录时间,分别读出15s和60s(或lmin和10min)时的绝缘电阻值。
■读取绝缘电阻值后,先断开接至被试品高压端的连线,再停止摇绝缘电阻表。测试大容量设备时应尤为注意,以免放电电流损坏绝缘电阻表。
■断开绝缘电阻表后应对被试品短接放电并接地。
■测量时应记录被试品的温度、湿度、气象情况、日期及所使用仪表。
影响测试结果的各种因素
1、外绝缘表面泄漏的影响
相对湿度大于80%的潮湿天气需使用屏蔽端子

2、残余电荷的影响
上一次试验后接地放电不充分,可影响第二次复测时的测量值。
由于剩余电荷的影响,易造成绝缘电阻增大,吸收比减小的虚假现象。对大型设备应充分放电5min以上。
3、感应电压的影响
测量高压架空线的绝缘电阻时若附近存在高压电场,不能进行测量,以防止静电感应电压危及人身安全,同时,测量无效。
4、温度
被试品温度应在10~40℃。绝缘电阻随温度升高而降低。
绝缘电阻测量结果的判断
1、绝缘电阻的测量是最基本的项目,可初步估计设备绝缘状况;
2、对规定了绝缘电阻最低值的设备(低压设备),应符合规定值要求(见有关规定)﹔
3、高压设备的绝缘电阻要参考历次试验纪录,与出厂、交接、历年、大修前后、耐压前后,或同一设备相间,及同类设备相互比较,不应有明显的变化;
4、对电容量较大的设备,如电缆、发电机、变压器等的绝缘状况,要以吸收比(极化指数)的大小为判断依据。