四个脚的固态继电器很好理解:两个引脚是线圈,另两个是开关,本文就不说了,主要说一下6脚和8脚的固态继电器。
6脚固态继电器有两个脚是线圈脚,也就是与单片机上输出端连接(或者是接电源的正负极)。如何辨别线圈脚呢?你用万用表测一下,有电阻的两个脚就是线圈脚。另外四个脚是两个公共点(即这两个脚其实是连在一起的),还有两个一个常开,一个常闭。
经常见的6脚继电器如下所示:

6脚继电器内部结构图:

继电器线圈未通电时处于断开状态的静触点,称为"常开触点";处于接通状态的静触点称为"常闭触点"。
在单片机系统中继电器的控制一般通过一个三极管来驱动,典型的驱动电路如图所示:

继电器电路中一般都要在继电器的线圈两头加一个二极管以吸收继电器线圈断电时产生的反电势,防止干扰。上图中AB为常开触点,AC为常闭触点。图(a)中当控制信号为高电平时,继电器常开触点吸合(AB导通),当控制信号为低电平时,继电器常开触点断开常闭触点吸合(AC导通)。
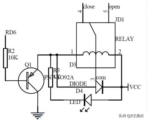
单片机控制继电器也可如下图所示

那么8脚继电器跟6脚继电器有什么不同呢?
8脚继电器:

其实8脚继电器的引脚上都有数字标好的,从1到8。2和7接电源;1和4常闭、1和3常开;8和5常闭、8和6常开。这是有两个独立的常开常闭继电器。仔细观察8脚继电器的背面,你会发现8脚继电器背面画的有图形提示,也会清楚地表明断开闭合状态。
通过本篇文章,你学会使用继电器了吗?