上月中旬,网上传出NVIDIA RTX30显卡将使用12PIN辅助供电的消息。昨天电源制造商海韵带头晒出了双8Pin转12Pin的模组线,基本坐实了这一传言。

虽然海韵拒绝透露这根线缆会以何种形式提供(电源附送/单独购买),但照片中的NVIDIA 12P寓意明显,应该是RTX30显卡的必备用品了。标签上的信息还建议搭配850瓦以上功率的电源使用。

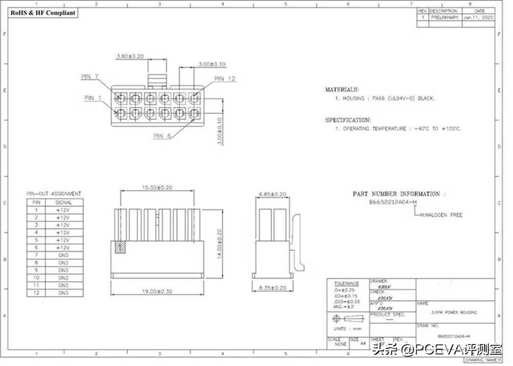
12针接口的尺寸为19x14x8.35 mm,和两个并在一起的6PIN接口相当,能提供4路+12V供电。由于针脚定义不同,不能简单用两个6Pin接口直接连接。

从海韵的照片上可以看到线径信息为18AWG,线材的最大载流量为18A。

除了线材之外,由于大电流传输会令热量转移到邻近的街头,电源接口也会对电流有一定限制。mini-Fit 5556标准版本在端子数量为12PIN时,每PIN电流限制为6安培。这样算来,NVIDIA的这个12PIN接口理论上可以提供不超过432瓦的供电能力。

另外,12PIN接口有可能仅限于Founders Edition使用。下图是一份遮掩重重的RTX30非公版显卡谍照,可以看到它使用了3个8PIN辅助供电接口。由此可见,计划入手RTX 30系列显卡的朋友可以稍安勿躁,不用着急预备12PIN转接线。
