前言:随着智能家居的不断发展,人们越来越追求家居生活的品质。不少热衷于音响的朋友越来越喜欢在家里安装吸顶音响,不仅美观而且相较于传统的吸顶音响,如今市面上出现了音质越来越高的好产品,如BALEY八雷j6,在音质上已经做到了“发烧”级别。对于很多想买吸顶音响,却不太懂的小伙伴给出以下一些参考。
一、定压与定阻
1. 输出形式:简单来说,定压是以电压来推动扬声器,要求负载的额定电压一定;定阻是以电流来推动扬声器,要求输出负载电阻一定。
2. 场景使用:定压主要用于 公共广播 ,定阻主要用于 家庭背景音乐 、 家庭影院 、 KTV 、 舞台 。
3. 音质区别:定压用在要求音质不是很高的大空间,所以相较来说音质较差。定阻相对来说适用于小空间,在音质上的效果表现更好。
二、音箱尺寸与音效:
尺寸大的音箱,低频响应会比较好,人耳所感受的的声音会比较好听些。当然还要同功放、功率等等方面都做到相匹配。
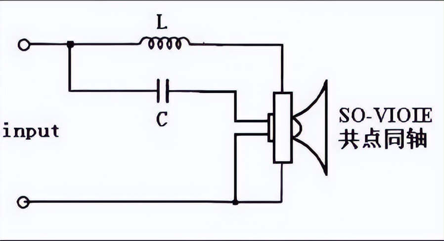
三、同轴与分轴音箱:
同轴是指高、中、低音在同一个点发声,发声更集中;而分轴则是在不同的地方,常见的有2分频和3分频。

同轴发声
四、无源与无源音响
1、使用范围
有源音响多用于电脑多媒体领域,无源音箱一般都是用于家庭影院,卡拉OK等场合。
2、音效效果
有源音箱产品无法达到HiFi级别的音质,而无源音响带有分频网络和阻抗补偿电路,可以达到HiFi级别的音质。
3、推荐人群
有源音响非常适合想音响系统简单一点的朋友和新手小白。有源音响最大的优点是无需另外组装其他东西,直接输入音频就可以播歌。
无源音响则推荐HIFI发烧们购买,无源音响拥有极高的灵活性和多种多样的玩法。而且无源音响并不一定需要线材来连接放大器,只需要以信号连接放大器即可。
五、品牌参考
1、吸顶音响品牌之JBL:JBL是全球较大的专业扬声器生产商,JBL音响的服务范围广泛,在专业领域上包含了电影院、大型音响工程、大型流动演出、录音室监听、乐队用的音响 ,民用方面包含迪士科、歌舞厅、卡拉OK、酒吧等,从较高级的发烧音响,以至如今流行的家庭影院组合到处都能够看到JBL的身影。
2、吸顶音响品牌之漫步者Edifier:EDIFIER漫步者企业1996年创办于北京,专注于音频技术的研究开发和产品应用,目前已发展成业界的高新技术企业与行业领导品牌。
3.吸顶音响品牌之八雷BALEY:八雷BALEY主营中高端吸顶音响,致力于把吸顶音响做到极致,拥有超高的性价比优势。如果装修想入高音质吸顶音响的小伙伴,推荐八雷j6,这款产品6.5寸桶身,采用碳钢烤漆工艺,全密封式设计,共振好不扰民。同轴发声,定阻音箱,一个音箱在4m高度左右的范围内声音的覆盖面积是20平方米,适用于家庭背景音乐、家庭影院,满足日常高音质听歌观影需求,提高家居生活体验感。

八雷j6产品参数
4、吸顶音响品牌之山水SANSUI:1944年成立于日本,全球著名的扬声器品牌,国内音响具影响力品牌之一。目前由山水电子(中国)有限公司所生产,在全国范围里的山水音响专卖店均实行统一形象、统一零售价、统一服务标准。
综上所诉,有想要入手还不知道怎么选吸顶音箱的小伙伴们可以参考一下。另外,吸顶音箱在装修前需要提前布线和设计,所以打算入手的小伙伴可以提前和师傅沟通好布线,为后期的安装做铺垫。如果已经装修好的伙伴想要明装也可以,正在装修的朋友,喜欢极简风和爱听音乐的千万不要错过,吸顶音箱是嵌入式安装,不占空间美观度还高,最后希望大家可以选到一款自己喜欢的吸顶音响~