

在接口防护方面,可能各位看官都接触了非常多的,那种直接丢一列的产品册,看着也是头皮发麻。为解决各位客官的问题,小编呕心沥血整理出了相关设计选型,接下来陆续上菜:
一、VGA接口

ESD器件选型:TEVB0R5V05B1X, 封装为SOD-923
VGA接口参考设计

二、DC12V接口

DC12V主电源电路不变,建议增加小功率TVS(0.4KP15CA)防止过压。 三、HDMI接口

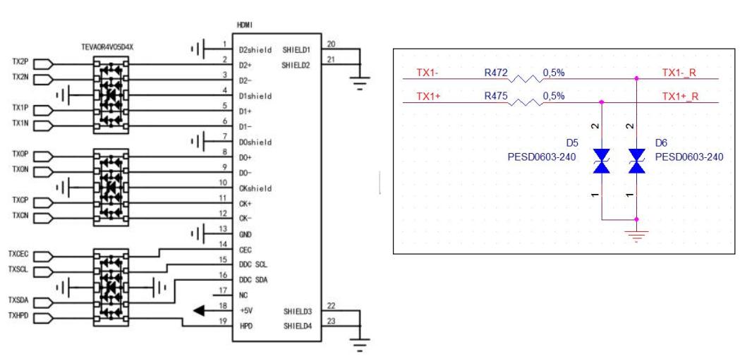
HDMI端口:
1. 使用3个TEVA0R4V05D4X , 结电容为0.4PF, 封装为DFN2510。
四、DVI接口

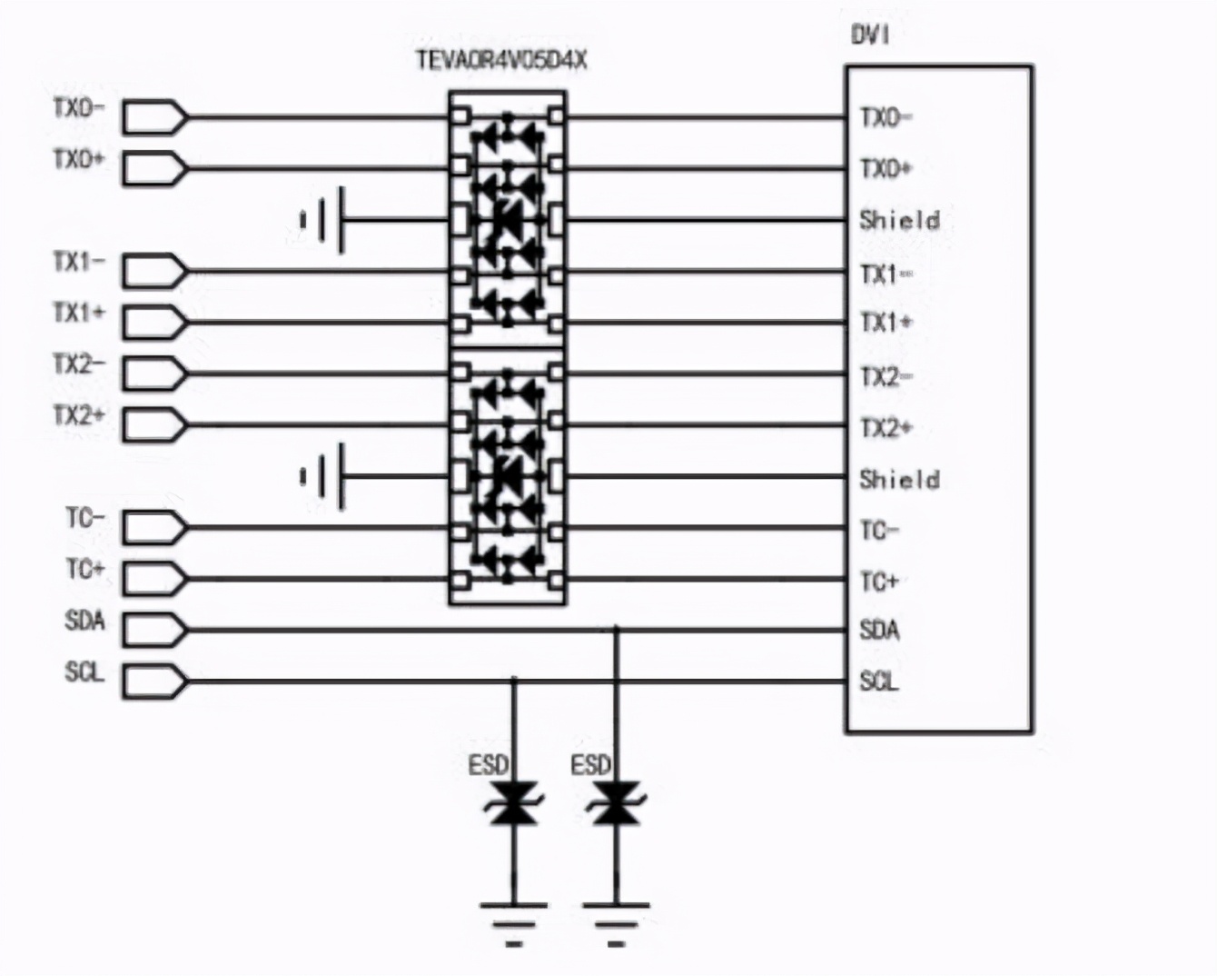
DVI端口
1.TVS管:TEVA0R4V05D4X , 结电容为0.4PF,封装为DFN2510。
2.TVS管:TEVB0R5V05B1X
五、USB2.0接口

USB端口:
鉴于USB接口多, 建议用TEVA0R4V05D4X, 0.4PF、 4线, 和原始设计封装一样。
六、USB3.0接口

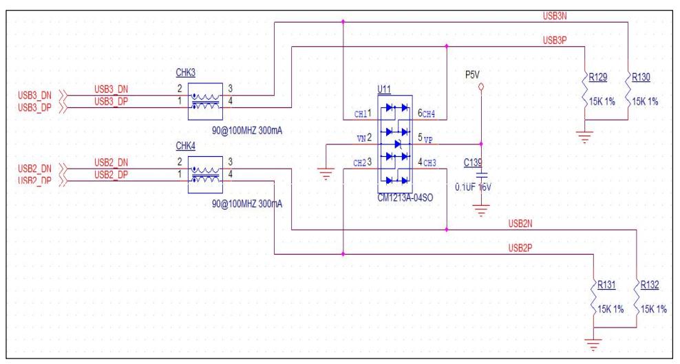
USB3.0端口:
TEVB0R3V05B1X , 结电容为0.3PF, 封装为DFN1006-2L
七、LVDS接口

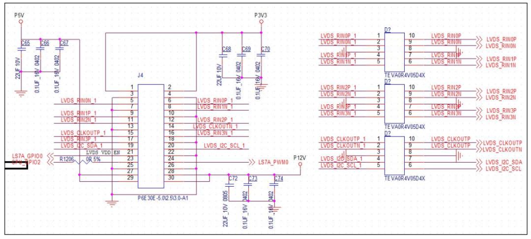
选用的型号:
1.TVS管:TEVA0R4V05D4X , 结电容为0.4PF, 封装为DFN2510。
八、AUDIO接口

ESD器件选型为:TEVB0R5V05B1X , 同时A-LINE-SENSE也增加TVS
九、SATA接口

5V供电
ESD器件选型为:TEVB0R5V05B1X 。
十、TF接口

3.3V供电
ESD器件选型为:TEVB0R5V05B1X, 结电容为0.5PF, 封装为SOD-923。
十一、CAN 接口

ESD器件选型为:TEVG15R0V24B2X,结电容为15PF,封装为SOT-23。
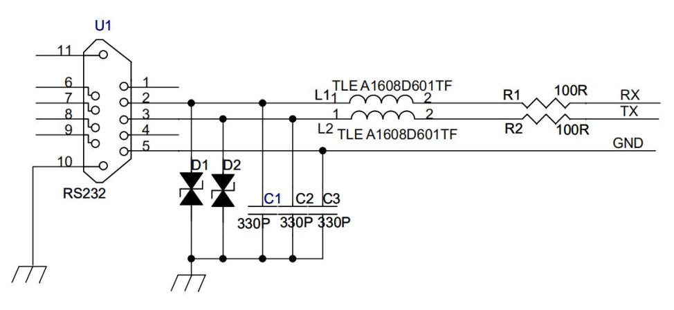
十二、RS232接口

1.ESD器件选型为:
(1) TVS管:TEVD22R0V15B1X。
2.端口滤波器:
(2) 磁珠可根据需要看是否预留, 磁珠建议预留。
十三、RS485接口

ESD器件选型为:
1.TVS:TEVB20R0V12B1X ;
2.上图的设计主要是针对防雷设计, 不做防雷不用考虑R和3个功率TVS 。
十四、DP接口

ESD器件选型为:
1.TVS管:TEVB0R5V05B1X, 封装为:DFN1006-2L(0402) 。
十五、PS2接口

5V供电
ESD器件选型为:
1.TVS管:TEVB0R5V05B1X, 封装为:DFN1006-2L(0402) 。
十六、ETH接口

ESD器件选型为:
1.TVS管:TEVD0R6V3B1X , 3.3V 0.6PF, 封装为0805。
2.TSS管:TSMC006B1X, 主要做防雷设计, 如果防雷等级要求不高可以不加。
3.R:0Ω【0-2.7Ω】 。
4.TSS并联的BOB-Smith电路, 保留你原来参数设置, 75R电阻, 1000PF/2KV高压电容就行了。
注意事项

1、接口处既有滤波又有防护电路,应该遵从先防护后滤波的原则。
防护电路用来进行外来过压和过流抑制,如果将防护电路放置在滤波电路之后,滤波电路会被过压和过流损坏。
2、滤波电路应靠近接口放置。避免已经经过了滤波的线路被再次耦合。
要做好静电的防护,还需要跟产品结构、走线等等的配合,并不是直接加静电管就可以一劳永逸,需要找出问题的根源,对症下药。在设计阶段就做好防护的相关的预留设计,后期处理起来会比较方便,具体的问题需要在实践中验证。
———— / END / ————
温馨提示
如果你喜欢本文,请转发、点赞、收藏哦,想要获得更多信息,请关注我。