收到客户发来的一台小米9,是咸鱼淘来的机器,前置摄像头不能用,退也退不了,送去售后说主板被拆的一片狼藉,发来让我们来维修测试一下。

故障现象
维修过程:
打开前置的时候,提示“无法连接相机,请重新启动相机”。


拆机,取出主板观察。主板上的几乎所有屏蔽罩全部被拆了个遍,而且拆屏蔽罩导致板层严重拉扯。

由于板子是这种情况,所以我们也不用去排除外配了,直接判定为主板问题。

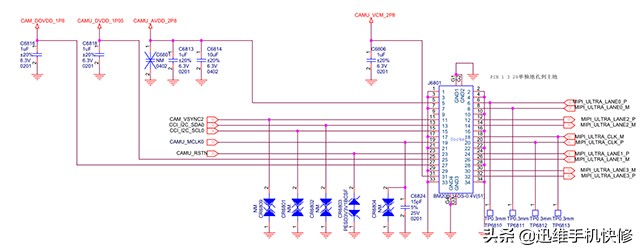
打开鑫智造查询图纸,找到前置座子。

前置座子电路图
按着图纸,先把整个座子阻值打一遍,并未发现任何异常,所以,默认通断是无问题的。接下来问题肯定出现在供电,这里一共有三个供电,CAM_DOVDD_1P8、CAMF_DVDD_1P05、CAMF_AVDD_2P8。查看图纸,发现CAM_DOVDD_1P8,发现摄像头1.8V是前后置公用,所以我们直接排除1.8V的问题。

测量CAMF_DVDD_1P05前置的1.05V,测不到这个供电。在显微镜下观察到通路的CAMF_DVDD_1P05的降压管也是动过的。

于是,直接在后置摄像头的供电里面借一个供电过来给前置就可以了。


飞线后,绿油固化,处理好后,直接装机测试,前置摄像功能恢复正常,其他功能一切正常,维修到此结束。

本案例由迅维快修赖工原创提供,未经允许不得转载!