恒压供水系统是采用压力传感器和变频器作为中心控制装置确保城市供水水压持续恒定的供水系统。相对于传统供水系统,恒压供水系统有技术先进、水压恒定、操作方便、运行可靠、节约电能、自动化程度高等优势。以下用安邦信AM300变频器讲解:
安邦信AM300变频器供水参数表
功能代码 参数表 参数说明
F0.04 1 端子COM与X1短接启动变频器
F0.02 30S 加速时间(如启动过程中出现过流报警现象请加大此值)
F0.03 30S 减速时间
F0.05 5 PID控制设定(闭环控制)
F0.07 50HZ 上限频率
F0.08 30HZ 下限频率
F3.05 1 停机方式选择(自由停车)
F4.00 1 P型机
F9.01 键盘预置PID给定,压力设定(100%对应压力表满量程),1Mpa(10公斤)压力设定值40,则设定压力为4公斤
F0.12 1 恢复出厂设置
压力表判断方法:
用万用表欧姆档分别量压力表两端的阻值,其中阻值最大的一次万用表两表笔分别接的高端和低端,另一端为中端,与中端阻值大的一端为高端,另一端为低端。

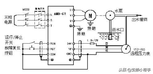
安邦信AM300变频器接线图:

安邦信AM300变频器性能参数:
控制方式 开环矢量控制(SVC)、V/F控制、闭环矢量(VC)、开闭环转矩控制、位置环控制
启动转矩 0.5Hz/150%(SVC)、0HZ/180%(VC)
调速范围 1:100 (SVC)、1:1000(VC)
稳速精度 ±0.5%(SVC)
软硬件抑制强干扰和误报故障,确保无跳闸运行
矢量化VF控制:自动转矩提升;手动转矩提升0.1% ~ 30.0%,可自定义VF曲线
自动限流:对运行期间电流自动限制,防止频繁过流故障跳闸,实现无跳闸运行
矢量控制下低频大转矩稳定运行,无速度传感器矢量控制下优异的控制性能
l可选择LED、LCD键盘,支持双键盘同时操作
双继电器输出、两路0(4)~ 20 mA ,0(2) ~ 10V模拟量可选输出
可靠的转速追踪功能,可自动识别旋转电机速度和方向,用于旋转风机直接启动
今天先给大家分享到这里,感谢大家的关注!
【如果觉得还不错,请帮忙转发一下,让更多小伙伴们看到!学会分享!
想获得更多视频资料请关注:变频小帮手:13928461290(微信电话同号)】