针对现有远距离带式输送机速度监测系统因供电线路过长导致成本过大的问题,沈阳工业大学电气工程学院的研究人员隋淼、宗鸣,在2021年第8期《电气技术》上撰文,设计一种自供电的带式输送机速度监测系统,利用输送机的托辊带动发电机发电,发电机为监测系统供电的同时,单片机测量发电机输出电的频率。通过发电机频率和转速的关系,计算出托辊及输送带的线速度。

带式输送机作为现代工业的运输工具,被广泛应用于炼金、矿业、石化、港口运输、建筑等领域。但带式输送机运输系统也存在着很大的隐患,一旦发生打滑、断带、卡死等问题会导致严重的经济损失。输送带实时的运行速度能够很好地反映输送机的运行情况,因此,为确保带式输送机稳定运行,常对带式输送机的速度参数进行实时监测。长距离输送带中各种保护和监测系统的供电需要长距离的输电线路,导致输电成本巨大。
对于此问题,现有的输送机监测技术采用无线传感器和无线供电两种办法。无线传感器皆由电池供电,供电能力有限,需经常更换,会耗费较大的人力并造成环保问题;无线供电技术过于复杂,且成本巨大,应用的性价比极低。
本文通过一台测速发电机对输送机的速度进行监测,并通过此发电机为监测系统供电,实现了自供电的输送机速度监测。
1 输送机皮带速度的检测方法
带式输送机的线速度难以直接测量,而输送带的托辊线速度与输送带线速度是相同的,故可通过测量托辊线速度间接测量输送带线速度。托辊的转速可以通过检测托辊所带动的发电机转速得到。

本文利用单片机检测发电机输出的交流电频率。将发电机输出的交流信号经过处理变为单片机可以识别的方波信号,然后定时器定时,同时计数器对高低电平变化次数进行计数,单位时间的计数值即为交流信号的频率。
综上,通过检测发电机的频率可以计算得出输送机皮带的线速度。
2 基于单片机的速度监测系统设计
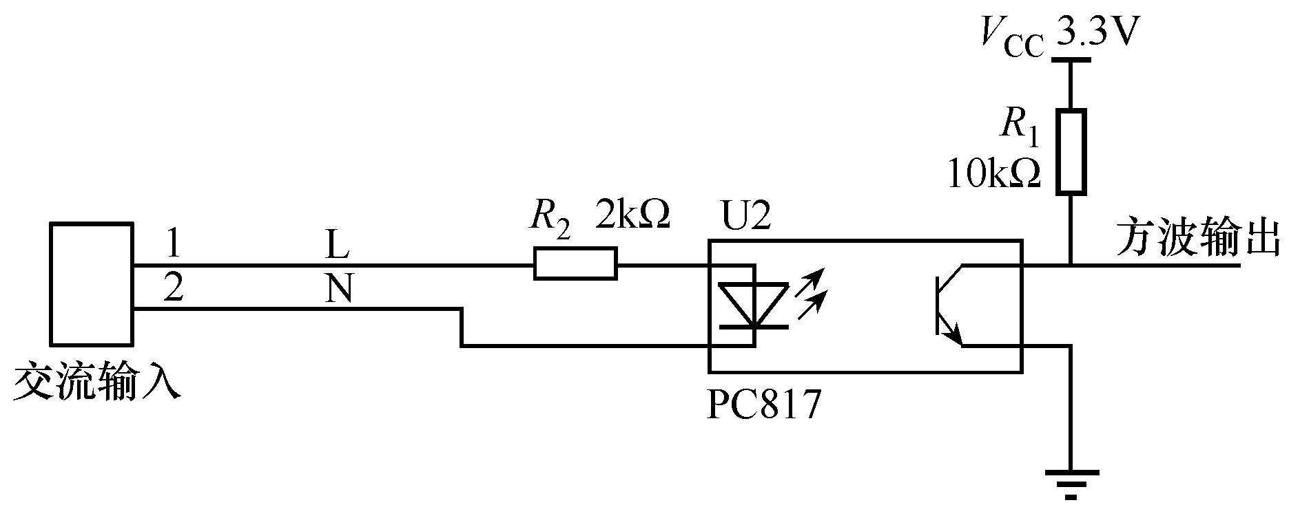
输送机速度监测系统工作流程如图1所示。本文利用光耦合器和上拉电阻将交流信号整形为方波信号,供单片机检测。交流信号整形为方波信号电路如图2所示。
发电机一相的交流电经过电阻R2降压后输入发光二极管,当交流电正半周输入时,发光二极管导通并发光,光敏晶体管受光照导通,VCC经过R1分压,输出高电平;当交流电负半周输入时,发光二极管关断,光敏晶体管同时开断,输出低电平,如此便将交流信号整形为方波信号输出。

图1 输送机速度监测系统工作流程

图2 交流信号整形为方波信号电路
本文使用STM32单片机对方波信号进行检测。方波信号输入单片机I/O口,内部定时器定时,计数器记录高低电平变化次数,计算频率,然后根据式(3)计算得到传送带线速度并在LCD1602液晶屏上实时显示,计算结果精确到小数点后三位。
3 发电机设计
本文用Ansys Maxwell软件搭建的外转子永磁同步发电机模型如图3所示。考虑到外转子永磁同步发电机定子轭部磁通密度不高,槽形选择平行齿梯形槽,减小了定子轭部的厚度,相对于平行齿梨形槽增加了槽面积。绕组采用分数槽集中绕组。发电机铁心采用DW315—50冷轧硅钢片,其饱和磁通密度在2T左右。发电机采用NdFe35型号钕铁硼永磁材料励磁,其剩磁达到1.1T,矫顽力890kA/m。发电机主要参数见表1。

图3 外转子永磁同步发电机模型

表1 发电机的主要参数
对发电机的空载状态进行仿真,将零电流激励作为激励源,仿真得到电机空载磁通密度分布云图如图4所示,电机空载时三相感应电动势波形如图5所示。

图4 电机空载磁通密度分布云图
空载时发电机的三相感应电动势波形呈良好的正弦性,峰值为9.3V左右,有效值达到6.8 V。空载时发电机的磁通密度分布合理,基本磁路无饱和,齿部磁通密度最高,其峰值达到1.98T。图4表明DW315—50硅钢片可达到较优的使用性能。

图5 电机空载时三相感应电动势波形
4 供电模块设计
速度监测系统的供电模块电路如图6所示。三相整流部分采用三相桥式整流电路。因STM32芯片和1602液晶电路电压需求为3.3V,故采用LM1086—3.3V稳压模块使整流后的电压稳定为3.3V,并在LM1086稳压模块前后分别用两对电容滤波。图中VD7作为稳压模块的续流保护。

图6 速度监测系统的供电模块电路
5 速度监测系统的仿真验证
因现有的仿真软件无法对发电机与单片机进行联合仿真,故本文用两款软件进行仿真,将得到的结果进行连接。
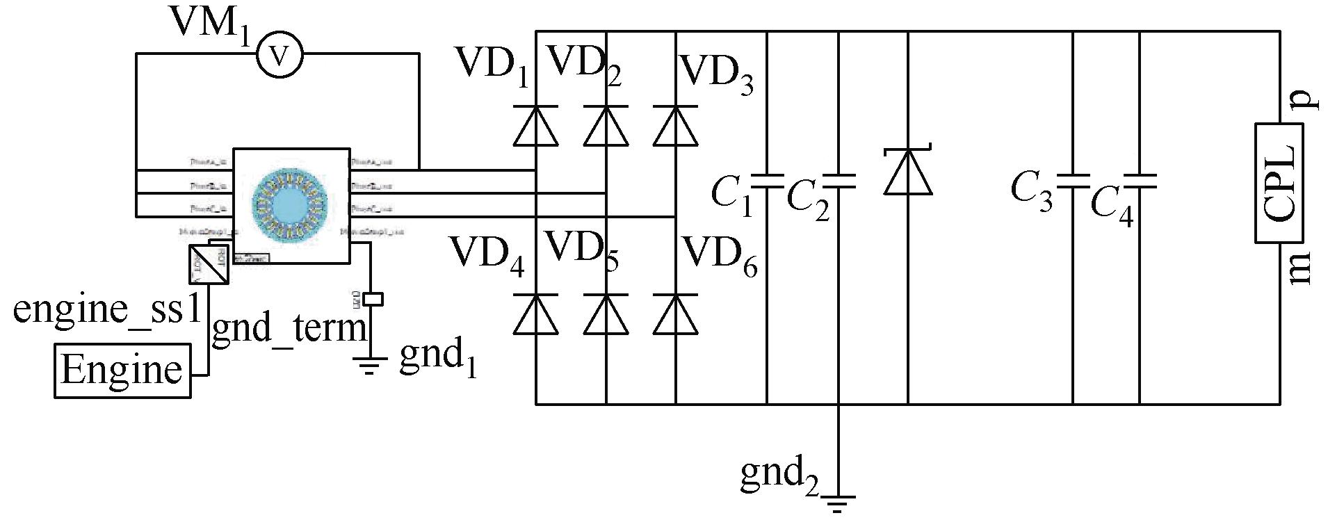
首先用Ansys Simplorer软件(电机联合仿真软件)将发电机模型和外电路进行联合仿真,得到发电机负载时的输出电压波形,并将波形图以Excel形式输出并保存。然后在Proteus软件(单片机仿真软件)的激励源选项中,选择自定义激励源,将上述的Excel数据通过软件自带的转换功能转化为自定义激励源。最后用此激励源作为输入对速度监测部分进行仿真,实现了两款软件仿真数据的连接。
取发电机转速450r/min为仿真值,根据式(2)计算液晶屏应输出线速度为0.895m/s,现对系统进行仿真,验证仿真结果与理论计算结果的一致性。
5.1 电机与外电路联合仿真
因为Ansys Simplorer软件不能仿真单片机,而且缺少稳压集成模块,本文将单片机模块用一个恒功率负载CPL来代替,LM1086稳压模块用3.3V的稳压管代替。发电机与外电路联合仿真电路如图7所示。

图7 发电机与外电路联合仿真电路
因图7中三相负载对称,发电机三相的输出电压波形只存在相位差,其他都相同,所以只需设置一块电压表VM1。仿真得出发电机负载时一相的输出电压波形如图8所示。

图8 发电机负载时一相输出电压波形
发电机负载输出电压波形满足整形为方波信号的要求,峰值约8.8V,有效值6V,满足供电需求。
5.2 基于Proteus的电路仿真
在Proteus软件中,因为软件默认单片机已供电,故对供电模块和单片机速度监测部分分别进行仿真。将图8得到的发电机负载时输出电压波形分别输入供电模块和单片机模块进行仿真。供电模块仿真电路如图9所示。
图9中,在稳压模块前后各安放了一个电压表,表VM1示数在7.5V左右波动,波动值为±0.5V,通过稳压模块及再次滤波后,表VM2示数在3.3V左右波动,波动值为±0.1V,两次滤波的效果明显,信号波动越来越小。表VM2的示数表明供电模块可以给单片机供电。
对于速度监测模块的仿真,因发电机输出的三相频率是相同的,只取单相输入即可测得频率。速度监测模块整体仿真如图10所示。图11为仿真得到的示波器波形图,即整形得到的方波信号。

图9 供电模块仿真电路

图10 速度监测模块整体仿真

图11 方波信号波形
从图11可以看出,整形后方波波形良好,没有畸变,可以输入单片机I/O口。对于速度监测部分的仿真,图10中LM1602液晶屏显示的速度为0.895m/s,基本无波动,偶尔波动幅度为±0.01m/s。原因为发电机输出的电压信号不呈绝对的正弦性,导致交流整形后出现误差,但误差在可接受范围内。
综上可知,带式输送机速度监测系统的仿真结果与理论计算值基本一致。
6 结论
针对远距离运输的带式输送机速度监测及其供电问题,本文设计了一台小型外转子永磁同步发电机为基于STM32单片机的速度监测系统供电,并通过检测发电机输出的交流信号频率,计算出输送带传输速度。本文选取发电机额定转速为仿真值,对系统进行仿真,仿真得出的值与理论计算值基本一致,证明了本文设计的速度监测系统的可行性。
本文利用一台测速发电机和配套系统既实现了对输送机速度的监测,又解决了现有监测技术所存在的供电问题。同时,本文提出的自供电监测方式可为其他远距离带式输送机运行状态的监测、保护和其他配套系统的供电方式提供参考。
本文编自2021年第8期《电气技术》,论文标题为“自供电的带式输送机速度监测系统研究”,作者为隋淼、宗鸣。