为什么要说纯国产?没办法啊,有人喜欢较真。一提到国产,最受不了的就是2种言论,一个就不提了,避免被那个。另外一个就是阴阳怪气的贬低。就以SSD硬盘来说,好不容易国内厂商从代工制造到有了自己的芯片,自己的颗粒,然后到全国产、纯国产的产品,明明都已经是标准的原厂颗粒了,还有人在那里喊黑片。明明有的旗舰产品已经同国外的旗舰不相上下了,或者有的一拼了,却还有人一脸不屑,实在不明白他们的动机是什么。
当然,绝大部分消费者,还是希望国产壮大的,有的愿意买,有的愿意国产能低价来压低国外产品的价格,然后买国外的。不论是哪种选择,个人都认为是正常的、合理的,不是不买国外产品就不爱国了。国家也讲了,要继续开放,营造良好竞争的环境。

前些日子评测了几款国产的顶尖产品,有的人说哎呀,性能的确很强,但价格贵了些,有没有低端价格、中端性能的SSD产品呢?这个当然有了,今天就来测试一款低端价格、中端性能的NVMe SSD硬盘,就是光威的VAL M.2 SSD硬盘。

白色的外壳,表面有产品图案,而最为引人注目的,则是下面这个贴纸,随着光线的变化有五彩的变幻,上面有Xtacking YMTC 3D NAND的字样。
YMTC是长江存储的简称, 2016年7月在中国武汉成立,是一家专注于3D NAND闪存芯片设计、生产和销售的IDM存储器公司。 Xtacking 3D NAND,是长江存储闪存芯片设计上的一个独有技术。这意味着,国产公司已经在技术上实现了飞跃了,可以同国外厂商一争高下。

打开盒子,里面有附送的小螺丝刀和固定螺 丝,一本说明书上面有GLOWY光威的英文字。这款产品由嘉合劲威生产制造,嘉合劲威是国产内存最大的民营电脑存储厂家,具有自己的生产线。

取出这块NVMe SSD,金属散热片,石墨烯散热工艺,比普通的硅脂散热散热效果要好。

看看背面,只有一张贴纸,并没有元器件在上面。

回到正面,咬牙将金属散热片取走,可以看见下面的主控芯片和颗粒了。主控采用了联芸的MAP1002,联芸科技也是家国产的科技厂商,MAP1002是其推出的面向NVMe SSD的主控方案。

闪存部分采用了2颗长江存储颗粒,原厂颗粒哦,这块NVMe SSD是256GB容量的。

毫无疑问,这是款纯国产的NVMe SSD,价格低廉,那么性能如何呢?直接装上去测试就是了。

简单介绍下系统配置,i5 9699KF CPU,光威血影高频内存灯条,九州风神360水冷,安钛克DP502 FLUX机箱,电源是九州风神的DQ650,主板是华硕ROG STRIX GAMING。

现在又有些流行白色的机箱了,其实白色黑色都各有风采,风道良好是主要的,同时,RGB还是我喜欢的。

首先CDI里看了下系统信息,GLOWAY VAL240NVMe M.2 SSD,容量240GB,接口是NVM Experss,传输模式PCIe 3.0x4,标准是NVM Express 1.3。

首先就是AS SSD跑分测试,顺序读取将近2000MB/s,而顺序写入也达到了1100MB/s,总的得分2170,达到了中端的水平。

CMD的跑分,顺序读取2380MB/s,顺序写入1210MB/s,表现同刚才类似。

TxBENCH的跑分,同样的结果类似,同时4K读写的表现也不错。

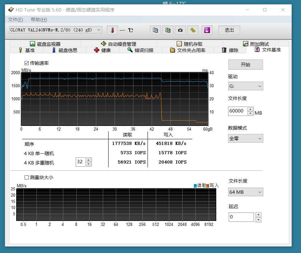
HD Tune 测试一下,可以看到SLC cache在45GB左右,缓外写入速度在200MB/s左右,表现也是算不错的了,毕竟没有缓存。
光威的这款VAL NVMe SSD硬盘,价格低廉,性能做到了中等。国产主控、国产长江存储原厂颗粒,Xtacking 3D NAND 技术,嘉合劲威制造生产,5年保固,这样一款纯国产的NVMe SSD硬盘,喜欢物美价廉的网友可以考虑下,毕竟比一些不靠谱的要好很多了,您说是不是。