简单了解红外遥控器工作原理
红外遥控是生活中除无线电波遥控以外最常用的一种无线控制方式。红外遥控具有体积小、功耗低、成本低等特点,在常见的家用电器中,如电视机、空调、机顶盒、音响、儿童玩具等都被广泛应用。
红外遥控器采用的是载波通信方式,它将经过编码的数据与固定频率的相叠加,通过这种方式进行通信可以有效地提高发射效率,同时会降低功耗。
红外遥控常用的载波频率为38kHz,所以在红外遥控器中会见到频率为455kHz的晶振,晶振通过分频器进行12分频后得到约为38kHz的频率。

红外遥控器中常见的455kHz陶瓷晶振
经过编码和调制之后的信号会经过放大电路放大,之后通过红外发光二极管发射出去。接收电路接收到红外信号之后,对信号进行放大和滤波等处理之后,送至后级解码电路,就可以还原出遥控器所发出的按键功能。
一体红外线接收头工作原理
由于环境光线中的可见光以及其他频率的红外线都会被红外接收部分接收,为了防止这些光线对信号造成干扰,就需要通过滤光、滤波电路等对接收到的信号进行“筛选”。普通的红外线二极管外壳会做成红褐色,从而对部分可见光进行滤除,但是无法滤除其他频率的红外光。

常见红外线接收二极管
一体红外线接收头除对部分可见光进行滤除外,其内部滤波电路会对某个特定频率范围之内的红外线进行“筛选”,由于大部分的红外遥控器为38kHz的载波频率,所以常用的一体红外接收头的中心频率为38kHz,并且内部集成了放大电路,其输出的信号可直接进入解码电路使用,无需增加额外的电路。

一体红外线接收头
一体红外线接收头内部结构
一体红外线接收头内部包含红外接收电路、滤波电路、限幅电路、放大电路、积分电路等几部分。接收到的光信号通过外壳的滤光之后进入内部红外接收二极管,接收二极管输出的信号经过初级放大和限幅电路后,将信号幅度限定在一定范围内,这样不会因为遥控器的距离远近而造成信号的过大浮动。
经过初步放大的信号会进入滤波和积分电路,最终的会通过比较器或触发器等电路,将输入的信号还原成方波信号输出。

一体红外线接收头内部结构框图
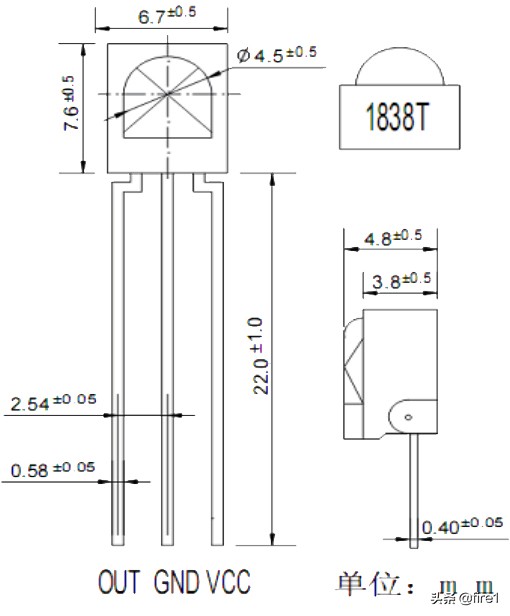
一体红外线接收头尺寸封装
一体红外线接收头有多种规格的外形尺寸和封装,使用时可根据不同的环境和实际情况进行选用。不同尺寸封装的接收头其引脚排序会有有所不同,在代换使用时应注意这一点。

两种常见红外接收头封装及引脚排序
一体红外线接收头规格参数
常见的38kHz一体红外线接收头有VS1838、VS838、HS0038等多种型号,下面举例说明其中一种型号的规格参数。

一体红外线接收头外形尺寸

一体红外线接收头电参数
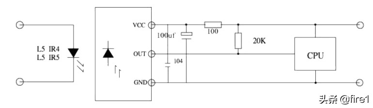
一体红外线接收头基本应用电路

一体红外线接收头基本应用电路