


我对美国制造的AN / CRT-3型紧急发射器的特殊形状着了迷,这台发射器被亲切地命名为“Gibson Girl 吉布森女孩”。后来才知道它的主要设计来自战时德国。 紧急发射器使得被抛弃的空中机组能够以500 kHz的频率(在某些型号中还通过短波)发送紧急呼叫,由国际无线电报警信号使用。 通过使用测向设备,救援队可以通过救援飞机无线电指南针确定遇险信号的位置。必须指出的是,现在已经不再用500 kHz的紧急频率,其功能由卫星系统接管。
空海救援
在长途和海外飞行的早期,有时会提供原始形式的应急无线电。 这种飞机携带由长电波或短波(取决于飞行目的地)操作的应急发射器,这些发射器由干电池供电。 直到1941年,德国空军才推出了由德国公司Fieseke&Höpfner设计的巧妙应急发射机。 它完全独立,浮力大,几乎防水,体积小,由内部手动发电机驱动。
Notsender NS2

完整的设备,称为NSG2,用于NotSendeGerät2,(紧急发射器设备,类型2)由两部分组成:NS2发射器容器和附件容器,通常存放在飞机中并附着在橡胶上。两个容器均由轻合金制成。配件容器装有风筝,两个带充气管的气球,两个氢气发生器和一本说明手册,总重29磅。

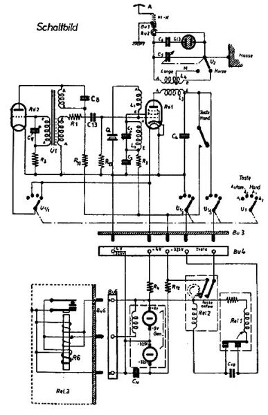
电路图
海上航程约为200英里。动力来自手动发电机,手柄安装在发射器外壳的顶部。NS2具有非常独特的人体工程学形状。使用时,它被固定在操作员的腿之间,给人以老式手磨机磨咖啡的印象。由于不需要电池,因此设备可以长时间保存在没有服务或关注的情况下,并且在需要时可以立即服务。
自动SOS代码

当转动手动发电机的手柄(大约每秒2转)时,发送SOS的自动键控和MCW或CW上的长短划线。安装在凸轮轴上的模制凸轮承载一系列凹陷,操作键接触点。此外,手动电键可用于向飞越的飞机发送其他消息,例如指令。操作的简单性和自动变速器允许该组由任何机组成员操作。
NS2A Notsender 2a(紧急发射器,2a型)由飞利浦制造,具有与NS2类似的性能,但机械简化。它没有其前身的符合人体工程学的外形,尽管有可能在外壳的两侧安装了垫(类似于英国T-1333)。发电机手柄安装在发射器的顶部,图中显示由帽子保护。
NS2和NS2a都在500 kHz(600米)的国际遇险频率下运行。为了获得良好的射程,需要一个合理长度的长线天线。这通常是通过将260英尺长的不锈钢天线连接到箱式风筝上来实现的。它由安装在机组前面板上的单元甩出。
地线由10英尺长的不锈钢丝组成,终止于沉降片,从小艇的侧面下降到大海中。当缺少风(小于13英里/小时)不允许使用风筝时,3英尺的气球用氢气发生器充气,锡罐带有单独的充气管。当打开时,通过化学固体(氢化锂或氢化钙)与水接触产生氢气。充气管上的绝缘把手为手提供了保护,因为在此过程中产生了相当多的热量。
晶体控制
NS2和NS2a发射器采用晶体控制,在极端温度下具有出色的稳定性。RF输出指定为8瓦CW和6瓦MCW。采用两个电子管:AL5N作为振荡器-RF输出电子管,RE134作为音频振荡器 - 调制器。带有氖调谐指示器的航空调谐电路补偿了天线长度和容量的变化。
Notsender NS1

NS2和NS2a并不是第一架德国空军小艇发射器,因为在第二次世界大战之前(并且在战争期间也被记录),已开发出紧急发射机组类型NSG1。这套发射器的一部分,Notsender NS1最初是汉莎航空'Kleinstation'的一部分,它是在20世纪30年代中期开发的一种飞机站,但后来专门用于紧急通信。NSG1实际上是远程飞机的临时解决方案,最终将由NSG2取代。它的工作频率为500 kHz,由干式HT电池和LT蓄电池供电。变速箱(仅CW)是自动SOS,然后是长冲程,由小型电动机操作,或者用手动按键Morse。
NS1发射器安装在一个笨重的防风雨外壳上,漆成亮黄色,重50磅。该天线由五段铝管组成,提供一个17英尺的垂直杆,配有电容式“伞形”顶部。这种笨拙且相当不稳定的结构安装在发射器盒的顶部,并由四个人支撑。另一种天线,165英尺长的不锈钢丝缠绕在发射器的卷轴上,可以放在箱式风筝上。

RettungsBoje(救援队),也被称为“GeneralLuftmeisterBoje”和“Udet Boje”,由德国人停泊在海峡,以协助悬挂的机组人员。这些浮标中的许多都带有紧急发射器,很可能不是NS2,因为该手册表明该装置由蓄电池供电。注意到英国使用类似类型的浮标,也使用了应急发射器。德国'Rettungsboje'。在战争的早期阶段,大约有60名救援人员停泊在海峡。

RAF发射器:型号T1333
1941年,英国人在英吉利海峡捕获了一架NSG2,形成了类似场景的基础。重新设计导致'飞艇发射器型号T1333',在轰炸机和海岸司令部的皇家空军飞机上进行。英国人并没有复制特殊形状的容器,而是使用了垫子,为了这个目的安装在套装的侧面。

T1133型电路图基本上与原德国NS2和NS2a非常相似,500 kHz时采用晶体控制振荡器-RV输出电子管6V6G,第二电子管(6J7G)作为1000 Hz音频振荡器 - 调制器。即使中断器和选择器系统被复制,主要区别在于使用另一种类型的振荡器电路。手动发电机输出6伏LT和350伏HT。在MCW或CW操作中,RF功率被指定为5瓦。提供SOS或手动键控的自动传输。它的重量只有22磅,不包括火箭风筝设备。通过自动传输,SOS遇险信号重复三次,然后是十二次长划线,只要发射机工作,信号发射就会继续。


内部细节视图与发射机部分(左)和空中卷轴隔间(右)。后者与德国NS2的相似之处非常相似。

T1333的天线由一个箱式风筝支撑,该风筝通过用Verey手枪发射的火箭发射到空中。折叠起来并装在箱子里的风筝被火箭拉起来,当它达到由连接线长度(200英尺)决定的高度时,它被剥去了箱子并自动打开。然后火箭和箱子都感觉不到了。在6英里/小时或以上的风中,它仍高空飞行。然后将架空线连接到风筝线上,并通过将带有天线的绞盘手柄放回到208英尺所需的高度来支付。


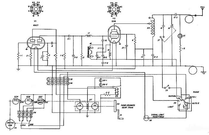
美国SCR-578
在1941年中期,另一个被捕获的NSG2连同研发规范,是在一次访问美国的军事任务中获得的。他们的任务之一是寻找一家北美制造商,因为英国人没有足够的能力生产这样一套产品。 了解到Bendix Aviation Limited这家公司,在美国陆军和海军开始感兴趣之后,有人建议开发一种联合小艇。当美国直接参与战争时,需求加快,11600套的初始订单即将交付“......尽可能快地......”第一套在1942年5月交付,最初由Bendix公司全包,但后来也由其他一些承包商组装。

优越性
被称为BC-778的美国版本的机械结构,不久之后被亲切地称为“吉布森女孩”,优于德国和英国的前辈。它的制造数量远远超过并且仍然在使用,其后期版本AN / CRT-3在第二次世界大战后很长时间内保持生产。

称为BC-778的美国版本与德国NS2的形状类似。 这一特征很快就被人们亲切地称为“吉布森女孩”,这个名字取自1890年代时装艺术家查尔斯吉布森的窄腰女性画。

完整的SCR-578采用软垫袋包装。 折叠的风筝穿过顶盖。
SCR-578由BC-778发射器单元和许多附件(如风筝天线,带氢气发生器的气球)组成,重34磅。涂上通常的亮黄色,完全包装在一个带衬垫的黄色帆布袋中。最初的版本使用了两个袋子,适当的套装和配件袋。当需要使用时,它通常被抛弃的飞机与小艇一起抛入大海。它也可以通过降落伞掉落,降落伞是该组的一部分。
在功能开关的AUTO 1位置,变送器自动在SOS之间交替持续20秒,连续冲刺持续20秒。在功能开关的AUTO 2位置,发射器具有相同的功能,除了代码AA被传输而不是SOS。
80转发电机
BC-778的发射器不是晶体控制的。它由ECO RF振荡器-RF输出阀(12A6型)组成,工作频率为500 kHz,由1000 Hz音调振荡器管(12SC7型)调制。空中微调电容器旋转360度,其中一半开关闭合,增加了一个额外的电容器。RF输出指定为5瓦。SCR-578的范围被引用为飞行距离2000英尺的飞机200英里。

功率来自双电压手动发电机,提供24伏LT和330伏HT。标称转速大约为每分钟80转,远低于德国发电机。除了无线电传输之外,该产品还可以用作手动信号灯,自动键控或连续使用,如果听到飞机,则用于夜间的视觉信号。将M-308信号灯插入提供的插座中,并将带子绑在头顶上,带子在下巴下面。

可折叠的箱式风筝是SCR-578的一部分


在SCR-578手册(上图)上发表的这部漫画并没有真正反映出被抛弃的机组人员所经历的艰辛。

这在NZAF博物馆的立体模型中是相当现实的表达。

战后使用和AN / CRT-3
SCR-578一直使用到20世纪60年代末70年代初,不仅由空军和海军使用,而且还用于民用飞机。该套装的后期版本是AN / CRT-3(1945年发布),在500 kHz和8280 KHz的遇险频率上运行,后来AN / CRT3-A工作在500 kHz和8364 kHz。它几乎没有变化,在发射机振荡器电路和RF输出电路中进行修改。在8280/8364 kHz上的操作是晶体控制和仅CW操作。
在AN-CRT-3中添加备用频率具有多个值。它不仅允许良好的天波传输,从而提供短距离和长距离覆盖,但它确保给定的发射器至少有一半的频率偏离频率。因此,减少了方向发现混乱的可能性。当多个机组人员被迫下降时,这将是有价值的,正如在主要的轰炸行动或台风中所发生的那样。
300英尺天线在500 kHz时长约0.3波长,足以达到合理的效率。在8364 kHz时,它实际上长约5.5波长,足以提供功率增益,但其垂直模式具有强零点。8364 kHz的频率直到最近(可能仍然是)保留用于紧急情况。
美国海岸警卫队实验室提议开发SCR-578(500,4140和8280 kHz)的三频版本。1945年开发的原型机增加了1G4GT电子管。

发射器T-74 / CRT-3是整套救生筏AN / CRT-3的一部分。

带有莫尔斯电码的操作说明板安装在AN / CRT-3(左)的顶部。 发射器部分的内部视图(中心)。 双电压发生器带齿轮和自动发射器触点(右)。
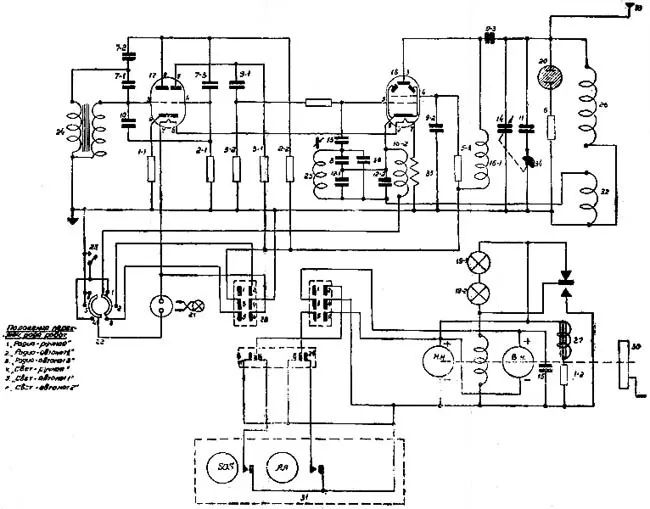
俄罗斯AVRA-45

美国BC-778在俄罗斯的复制仅在细节和当地制造零件的使用方面有所不同。

俄罗斯AVRA-45(西里尔语转录'ABPA-45')代表'AVariyny Radioperedatchik'(紧急发射器),于1945年底开始生产。

照片,电路图和更多信息由莫斯科RKK电台博物馆提供。
AN / CRT-3的测试设备

测试装置TS-522 / CRT-3是性能测试装置


天线A-98(Phantom)是用于测试目的的空中假负载。
电台小叔BG5WKP觉得,电台设备作为应急救援的重要工具,是处在灾难中人们最后的生的希望,纵观早期的长波和短波无线电海上应急救援电台,设计简单,易于操作,尤其在天线的设计上有很多值得学习的地方。