一般情况下,如果不考虑其他因素,往往更高的轮框会具有更加优秀的气动性能。但是封闭轮并不是每一场比赛和每一个人都需要的高度。所以,考虑50mm或者以下高度怎么样?什么?担心会失去优秀的气动性能?

Hunt声称他们制造了“世界上气动性能最好的48mm框高的公路车轮组”。不过貌似每一家生产气动轮组的公司都这么声称过。不过从他们公布的一些技术细节和数据来看,似乎这是有可能的。

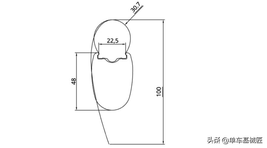
他们的秘诀是让轮框更宽,虽然这已经是目前碳纤维气动轮组的一大设计特征,但是他们的轮组显然更宽。HED和ZIPP是胖圈轮组的先驱者,不过Hunt已经把48mm的U型轮框的宽度推向了一个新的水平,外部宽度达到了惊人的34.3mm,同时还可以保持22.5mm(虽然依然很宽)的内部宽度以便兼容目前主流的公路车轮胎。


但是这会带来一些问题,比如过多的材料必然会带来重量的增加,不过相较于框刹轮组来说,在这一点上,hunt还是有一些优势的,毕竟不用专门针对刹车边做处理,可以综合一些重量。轮圈边缘通过低密度的泡沫进行塑形,以行程完整的U型轮框形状,这让他们的轮组的实际重量达到了1582g。据说每一侧塑形泡沫的重量为50g。

上图显示了轮框的剖面图,灰色部分为碳纤维,黑色部分为低密度泡沫,有点像mavic的气动胶条的感觉,而且功能也有些类似。
之所以这样设计,是因为轮胎的空气动力学性能起着至关重要的作用,而hunt的这款轮组在设计时就优先考虑了25C和28C的轮胎。在他们提供的测试中,他们对市场上的众多品牌轮组进行了测试,每对轮组都分别测试了25C和28C的世文 pro ones以及马牌的gp5000 TL。

Hunt的48mm轮框使用了U型轮廓,这也是目前许多气动轮组设计的特点,具有非常极端的外部宽度。
在测试中,像ENVE的SES 4.5 AR和Zipp NSW 303,虽然和hunt的轮组在数据上非常接近或者更好,但是整体而言,Hunt会领先一些。

越靠近底部越好
虽然目前就气动性能方面的测试还没有行业标准,但是这种求平均数据的方法还是比较普遍的。从数据上来看,所有的车轮都安装在canyon aeroad碟刹公路车上,并在风洞中旋转。在各个偏航角度上,hunt和其他主流5mm的轮组都节省了多达3W的功率。


虽然可以节省3W的功率,而且也获得气动性能最强碟刹轮组的称号,不过显然,当把这对轮组放在真实环境下的时候,这么细微的差别,别说体会到了,连监测都是检测不到的。相较于稳定环境的获得的细微气动性能,在日常比赛的拉扯和战术运用上,轮组的响应以及维持速度的能力可能影响会更大。
基础信息
轮组采用ETRTO的真空轮组标准,就像所有的真空轮框一样,你既可以使用真空胎,也可以使用标准内胎轮胎。


无论你是用何种塔基,花鼓都是没有差别的。使用hunt自己的sprint直拉花鼓,并采用了ceramicspeed轴承,塔基具有48响,反应角度为7.5度。前轮20孔,后轮24孔,采用2X的编制方式。

不过,关于轮组的实际使用情况依然是未知的,毕竟34mm的轮框宽度,不知道安装在车架上,是否会产生兼容性问题,在大的侧风下操控性又是否稳定都还值得继续了解。虽然他们获得最气动轮组的桂冠,但是是否好要,还要等待进一步的测试出来了。

好了,今天的内容就到这里,我们下期再见,单车基械匠,每天给您带来更多新奇,好玩,有趣,实用的单车知识。