按钮开关(英文名称:push-button switch)是指利用按钮推动传动机构,使动触点与静触点按通或断开并实现电路换接的开关。按钮开关是一种结构简单,应用十分广泛的主令电器。在电气自动控制电路中,用于手动发出控制信号以控制接触器、继电器、电磁起动器等。
一、按钮的功能
按钮是一种用人体某一部分(一般为手指或手掌)施加力而操作、并具有弹簧储能复位的控制开关,是一种最常用的主令电器。按钮的触头允许通过的电流较小,一般不超过5A。因此,一般情况下它不直接控制主电路(大电流电路)的通断,而是在控制电路(小电流电路)中发出指令信号,控制接触器、继电器等电器,再由他们去控制主电路的通断、功能转换或电器联锁。

二、按钮的结构原理与符号
按钮一般由按钮帽、复位弹簧、桥式动触头、静触头、支柱连杆及外壳等部分组成。按钮不受外力作用(即静态)时触头的分合状态,分为停止按钮(即动断按钮)、启动按钮(即动合按钮)和复合按钮(即动合、动断触头组合为一体的按钮)。

当按钮受外力作用下,触头的分合状态发生改变

三、按钮颜色的含义

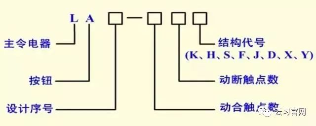
四、按钮的型号及含义

五、按钮结构形式代号
K—开启式,镶嵌在操作面板上;
H—保护式,带保护外壳,可防止内部零件受机械损伤或人偶然触及带电部分。
六、按钮的型号及含义
S—防水式,具有密封外壳,可防止雨水侵入;
F—防腐式,能防止腐蚀性气体进入;
J—紧急式,带有红色大蘑菇按钮(突出在外),做紧急切断电源用;
X—旋钮式,用旋钮旋转进行操作,有通和断两个位置;
Y—钥匙操作式,用钥匙插入进行操作,可防止误操作或供专人操作;
D—光标按钮,按钮内装有信号灯,兼做信号指示。
七、按钮的选用
1、根据使用场合和具体用途选择按钮的种类。例如,嵌装在操作面板上的按钮可选用开启式;需显示工作状态的选用光标式;需要防止人员误操作的重要场合宜用钥匙操作式;在有腐蚀性气体处要用防腐式。
2、根据工作状态指示和工作情况要求,选择按钮的颜色。例如,启动按钮可选用白、灰或黑色,优先选用白色也可以选用绿色。急停按钮应选用红色。停止按钮可选用黑、灰或白色,优先用黑色,也可以用红色。
3、根据控制回路的需要选择按钮的数量。如单联钮、双联钮和三联钮等。
八、按钮的常见故障及处理方法
