
电气电路图大全 接线不求人,有了这篇文章基本所有的电气电路都能搞定了,希望看完多多转发,多多收藏,让更多的人也能学习到一些专业知识,谢谢。自己动手时一定要确保安全的情况下进行,建议旁边有人帮忙看着。



































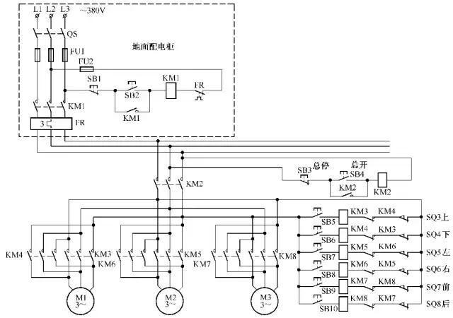
用八挡按钮操作的行车控制电路

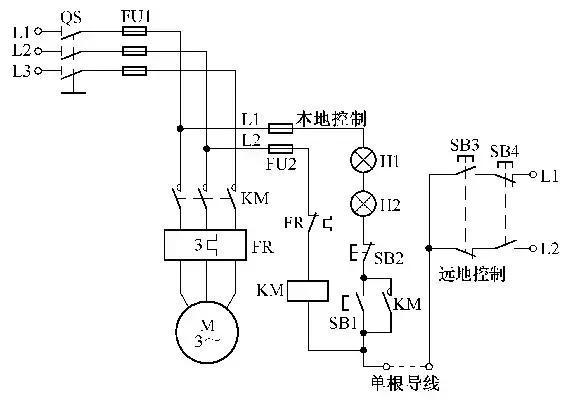
单线远程控制电动机启停电路

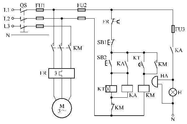
能发出启停信号的控制电路

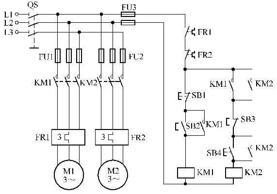
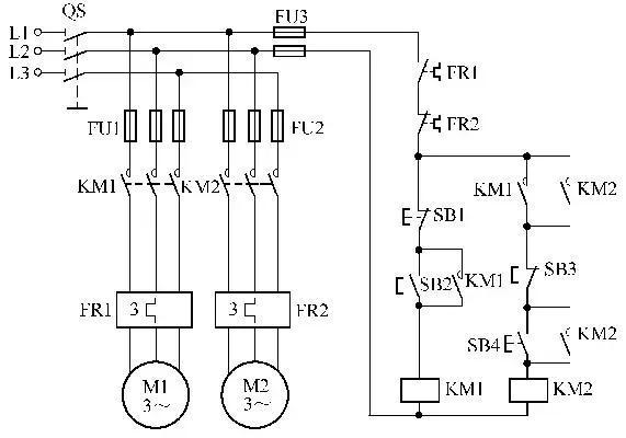
两台电动机按顺序起动同时停止的控制电路

两台电动机按顺序起动分开停止的控制电路

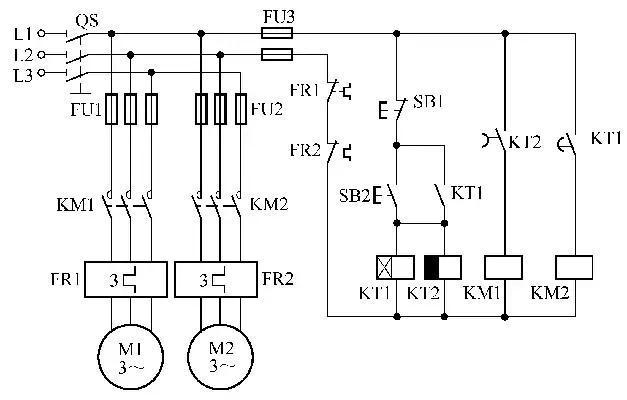
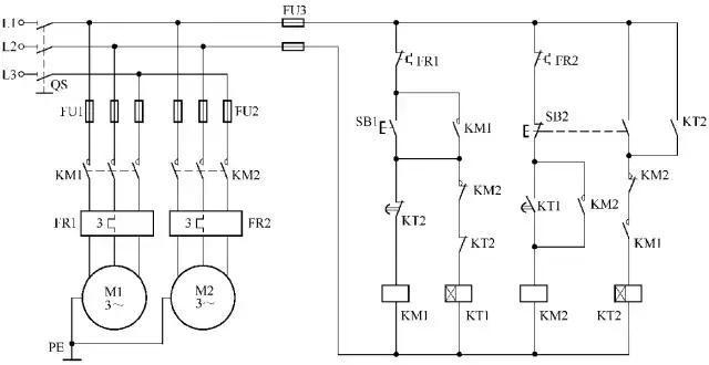
自动切换的两台电动机按顺序起动逆序停止电路

电动机延时开机的间歇运行电路

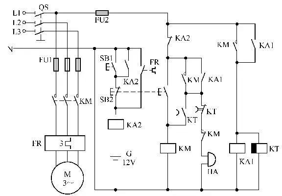
带有报警装置的电动机短暂停电来电后自动再起动电路

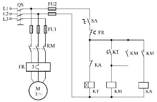
电动机长时间停电来电后自动再起动电路

两条运输原料传送带的电气控制电路

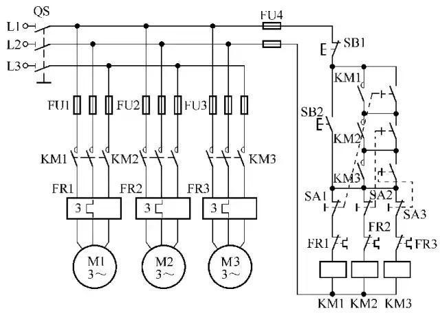
多台电动机可同时起动又可有选择起动的控制电路

低速脉动控制电路

电动阀门控制电路(之一)

电动阀门控制电路(之二)


串励直流电动机刀开关可逆控制电路

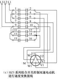
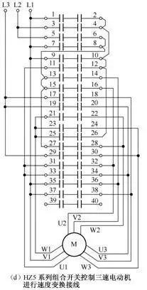
HZ5系列组合开关应用电路




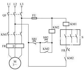
用GYD-16/C型气压开关控制电动机电路

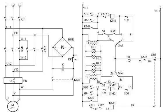
电动葫芦的电气控制电路

总结:看图的一般方法是先看主电路,后看辅助电路,并用辅助电路的回路研究主电路的控制程序,看图的步骤首先是看主电路中有哪几种电气设备,每个电气设备的用途,接线方式和有关要求与联系.就以电动机为例,从种类上看是直流还是交流;是异步还是同步;从绕组上看是星形接线还是三角形接线;从起动方式上看是全压起动还是降压起动;釆用哪种控制方式,是正转还是反转的,等等.再全面了解其它电器组件的相互联系和作用,如电源开关,熔断器,继电器,接触器等,以及各种电器组件的电压等级,然后再看图中辅助电路的构成,并根据辅助电路的回路研究电路的动作情况,以及电路中各组件的相互关系和动作联系等.全面了解上述问题后,便可综合在一起看电路图了.
看完之后觉得对大家有帮助的话麻烦多多转发,多多收藏,让更多的人能学到这些专业知识,非常感谢大家,如果有更好的建议意见麻烦评论区留言,我会挨个回复,谢谢大家。
请关注“装修工艺大师”每天推送关于装修文章,让您快速的了解装修,学会装修。