写在起始为什么会购买这么一台嵌入式准系统?正如预告篇中所言,我的超微E200-8D软路由稳定服役了将近5个月,被ADMIN给PY走了,所以我只能再选购一台超微来做软路由。对于绝大部分的家庭用户而言,超微E200-8D嵌入式准系统已足够。而我购买超微E300-9D-8CN8TP只是因为它有现货。怎么购买?我是在这家倍联德官方店铺购买,这是超微授权的代理商淘宝店铺。为什么会选择E300-9D-8CN8TP作为软路由?一台需要7x24h运行的软路由器,Xeon+ECC是必要的。其实有考虑过EPYC+ECC,奈何没有现货。因为E200-8D已经体验过了,没有了新鲜感,纵观整个倍联德,能选择的也就剩下超微E300-9D-8CN8TP了。E300-9D-8CN8TP作为软路由是不是性能过剩?是的。回顾我的软路由选择史:J1900四口工控机—冥王峡谷—i5-7200U 6口工控机—超微E200-8D—超微E300-9D-8CN8TP。对于我而言,可能只有选择J1900四口工控机时认真思考过它的功耗、性能与价格,后续机子全部性能过剩。没办法,就是忍不住想要买,哪个大男孩还没几个玩具?当然了,毕竟我不能代表全部玩家,能代表的也仅仅是一小部分人。钱也不是花掉了,只是换了一种形式,继续陪伴在我们的身边。

有没有无风扇的嵌入式准系统?很多人对软路由的需求就是低功耗,无风扇,高性能。在这里给大家推荐超微E100-9W-H(官网链接),它采用第八代Intel Core i7-8665UE处理器,15W TDP,14nm制程,主频1.9GHz,最大睿频4.4GHz。配备Intel i219LM + i210IT双千兆LAN口,对于没有万兆需求的小伙伴而言性能足够。除了超微E100-9W-H,在这里也给大家列出超微所有的无风扇的嵌入式准系统(官网链接),大家可以根据自己的需求选择硬件。前言超微E300-9D-8CN8TP(官网链接)尺寸为25cm*22cm*4.3cm。只比E200系列长了6cm,宽和高都一样。因为其小巧,性能强大,拓展性强的特点,可以适合企业或者家庭高端用户作为网络设备来使用。购入超微E300-9D-8CN8TP也有一个多星期了,下面来和大家分享下这台产品的使用感受

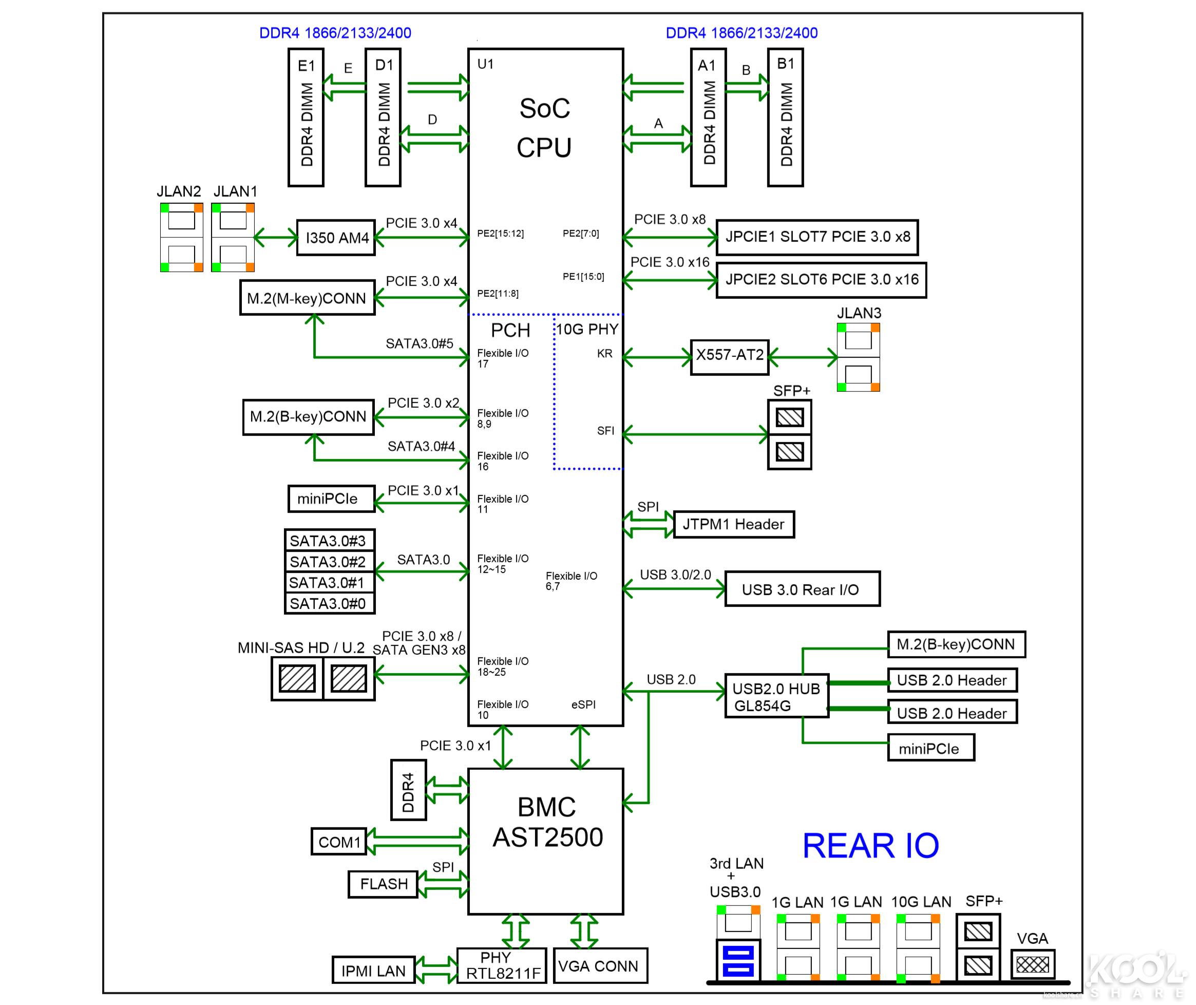
▲超微E300-9D-8CN8TP内部使用了SuperMicro MBD-X11SDV-8C-TP8F主板。采用Intel Xeon D2146NT处理器,8核心16线程,主频是2.3GHz,最大睿频3.0GHz,80W TDP,支持四通道内存。带4口千兆RJ45 LAN口,网卡芯片为Intel i350-AM4。两个来自Soc的10G SFP+ LAN口,两个带Intel X557的10GbE RJ45 LAN口

▲产品规格开箱

▲E300-9D-8CN8TP的包装盒,采用牛纸皮盒子。上面还贴了倍联德的发货单

▲打开包装箱。可以看到内部的机器被泡棉包裹,可以避免运输过程中的磕碰。右侧是配件盒

▲打开配件盒。可以看到内部的配件

▲美标电源线

▲电源适配器

▲电源适配器接头带锁定功能,可以防止电源线意外脱落

▲电源适配器规格12V 12.5A,150W功率

▲SATA供电数据二合一线

▲盒中所有配件一览。有PCIe支架和矮挡板各一个,美标电源线一根,150W可锁定电源适配器一个,SATA供电数据二合一线一根,扎带和螺丝若干

▲E300-9D-8CN8TP正面。从左往右依上而下分别是DC插口一个,IPMI管理接口一个,USB3.0接口两个,四个千兆RJ45 LAN口,两个10GbE RJ45 LAN口,两个10G SFP+ LAN口,VGA接口一个

▲E300-9D-8CN8TP侧面做了开孔,有利于热量散出。另外,侧面也预留了1U支架安装孔位,方便有需求的用户上机架安装

▲1U支架的安装方式如上图所示。使用原装支架的好处就是可以把电源适配器一并收纳其中,使E300-9D-8CN8TP在机柜中更加简洁与美观。

▲左侧黑色金属网部分是风扇进风口,右侧两个红色按钮分别是Reset按钮和电源按钮,它们的上方是工作状态指示灯

▲E300-9D-8CN8TP顶盖部分

▲底部铭牌,台湾制造拆解

▲首先打开顶盖,内部还有一层安装SATA硬盘的托架

▲SATA硬盘安装方式如图所示,该支架只支持2.5寸硬盘的安装,而3.5寸硬盘因为体积太大,安装后无法装回托架

▲拆下SATA硬盘的托架后就能看到内部的结构了,MBD-X11SDV-8C-TP8F主板的电源只连接了12V 8Pin,24Pin ATX电源并没有连接。MBD-X11SDV-8C-TP8F主板是支持DC 12V直接供电的

▲拆下超微E300-9D-8CN8TP的风扇支架,支架上固定有三个4-PIN PWM*力暴**扇

▲风扇型号是W40S12BMA5-57,厂商是Nidec,规格DC12V 0.12A,尺寸为40x40x28mm,最高转速能达到8500 R. P. M。三个风扇一起转动,噪音可想而知

▲拆下CPU散热装甲。超微E300-9D-8CN8TP的CPU部分没有采用主动散热结构,CPU的散热完全靠*力暴**扇强劲的风力

▲最后将MBD-X11SDV-8C-TP8F主板从CSE-E300机箱中拆出

▲MBD-X11SDV-8C-TP8F主板正面一览

▲MBD-X11SDV-8C-TP8F主板接口介绍。其中LAN1-LAN4是千兆RJ45 LAN口,网卡芯片为Intel i350-AM4。LAN5-LAN6是10GbE RJ45 LAN口,PHY是Intel X557,MAC是Intel X722,MAC集成在CPU中。LAN7-LAN8是10G SFP+ LAN口,MAC是Intel X722,MAC集成在CPU中。除此之外,主板的PCIe3.0x8 SLOT7插槽和PCIe3.0x16 SLOT6插槽都是直通CPU的

▲Intel Xeon D2146NT处理器,14nm制程,8核心16线程,主频是2.3GHz,最大睿频3.0GHz,80W TDP,支持四通道ECC UDIMM/RDIMM内存

▲在这块散热装甲下的是Intel X557 1Gbps/10Gbps双速率PHY,为LAN5-LAN6提供支持

▲Intel i350-AM4千兆网卡芯片。为LAN1-LAN4提供支持

▲Realtek RTL8211F千兆PHY芯片。为IPMI管理端口提供支持

▲MBD-X11SDV-8C-TP8F主板提供了两个SFF-8643接口,每个SFF-8643接口可以使用SFF8643转4个SFF8482线连接四个SATA3.0硬盘或者直接连接一个NVMe U.2硬盘。除此之外,还提供了四个SATA3.0接口,其中黄色的SATA3.0接口支持SATA DOM

▲上方是适用于SSD/WAN card的M.2插槽,2242/8规格。它的下方是Nano SIM卡卡槽,给M.2 B-Key WAN card提供支持

▲右上方是Mini-PCI-E转mSATA插槽。右下方上是适用于SSD的M.2插槽,支持2280规格的NVMe SSD。Aspeed AST2500,独立的ARM CPU,用于处理IPMI系统数据,同时为VGA接口提供支持。MX25L25635FMI,FLASH芯片,容量大小为32MB。K4A4G165WE-BCRC,DDR4 RAM芯片,电压为1.2V,速率为2400Mbps,容量大小为512MB

▲MBD-X11SDV-8C-TP8F主板背面一览。CPU散热器背面预装了金属背板,保证了主板的强度

▲GL854G,USB2.0 HUB

▲主板芯片示意图IPMI作为一个服务器主板,MBD-X11SDV-8C-TP8F也配备了IPMI系统和独立的管理接口

▲IPMI中可以看到当前主板上的硬件信息

▲传感器读取信息中可以查看当前的所有设备温度以及风扇转速和12V、5V、3V电压

▲日期和时间要设置准确了

▲网络设定中可以配置IPv4地址和IPv6地址

▲端口设置中设定好自己需要使用到的端口

▲风扇也可以自定义运转模式,默认为Optimal

▲通过远程控制—iKVM/HTML5中可以查看当前VGA端口显示的内容

▲维护中可以对IPMI系统进行升级,恢复出厂设置。或者对服务器主板的BIOS进行更新

▲Active license中输入节点产品秘钥后才能激活IPMI系统中的一些高级功能,例如上述的BIOS升级功能BIOS

▲BIOS主页面,显示主板型号,当前BIOS版本以及内存容量

▲Advanced中可以对CPU,网卡,PCH等进行设置

▲CPU设置中可以设置是否开启超线程,VT技术等等

▲内存设置中可以对内存进行设定。这里内存的速率可以设定2133MHz/2400MHz/2666MHz

▲开启或者关闭VT-d

▲对SATA接口进行设定。因为我用不到SATA硬盘,所以这里关闭。默认是开启

▲PCI设备配置,在这里可以对每个PCI插槽进行设定

▲网卡设定中可以看到每个端口的健康状况

▲主板上的IPMI管理接口也是可以设定的

▲IPMI管理接口的IP地址可以是以DHCP方式获取或者是静态IP。在这里我将其配置成静态IP,方便后期直接接入管理

▲因为我是NVMe SSD硬盘,以UEFI方式引导,所以这里我关闭了CSMCPU性能超微E300-9D-8CN8TP在安装了四根普通DDR4 2133MHz 8GB内存后,无法开机。只能使用手头现有的2根ECC DDR4 2133MHz 16GB内存组双通道来测试

▲首先是HWINFO CPU信息,可以看到8核心跑AVX2指令集的时候频率为2.3GHz,8核心跑AVX-512指令集时频率为2.1GHz

▲首先是CPU-Z测试。受制于Xeon D-2146NT主频,分数表现一般

▲wPrime 2.10测试。单线程耗时1744.416秒,多线程(16线程)耗时163.904秒

▲WINRAR 5.60单线程和多线程测试

▲7-Zip 16.04单线程和多线程测试

▲Fritz Chess Benchmark 4.3.2单线程和多线程测试

▲CINEBENCH R15测试

▲CINEBENCH R20测试换成四通道内存测试的话,CPU成绩还会有所提高家庭网络搭建

▲首先是超微E300-9D-8CN8TP服务器,充当软路由和UBNT控制器角色,帮我连接世界

▲群晖DS1618+,家庭影音存储中心

▲群晖E10G17-F2 10G SFP+网卡,让DS1618+变为10G接入

▲AP是UBNT FLEX HD

▲UBNT AP HD

▲QSW-1208-8C万兆交换机

▲UBNT US-XG-6PoE万兆PoE交换机

▲机柜中设备一览

▲最后是网络拓扑图。QNAP的万兆交换机让人嫖走了,暂时两台PC使用无线接入互联网中。另外在寻找一台HN8254,有车的话请叫我上车噪音和改造

▲环境温度在14.9度左右,环境湿度在74.2%左右

▲所有设备关闭,环境噪音在36.5dB左右 1.未改造之前

▲风扇模式设为Full时,噪音为67.9dB左右

▲此时通过IPMI查看设备温度。在这里我比较关心CPU,PCH和10G PHY温度。此时CPU温度为27度,PCH温度为32度,10G PHY温度为32度。风扇转速在8500 R.P.M温度很好,但是67.9dB噪音的超微E300-9D-8CN8TP放在家中确实很吵。某大佬告诉我,用超微服务器就不要考虑噪音,如果担心噪音,那么你就不是超微服务器的目标用户。可是我头比较铁,就要站着,并且把钱挣了。


▲首先把风扇模式改为Optimal,噪音降到51.8dB左右

▲通过IPMI查看设备温度。此时CPU温度为48度,PCH温度为53度,10G PHY温度为46度。风扇转速在2500 R.P.M以上 2.初步改造

▲首先拆掉盖板。安装内存时首先安装A1、B1;然后才是D1、E1。图中我安装的是B1、E1,反正Xeon D-2146NT支持四通道,而且我只是用来装软路由,延迟完全不考虑

▲采用猫头鹰NF-A15扇子,稳稳的架在内存上,一只扇子几乎覆盖到CPU,PCH和10G PHY

▲风扇模式设为Full时,噪音为52.9dB左右

▲通过IPMI查看设备温度。此时CPU温度为27度,PCH温度为32度,10G PHY温度为31度。风扇转速在1400 R.P.M

▲风扇模式改为Optimal,噪音为36.5dB左右。可以认为低于环境噪音或者几乎和室内环境噪音一致

▲通过IPMI查看设备温度。此时CPU温度为48度,PCH温度为53度,10G PHY温度为44度。风扇转速在300 R.P.M普通用户到这一步其实就可以了,温度和噪音达到了一个平衡。如果你和我一样对CPU和PCH的温度还不太满意,那么向大家介绍下最后一步改造方法。 3.进阶改造

▲清理掉E300-9D-8CN8TP自带的硅脂

▲使用当前导热系数最高的利民TFX硅脂,密度26,导热系数高达14.3

▲将其均匀的涂抹到CPU表面

▲手头剩余一个D15散热器,所以直接拿来用。因为没有支架,所以只能靠硅脂的粘性和散热器本身的重力将其固定在CPU上,好在D15的双塔对称设计,重心位于中间底座部分,不用担心散热器会侧翻

▲成型。使用手晃动散热器,除了会轻微滑动,完全不会倾倒。选择这个方向安置D15是为了让风扇可以吹走10G PHY金属散热装甲上的热量

▲安装Windows,使用Aida 64 FPU烤机10分钟,CPU温度稳定在25度左右。即使没有支架固定,利民TFX配合单风扇的D15,散热能力还是非常不错的,日常使用可以不用担心过热了

▲改为LEDE,在风扇模式设为Full时,噪音为51.8dB左右

▲通过IPMI查看设备温度。此时CPU温度为17度,PCH温度为21度,10G PHY温度为36度。风扇转速在1400 R.P.M

▲风扇模式改为Optimal,噪音为36.5dB左右。可以认为低于环境噪音或者几乎和室内环境噪音一致

▲通过IPMI查看设备温度。此时CPU温度为23度,PCH温度为29度,10G PHY温度为52度。风扇转速在300 R.P.M。由于风扇离10G PHY金属散热装甲有些远了,NF-A15 300 R.P.M的风力不够,无法吹走10G PHY金属散热装甲上的热量,导致10G PHY温度有些高

▲于是我使用IPMI命令将风扇转速固定为700 R.P.M,此时噪音为36.6dB左右。可以认为低于环境噪音或者几乎和室内环境噪音一致

▲通过IPMI查看设备温度。此时CPU温度为19度,PCH温度为23度,10G PHY温度为44度。风扇转速在700 R.P.M。为什么没有设定更高的转速,因为我觉得超过700 R.P.M的话,NF-A15就开始有噪音了。低于700 R.P.M的话,风力无法吹走10G PHY金属散热装甲上的热量,试验下来,发现700 R.P.M是我能接受的极限

▲最后奉上阈值。正如我之前所说的,对噪音敏感的普通用户到第二步其实就可以了。我这么的折腾只是为不同口味的用户提供一个前车之鉴,方便后来者少走弯路

▲完成改造后的机柜硬件一览。安排上D15之后,机柜也显得不那么空旷了LEDE和功耗

▲安装好LEDE就能开始使用了

▲10G LAN to 10G LAN单向单线程,速率为9402.031Mbps

▲10G LAN to 10G LAN单向十线程,速率为9406.193Mbps

▲10G LAN to 10G LAN双向单线程,速率为16881.976Mbps

▲10G LAN to 10G LAN双向十线程,速率为18650.688Mbps因为手中缺乏另一台万兆路由器,所以无法测试超微E300-9D-8CN8TP刷入LEDE后的NAT能力。但是从LAN to LAN吞吐量可以看出,LEDE软路由的LAN to LAN双向单线程吞吐量偏低,还不如10G交换机。所以我建议LEDE软路由用作NAT即可,想把软路由器扩展多LAN口当交换机使还是不那么给力

▲超微E300-9D-8CN8TP运行LEDE时,空载功耗在44.9W左右

▲超微E300-9D-8CN8TP运行LEDE时,PPPoE拨号后正常使用时(20个客户端接入),功耗在46.8W左右

▲超微E300-9D-8CN8TP运行LEDE,进行10G LAN to 10G LAN双向十线程吞吐量测试测试时,功耗在82.1W左右

▲超微E300-9D-8CN8TP运行LEDE,进行10G LAN to 10G LAN双向十线程吞吐量测试时,CPU负载为24%,CPU主频在1.7GHz左右,CPU温度稳定在21度总结

▲超微E300-9D-8CN8TP无疑是一台性能强大的服务器,只是作为LEDE软路由来使用不免有些大材小用。更多的玩家可以将其作为All in One Home Server来使用,集合EXSI,LEDE,NAS等等于一体。而我基本有的硬件都有了,就让它安安稳稳做个LEDE软路由吧。接下来就期待有10G EPON Stick上市,到时候入手一个来和大家分享使用体验