原油到底是有限的的还是无限的
原油是一种粘稠的、深褐色的液体,被称为“工业的血液”。地壳上层部分地区有石油储存。主要成分是各种烷烃、环烷烃、芳香烃的混合物。石油的成油机理有生物沉积变油和石化油两种学说,前者较广为接受,认为石油是古代海洋或湖泊中的生物经过漫长的演化形成,属于生物沉积变油,不可再生。后者认为石油是由地壳内本身的碳生成,与生物无关,可再生。

1763年,俄国科学家罗蒙诺索夫首先表明观点:石油起源于植物。1876年,俄国化学家门捷列夫提出了“碳化说”。他认为,地球上有丰富的铁和碳,在地球形成初期,它们可能化合成大量碳化铁,以后又与过热的地下水作用,就生成碳氢化合物。1866年,勒斯奎劳第一个提出了石油的“有机成因说”,认为石油可能是由古代海生的纤维状植物沉积到地层以后慢慢转化而成的。1888年,杰菲尔指出石油是海生动物的脂肪经过一系列变化而形成的。二十世纪三十年代,前苏联的古勃金又提出了石油的“动植物混合成因说”;四、五十年代,有人还提出石油的“分子生油说”,就是油烃类是沉积岩中的分散有机质在成岩作用早期转变而成的。十九世纪末,俄国另一位科学家索科洛夫提出了“宇宙成因”假说。他认为,在地球还处在溶融的火球状态时,吸收了大量原始大气中的碳氢化合物。随着原始地球不断冷却,这些碳氢化合物逐渐凝结埋藏,并在地壳中形成石油。1951年,前苏联地质学家创立了“岩浆说”。他们认为,石油是在地球深部的岩浆作用中形成的。地球深处的岩浆里面,不仅有碳和氢,而且有氧、碳、氮等元素。
通常,在人们的认知和社会宣传中都称原油是一次能源,是有限的,可能会被迅速开采完。但随着美国页岩油的出现,越来越多的人相信原油可能并非生物沉淀,而可能是无限的。

原油的用途到底有多广泛
燃料型:顾名思义就是只生产汽柴油。燃料润滑油型:就是不光可以生产汽柴油,还可以继续蒸馏生产出润滑油。燃料润滑油化工型:这个类型就是不光能生产汽柴油和润滑油。还可以将催化单元的废气进行反应生成。聚丙烯、聚乙烯等化工燃料。上面是炼油厂大的分类,而石油产生出来在进入炼油厂之前就已经经过了处理流程了。比如期气液分离将等到C1、C2组分。他们是我们熟悉的天然气。不仅可以作为燃料也是C1化工的重要原料,经过加氢就可以生产甲醇。而后就是酸酐等。后面就可能进行制药、做塑料等。石油通过轻烃回收可以生产,液化石油气也就是小时候家里做饭用的煤气罐里面的东西。还能生产C5到C7的混烃,这个是重要的化工原料。而炼油厂在生产完润滑油后,可以对渣油进行延迟焦化,生产焦炭是炼铁等重要材料。还可以生产沥青,就是你走到马路上见到的东西。而石油中难免有硫磺的存在,可以在减压塔顶获得并通过硫磺回收单元,进行硫磺回收。还可以等到糠醛等。原油产品还可以为农业提供氮肥等化工原料。

原油的用途广泛涉及生活方方面面
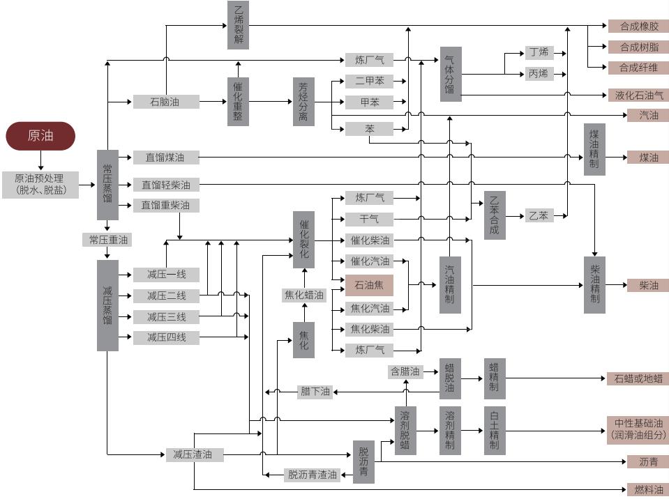
原油的加工过程
一次加工过程。是将原油用蒸馏的方法分离成轻重不同馏分的过程,常称为原油蒸馏,它包括原油预处理、常压蒸馏和减压蒸馏。一次加工产品可以粗略地分为:①轻质馏分油(见轻质油),指沸点在约370℃以下的馏出油,如粗汽油、粗煤油、粗柴油等。②重质馏分油(见重质油),指沸点在370~540℃左右的重质馏出油,如重柴油、各种润滑油馏分、裂化原料等。③渣油(又称残油)。习惯上将原油经常压蒸馏所得的塔底油称为重油(也称常压渣油、半残油、拔头油等)。
二次加工过程 。一次加工过程产物的再加工。主要是指将重质馏分油和渣油经过各种裂化生产轻质油的过程,包括催化裂化、热裂化、石油焦化、加氢裂化等。其中石油焦化本质上也是热裂化,但它是一种完全转化的热裂化,产品除轻质油外还有石油焦。二次加工过程有时还包括催化重整和石油产品精制。前者是使汽油分子结构发生改变,用于提高汽油辛烷值或制取轻质芳烃(苯、甲苯、二甲苯);后者是对各种汽油、柴油等轻质油品进行精制,或从重质馏分油制取馏分润滑油,或从渣油制取残渣润滑油等。
三次加工过程。主要指将二次加工产生的各种气体进一步加工(即炼厂气加工)以生产高辛烷值汽油组分和各种化学品的过程,包括石油烃烷基化、烯烃叠合、石油烃异构化等。

影响原油价格的因素
由于原油是不可再生性资源,因此原油短期供给弹性较小,所以在没有新的大型油田被发现以及重大技术创新出现时,影响原油价格的最主要因素是决定原油需求的世界经济发展状况.
原油库存与油价。原油库存对油价的影响是复杂的,当期货价格远高于现货价格时,原油公司倾向于增加商业库存,减少当期供应,从而刺激现货价格上涨,期货现货价差减小;当期货价格低于现货价格时,原油公司倾向于减少商业库存,增加当期供应,从而导致现货价格下降,与期货价格形成合理价差。
美元汇率因素。由于国际原油交易主要以美元为标价,因此美元汇率也是影响原油价格涨跌的重要因素之一。当美元升值时,国际上黄金、原油、铜等大宗商品原料价格有下跌的压力;反之,当美元贬值时,此类大宗商品的价格将上涨。但是,美元汇率因素对油价的影响只是暂时的,而且不够显著。统计分析显示,WTI原油期价与美元指数的相关系数为-0.22,这说明在油价波动中,美元汇率相对于原油的供求关系来说所起的作用非常微小。世界经济发展状况全球经济的增长会通过改变原油市场的需求量影响原油价格,经济增长和石油需求的增长有较强的正相关关系,它们之间的比例关系一般用原油消费对GDP的弹性系数来表示。然而,经济增长率的变化不只可以用来解释中长期的油价上升,短暂经济衰退导致的油价回落也可在经济数据的变化中显现出来。
突发事件与气候状况。原油除了具有一般商品属性外,还具有战略物资的属性,其价格和供应很大程度上受政治势力和政治局势的影响。近年来,随着政治多极化、经济全球化、生产国际化的发展,争夺原油资源和控制原油市场已成为油市动荡和油价飙涨的重要原因。紧张的地缘政治强化了国际原油市场对供给收缩的预期。气候状况会影响到原油的供给和需求,比如异常的天气可能会对原油生产设施造成破坏,导致供给中断,从而影响国际油价,但它对整个国际油价的影响作用是短期的。此外欧美许多国家用原油作为取暖燃料,因此当气候变化异常时,会引起燃料油需求的短期变动,从而带动原油和其他油品价格发生变化。
地缘政治因素。石油是一种稀缺的不可再生资源,是国家生存和发展不可或缺的战略资源,其对国家的经济、军事、安全等有着重大的影响。国际原油的市场价格的变化往往会受到地缘政治和产油国政局因素的影响。地缘政治和产油国政局因素对油价的影响主要从两个方面发挥作用。其一是地缘政治冲突导致原油供给量真实下降;其二是地缘政治冲突导致国际原油市场对未来供给减少的担忧,但实际供给量没有减少。
原油的计量和储运
桶(barrel)和吨(ton)是常用的两种原油计量单位,OPEC和欧美国家通常以桶为原油的计量单位,中国和俄罗斯等国则通常以吨为原油的计量单位。1桶=158.98升=42加仑(美制)=34.97加仑(英制)。通常一吨原油大约7.0~7.8桶
原油按照储运方式的不同可以分为散装油料和整装油料。散装油料采用油罐、车(铁路油罐车或汽车油罐车)、船(油轮、油驳)、管道等储存或运输。整装油料采用油桶及其他专用容器整储整运。油罐是储存散装油料的主要容器

美联储加息预期对原油价格的影响
美联储加息更多是口头预测,落地尚无时间表。本次美联储的鹰派是“形式大于实质”,即:对于遥远的2023年底,给出了加息两次的鹰派预期,但对于市场最为关心的今年下半年如何缩减购债规模,却语焉不详。7月初后美国约有半数以上州的财政补贴将面临暂停(9月后所有州的财政补贴都将暂停),财政补贴暂停后,美国经济“换挡”的节奏将是影响下半年美国经济、通胀和海外市场的重要变量。故当7月初美国财政补贴开始暂停后,美国中低收入阶层很难立即投入工作,更可能通过降低消费,消耗储蓄,来“熬”。相应地,美国通胀数据也或将出现一定程度的下滑。美联储实际的政策动态仍是“数据本位”,中短期内美联储对通胀的容忍度较高,关注重心在于失业率、非农就业等硬指标。早在2016年上半年,非农就业人数的异常波动就曾使联储重新斟酌了其加息速度。非农数据将成为接下来影响市场紧缩预期的重中之重。预计美联储缩表和加息的时间表都将晚于此前市场预期。这轮美国的货币、财政政策扩张“覆水难收”,估计不会重复2013-2018年的收缩过程。过去美联储加息通常选择在经济状况比较好的时候,甚至高烧的时候。如今连低烧都没有,所以市场反应过度了。

美国经济复苏势头强劲

美国原油库存位于历史低位
美元指数的走强可能导致大宗商品价格下跌。一方面,美元是大宗商品的标价货币,美元指数上升会使得美元购买力增强。另一方面,美元走强意味着美元吸引力上升,引发资金在美元和大宗商品间切换,导致部分资金流出大宗商品市场。一方面,美联储对于通胀的判断发生了变化,虽然仍坚持长远来看通胀因素是暂时的,但也承认持续时间可能比预想得要长;另一方面,从点阵图反映的情况来看,加息预期也有所提前,虽然这并不对应着实际的加息路径,但反映出美国货币政策收紧时间的前移。而Taper信号释放时对于市场的冲击最为显著,美元短期仍有上行空间。从中长期的视角来看,美元指数或仍以偏强运行为主。如果将20世纪80年代以来美元指数走势按照美国总统的任期进行划分,我们会发现,共和*党**政府执政时期,美元指数中枢多数趋于回落,而民主*党**政府执政时期,美元指数中枢常有所上移。6月份美联储议息会议尽管没有提及市场重点关注的缩减资产购买规模问题,然而却释放出了鹰派信号,其中包括大幅上调全年GDP增速预期至7%,大幅上调核心PCE至3%(尽管仍然坚持认为是暂时性通胀,然而觉得通胀时间长于预期),充分体现了美联储对经济恢复的信心。就这一点来说,属于符合市场预期的。同时,市场认为下一次议息会议或重点讨论缩减资产规模。如果美联储的“行动”符合市场预期,那么美元指数走强,且大宗商品走弱将是大概率事件。
此外,民主*党**执政期美元指数偏强。

民主*党**执政期间美元指数偏强

原油价格和美元指数反向变动
原油期权及其交易方法
6月21日,原油期权在上海期货交易所子公司上海国际能源交易中心(以下简称“上期能源”)正式挂牌上市。原油期权成为我国首批以人民币计价并向境外投资者全面开放的期权品种。上市当日,原油期权挂盘2个系列,96个合约,成交4475手(单边,下同),成交金额5068.57万元,持仓1652手,成交持仓比为2.71,看涨期权与看跌期权成交比为0.81。看涨期权持仓量最大的合约为SC2109C510,看跌期权持仓量最大的合约为SC2109P390。

原油期权的T型报价
散户”躺赢“就是做好买权。风险有限:买权风险有限、收益无限。关心波动率:买权就是做多波动率,包括买看涨和买看跌。核心是事件驱动:了解各项事件对行情影响程度。双买策略:如果只知事件影响大但方向未知,可以采用双买策略。代替期货:买权付出权利金相对保证金金额小,实值期权收益类似期货。止损简便:买权有被动止损(也就是权利金损失),但没有穿仓风险。摆脱资金管理困扰:对散户而言,期权没有令人困扰的杠杆和资金管理。
影响原油的数据或事件
一、美国IBD消费者信心指数
公布时间:每月第一周周二晚上22:00
IBD消费者信心指数是在投资者商业日报调查得到的消费者信心指数值。IBD是投资者商业日报的英文缩写(Investors Business Daily)。消费者信心指数是反映消费者信心强弱的指标,是综合反映并量化消费者对当前经济形势评价和对经济前景、收入水平、收入预期以及消费心理状态的主观感受,是预测经济走势和消费趋向的一个先行指标,是监测经济周期变化不可缺少的依据。公布值>预期值=利好美元,利好美元时则可能下挫油价。
二、美国当周API原油库存
公布时间:每周三4:30
美国当周API原油库存(万桶)测量了每周的美国公司的商业原油库存的桶数变化。库存的数目影响了可以对通货膨胀和其他经济影响力造成影响的成品油的价格。而原油和成品油价格都会对美国这个原油产品重量级消费国经济产生重要影响。公布值<预期=利好原油价格。
三、美国ADP就业人数
公布时间: 每月的第一个周三晚20:15
ADP全美就业报告由ADP赞助,由Macroeconomic Advisers公司负责制定和维护。本报告采集自约50万家匿名美国企业,从而反映美国就业情况。在2008年前六个月,采样取自美国私营领域中约39.9万家企业,涵盖近2400万美国员工。就业数据是消费者支出的领先指标,占总体经济活动中的大部分。比劳工部公布的官方非农就业数据提前两天公布,被看作是非农数据的先行指标。公布值>预期值=利好美国经济及美元
四、EIA原油库存
公布时间:每周三晚间11:30(夏令时10:30)
EIA原油库存主要反映过去一周商业公司原油库存的变化。当公布数据<预期=利好原油价格。这是一个美国指标,库存的增减会影响到原油价格,进而对加元产生影响,因加拿大原油出口占经济比重大。公布值<预期=利好原油价格。
五、OPEC组织公布的原油产量
公布时间:每周三晚22:30
在供给层面应关注OPEC组织公布的原油产量。
公布值>预期值=利空原油价格。
六、每周初请失业金人数
公布时间: 每周四晚20:30
初请失业金人数是反映其国内劳动力市场状况的指标之一,统计的是第一次申请领取失业金的人数。失业人数的大幅增加,美国政府的财政压力也就随之增大,对于得了“双赤绝症”的美国经济来说也是一个考验,对美元不利。公布值>预期值=利空美元,利多原油价格。
七、非农就业人数
公布时间:每月第一周的星期五晚上公布
非农就业人数变化作为就业报告中的一个项目,该项目主要统计从事农业生产以外的职位变化情形,该数据与失业率一同公布。数字减少便代表企业减低生产,经济步入萧条。当社会经济较快时,消费自然随之而增加,消费性以及服务性行业的职位也就增多。非农就业人口多,人们消费就多,通胀压力大,需要加息抑制通胀压力,美元有上涨预期,原油价格下跌;失业率高了,通胀压力小,美国政府会通过减息刺激经济,有减息预期,美元下跌,原油上涨。两者是一个负相关性。