单片机外围电路设计之一:电阻
对于电阻,想必大家都觉得简单,没有什么好说的。其实电阻的应该还是非常广泛的,在不同的应用场合其作用是完全不同的。本人将总结其基本用法,及容易被忽略的地方。
1概念
电阻(Resistance,通常用“R”表示),在物理学中表示导体对电流阻碍作用的大小。导体的电阻越大,表示导体对电流的阻碍作用越大。不同的导体,电阻一般不同,电阻是导体本身的一种特性。电阻将会导致电子流通量的变化,电阻越小,电子流通量越大,反之亦然。而超导体则没有电阻。
电阻元件的电阻值大小一般与温度,材料,长度,还有横截面积有关,衡量电阻受温度影响大小的物理量是温度系数,其定义为温度每升高1℃时电阻值发生变化的百分数。
电阻的主要物理特征是变电能为热能,也可说它是一个耗能元件,电流经过它就产生内能。电阻在电路中通常起分压、分流的作用。对信号来说,交流与直流信号都可以通过电阻。
导体的电阻通常用字母R表示,电阻的单位是欧姆(ohm),简称欧,符号是Ω(希腊字母,读作Omega),1Ω=1V/A。比较大的单位有千欧(kΩ)、兆欧(MΩ)(兆=百万,即100万)。
KΩ(千欧), MΩ(兆欧),他们的换算关系是:
1TΩ=1000GΩ;1GΩ=1000MΩ;1MΩ=1000KΩ;1KΩ=1000Ω(也就是一千进率)
两个电阻并联式也可表示为
串联: R=R1+R2+...+Rn
并联:1/R=1/R1+1/R2+...+1/Rn 两个电阻并联式也可表示为 R=R1·R2/(R1+R2)
定义式:R=U/I
决定式:R=ρL/S(ρ表示电阻的电阻率,是由其本身性质决定,L表示电阻的长度,S表示电阻的横截面积)
电阻元件的电阻值大小一般与温度有关,还与导体长度、横截面积、材料有关。衡量电阻受温度影响大小的物理量是温度系数,其定义为温度每升高1℃时电阻值发生变化的百分数。多数(金属)的电阻随温度的升高而升高,一些半导体却相反。如:玻璃,碳在温度一定的情况下,有公式R=ρl/s其中的ρ就是电阻率,l为材料的长度,单位为m,s为面积,单位为平方米。可以看出,材料的电阻大小正比于材料的长度,而反比于其面积。
电阻物理量:1欧电压产生一欧电流则为1欧电阻。另外电阻的作用除了在电路中用来控制电流电压外还可以制成发热元件等。
2电阻应用
电阻在电路中的主要作用为分流、限流、分压、偏置、滤波(与电容器组合使用)和阻抗匹配等。
电阻通常分为三大类:固定电阻,可变电阻,特种电阻。
在电子产品中,以固定电阻应用最多。常用、常见的有RT型碳膜电阻、RJ型金属膜电阻、
RX型线绕电阻,近年来还广泛应用的片状电阻。
电阻器型号命名:R代表电阻,T-碳膜,J-金属,X-线绕,是拼音的第一个字母。在国产老式的电子产品中,常可以看到外表涂覆绿漆的电阻,那就是RT型的。而红颜色的电阻,是RJ型的。
按照功率可以分为小功率电阻和大功率电阻。大功率电阻通常是金属电阻,实际上应该是在金属外面加一个金属(铝材料)散热器,所以可以有10W以上的功率;在电子配套市场上专门卖电阻的市场上可以很容易地看到。
金属电阻通常是作为负载,或者作为小设备的室外加热器,如,在CCTV的一些解码器箱和全天候防护罩中可以看到。
电阻在电路中起到限流、分压等作用。通常1/8W电阻已经完全可以满足使用。但是,在作为7段LED中,要考虑到LED的压降和供电电压之差,再考虑LED的最大电流,通常是20mA(超高亮度的LED),如果是2×6(2排6个串联),则电流是40mA。
不同厂家选用不同材料的,其压降也有所不同。所以需要加上电实测一下。但是,不要让单只LED的电流超出20mA,这时加大电流亮度也不会增加,但是LED的寿命会下降,限流电阻的大小就是压降除以电流。电阻的功率随之可以算出。
电位器
电位器就是可调电阻。它的阻值在1~nΩ之间变化。如N=102=10×10的2次方,也就是1000欧姆,1KΩ 。同理,502=5KΩ。
电位器又分单圈和多圈电位器。单圈的电位器通常为灰白色,面上有一个十字可调的旋纽,出厂前放在一个固定的位置上,不在2头;多圈电位器通常为蓝色,调节的旋纽为一字,一字小改锥可调;多圈电位器又分成顶调和侧调2种,主要是电路板调试起来方便。
有些是仪器仪表设备,通常是模拟电路,有一些不确定的因素,需要调节才能达到最理想的效果;有些是设备本身就需要输出一个可变的东西,如电压和电流,也需要一个电位器。
排电阻
是sip n的封装,比较常用的就是阻值502和103的9脚的电阻排;象sip9就是8个电阻封装在一起,8个电阻有一端连在一起,就是公共端,在排电阻上用一个 小白点表示。排电阻通常为黑色,也有黄色;51系统的P0需要一个排电阻上拉,否则,作为输入的时候,不能正常读入数据;作为输出的时候,接7407是可 以的,不需要上拉电阻;但是,接其它的芯片,还是不行。有兴趣可以看看51的P0的结构;没有兴趣,依葫芦画瓢,照做没错。
光敏电阻
当照在光敏电阻上的光强变化时,电阻值也在变化。显然这是半导体材料的特性。
使用光敏电阻可以检测光强的变化。
电阻的封装
电阻的封装有表面贴和轴向的封装。轴向封装有:axial0.4、axial0.6、axial0.8等等;axial在英语中就是轴的意思;表面贴电阻的封装最常用的就是0805;当然还有更大的;但是更大的电阻不是很常用的。
3限流电阻
电阻作为限流应该是最常用的应用之一,对于单片机外围设计来说,电阻的应用非常重要,在很多时候,我们必须在单片机的I/O端口上连接一个限流电阻,保证外围电路不会应用短路、过载等原因烧坏单片机的I/O端口,甚至整个单片机。
对于限流,想必大家都很清楚,可是在选择电阻阻值时,你的标准是什么?你知道单片机端口是最大输入电流吗?知道单片机的最大输出电流吗?知道单片机端口能承受的最大电压吗?
面对这些问题,恐怕很多人都是知其然不知其所以然,完全凭靠经验获取,并没有完全按照电路的要求计算取值。为此,在这里提出这些问题,并不想教大家怎么去计算这些值,知道欧姆定律的人都应该知道该怎么计算吧,所以,只是希望大家在选择之前,先了解单片机的这些参数,然后,根据参数进行计算。在计算时一定要留一定的预留空间。
IOL,IOH究竟指的是什么?
在看一些元器件的DATASHEET文件时,经常会碰到元器件的参数,IOL,IOH,IIL,IIH,我也知道他们指的是输入输出高低电平时的最大最小电流,但在连接时他们之间的匹配问题一直很模糊,如:IOL=1.5MA; IOH=-300UA
另一个的输入为:
IIL=-100UA; IIH=10UA;
他们之间是否能直接相接?IOL,IOH,究竟指的是什么?是驱动么?
参考答案:
IIL和IIH表示输入高低电平时的电流值,-号表示从器件流出电流。
IOL和IOH表示输出为低、高电平时的电流值,同样-号表示从器件流出的电流。
你所说的第一个器件表示在输出低电平的时候可以吸收(流入)1.5mA电流,输出为高电平的时候,可以输出300uA电流。第二个器件表示在输入低的时候会流出100uA电流,输入高的时候将吸收10uA电流。|IOL|> |IIL|,|IOH|> |IIH|,就表示输出器件可以带动输入器件。
4上下拉电阻
电阻的又一应用就是上下拉电阻,上拉就是将不确定的信号通过一个电阻钳位在高电平,电阻同时起限流作用。下拉同理。也是是将不确定的信号通过一个电阻钳位在低电平。
上拉是对器件输入电流,下拉是输出电流;强弱只是上拉电阻的阻值不同,没有什么严格区分;对于非集电极(或漏极)开路输出型电路(如普通门电路)提升电流和电压的能力是有限的,上拉电阻的功能主要是为集电极开路输出型电路输出电流通道。
►►1 当TTL电路驱动CMOS电路时,如果电路输出的高电平低于CMOS电路的最低高电平(一般为3.5V), 这时就需要在TTL的输出端接上拉电阻,以提高输出高电平的值。

►►2 OC门电路必须使用上拉电阻,以提高输出的高电平值。
►►3 为增强输出引脚的驱动能力,有的单片机管脚上也常使用上拉电阻。
►►4 在CMOS芯片上,为了防止静电造成损坏,不用的管脚不能悬空,一般接上拉电阻以降低输入阻抗, 提供泄荷通路。
►►5 芯片的管脚加上拉电阻来提高输出电平,从而提高芯片输入信号的噪声容限,增强抗干扰能力。
►►6 提高总线的抗电磁干扰能力,管脚悬空就比较容易接受外界的电磁干扰。
►►7 长线传输中电阻不匹配容易引起反射波干扰,加上、下拉电阻是电阻匹配,有效的抑制反射波干扰。
上拉电阻
就是从电源高电平引出的电阻接到输出端
►►1 如果电平用OC(集电极开路,TTL)或OD(漏极开路,CMOS)输出,那么不用上拉电阻是不能工作的, 这个很容易理解,管子没有电源就不能输出高电平了。
►►2 如果输出电流比较大,输出的电平就会降低(电路中已经有了一个上拉电阻,但是电阻太大,压降太高),就可以用上拉电阻提供电流分量, 把电平“拉高”。(就是并一个电阻在IC内部的上拉电阻上,这时总电阻减小,总电流增大)。当然管子按需要工作在线性范围的上拉电阻不能太小。当然也会用这个方式来实现门电路电平的匹配。
为什么要使用上拉电阻
一般作单键触发使用时,如果IC本身没有内接电阻,为了使单键维持在不被触发的状态或是触发后回到原状态,必须在IC外部另接一电阻。
数字电路有三种状态:高电平、低电平、和高阻状态,有些应用场合不希望出现高阻状态,可以通过上拉电阻或下拉电阻的方式使处于稳定状态,具体视设计要求而定!
一般说的是I/O端口,有的可以设置,有的不可以设置,有的是内置,有的是需要外接,I/O端口的输出类似于一个三极管的C,当C接通过一个电阻和电源连接在一起的时候,该电阻成为上拉电阻,也就是说,该端口正常时为高电平;C通过一个电阻和地连接在一起的时候,该电阻称为下拉电阻。
上拉电阻是用来解决总线驱动能力不足时提供电流的问题的。一般说法是上拉增大电流,下拉电阻是用来吸收电流。
5典型应用
►►1 固定电平
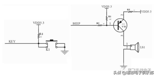
在外设没有收到控制时,我们需要把某一外设或单片机I/O端口固定在某一固定电平上时,需要根据需要接上下拉电阻,例如:

上图中,对于按键输入来说,在没有按下按键时,如果没有上拉电阻的存在,单片机端口将处于悬乎状态,没有确定电平,当然如果有内部上拉电阻的单片机除外,加上上拉电阻会,在没有按键时,单片机端口保持高电平,有按键时,单片机端口将输入低电平。而对于蜂鸣器来说,由于和按键有同样的效果,不加上拉电阻,无法区别在没有单片机控制时,三极管的工作状态,所以,必须加上上拉电阻以保障无单片机控制时,三极管截止,蜂鸣器不工作。
►►2 电平输入
有时候由于器件自身设计的原因,如果不接外部上下拉电阻,设备无法正常实现高低电平的转换。例如,对于开漏输出的I2C总线来说,如果不接上拉电阻,其只能输出低电平,无法实现高电平输出,加上上拉电阻,保证在没有控制信号时,通过上拉电阻实现高电平。
单片机外围电路设计之二:电容
电容,作为电子电路的又一基本元器件,大家也是熟悉不过的了。下面我们谈谈电容的一些基本应用及注意事项。但是,由于电容的应用非常广泛,未必能面面俱到,如果有网友觉得没有谈到的地方,希望公共完善。
1概念
电容(Capacitance)亦称作“电容量”,是指在给定电位差下的电荷储藏量,记为C,国际单位是法拉(F)。一般来说,电荷在电场中会受力而移动,当导体之间有了介质,则阻碍了电荷移动而使得电荷累积在导体上,造成电荷的累积储存,储存的电荷量则称为电容。电容是电子设备中大量使用的电子元件之一,广泛应用于隔直、耦合、旁路、滤波、调谐回路、能量转换、控制电路等方面。
电容(或称电容量)是表现电容器容纳电荷本领的物理量。

电容从物理学上讲,它是一种静态电荷存储介质,可能电荷会永久存在,这是它的特征,它的用途较广,它是电子、电力领域中不可缺少的电子元件。主要用于电源滤波、信号滤波、信号耦合、谐振、滤波、补偿、充放电、储能、隔直流等电路中。
在电路学里,给定电势差,电容器储存电荷的能力,称为电容(capacitance),标记为C。采用国际单位制,电容的单位是法拉(farad),标记为F。
电容的符号是C。
C=εS/d=εS/4πkd(真空)=Q/U
在国际单位制里,电容的单位是法拉,简称法,

符号是F,由于法拉这个单位太大,所以常用的电容单位有毫法(mF)、微法(μF)、纳法(nF)和皮法(pF)等,换算关系是:
1法拉(F)= 1000毫法(mF)=1000000微法(μF)
1微法(μF)= 1000纳法(nF)= 1000000皮法(pF)。
电容与电池容量的关系:
1伏安时=1瓦时=3600焦耳
w=0.5cuu
一个电容器,如果带1库的电量时两级间的电势差是1伏,这个电容器的电容就是1法,即:C=Q/U 但电容的大小不是由Q(带电量)或U(电压)决定的,即:C=εS/4πkd 。其中,ε是一个常数,S为电容极板的正对面积,d为电容极板的距离,k则是静电力常量。常见的平行板电容器,电容为C=εS/d(ε为极板间介质的介电常数,S为极板面积,d为极板间的距离)。

定义式:C=Q/U
电容器的电势能计算公式:E=CU^2/2=QU/2=Q^2/2C
多电容器并联计算公式:C=C1+C2+C3+…+Cn
多电容器串联计算公式:1/C=1/C1+1/C2+…+1/Cn
三电容器串联:C=(C1*C2*C3)/(C1*C2+C2*C3+C1*C3)
电容是指容纳电场的能力。任何静电场都是由许多个电容组成,有静电场就有电容,电容是用静电场描述的。一般认为:孤立导体与无穷远处构成电容,导体接地等效于接到无穷远处,并与大地连接成整体。
2电容的应用
根据电容在电路中的不同位置,电容表现着不同的状态,常见的分类如下:
►►1 按照结构分三大类:固定电容器、可变电容器和微调电容器;
►►2 按电解质分类有:有机介质电容器、无机介质电容器、电解电容器和空气介质电容器等;
►►3 按用途分有:高频旁路、低频旁路、滤波、调谐、高频耦合、低频耦合、小型电容器;
►►4 频旁路:陶瓷电容器、云母电容器、玻璃膜电容器、涤纶电容器、玻璃釉电容器;
►►5 低频旁路:纸介电容器、陶瓷电容器、铝电解电容器、涤纶电容器;
►►6 滤波:铝电解电容器、纸介电容器、复合纸介电容器、液体钽电容器;
►►7 调谐:陶瓷电容器、云母电容器、玻璃膜电容器、聚苯乙烯电容器;
►►8 高频耦合:陶瓷电容器、云母电容器、聚苯乙烯电容器;
►►9 低耦合:纸介电容器、陶瓷电容器、铝电解电容器、涤纶电容器、固体钽电容器;
►►10 小型电容:金属化纸介电容器、陶瓷电容器、铝电解电容器、聚苯乙烯电 容器、固体钽电容器、玻璃釉电容器、金属化涤纶电容器、聚丙烯电容器、云母电容器。
电容作用
*电容器的基本作用就是充电与放电,但由这种基本充放电作用所延伸出来的许多电路现象,使得电容器有着种种不同的用途,例如:在电动马达中,用它来产生相移;在照相闪光灯中,用它来产生高能量的瞬间放电等等。而在电子电路中,电容器不同性质的用途尤多,这许多不同的用途,虽然也有截然不同之处,但因其作用均来自充电与放电。下面是一些电容的作用列表:
耦合电容:用在耦合电路中的电容称为耦合电容,在阻容耦合放大器和其他电容耦合电路中大量使用这种电容电路,起隔直流通交流作用。
滤波电容:用在滤波电路中的电容器称为滤波电容,在电源滤波和各种滤波器电路中使用这种电容电路,滤波电容将一定频段内的信号从总信号中去除。
退耦电容:用在退耦电路中的电容器称为退耦电容,在多级放大器的直流电压供给电路中使用这种电容电路,退耦电容消除每级放大器之间的有害低频交连。
高频消振电容:用在高频消振电路中的电容称为高频消振电容,在音频负反馈放大器中,为了消振可能出现的高频自激,采用这种电容电路,以消除放大器可能出现的高频啸叫。
谐振电容:用在LC谐振电路中的电容器称为谐振电容,LC并联和串联谐振电路中都需这种电容电路。
旁路电容:用在旁路电路中的电容器称为旁路电容,电路中如果需要从信号中去掉某一频段的信号,可以使用旁路电容电路,根据所去掉信号频率不同,有全频域(所有交流信号)旁路电容电路和高频旁路电容电路。
中和电容:用在中和电路中的电容器称为中和电容。在收音机高频和中频放大器,电视机高频放大器中,采用这种中和电容电路,以消除自激。
定时电容:用在定时电路中的电容器称为定时电容。在需要通过电容充电、放电进行时间控制的电路中使用定时电容电路,电容起控制时间常数大小的作用。
积分电容:用在积分电路中的电容器称为积分电容。在电势场扫描的同步分离电路中,采用这种积分电容电路,可以从场复合同步信号中取出场同步信号。
微分电容:用在微分电路中的电容器称为微分电容。在触发器电路中为了得到尖顶触发信号,采用这种微分电容电路,以从各类(主要是矩形脉冲)信号中得到尖顶脉冲触发信号。
补偿电容:用在补偿电路中的电容器称为补偿电容,在卡座的低音补偿电路中,使用这种低频补偿电容电路,以提升放音信号中的低频信号,此外,还有高频补偿电容电路。
自举电容:用在自举电路中的电容器称为自举电容,常用的OTL功率放大器输出级电路采用这种自举电容电路,以通过正反馈的方式少量提升信号的正半周幅度。
分频电容:在分频电路中的电容器称为分频电容,在音箱的扬声器分频电路中,使用分频电容电路,以使高频扬声器工作在高频段,中频扬声器工作在中频段,低频扬声器工作在低频段。
负载电容:是指与石英晶体谐振器一起决定负载谐振频率的有效外界电容。负载电容常用的标准值有16pF、20pF、30pF、50pF和100pF。负载电容可以根据具体情况作适当的调整,通过调整一般可以将谐振器的工作频率调到标称值。
调谐电容:连接在谐振电路的振荡线圈两端,起到选择振荡频率的作用。
衬垫电容:与谐振电路主电容串联的辅助性电容,调整它可使振荡信号频率范围变小,并能显著地提高低频端的振荡频率。
中和电容:并接在三极管放大器的基极与发射极之间,构成负反馈网络,以抑制三极管极间电容造成的自激振荡。
稳频电容:在振荡电路中,起稳定振荡频率的作用。
定时电容:在RC时间常数电路中与电阻R串联,共同决定充放电时间长短的电容。
加速电容:接在振荡器反馈电路中,使正反馈过程加速,提高振荡信号的幅度。
缩短电容:在UHF高频头电路中,为了缩短振荡电感器长度而串联的电容。
克拉波电容:在电容三点式振荡电路中,与电感振荡线圈串联的电容,起到消除晶体管结电容对频率稳定性影响的作用。
锡拉电容:在电容三点式振荡电路中,与电感振荡线圈两端并联的电容,起到消除晶体管结电容的影响,使振荡器在高频端容易起振。
稳幅电容:在鉴频器中,用于稳定输出信号的幅度。
预加重电容:为了避免音频调制信号在处理过程中造成对分频量衰减和丢失,而设置的RC高频分量提升网络电容。
去加重电容:为了恢复原伴音信号,要求对音频信号中经预加重所提升的高频分量和噪声一起衰减掉,设置RC在网络中的电容。
移相电容:用于改变交流信号相位的电容。
反馈电容:跨接于放大器的输入与输出端之间,使输出信号回输到输入端的电容。
降压限流电容:串联在交流回路中,利用电容对交流电的容抗特性,对交流电进行限流,从而构成分压电路。
逆程电容:用于行扫描输出电路,并接在行输出管的集电极与发射极之间,以产生高压行扫描锯齿波逆程脉冲,其耐压一般在1500伏以上。
S校正电容:串接在偏转线圈回路中,用于校正显像管边缘的延伸线性失真。
自举升压电容:利用电容器的充、放电储能特性提升电路某点的电位,使该点电位达到供电端电压值的2倍。
消亮点电容:设置在视放电路中,用于关机时消除显像管上残余亮点的电容。
软启动电容:一般接在开关电源的开关管基极上,防止在开启电源时,过大的浪涌电流或过高的峰值电压加到开关管基极上,导致开关管损坏。
启动电容:串接在单相电动机的副绕组上,为电动机提供启动移相交流电压,在电动机正常运转后与副绕组断开。
运转电容:与单相电动机的副绕组串联,为电动机副绕组提供移相交流电流。在电动机正常运行时,与副绕组保持串接。
3去耦电容
电容的应用很广泛,其中最为常见的就是去耦电容。该一般应用在电源的旁边,作为是为了降低电源对地的交流阻抗(也称为旁路电容)。在没有这个电容时,电路的交流特性变得很奇特,严重时电路产生振荡。为此,单片机及其他外围器件的每一个电源输入脚都应该加上一个旁路电容。
电容的阻抗为1/(2π*f*C),频率越高,阻抗应该越小。在结构上,小容量的电容器在高的频率处,而大容量的电容器则在较低的频率处,电容的阻抗变得最低。因此,在电源上并联一个小容量电容和一个大容量电容是很有必要的,这样在很宽的频率范围降低电源对地的阻抗。

小容量的电容器是在高频情况下降低阻抗的,所以如果不配置在电路附近,则电容器的引线增长,由于引线本身的阻抗,电源的阻抗不能降低。使用在使用小电容时,一定将尽量靠近器件的电源输入脚,否则就算添加了这个电容也没有任何意义。大容量电容器由于其低频特性,在布局时可以适当离器件远些也没有问题。在低频电路上即使没有小电容C1,电路也能正常工作。但是在高频电路中,比起大电容C2来说,C1起着更为重要的作用。
通常小容量的电容器是0.01~0.1uF的陶瓷电容器(薄膜电容器为NG),大容量的电容器是1~100uF的铝电解电容。在实际应用中,小容量电容器常取104电容,大容量电容器常取10uF电容。
从习惯上来说,旁路电容也有大小两个电容,形成两条通路,也保证电路的可靠性。
电源是使电路进行工作的基础,因此,旁路电容可以认为是电路工作的“保险金”。在电路图中,一定要添加旁路电容,所以,从一个人的对旁路电容的应用,特别是布局就可以看出,其是否是高手了。
4耦合电容
耦合电容,又称电场耦合或静电耦合,是由于分布电容的存在而产生的一种耦合方式。耦合电容器是使得强电和弱电两个系统通过电容器耦合并隔离,提供高频信号通路,阻止工频电流进入弱电系统,保证人身安全。带有电压抽取装置的耦合电容器除以上作用外,还可抽取工频电压供保护及重合闸使用,起到电压互感器的作用。
电容耦合的作用是将交流信号从前一级传到下一级。耦合的方法还有直接耦合和变压器耦合的方法。直接耦合效率最高,信号又不失真,但是,前后两级工作点的调整比较复杂,相互牵连。为了使后一级的工作点不受前一级的影响,就需要在直流方面把前一级和后一级分开,同时,又能使交流信号从前一级顺利的传递到后一级,同时能完成这一任务的方法就是采用电容传输或者变压器传输来实现。他们都能传递交流信号和隔断直流,使前后级的工作点互不牵连。但不同的是,用电容传输时,信号的相位要延迟一些,用变压器传输时,信号的高频成分要损失一些。一般情况下,小信号传输时,常用电容作为耦合元件,大信号或者强信号传输时,常用变压器作为耦合元件。
耦合电容利用了电容最为主要的一个特性:隔直传交。通过这一特性,可以很好的把直流电路与交流电路进行耦合,以保障其相互协调工作。对于单片机外围电路来说,使用比较多的耦合电容是,单片机需要与交流信号进行通信的地方,例如:ADC和DAC。
在AD于DA电路上,我们需要把数字信号和模拟信号进行相互转换,为保障数字喜欢与模拟喜欢的互不干涉,我们往往需要在单片机的输入端或输出端串联一个电容,对电路进行耦合。
由于耦合电容和负载R1直接形成了高通滤波器,会因为输出端接不同输出电路的输入阻抗,电容应该进行相应的变化。为此,预先考虑接什么样的负载是至关重要的。

5起振电容
用于振荡回路中,与电感或电阻配合,决定振荡频率(时间)的电容称之为振荡电容。
查了数据手册得知实际频率和标称频率之间的关系:
Fx = F0(1+C1/(C0+CL))^(1/2);
而 CL = Cg*Cd/(Cg+Cd)+Cs;其中Cs为杂散电容,Cg和Cd为我们外部加的两个电容,通常大家取值相等,它们对串联起来加上杂散电容即为晶振的负载电容CL.
具体公式不用细想,我们可以从中得知负载电容的减小可以使实际频率Fx变大,
我们可以改变的只有Cg和Cd,通过初步的计算发现CL改变1pF,Fx可以改变几百Hz。
原有电路使用的是33pF的两个电容,则并联起来是16.5pF,我们的贴片电容只有27pF,33pF,39pF,所以我们选用了27pF和39pF并联,则电容为15.95pF。电容焊好后,测量比原来大了200多赫兹,落在了设计范围内。
结论:晶振电路上的两个电容可以不相等,通过微调电容的值可以微调晶振的振荡频率,不过如果你测了几片晶振,频率有大有小,而且偏移较大,那么这个晶振就是不合格的。
对于这电容来说,大家应该再熟悉不过了,基本上,没有一个带有微处理器的电路都至少有一个带有起振电容的电路。虽然,大多是情况下,我们都是按照经验选择这两个电容。实际上,这样不科学,有的时候晶振并不会工作。所以,选择合适是起振电容还是很有必要的。实际上,不同的晶振,起需要的起振电容是不同的,在购买晶振时应该选择合适的晶振,一般来说在晶振的数据手册上也提供了选择起振电容的依据。
不管怎么说,一般来说,我们还是可以根据经验是有电容:

在单片机的主时钟输入电路中,一般可以选择22pF左右的起振电容,而在RTC时钟中选择6pF的起振电容,是没有问题的。当然,如果对时钟的要求比较严格时,还是建议参考晶振数据手册,选择电容。
6复位电容
如图所示是电容复位电路。Al是CPU集成电路,①脚是集成电路Al的复位引脚,复位引脚一般用RESET表示,①脚内电路和外电路中的元件构成复位电路,Cl是复位电容,Sl是手动复位开关。这一复位电路的工作原理:I集成电路Al的①脚内电路有一个斯密特触发器和一个提拉电阻R1,它一端接在直流电压+5V上,另一端通过Al的①脚与外电路中的电容C1相连。

电路的电源开关接通后,+5V直流电压通过电阻R1对电容C1充电,这样在电源接通瞬间电容Cl两端没有电压(因为电容两端的电压不能突变),随着对电容Cl的充电,集成电路Al的①脚上的电压开始升高,这样可在Al的①脚上产生一个时间足够长的复位脉冲,时间常数一般为0.2s.
随着+5V直流电压的充电,Al的①脚上的电压达到了一定值,集成电路Al内部所有电路均可建立起初始状态,复位工作完成,CPU进入初始的正常工作状态。这一复位电路的目的:使集成电路Al的复位引脚①脚上直流电压的建立滞后于集成电路Al的+5V直流工作电压规定的时间,如图5-69所示的电压波形可以说明这一问题。

单片机外围电路设计之三:电感
电感作为一种能够改变电流的特殊器件,在数字电路中应用相对比较少,一般都应用在与电源相关的部分。
1概念
电感(inductance of an ideal inductor)是闭合回路的一种属性。当线圈通过电流后,在线圈中形成磁场感应,感应磁场又会产生感应电流来*制抵**通过线圈中的电流。这种电流与线圈的相互作用关系称为电的感抗,也就是电感,单位是“亨利(H)”。
电感是闭合回路的一种属性,即当通过闭合回路的电流改变时,会出现电动势来抵抗电流的改变。这种电感称为自感(self-inductance),是闭合回路自己本身的属性。假设一个闭合回路的电流改变,由于感应作用而产生电动势于另外一个闭合回路,这种电感称为互感(mutual inductance)。
自感
当线圈中有电流通过时,线圈的周围就会产生磁场。当线圈中电流发生变化时,其周围的磁场也产生相应的变化,此变化的磁场可使线圈自身产生感应电动势(感生电动势)(电动势用以表示有源元件理想电源的端电压),这就是自感。
互感
两个电感线圈相互靠近时,一个电感线圈的磁场变化将影响另一个电感线圈,这种影响就是互感。互感的大小取决于电感线圈的自感与两个电感线圈耦合的程度,利用此原理制成的元件叫做互感器。
电感符号:L
电感单位:亨(H)、毫亨(mH)、微亨(μH),换算关系为
1H=10^3mH=10^6μH=10^9nH。
换算:数值X10的n次方 如103 即为10X10的三次方nh 为10uh
除此外还有一般电感和精密电感之分
一般电感:误差值为20%,用M表示;误差值为10%,用K表示。
精密电感:误差值为5%,用J表示;误差值为1%,用F表示。
如:100M,即为10μH,误差20%。
2电感应用
电感是用绝缘导线(例如漆包线,沙包线等)绕制而成的电磁感应元件。属于常用元件。
电感的作用:通直流阻交流这是简单的说法,对交流信号进行隔离,滤波或与电容器,电阻器等组成谐振电路.
调谐与选频电感的作用:电感线圈与电容器并联可组成LC调谐电路。即电路的固有振荡频率f0与非交流信号的频率f相等,则回路的感抗与容抗也相等,于是电磁能量就在电感、电容之间来回振荡,这就是LC回路的谐振现象。谐振时由于电路的感抗与容抗等值又反向,因此回路总电流的感抗最小,电流量最大(指f=f0的交流信号),所以LC谐振电路具有选择频率的作用,能将某一频率f的交流信号选择出来。
磁环电感的作用:磁环与连接电缆构成一个电感器(电缆中的导线在磁环上绕几圈作为电感线圈),它是电子电路中常用的抗干扰元件,对于高频噪声有很好的屏蔽作用,故被称为吸收磁环,由于通常使用铁氧体材料制成,所以又称铁氧体磁环(简称磁环)。在图中,上面为一体式磁环,下面为带安装夹的磁环。磁环在不同的频率下有不同的阻抗特牲。一般在低频时阻抗很小,当信号频率升高后磁环的阻抗急剧变大。可见电感的作用如此之大,大家都知道,信号频率越高,越容易辐射出去,而一般的信号线都是没有屏蔽层的,这些信号线就成了很好的天线,接收周围环境中各种杂乱的高频信号,而这些信号叠加在原来传输的信号上,甚至会改变原来传输的有用信号,严重干扰电子设备的正常工作,因此降低电子设备的电磁干扰(EM)已经是必须考虑的问题。在磁环作用下,即使正常有用的信号顺利地通过,又能很好地抑制高频于扰信号,而且成本低廉。
电感的作用还有筛选信号、过滤噪声、稳定电流及抑制电磁波干扰等重要的作用。
电感的主要参数有电感量、允许偏差、品质因数、分布电容及额定电流等。
电感量
电感量也称自感系数,是表示电感器产生自感应能力的一个物理量。
电感器电感量的大小,主要取决于线圈的圈数(匝数)、绕制方式、有无磁心及磁心的材料等等。通常,线圈圈数越多、绕制的线圈越密集,电感量就越大。有磁心的线圈比无磁心的线圈电感量大;磁心导磁率越大的线圈,电感量也越大。
电感量的基本单位是亨利(简称亨),用字母“H”表示。常用的单位还有毫亨(mH)和微亨(μH),它们之间的关系是:
1H=1000mH
1mH=1000μH
允许偏差
允许偏差是指电感器上标称的电感量与实际电感的允许误差值。
一般用于振荡或滤波等电路中的电感器要求精度较高,允许偏差为±0.2%~±0.5%;而用于耦合、高频阻流等线圈的精度要求不高;允许偏差为±10%~15%。
品质因数
品质因数也称Q值或优值,是衡量电感器质量的主要参数。
它是指电感器在某一频率的交流电压下工作时,所呈现的感抗与其等效损耗电阻之比。电感器的Q值越高,其损耗越小,效率越高。
电感器品质因数的高低与线圈导线的直流电阻、线圈骨架的介质损耗及铁心、屏蔽罩等引起的损耗等有关。
分布电容
分布电容是指线圈的匝与匝之间,线圈与磁心之间,线圈与地之间,线圈与金属之间都存在的电容。电感器的分布电容越小,其稳定性越好。分布电容能使等效耗能电阻变大,品质因数变大。减少分布电容常用丝包线或多股漆包线,有时也用蜂窝式绕线法等。
额定电流
额定电流是指电感器在允许的工作环境下能承受的最大电流值。若工作电流超过额定电流,则电感器就 会因发热而使性能参数发生改变,甚至还会因过流而烧毁。
3储能电感
在开关电源中,由于在开关过程中输出电流是不能间断的,所以需要一个能够在这个时候释放能量的器件,这就是储能电感。这个电感一直伴随着各种开关电源。几乎所有的开关电源都必须伴随着这样一个电感的存在。
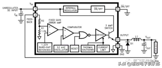
例如,在单片机系统中最常使用的开关电源LM2576电源电路中

所有的开关调节器都有两种基本的工作方式:即连续型和非连续型,两者之间的区别主要在于流过电感的电流不同,即电感电流若是连续的则称为连续型;若电感电流在一个开关周期内降到零则为非连续型。每一种工作模式都可以影响开关调节器的性能和要求。当负载电流较小时,在设计中可采用非连续模式。LM2576 既适用于连续型也适用于非连续型。通常情况下,连续型工作模式具有好的工作特性且能提供较大的输出功率、较小的峰峰值电流和较小的纹波电压。一般应用时可根据下面公式进行电感的选择:(电压单位:V 电流单位:A)

4隔离电感
使用电感对电源电路隔离也是比较常用的方法,在很多时候,我们需要把几个电源相互隔离以防其相互干扰,这时候最常使用的器件就是电感(有时会使用0Ω电阻代替)。

上图是一个单片机最小系统的一部分原理图,在图中我们可以看到。为了把单片机的数字地和模拟地进行隔离,使用了一个10uH的电感,以保证这两个电源的相对独立。
单片机外围电路设计之四:二极管
在单片机外围电路中,二极管的应用也非常广泛,而且二极管根据其应用不同,种类非常繁多,下面我们主要谈谈发光二极管、续流二极管、整流二极管、限幅二极管等。
1概述
二极管又称晶体二极管,简称二极管(diode),另外,还有早期的真空电子二极管;它是一种具有单向传导电流的电子器件。在半导体二极管内部有一个PN结两个引线端子,这种电子器件按照外加电压的方向,具备单向电流的转导性。一般来讲,晶体二极管是一个由p型半导体和n型半导体烧结形成的p-n结界面。在其界面的两侧形成空间电荷层,构成自建电场。当外加电压等于零时,由于p-n 结两边载流子的浓度差引起扩散电流和由自建电场引起的漂移电流相等而处于电平衡状态,这也是常态下的二极管特性。
二极管(英语:Diode),电子元件当中,一种具有两个电极的装置,只允许电流由单一方向流过。许多的使用是应用其整流的功能。而变容二极管(Varicap Diode)则用来当作电子式的可调电容器。
大部分二极管所具备的电流方向性我们通常称之为“整流(Rectifying)”功能。二极管最普遍的功能就是只允许电流由单一方向通过(称为顺向偏压),反向时阻断 (称为逆向偏压)。因此,二极管可以想成电子版的逆止阀。然而实际上二极管并不会表现出如此完美的开与关的方向性,而是较为复杂的非线性电子特征——这是由特定类型的二极管技术决定的。二极管使用上除了用做开关的方式之外还有很多其他的功能。
早期的二极管包含“猫须晶体("Cat's Whisker" Crystals)”以及真空管(英国称为“热游离阀(Thermionic Valves)”)。现今最普遍的二极管大多是使用半导体材料如硅或锗。
正向性
外加正向电压时,在正向特性的起始部分,正向电压很小,不足以克服PN结内电场的阻挡作用,正向电流几乎为零,这一段称为死区。这个不能使二极管导通的正向电压称为死区电压。当正向电压大于死区电压以后,PN结内电场被克服,二极管正向导通,电流随电压增大而迅速上升。在正常使用的电流范围内,导通时二极管的端电压几乎维持不变,这个电压称为二极管的正向电压。当二极管两端的正向电压超过一定数值Vth,内电场很快被削弱,电流迅速增长,二极管正向导通。Vth叫做门坎电压或阈值电压,硅管约为0.5V,锗管约为0.1V。硅二极管的正向导通压降约为0.6~0.8V,锗二极管的正向导通压降约为0.2~0.3V。
反向性
外加反向电压不超过一定范围时,通过二极管的电流是少数载流子漂移运动所形成反向电流。由于反向电流很小,二极管处于截止状态。这个反向电流又称为反向饱和电流或漏电流,二极管的反向饱和电流受温度影响很大。一般硅管的反向电流比锗管小得多,小功率硅管的反响饱和电流在nA数量级,小功率锗管在μA数量级。温度升高时,半导体受热激发,少数截流子数目增加,反向饱和电流也随之增加。
2二极管的应用
二极管种类有很多,按照所用的半导体材料,可分为锗二极管(Ge管)和硅二极管(Si管)。根据其不同用途,可分为检波二极管、整流二极管、稳压二极管、开关二极管、隔离二极管、肖特基二极管、发光二极管、硅功率开关二极管、旋转二极管等。按照管芯结构,又可分为点接触型二极管、面接触型二极管及平面型二极管。点接触型二极管是用一根很细的金属丝压在光洁的半导体晶片表面,通以脉冲电流,使触丝一端与晶片牢固地烧结在一起,形成一个“PN结”。由于是点接触,只允许通过较小的电流(不超过几十毫安),适用于高频小电流电路,如收音机的检波等。面接触型二极管的“PN结”面积较大,允许通过较大的电流(几安到几十安),主要用于把交流电变换成直流电的“整流”电路中。平面型二极管是一种特制的硅二极管,它不仅能通过较大的电流,而且性能稳定可靠,多用于开关、脉冲及高频电路中。
半导体二极管主要是依靠PN结而工作的。与PN结不可分割的点接触型和肖特基型,也被列入一般的二极管的范围内。包括这两种型号在内,根据PN结构造面的特点,把晶体二极管分类如下:
点接触型二极管
点接触型二极管是在锗或硅材料的单晶片上压触一根金属针后,再通过电流法而形成的。因此,其PN结的静电容量小,适用于高频电路。但是,与面结型相比较,点接触型二极管正向特性和反向特性都差,因此,不能使用于大电流和整流。因为构造简单,所以价格便宜。
面接触型二极管
面接触型或称面积型二极管的PN结是用合金法或扩散法做成的,由于这种二极管的PN结面积大,可承受较大电流,但极间电容也大。这类器件适用于整流,而不宜用于高频率电路中。
键型二极管
键型二极管是在锗或硅的单晶片上熔接或银的细丝而形成的。其特性介于点接触型二极管和合金型二极管之间。与点接触型相比较,虽然键型二极管的PN结电容量稍有增加,但正向特性特别优良。多作开关用,有时也被应用于检波和电源整流(不大于50mA)。在键型二极管中,熔接金丝的二极管有时被称金键型,熔接银丝的二极管有时被称为银键型。
合金型二极管
在N型锗或硅的单晶片上,通过合金铟、铝等金属的方法制作PN结而形成的。正向电压降小,适于大电流整流。因其PN结反向时静电容量大,所以不适于高频检波和高频整流。
扩散型二极管
在高温的P型杂质气体中,加热N型锗或硅的单晶片,使单晶片表面的一部变成P型,以此法PN结。因PN结正向电压降小,适用于大电流整流。最近,使用大电流整流器的主流已由硅合金型转移到硅扩散型。
台面型二极管
PN结的制作方法虽然与扩散型相同,但是,只保留PN结及其必要的部分,把不必要的部分用药品腐蚀掉。其剩余的部分便呈现出台面形,因而得名。初期生产的台面型,是对半导体材料使用扩散法而制成的。因此,又把这种台面型称为扩散台面型。对于这一类型来说,似乎大电流整流用的产品型号很少,而小电流开关用的产品型号却很多。
平面型二极管
在半导体单晶片(主要地是N型硅单晶片)上,扩散P型杂质,利用硅片表面氧化膜的屏蔽作用,在N型硅单晶片上仅选择性地扩散一部分而形成的PN结。因此,不需要为调整PN结面积的药品腐蚀作用。由于半导体表面被制作得平整,故而得名。并且,PN结合的表面,因被氧化膜覆盖,所以公认为是稳定性好和寿命长的类型。最初,对于被使用的半导体材料是采用外延法形成的,故又把平面型称为外延平面型。对平面型二极管而言,似乎使用于大电流整流用的型号很少,而作小电流开关用的型号则很多。
合金扩散型二极管
它是合金型的一种。合金材料是容易被扩散的材料。把难以制作的材料通过巧妙地掺配杂质,就能与合金一起过扩散,以便在已经形成的PN结中获得杂质的恰当的浓度分布。此法适用于制造高灵敏度的变容二极管。
外延型二极管
用外延面长的过程制造PN结而形成的二极管。制造时需要非常高超的技术。因能随意地控制杂质的不同浓度的分布,故适宜于制造高灵敏度的变容二极管。
肖特基二极管
基本原理是:在金属(例如铅)和半导体(N型硅片)的接触面上,用已形成的肖特基来阻挡反向电压。肖特基与PN结的整流作用原理有根本性的差异。其耐压程度只有40V左右。其特长是:开关速度非常快:反向恢复时间trr特别地短。因此,能制作开关二极和低压大电流整流二极管。
3发光二极管
发光二极管是学习单片机的入门器件,因为其亮灭状态能够清晰的体现出单片机关键的电平状态。当然,作为指示电路,LED也是必不可少的。

LED的基本架构如上图,只要在LED的两个管脚上添加正确的电压,LED就可以发光,那么应该在LED管脚上添加多少伏电压呢?
有的网友可能已经使用过多种LED了吧,不过,不知道你是否知道LED的工作电压?不同颜色的LED,由于使用的材料不同,其工作电压是不同的。一般来说红色、黄色的LED,其工作电压在2V左右;而蓝色、绿色和白色的LED,其工作电压在3V左右。如果设计的产品的专门的LED发光类的产品(LED护栏管、LED照明灯等),应该保证LED的工作电压在其正常工作的电压范围,具体的LED灯的工作电压可以通过LED厂家提供的LED参数确定。同时,如果要让LED正常工作,一般其工作电流在20mA左右。当然,如果我们使用的LED是用来作为指示用,那么并不需要LED发太亮的光,在这种情况下,一般认为LED的工作电压在2V左右,工作电流4mA即可,如果需要调节亮度,可以通过改变限流电阻确定。

上图是最简单的LED应用电路,在这个电路中需要注意的是限流电阻R1的选择。如果该电路用于指示用,而且单片机的I/O端口可以输出4mA左右的电流,则可以直接通过单片机端口控制,则R1的计算公式如下:
R1 = (VCC - Vled )/ 4mA
但是,如果这个电路用作照明用,显然是单片机的I/O端口是无法输出这么大电流的,这是,我们可以考虑用三级管或FET来开关控制。当然,如果作为一般指示电路使用时,如果单片机无法输出4mA的电流时,也可用于使用三极管货FET来驱动LED。
4续流二极管
我们通常所说的“续流二极管”由于在电路中起到续流的作用而得名,一般选择快速恢复二极管或者肖特基二极管来作为“续流二极管”,它在电路中一般用来保护元件不被感应电压击穿或烧坏,以并联的方式接到产生感应电动势的元件两端,并与其形成回路,使其产生的高电动势在回路以续电流方式消耗,从而起到保护电路中的元件不被损坏的作用。
续流二极管经常和储能元件一起使用,防止电压电流突变,提供通路。电感可以经过它给负载提供持续的电流,以免负载电流突变,起到平滑电流的作用。在开关电源中,就能见到一个由二极管和电阻串连起来构成的的续流电路。这个电路与变压器原边并联。当开关管关断时,续流电路可以释放掉变压器线圈中储存的能量,防止感应电压过高,击穿开关管。一般选择快速恢复二极管或者肖特基二极管就可以了,用来把线圈产生的反向电势通过电流的形式消耗掉,可见“续流二极管”并不是一个实质的元件,它只不过在电路中起到的作用称做“续流”。
例如:下面的继电器开关电路

当开关的负载为继电器或电动机等电感性负载时,在截断流过负载的电流时(晶体管进入截止状态)会产生反向电动势。这时产生的电压非常大。当这种电压超过晶体管的集电极-基极间、集电极-发射机间电压的最大额定值Vcbo、Vceo时,晶体管将会被击穿。
并联续流二极管后,而与二极管与继电器形成闭合回路,可以放掉继电器线圈产生的高达140V的反向电压,从而保证集电极电位不高于电源电压的0.6V,而防止晶体管被击穿。
5整流二极管
一种将交流电能转变为直流电能的半导体器件。通常它包含一个PN结,有正极和负极两个端子。
整流二极管一般为平面型硅二极管,用于各种电源整流电路中。
选用整流二极管时,主要应考虑其最大整流电流、最大反向工作电流、截止频率及反向恢复时间等参数。
普通串联稳压电源电路中使用的整流二极管,对截止频率的反向恢复时间要求不高,只要根据电路的要求选择最大整流电流和最大反向工作电流符合要求的整流二极管即可。例如,1N系列、2CZ系列、RLR系列等。
开关稳压电源的整流电路及脉冲整流电路中使用的整流二极管,应选用工作频率较高、反向恢复时间较短的整流二极管(例如RU系列、EU系列、V系列、1SR系列等)或选择快恢复二极管。还有一种肖特基整流二极管。
整流二极管一般应用在电源电路中,常见的有交流变直流时的电桥。防止电源接反时的,保护二极管等等。对于这类二极管,主要应用的是其单向导电性。在实际的应用中,比较常用的系列是1N系列。
半波整流

全波整流

6稳压二极管
稳压二极管,英文名称Zener diode,又叫齐纳二极管。此二极管是一种直到临界反向击穿电压前都具有很高电阻的半导体器件.在这临界击穿点上,反向电阻降低到一个很小的数值,在这个低阻区中电流增加而电压则保持恒定,稳压二极管是根据击穿电压来分档的,因为这种特性,稳压管主要被作为稳压器或电压基准元件使用.其伏安特性见图1,稳压二极管可以串联起来以便在较高的电压上使用,通过串联就可获得更多的稳定电压。

这类二极管往往应用在对电压有一定的特殊要求的地方,高于稳压二极管的电压将会被二极管吃掉,从而起到稳压的作用,当然也可也到限幅的作用。这种二极管一般在单片机电路中,常用用于对输入高电压的信号进行处理,以整输入电压在一个合理的范围,确保不对单片机的I/O端口进行破坏。
单片机外围电路设计之五:三极管
三级管是一起数字键电路的基础,在数字电路中三极管一般工作在开关状态,所以,在这里,我们将谈谈,三极管工作在开关状态的一些问题,至于放大电路的应用,这里就不在说明了。
1概述
半导体三极管又称“晶体三极管”或“晶体管”。在半导体锗或硅的单晶上制备两个能相互影响的PN结,组成一个PNP(或NPN)结构。中间的N区(或P区)叫基区,两边的区域叫发射区和集电区,这三部分各有一条电极引线,分别叫基极B、发射极E和集电极C,是能起放大、振荡或开关等作用的半导体电子器件。
晶体三极管(以下简称三极管)按材料分有两种:锗管和硅管。而每一种又有NPN和PNP两种结构形式,但使用最多的是硅NPN和锗PNP两种三极管,(其中,N表示在高纯度硅中加入磷,是指取代一些硅原子,在电压刺激下产生自由电子导电,而p是加入硼取代硅,产生大量空穴利于导电)。两者除了电源极性不同外,其工作原理都是相同的,下面仅介绍NPN硅管的电流放大原理。 对于NPN管,它是由2块N型半导体中间夹着一块P型半导体所组成,发射区与基区之间形成的PN结称为发射结,而集电区与基区形成的PN结称为集电结,三条引线分别称为发射极e、基极b和集电极c。
当b点电位高于e点电位零点几伏时,发射结处于正偏状态,而C点电位高于b点电位几伏时,集电结处于反偏状态,集电极电源Ec要高于基极电源Ebo。在制造三极管时,有意识地使发射区的多数载流子浓度大于基区的,同时基区做得很薄,而且,要严格控制杂质含量,这样,一旦接通电源后,由于发射结正偏,发射区的多数载流子(电子)及基区的多数载流子(空穴)很容易地越过发射结互相向对方扩散,但因前者的浓度基大于后者,所以通过发射结的电流基本上是电子流,这股电子流称为发射极电流了。由于基区很薄,加上集电结的反偏,注入基区的电子大部分越过集电结进入集电区而形成集电极电流Ic,只剩下很少(1-10%)的电子在基区的空穴进行复合,被复合掉的基区空穴由基极电源Eb重新补给,从而形成了基极电流Ibo.根据电流连续性原理得:Ie=Ib+Ic,这就是说,在基极补充一个很小的Ib,就可以在集电极上得到一个较大的Ic,这就是所谓电流放大作用,Ic与Ib是维持一定的比例关系,即:β1=Ic/Ib 式中:β1--称为直流放大倍数,集电极电流的变化量△Ic与基极电流的变化量△Ib之比为:β= △Ic/△Ib。式中β--称为交流电流放大倍数,由于低频时β1和β的数值相差不大,所以有时为了方便起见,对两者不作严格区分,β值约为几十至一百多。三极管是一种电流放大器件,但在实际使用中常常利用三极管的电流放大作用,通过电阻转变为电压放大作用。
2三极管工作原理
掌握三极管的工作原理,在理解电路上是非常重要的。但是在不能设计三极管电路的技术人员中,大部分都是对三极管的工作电路没有形象的认识。所以,如何形象认识三极管的工作原理,成为使用和设计电路的关键。
由于三极管大多工作在放大状态,这也是三极管应用的基础,下面我们将从三极管放大开始,逐步了解三极管的工作原理。
何为放大?
三极管是只具有“放大”的单功能器件,这个“放大”功能是非常有用的,在初学者看来三极管的放大工作原理应该是如下图所示:

实际上不是这样的,从能量守恒可以知道,信号是不可能无缘无故被放大的,放大的信号也必定有来源。输入小的信号,要变成放大的信号,这个能量只能来源于电源供电,即由电源输出一个被放大的形状相同的信号。所以,在外部看来,可以看成输入信号被“放大”了,这就是三极管的放大原理。

工作原理
三极管的内部工作原理其实很简单,如下图所示,基极与发射极之间流过的电流进行不断地监视,并控制集电极与发射极之间放大的电流。也就是说,三极管用基极电流来控制集电极和发射极之间的电流。

不管什么样的三极管,其实其工作原理是完全一致的,从外部看来,因为在基极输入了一个小电流被变化而出现在集电极和发射极之间就出现了一个被放大的电流。
三极管实际上可以这样理解,在三极管的基极和发射极之间加入了二极管,当三极管工作时,基极与发射极之间的二极管的正向压降为0.6~0.7V。反过来可以这样理解,要让三极管工作,实际上可以让三极管里边的二极管工作,当这个二极管工作了,那么三极管以就工作了。

而且从上图可以看出,由箭头可以看出PN极的方向,同时由这个PN结就可以确定管子的类型为NPN,还是PNP了。例如上图的第一个三极管基极的PN结的P,发射极是PN结的N,故集电极应该为N,所以,第1个三极管为NPN型,同样的方法可以确定第2个三极管为PNP。
两种类型的晶体管
实际上三极管的NPN和PNP都是由两PN结构成。所以,我们可以认为,三极管的基极和发射机间与基极和集电极之间连接2个二极管。在一般的放大电路中,使基极和发射极之间的二极管导通,使基极和集电极之间的二极管截止来设置三极管各端电位。

3三极管开关电路
三极管可以工作在三种状态:截止、放大、饱和。在模拟电路中,一般比较常用的是放大状态,而在单片机外围电路中,我们比较常用的还是其开关状态,即工作在截止和饱和状态。
实际上三极管的开关电路可以从放大电路逐步演变而来。如下图所示:

上图左边是正常的放大电路,右边是我们需要的开关电路。从这两个波形不难看出,其状态很像,只是一个是正弦波,一个是方波。如果我们把放大倍数调大,或者把输入信号增大,那么会导致什么现象呢?这一点不难想象,输入输出信号的增大,放大波形的上下均会被切掉。切掉后的正弦波是不是很像我们的方波呢?由此可以看出,我们只需要修改这个放大电路,让其进入两个极端就可以得到开关电路了。
从放大电路到开关电路
从发射极放大电路演变掉开关电路的示意图如下:

从图中可以看出,电路(a)去掉输入输出两个耦合电容后得到了电路(b),由于放大倍数是有Rc和Re两个电阻决定的,所以去掉Re后,得到了电路(c),同时,基极偏置电路也没有什么必要,当输入信号为0V时三极管处于截止状态,如图(d)。
为了确保在没有任何信号输入时,三极管处于截止状态,这里加上了下拉电阻R2。我们知道,如果在电路中输入信号超过0.6V时,三极管的基极和发射极之间的二极管将导通,开始为电路提高基极电流,在这种状态下,由于没有限制电流的大小,可能会损害单片机端口和三极管,为此还需要在基极上添加一个限流电阻。至此一个开关电路就这样演变而来。
负载放置
开关电路完成了,那么负载应该放在什么地方呢?对于这个电路,负载的放置有两种方式:


上图上边是开路集电极电路,跟负载使用电源没有关系,只要基极有电压,电路就能工作;而上图下边的是开路发射极,基极电压与负载电源是有关系的,输出电压要比输入电压低0.6V。所以,这两种开关电路各有优缺点。上边电路的开关速度不够高,还必须通过添加其他器件来提高其开关速度。而下边电路的开关速度却非常快,但输入电源和输出电源有关联。所以,在实际的应用中,比较常用的还是左边的那种方式,本人也建议尽量采用上边的(b)图,而尽量不要应用右边的这两种方式。
4如何提高开关速度
上面提到开路集电极电路的最大缺点就是开关速度不够快,在需要快速开关时,达不到我们的要求,为此下面我们看看怎么来提高其开关速度。
加速电容

如上图所示,由于基极限流电路的作用,导致其开关速度受限。为此给限流电阻R1并联一个小容量的电容器。这样,当输入信号上升、下降时能够使R1电阻瞬间被旁路并提供基极电流,从而消除开关时间滞后。
肖特基箍位

提高三极管开关速度的另外一种方法是添加肖特基二极管箍位。这里利用的是这种二极管是采用金属与半导体接触形成具有整流作用,这种二极管的开关速度很快。
5三极管的应用
三级管的开关应用非常多,常见的有控制继电器、控制LED、控制LCD背光、控制光耦等,一切开关电路几乎都可以使用三极管或者需要三极管协助完成。
继电器控制
继电器是磁性机械开关元件,是用逻辑信号开关各种信号时使用的元件。继电器工作电流相对比较大,直接使用单片机的I/O端口控制是无法实现的,在这种情况下,一般需要使用三极管来驱动控制。在选择三极管时,可以使用NPN,也可以使用PNP。对于这两种三级管来说,唯一不同的就是驱动电平而已,其他完全一致。

上图是继电器驱动常见电路,这里使用的是NPN三极管,高电平控制。为保证没有控制信号时,三极管处于截止状态,继电器不工作,这里加了一个10K的下拉电阻。为了限制基极的输入电流,这里使用了4.3K的限流电阻,保证在单片机控制下,最大输入电流Ib=(5-0.6)/4.3K=1mA。同时,我们再次强调,在继电器端必须并联一个续流二极管,否则开关继电器的同时可能会损坏三极管,这一点我们在讲述二极管时已经说明。
LED驱动
对于需要提供大电流才工作的LED电路,我们也必须考虑使用三极管来驱动,有时甚至会需要多个三极管同时才能驱动。

对于上图来说,每一路LED的显示和每一个LED数码管的驱动,都会使用大的电流。7段数码管的每一段LED需要打电流大概是30mA,而其电流的控制由其串联的限流电阻确定。我们之前也说过,一般LED的工作压降为2V,所以LED的工作电流I=5-2-0.6/82=30mA。
由于7段数码管是共阴的,当7段同时工作时输出电流有210mA的电流,为保证其能够正常工作,这里采用两个三极管驱动控制。
6总结:
虽然说在三极管的基极和发射极之间只要有0.6V的工作电压,三极管就可以导通,但是并不意味着三极管导通就可以在集电极和发射极之间通过任何电流。这里所谓的开关状态是指,在集电极和发射极之间可以有电流通过。但是,在任何情况下三极管都没有绝对的导通,导通只是相对的,基极电流越大,开关控制的输出电流也越大。由于受到三极管本身的限制,能够通过的电流是由限的。为此大家一定要认识到,需要控制不同电流导通时,应该采用不同的基极电流或者不同的三极管。
单片机外围电路设计之六:场效应管
对于场效应管来说,在大学期间老师基本没有讲,让自己自学。到了工作的时候,我们发现场效应管应用还是比较广泛的。其实场效应管和三极管还是很相似的。在很多应用中,甚至可以直接贴换三极管。
1概述
场效应晶体管(Field Effect Transistor缩写(FET))简称场效应管。由多数载流子参与导电,也称为单极型晶体管。它属于电压控制型半导体器件。具有输入电阻高(10^7~10^12Ω)、噪声小、功耗低、动态范围大、易于集成、没有二次击穿现象、安全工作区域宽等优点,现已成为双极型晶体管和功率晶体管的强大竞争者。
特点
与双极型晶体管相比,场效应管具有如下特点。
(1)场效应管是电压控制器件,它通过VGS(栅源电压)来控制ID(漏极电流);
(2)场效应管的控制输入端电流极小,因此它的输入电阻(Ω)很大。
(3)它是利用多数载流子导电,因此它的温度稳定性较好;
(4)它组成的放大电路的电压放大系数要小于三极管组成放大电路的电压放大系数;
(5)场效应管的抗辐射能力强;
(6)由于不存在杂乱运动的电子扩散引起的散粒噪声,所以噪声低。
场效应管是电压控制元件,而晶体管是电流控制元件。在只允许从信号源取较少电流的情况下,应选用场效应管;而在信号电压较低,又允许从信号源取较多电流的条件下,应选用晶体管。场效应管是利用多数载流子导电,所以称之为单极型器件,而晶体管是既有多数载流子,也利用少数载流子导电,被称之为双极型器件。
2工作原理
和三极管一样场效应管也可以应用在放大电路中,而且和三极管是放大基本一致,其放大原理如下:

和三极管一样,场效应管的放大也是通过电源实现的,而不是信号自己放大。

与三极管对比我们发现三极管是通过电流控制放大的,而场效应管则是通过电压放大的。

3开关电路
场效应管的开关电路和三极管的开关电路一样,都是可以从放大电路变化而得。这里不在说明其变化过程。

同样把负载放置在Rd的位置。

对于偏置电阻的确定,需要注意:其作用和三极管的上下拉电阻一样,用于确定栅极的电平状态,取值一般没有要求,大都取1M。
4开关电路应用
场效应管的开关电路应用非常广泛,由于其为电压控制型,而且内阻非常小,常常应用在各种大电流开关控制电路中。例如,热敏微型打印机电源开关、外部电源输出开关等等。简单的说,一般小电流开关电路可以适用三极管,大电流开关电路使用场效应管,这里就不在列举实例了。
5总结:
和三极管一样,其开关并不是绝对的,虽然说,在一定的工作电压下,场效应管就处于开关状态。但它的开关状态并不是没有内阻,其内阻的变化一般都是跟随其外部电压的大小而变化。所以,为了减小其内阻,应尽量加大其开关电压值。具体多大合适一定要查询芯片资料