这是我好久以前收集并整理的一篇有关于反激式开关电源原理文章,介绍的详细,且易懂,今天就发出来,(不是原创)大家觉得有用,就点个赞,也可关注我:光头机电。
一、开关电源总框图:

二、原理图:

三、电源输入
最小输入交流电压:85V
最大输入交流电压:265V
二极管导通时间:2.69 ms
估计效率:ŋ = 78.0 %
损耗分配因子:0.46 (Z表示次级损耗与总损耗的比值,Z=0表示全部损耗发生在初级,Z=1表示发生在次级)
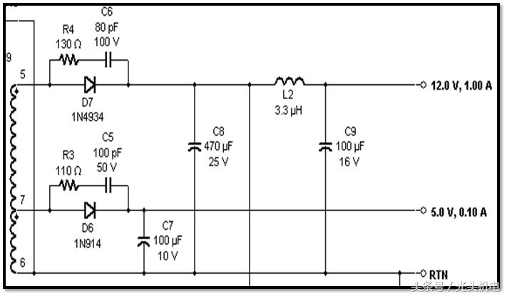
四、电源输出
输出1:电压:12V 电流:1A 功率:12W
输出2: 电压:5V 电流:0.1A 功率:0.5W
总功率:Po = 12.5W
五、整流桥和滤波电路
1、整流桥:

最小直流输入电压: Vdc(min) = 根号2 * Vac(min) = 120.19V
最大直流输入电压:Vdc(max) = 根号2 * Vac(max) = 374.71V
输入功率:Pin = Po / ŋ = 16W
整流桥反向击穿电压

Umax为最大交流输入电压, Ubr>= 468.4V
整流桥有效电流

Umin为最小输入电压 ,cos φ为开关电源功率因数(0.5~0.7,取0.7), Irms = 0.27A
IAVG = (0.6~0.7)Irms = 0.65 * 0.27 = 0.18A
2、滤波电容


Umin为最小交流输入电压,UImin为最小直流输入电压 = Pin / Iavg = 89V 取90V, C1 = 37uF
3.共模扼流圈
共模扼流圈的电感量与额定电流有关
六、漏极钳位保护
MOS管由导通到截止时,会的初阶绕组上产生尖峰电压和感应电压,其与直流高压叠加在MOS管的漏极上,容易损坏MOS管,因此加了钳位保护电路

输入直流电压的最大值UImax、一次绕组的感应电压UOR、钳位电压UB与UBM、最大漏极电压UDmax、漏一源击穿电压U(BR)DS
七、反馈电路
稳压管VR2利用调节流过自身的电流大小(端电压基本不变)来满足负载电流的改变,并和限流电阻R5配合将电流的变化转化为电压的变化以适应电网电压的变化。
输出电压由光耦合器中的LED正向压降,R5上的压降和稳压管VR2之和;
R2 和V R2 还为12V 输出提供一个假负载,用以改善轻载时的稳压性能; LED正向压降与R5压降在1V左右;
当输出电压升高时,R5两端电压也升高,光耦合器二极管导通,导致TNY277的MOS管关闭,即,占空比减小,输出电压降低。
同理,输出电压降低时,TNY277的MOS管占空比增加,使得输出电压增加。
八、输出电路

由输出整流二级管D7和LC滤波电路L2、C8以及输出电容C9组成输出电路; R4、C6为削尖峰电路
九、变压器

磁芯:

骨架:

初级引脚 4 , 次级引脚 3 , 最小初级电感 49µH , 额定初级电感量 965µH , 磁芯截面积 23.00 mm²
计算初级电感量Lp=(Vindcmin*Dm)/(Ipk*fosc)=100*0.5/0.297*60000=0.0028H=2.8mH;
计算初级圈数Np=1000*根号下(Lp/Al)=158T; , 匝比n=Vo/Vindcmin=0.18
初级绕组线径计算:
a:先算初级电流均值Iprms=Ipk/1.414=0.27A
b:导线截面积S=Iprms/JdJd—单位面积电流 自然风冷式取1.5~4A/mm^2,强制式风冷时取3~6 取5.3
初级绕组第1部分初级绕组的取整(整数)圈数 88 Np=1000*根号下(Lp/Al)
初级绕组线径尺寸 30 AWG 0.0507 mm2 S=Iprms/Jd
次级1绕组圈数 6 , 次级1绕组线径尺寸 27
次级2绕组圈数 5 , 次级2绕组线径尺寸 27
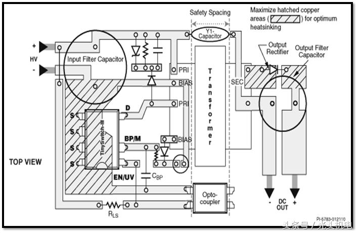
十、PCB
请关注我:光头机电,去获取更多有价值的机械电子知识!