
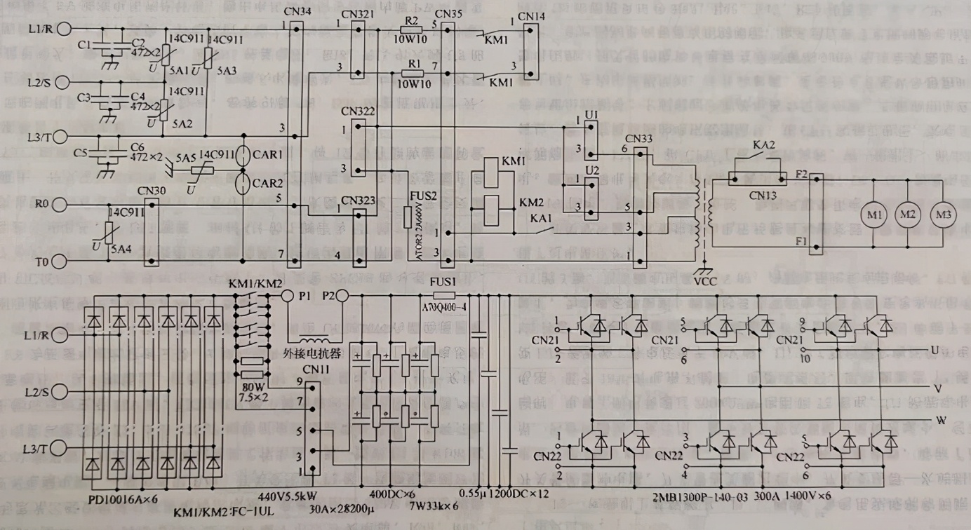
主电路:三相整流桥由6块半桥整流块两两并联组成。逆变输出电路由6块两管式IBGT模块两两并联组成,块并联容最为600A。我们常说,哪类机器比较抗“造”,质量过硬,而此机器必定是采用真材实料、精工制作的。90kW变频器的额定电流为170A左右,而该机模块容量为600A,是额定电流的3倍以上,任何品牌的变频器按此规格选用输出模块,那必定也是一台有较强抗过载能力、不会轻易损坏的变频器。
Ll/R、L2/S、L3/T三相交流电源输入端子,安装了一大片接地(机器外壳)电容C1~C6、压敏电阻5A1~5A4、5A5和放电泡CAR1、CAR2,其他变频器很少采用这种形式,这些元件真的好像是可有可无。但这么做,却是较好地吸收了电网侧的异常电压尖峰和噪声扰动,对电网和变频器,对开关电源辐射干扰的屏蔽和保障其稳定工作,都起了很好的作用。
与其他变频器开关电源的工作方式有所不同,该机的开关电源是上电即起振工作。从L.1、L3端子输入的380V交流电压,经端子CN321,R2、R1限流电阻、KM1的动断触头,由CN14输出,作为开关电源的供电。开关电源上电即起振,而不是像其他变频器一样,要待直流回路的储能电容器充电建立起一定电压后,开关电源才能起振工作。变频器上电时,三相整流桥的整流电压经两只并联7.580W电阻给直流回路的储能电容充电,电容器上建立起一定幅度的电压后,CPU根据电压检测电路输入的信号,输出KM1、KM2的吸合指令——令控制继电器KA1得电吸合,两只接触器的动合触头闭合,提供变频器主电路的工作电源。
P1、P2端子外接直流电抗器,此电抗器虽不在机内安装,但是作为变频器的配套附属件一起销售和安装的。厂家并没有用铜排将两端子短接,而省掉了直流电抗器,说明机器价格高配置也相应地高。KMI得电吸合后,其动断触头开断,开关电源切换到CN11的3端子经熔断器FUS1、D5支路(见图四十四)的供电,CN14端子的上电瞬间的供电使命,随着KM1的吸合而宣告完成。该机器控制电源的一大片端子,也叫人员,十几个端子,对散热风扇电源和开关电源的配电进行分配与切换。
端子CN321、CN322、CN323在图中是用虚线连接的,实际应用中,3个端子是一只一刀两掷地切换开关,CN322是中间的一个刀,与CN321相短接时,即将L1、L3输入端子的压接至与CN33端子相连的散热风扇供电变压器;而CN322与CN323短接时,散热风扇供电变压器即可接入由RO、T0控制端子输入的外接电源。端子U1、U2也起到调节散热风扇变压器供电电压的作用。FUS2为散热风扇变压器的电源熔断器。
KM1、KM2线圈的额定电压为220V,是变压器一次绕组以白耦方式馈电的。散热风扇供电也是交流220V,却是由变压器隔离输出供电的,3只散热风扇的运转由CPU通过继电器KA2来控制。
逆变模块的供电回路中申入了A70Q400-4快熔型400A熔断器一只,对于600A模块来说,输出电流异常时,400A快熔熔断器能起到一定作用。有的变频器此熔丝是串入整流电路后储能电容器之前的,熔断器的安装位置就有些不太合理了:异常状态下,即使熔丝已经熔断,而储能电容器也能释放足够的能量使逆变模块炸裂。该机器在模块容量和熔丝取值有“保守之嫌”,但如此保守,确实保障了机器的过载能力和低故障率。