通信电源是整个通信系统的重要组成部分,就像人体的心脏一样,电源设备供电质量及供电可靠性,将直接影响整个通信系统及其质量。
通信电源设备和设施主要包括:交流市电引入线路、高低压局内供配电设备、油机发电机组、整流器、蓄电池组、直流变换器、UPS、以及各种交直流配电屏等,组成一个完整供电系统,合理的进行控制、分配、输送,满足通信设备的要求。
本文内容包括:
■高低压配电系统
■直流供电系统
■UPS供电系统
■新能源供电系统
■油机发电机组
■防雷接地系统
■电力电缆及断路器
■动力环境监控系统
高低压配电系统
高低压配电系统组成和作用

一般通信企业变电站所输入电压为10KV,所以高压传输的电能送到电信企业需要将35KV~220KV高压降至10KV。
高低压配电系统设备作用:将高压(10KV)引入进高压进线柜、计量柜、避雷柜、出线柜至变压器高压侧。
低压配电设备作用:变压器低压侧出线进低压进线柜经电容补偿柜和若干个出线柜,作用是集中和分配电能。
高压配电设备
低压配电设备
低压(380/220) 配电柜(屏)/低压开关柜是连接降压变压器、低压电源和交流负载的装置,它可以完成市电与备用电源转换、负载分路以及保护、测量、告警等功能
市电分类
■一类市电供电为从两个稳定可靠的独立电源各自引入一路供电线。该两路不应同时出现检修停电,平均每月停电次数不应大于1次,平均每次故障时间不应大于0.5h。两路供电线宜配置备用市电电源自动投入装置。
■二类市电供电线路允许有计划检修停电,平均每月停电次数不应大于3.5次,平均每次故障时间不应大于6h。供电应符合下列条件之一的要求:
a.由两个以上独立电源构成稳定可靠的环形网上引入一路供电线。
b.由一个稳定可靠的独立电源或从稳定可靠的输电线路上引入一路供电线。
■三类市电供电为从一个电源引入一路供电线,供电线路长、用户多、平均每月停电次数不应大于4.5次,平均每次故障时间不应大于8h。
■四类市电供电应符合下列条件之一的要求:
a.由一个电源引入一路供电线,经常昼夜停电,供电无保证,达不到第三类市电供电要求。
b.有季节性长时间停电或无市电可用。
直流供电系统
直流供电系统简介
直流供电系统是向通信局(站)提供直流(基础)电源的供电系统。根据工信部最新颁布的《通信局(站)电源系统总技术要求》的规定:
■-48V和±24V为直流基础电源
■其中-48V为首选基础电源,
■± 24V为过渡电源(逐步淘汰、在新建系统中不再使用)。在实际应用中如果必需± 24V或者其他直流电压种类的电源,一般通过直流-直流变换器的方式将-48V基础电源变换成± 24V或其他直流电压种类的电源。
集中供电系统
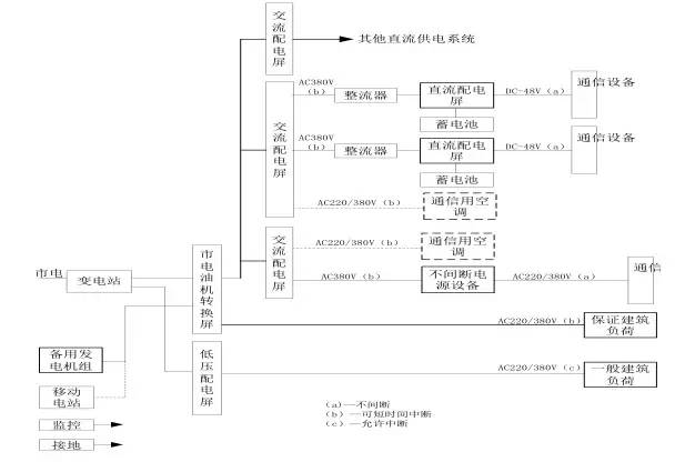
通信电源系统由高低压配电系统、变压器、低压配电、油机发电机组、整流器、交、直流配电屏、UPS电源、蓄电池组、变换器和通信设备配电屏组成。
分散供电系统
混合供电系统
各部分功能介绍
■变电站:由市电引入10KV(6KV)至高压配电系统柜(进线、测量、出线)-变压器(降压到380V)---低压配电柜(进线、补偿、出线分配)。
■油机发电机组:作为市电的备用电源,输出380V交流电源至低压配电柜通过切换开关和市电进行切换。
■交流配电屏:把380/220V交流电进行分配。
■整流器:把380/220V交流电进行整流,变换成-48V直流电。
■直流配电屏:把-48V直流电进行分配,分到各个通信机房设备直流配电屏或直流用电设备。
■UPS电源:提供不间断交流电源。输出220V/380V交流电源。
■蓄电池:提供交、直流备用电源,为整流器提供-48V电源;为UPS提供380/220V电源。
■直流变换器:把-48V电源变换成设备所需要的不同电压等级的直流电源,例如:-12V、-24V、+60、-60V、110V等等。
直流供电系统运行方式
交换局的直流供电系统运行方式采用-48V全浮充供电方式。即在市电正常时,交流市电先经过高频开关电源的整流,然后向蓄电池组浮充并向通信设备供电;
当市电(故障)停电而发电机组未启动供电前,由蓄电池组放电向通信设备提供直流不间断供电,其允许放电时间一般为1~2小时;
当发电机组或市电恢复供电时,直流供电系统先经恒压限流充电而后转入浮充方式供电。
移动基站(或光缆、微波中继站)直流供电系统运行方式一般也采用-48V全浮充供电方式。即在市电正常时,经过组合开关电源架上的整流模块与蓄电池并联浮充并向通信设备供电;
当市电(故障)停电而移动发电机组未供电前,先由蓄电池组并联放电向通信设备供电;
当发电机组或市电恢复供电时,直流供电系统先经恒压限流充电而后转入浮充方式供电。
移动基站直流系统与交换局直流系统的区别
当基站蓄电池放电至第一级切断电压设置点时(3小时左右),自动断开负荷较大的基站设备,以保证传输设备较长时间(20小时左右)正常运行;
若市电停电时间较长而移动发电机组未上站时,当蓄电池放电至终止电压时则自动断开电池输出,以免蓄电池继续放电而造成蓄电池的损坏。因此,移动发电机组应在蓄电池放电至终止电压前上站发电,以免造成通信的中断。
直流供电系统设备配置原则
直流供电系统的设备配置和导线选择主要根据通信局(站)各种通信设备近远期的直流负荷调查统计,来配置高频开关整流器、蓄电池组、交直流配电屏的容量和数量以及选择导线的线径与规格型号。
交、直流配电屏的容量按远期负荷配置,其输出负荷分路可根据用电设备的需求而定。
高频开关整流器的容量应同时满足近期通信负荷和蓄电池组充电用负荷之和。整流模块的数量应采用冗余(N+1)的配置方式。
蓄电池的容量应能满足规定的允许放电时间要求。
直流供电母线的线径应能满足直流供电回路全程最大允许压降。
整流器容量及数量配置
采用高频开关型整流器的局(站),应按n+1冗余方式确定整流器配置,其中n只主用,n≤10时,1只备用;n>10时,每10只备用1只。主用整流器的总容量应按负荷电流和电池的均充电流(10小时率充电电流)之和确定。
对于采用太阳能等新能源混合供电系统供电的局站,当蓄电池10小时率充电电流远大于通信负荷电流时,主用整流器的容量应按负荷电流和20小时率的充电电流之和确定。
开关电源和蓄电池的配置方法
设计依据:中华人民共和国通信行业标准YD/T5040-2005 通信电源设备安装工程设计规范:
首先配置蓄电池组的容量
然后再配置开关电源的容量

蓄电池容量的计算方法
明确负荷电流的大小
确定蓄电池放电的时间
计算出具体蓄电池的容量

放电容量系数表
宽电压压降分配
窄电压压降分配
开关电源
分类
■开关电源架
仅有整流功能而不具备直流配电及电池输入功能,与直流屏等可组成大容量直流供电系统
■组合开关电源
机架内具有整流、交直流配电、电池输入、控制等功能在内的完整机架,用于容量较小的系统
开关整流器的工作原理
开关电源主要特点
重量轻、体积小
效率高(达90%以上)
功率因数高(大于0.92)
稳压精度高达0.2%
噪音低
维护方便
可靠性强
扩容方便
调试方便
便于实现集中监控、无人值守
对交流输入电源要求低
自动化程度高
存在高频谐波干扰
控制电路复杂
直流供电系统的设备
交换局内直流供电设备主要有高频开关电源整流器和与之配套的交流配电屏、直流配电屏,蓄电池组以及直流-直流变换器等。
移动基站或光缆、微波中继等通信站由于直流负荷通常较小,故多采用集交流配电、开关整流器和直流配电于一体的组合式开关电源。
交流配电屏
用于高频开关整流器及其他通信用电设备的交流配电屏,主要作为交流电源的接入与负荷的分配。
具有两路交流电源引入,能进行主、备用电源转换,对两路交流电源有自动转换要求的电路必须具有可靠的机械及电气连锁。
输出负荷分路可根据不同用电设备的需求而定。
对有照明分路的配电屏,应有保证交流照明分路和直流事故照明分路,并有自动转换装置。
具有过压、欠压、缺相等告警功能以及过流、防雷等保护功能。
交流屏应能够提供反应供电质量和交流屏自身工作状态的监测量,如三相电压、电流值,市电供电状态,主要分路输出状态等,并上送监控模块。
高频开关整流架
高频开关整流器是将从交流配电屏引入的交流电整流为通信设备所需的直流工作电源,其输出端与直流配电屏相连接,并通过直流屏的相应端子与蓄电池组和通信设备相连,对蓄电池组浮充电并向通信设备供电。
监控模块
是高频开关电源系统中的智能装置,对系统的运行进行统一的管理。
该模块通过内部通信接口,根据预定的工作程序,对开关整流模块、交、直流配电屏及电池的运行状态进行实时监视、控制和管理
通过RS232/485外部接口纳入上一级监控管理系统,发送并接受相应的信息,执行监控系统的命令。
完成对各种参数及运行信息的存贮,维护人员在现场进行运行参数的调整,将系统的运行状态与参数进行实时的显示等。
直流配电屏
直流配电屏位于整流器与通信负载之间,主要用于直流电源的接入与负荷的分配,即整流器输出、蓄电池组的接入和直流负荷分路的分配。
主要功能为:
可接入二组蓄电池。
负荷分路及容量可根据系统实际需要确定。
具有过压、欠压、过流保护和低压告警以及输出端浪涌吸收装置。
对于蓄电池充放电回路以及主要输出分路能够进行监测。
移动基站所用的直流配电部分具有低电压和电池切断保护功能。
直流配电柜
直流-直流变换器
直流-直流变换器(DC-DC)是一种将直流基础电源转变为其他电压种类的直流变换装置。
目前通信设备的直流基础电源电压规定为-48V,由于在通信系统中仍存在-24V(通信设备)及±12V、±5V(集成电路)的工作电源,因此,有必要将-48V基础电源通过直流-直流变换器变换到相应电压种类的直流电源,以供各种设备使用。
分立式开关电源
组合开关电源
-48V电源系统(50A模块)
系统型号:PS48400-2C/50
整流模块:HD4850-2,2900W
监控模块:PSM-A11
系统容量: -48V/400A
外形尺寸:600x600x1600

一体化电源
室外型开关电源
工作温度范围:
-40℃~+45℃(北方型)
-10℃~+45℃(南方型)
湿度范围:5~100%
防水防尘:
设备仓IP55;
电池仓IP34
蓄电池
蓄电池
蓄电池是直流供电系统中不可缺少的重要组成部分。
蓄电池在系统中的作用主要作为储能设备,当外部交流供电突然中断时,通信设备的正常工作将会受到威胁,而蓄电池作为系统供电的后备保护,可提供1~20小时或更长时间的不停电供电电源。
因此,蓄电池作为系统供电的最后一道保证,也是维持正常通信的最后一道保障。

蓄电池的应用
蓄电池组成
蓄电池由正、负极板组、电解液和电池槽等部分组成。正极板上的活性物质是二氧化铅(PbO2),负极板上的活性物质是海绵状铅(Pb)。电解液由蒸馏水和纯硫酸按照一定的比例配置而成的。
当电解槽中装入一定密度的电解液后,正负极板上的活性物质开始和电解液进行一系列的化学反应,正负极板上形成2.1V的电位差,该电位差就是蓄电池的电动势(E)。所以在蓄电池充电时,外接直流电源的电压应高于蓄电池的电动势。
放电过程中的电化学反应
蓄电池放电过程中总的电化学反应为:
PbO2+2H2SO4+Pb—>PbSO4+2H2O+PbSO4
蓄电池在放电过程中,正负极板上的活性物质都不断转变成PbSO4。由于硫酸铅的导电性能比较差,所以放电后,蓄电池的内阻增加。此外,在放电过程中,由于电解液中的硫酸铅逐渐变成水,所以电解液的密度逐渐下降。因此蓄电池的内阻增加,电动势降低。放电终了时,蓄电池的端电压下降到1.8V左右。
充电过程中的电化学反应
蓄电池充电过程中总的电化学反应为:
PbSO4+2H2O+PbSO4—>PbO2+2H2SO4+ Pb
充电过程中,电解液的密度逐渐增加,蓄电池的电动势逐渐增加。充电后期,极板上的活性物质大部分已经还原,如果继续大电流充电,充电电流只能起分解水的作用。这样,负极板上将有大量的氢气逸出,正极板上将有大量的氧气逸出,蓄电池产生剧烈的冒气。
阀控式密封铅酸蓄电池的结构特点
密封性
少维护
结构紧凑、体积小,可多层叠放安装,占地面积少。
无流动电解液(吸附式),可以卧放。
阀控式密封蓄电池在出厂时已带电荷,安装好后稍加补充电即可投入实际运行,使用起来较为方便。
阀控式密封铅酸蓄电池的主要技术性能及要求
容量标定:蓄电池容量以环境温度25℃、单体放电终止电压1.8V条件下的10h率额定容量表示。
浮充使用寿命:在环境温度25℃的条件下,2V浮充运行寿命8年,6V以上6年。
循环使用寿命:100%放电深度时的次数
浮充电压:2.23~2.27V/只。
均充电压:2.30~2.35V/只。
容量保存率:蓄电池静置28天后其容量保存率不低于96%。
蓄电池端电压的均衡性:由若干个单体组成一体的蓄电池,其各单体间的开路电压最高与最低差值≤20mV。
电池连接条压降:蓄电池按1h率电流放电,在两只电池极柱根部测量的电池之间的连接条压降≤10mV。
防酸雾性能:蓄电池在正常工作中应无酸雾逸出。
防爆性能:蓄电池在充电过程中遇有明火内部不应引爆
阀控式密封蓄电池的使用
■正常环境条件
阀控式密封蓄电池应在下述条件下连续工作。
环境温度: -5℃~40℃。
相对湿度:≤90%(25℃)。
海拔高度:≤1000m。
安装方式:室内固定安装。
■充电电压
浮充电压;2.23~2.27V/只。
均充电压;2.30~2.35V/只。
阀控式密封铅酸蓄电池的充放电
■阀控式密封铅酸蓄电池的充放电
密封蓄电池在使用前不需进行初充电,但应进行补充充电。补充充电方式及充电电压应按产品技术说明书规定进行。一般情况下应采取恒压限流充电方式,补充充电电流不得大于0.2C10(C10=电池的额定容量)
■阀控式密封铅酸蓄电池的均衡充电:
一般情况下,密封蓄电池组遇有下列情况之一时,应进行均充(有特殊技术要求的,以其产品技术说明书为准),充电电流不得大于0.2C10,充电方式参照充电时间—电压对照表。
浮充电压有两只以上低于2.18V/只。
搁置不用时间超过三个月。放电深度超过额定容量的20%。
■密封蓄电池充电终止的判据如下,达到下述三个条件之一,可视为充电终止:
充电量不小于放出电量的1.2倍。
充电后期充电电流小于0.01C(A)。
充电后期,充电电流连续3小时不变化。
使用与维护中应注意的几个问题
■阀控式密封蓄电池的环境温度
温度对其使用寿命的影响很大,根据测算,当环境温度超过25度时,温度每升高10度,其使用寿命将少一半。环境温度最好保持在25度左右。
■阀控式密封蓄电池的充电电压
出厂时已带电荷,安装时应注意防止极间短路。
使用前应补充电。
充电电压的高低,直接决定着蓄电池的工作状态及其性能。一般浮充电压应按厂家说明书选定在2.23~2.27V/只。
■直流供电系统的蓄电池一般设置两组,交流不间断电源设备(UPS)的蓄电池每台一般设一组。当容量不足时可并联,蓄电池最多并联组数不超过4组
■不同厂家、不同容量、不同型号、不同时期的蓄电池组严禁串、并联使用。
不同放电率的放电电流和电池容量
下表例举了同一蓄电池随放电率改变的容量变化情况,表中以电解液温度为25℃时10小时率下所放出的容量,作为蓄电池的额定容量

蓄电池放电曲线图
蓄电池容量计算
Q:蓄电池容量(Ah);
K:安全系数,取1.25;
I:负荷电流(A);
T:放电小时数(h);
η:放电容量系数;
t:实际电池所在地的最低环境温度数值,有采暖设备时,按15℃考虑;无采暖设备时,按5℃考虑;
α:电池温度系数,电解液温度以25℃为标准时,放电小时率≥10时,取0.006;10>放电小时率≥1时,取0.008;<1时,取0.01
影响基站蓄电池使用寿命的因素
基站频繁停电、停电时间长、停电时间无规律,使蓄电池频繁充放电,是造成蓄电池容量下降过快和使用寿命缩短的主要原因。
开关电源设置参数不合理,基站蓄电池欠压保护设置电压过低,复位电压设置过低,使蓄电池出现过放电甚至深度过放电现象,从另一方面加剧蓄电池负极板硫酸盐化,是使蓄电池容量下降,使用寿命缩短的另一个主要原因。
基站使用环境较恶劣。基站停电后,由于无空调,使基站环境温度逐步上升。或者由于空调故障,使基站室内温度偏高,从而降低了蓄电池使用寿命。
基站停电后,蓄电池放电至终止电压,未及时进行补充电,也将导致电池容量下降和使用寿命缩短。
胶体电池(阀控式密封胶体电池)
蓄电池采用凝胶状的胶体电解液,正常使用时保持气密和液密状态,当内部气压超过预设值时,安全阀自动开启,释放气体,当内部气压降低后,安全阀自动闭合使其密封,防止外部空气进入电池内部。电池在使用寿命期间,正常使用情况下无需补加电解质。
容量系列
12V 50--200Ah 2V 200--3000Ah

使用环境-户外基站
使用环境-风光互补站
使用环境-太阳能站
UPS供电系统
UPS工作原理
UPS主要是由:整流滤波电路、充电器、逆变器、输出变压器及滤波器、静态开关、蓄电池组和控制、监测、显示告警及保护电路组成。
市电正常时,输入电压经过整流滤波电路,一路给逆变器提供电压,一路送入充电器给蓄电池充电。此时,静态开关切换到逆变器端,由逆变器完成稳压和频率跟踪功能。
当市电出现故障,UPS工作在后备状态,静态开关仍然切换在逆变器端,由逆变器将蓄电池的直流电压转换成交流电压,通过静态开关输出到负载。
当市电正常、逆变器出现故障或输出过载时,UPS工作在旁路状态,静态开关切换到市电端,由市电直接给负载供电。
UPS的4个要素
高可用性的UPS的4个要素:可靠性、功能性、可用性、和故障容限。
可靠性:UPS模块、静态开关和配电设备必须非常可靠,以MTBF 衡量,此外系统设备应尽量简单,将单点故障减到最小。
功能性:应能保护负载免受所有市电电源干扰的影响,不同技术的UPS所能保护的干扰是不同的。
可用性:必须允许系统中所有的电源设备同时维护。当系统一些元件维护时,系统仍能为负载正常供电。真正的可维性与系统的冗余度有关,但系统应有内部或外部维修旁路。
故障容限:系统必须具有故障容限以处理系统元件的故障而不影响负载设备的供电。
可靠性和功能性主要取决于UPS 的内部技术,即采用备用(passivestandby)、互动(line interactive)、双变换(double onversion)等技术。
可用性和故障容限主要取决于UPS 的冗余方式和配电电路方案
UPS分类
常用的UPS系统一般分为两大类:备用冗余系统和并联冗余系统。
备份冗余系统中,一台电源装置供电,另外几台备用,一旦正在运行的电源装置发生故障,备用电源装置立即投入工作。
并联冗余系统中,多台电源装置并联供电,在正常工作状态下,每台电源装置的输出功率都低于它的额定输出功率。
UPS工作方式
单机工作方式
串联备份工作方式
并联冗余工作方式
UPS单机工作方式
单机工作方式是UPS最常见的和最基本的工作方式,它一般使用在不能停电的一般负载场合,其可靠性较差。
UPS单机系统没有容量的冗余,不能保护内部模块本身的故障。也不能保护设备的故障。因此,UPS 内部模块、系统和配电均不能同时维护;内部模块和配电均无故障容限。所以,单机系统仅适用于允许UPS停机2~4小时进行维护,在此期间可以由带有各种干扰的市电电源直接供电的负载。对于要求更高的可用度的应用场合,双变换UPS单机系统就不适用了。
UPS串联备份工作方式
双机热备份也是为了大大提高供电系统的可靠性,它和双机并联一样,也是使用在特别重要的场合。
其工作方式是:UPS2的输出作为UPS1的旁路输入,正常时UPS1处于主用状态,承担100%的负载,UPS2处于热备份状态;UPS1故障,则由UPS2转为主用,承担全部负载;UPS1、UPS2均故障,则由市电经静态旁路开关直接对负载供电。
缺点:主备机老化程度不一,易造成切换失败。或需要定期倒换。

UPS并联冗余工作方式
两台UPS并联的必要条件时同频、同相、等幅,因此必须有一个并联控制器,它主要完成同步锁相、均流及并联管理等功能。
UPS并联的目的是为了大大提高供电系统的可靠性,它往往使用在特别重要的场合,如通信、卫星发射中心、石油、化工、电力、钢铁、金融和广播电视等系统中,这些系统停电会造成巨大的经济损失,因此要求供电系统的绝对可靠。
其运行模式是:两台UPS均正常时,各承担50%的负载;当其中某一台UPS故障,由另外一台承担100%的负载;当两台UPS均故障时,市电经静态旁路开关直接对负载供电。

并联冗余UPS- 单母线供电系统
并联冗余UPS- 双母线供电系统
并联冗余台数
厂家一般承诺可以6台(8台)UPS 并联。但是,当并联的单机UPS 系统的数目增大时,并联冗余系统的可用度的提高的幅度会减小。N很大时,并联冗余系统可用度的提高并不明显。而且,在实际应用中,N 较大的N+1并联冗余系统的故障率较高。所以,在投资允许的情况下应尽量采用1+1并联冗余UPS系统。如果系统容量很大,必须采用N+1并联冗余UPS系统时,应注意并联的单机台数不宜太多,一般建议N≤3。

新能源供电系统
太阳能供电系统组成
太阳能电池方阵
储能装置:一般为阀控密封铅酸蓄电池。
配电装置:即太阳能控制器,用来控制太阳能电池对蓄电池的充电和蓄电池对通信设备的放电,系统控制器还具有温度传感器、烟雾传感器、蓄电池回路熔断器辅助触点、太阳能电池方阵辅助触点和门禁触点等
通信设备
电压变换装置(个别):只在供给不同电压的通信设备时才使用

太阳能供电系统-运行方式
在有光照时,太阳能电池控制器控制太阳能电池对蓄电池的充电,充满电的蓄电池经过太阳能电池控制器对通信设备放电供电,一般情况下,设计的蓄电池容量较大,不等蓄电池放电电压低到预定值,翌日太阳能电池就会又对蓄电池充电,如此充、放循环维持供电不间断,如果连续数日无太阳,蓄电池得不到及时充电,其放电电压低到预定值时,太阳能电池控制器会及时断开负载,以保护蓄电池不过放电。
太阳能供电系统-安装方式
太阳能电池方阵的安装地点与容量有关,安装地点不同,安装设计要考虑的问题也不同。
小型独立光伏发电系统的太阳能电池方阵可以安装在室外杆上或塔架上,太阳能电池方阵以固定在杆塔上的铁架支撑
中型光伏发电系统不论是独立的还是混合的,其太阳能电池方阵多放在建筑物的屋顶平台上或水泥柱支撑的铁梁上,少数安装在地面上
大型光伏发电系统的太阳能电池方阵占地较多,宜安装在地面上
太阳能供电系统-容量计算
P:太阳能电池方阵总容量(W)
Up:一个太阳能电池组件在标准测试条件下取得的工作点电压(V)
I:负载电流(A)
ηb:蓄电池充电安时效率,铅酸蓄电池取0.84
T:当地每年日照时数(h)
Uo:每只蓄电池的浮充电压(V)
Nb:每组蓄电池只数
U1 :串入太阳能电池至蓄电池供电回路中的元器件和导线在浮充充电式引起的压降(V)
Fc :影响太阳能电池发电量的综合修正系数,一般取1.2-1.5
η :根据当地平均每天日照数折合成标准测试条件光照时数所取得的光强矫正系数,一般取0.6-2.3
α :一个太阳能电池组中单体电池的电压温度系数,其值为-0.002— -0.0022V/°C
t1 :太阳能电池组件工作温度( °C )
t2 :太阳能电池标准测试温度( °C )
Nm :一个太阳能电池组件中单体太阳能电池串联只数
8760:平均每年小时数( h )
太阳能基站
风力发电系统组成
风力发电机
风机控制器
风力发电机假负载
配电装置
储能装置:一般为阀控式铅酸蓄电池
通信设备
电压变换装置:在同时供给不同电压的通信设备时才使用

风力发电机-原理
风力发电机主要由风能收集装置、传动机构和发电机组成,风能收集装置及传动机构因发电容量不同而各不相同,我国通信用风力发电机容量为小型机,多用常规的桨叶式风轮作为风能收集装置,并将发电机固定在同一转轴上,从而省略传动机构,桨叶式风轮的旋转,有阻力型、升力型、阻力升力结合型三种
风力发电机发电受气候条件的影响,只有风力大于风力机起动风速时才能转动发电,为充分利用风力,当风向改变时,风轮也要随之调向对风,小型或微型风力机可以采用尾翼调向,中型和大型风力机多采用辅助风轮调向
风力发电机在大于起动风速的情况下运行时,在一定的风速范围内,风速越大,发电就越多,为了使风轮在风速变化时转速不出现大的波动,也为了使大风时不致超速造成损坏,风轮一般都有调速装置。调速系统有两种类型:
一种是叶片浆距固定,当风速增加时,通过辅助侧翼或倾斜铰接的尾翼及其他气动机构,使风轮绕垂直轴回转,偏离风向,减少迎风面,达到调速的目的
一种是叶片浆距可以变换,当风速变化时,利用气动压力或风轮旋转引起的离心力改变浆距,实现调速,当风速超过极限值时,风力机可以实现“折尾”保护,使风轮平面与风向平行,停止发电
通信用风力发电机,通常采用无刷的三相永磁交流发电机(也有采用永磁式直流发电机的),绕组固定在非铁磁合成材料制成的独立定子上,由于没有铁心,永久磁铁不会锁住运转的风力涡轮,因而消除了铁损,且能使风力发电机在常见的低风速情况下以最高的效率工作
风力发电机-分类
通信局(站)一般使用小型水平轴式三相交流风力发电机及其配套的风机假负载,还有整流、控制、配电设备。
按发电容量不同,分为大型(50kW以上)、中型(10-50kW) 、小型(1-10kW) 、微型(1kW以下)。
按风机的形式可分为:垂直轴式、水平轴式(常见)和自由式(容量较小)三种。
按发电机额定电源不同,可分为交流和直流,交流又有单相、三相之分,三相交流风力发电机较为常见。
风力发电机-风机控制器
风机控制器包含整理器和控制器两部分。
整流器是利用半导体整流原理,在通信设备需要时将风力发电机发出的交流电变成直流电。
控制器采用单片机接收主控机发出的指令信号,对风力发电机控制。
控制风力发电机投入或撤除对通信设备的供电。撤除供电时提前投向风机假负载,以确保风机避免在开路状态下运行而造成飞车。
风力发电机-风机假负载
风机假负载就是一个电阻箱,利用电流通过电阻产生热量的原理和散热的方法,把风力发电机产生的多余的电能转化为热能,并散发到空气中,从而保证风力发电机始终运行在带载状态。
风机假负载是根据风力发电机的要求生产的专用设备,其使用电压、功率和使用寿命都与风力发电机相匹配。由于工作时不断有热量散出,在安全和通风方面都有考虑。
风力发电机-容量计算
风力发电机在风力小于风力机起动风速时不能转动,在起动风速时开始转动发电,在大于起动风速的情况下运行时,在一定的风速范围内,发电量与风速按一定曲线规律(近似成正比)变换,在风速超过极限值时,风力机停止转动,不再发电。
在发电风速范围内,风*功轮**率的表达式为:
W=CpApv3/2
Cp:风轮的功率系数(风能利用系数),其理想值约等于0.593,现代风力机值可达0.40
A :风轮工作面积(叶片扫掠面积)
p :空气质量密度
v :气流速度
现代水平轴风力发电机通常采用高转速升力型风轮
风力发电机的选择
风力发电机的选用:风力发电机的容量要在年平均风速下满足通信负荷要求。
风机控制器的选用:风机控制器是风力发电机生产厂生产的风力发电机配套设备,风力发电机一经选定,同时就把风机控制器选定了。
风机假负载的选用:风力发电机的假负载(电阻箱)的输入电压和功率要满足风力发电机的要求。
风力发电基站
油机发电机组
发电机组作用
汽油发电机组
■汽油发电机组的选用
容量应满足全站保证负荷供电的需要。
根据负荷大小决定,负荷小于10KW时,宜选用汽油发电机。
燃料供应方便的在同等条件下优先使用。
■汽油发电机组的安装
一般不需要固定安装,放在水平的混凝土地面即可。
室内要求通风良好,并且消防符合有关规定。
柴油发电机组-分类
■柴油发电机组是燃烧柴油的内燃机拖动发电机发电的电源设备。
按安装方式分:移动、固定
按散热方式风:风冷、水冷
按操作情况和自动化程度分:手动操作、自动起停、无人值守
按汽缸中活塞运动情况分:四冲程、二冲程
按柴油机运行速度分:高速(n ≥1000r/min)、中速(300r/min<n<1000r/min) 、低速( n≤300r/min )
按启动方式分:电启动、手摇启动、压缩空气启动
按柴油机汽缸进气情况分:一般型、增压型
按发电机的电压等级分:一般、高压
柴油发电机组-组成
柴油发电机组的性能由组成柴油发电机组的各种系统所决定:
启动系统,有手摇启动、电启动、压缩空气启动
燃油(燃料)供给系统,由燃油箱、滤油器(粗、细)、燃油泵、限流阀和喷油器用油管连接构成
润滑系统,由润滑油泵(机油泵)、润滑油滤清器、机油冷却器、集油箱及发动机润滑油输送管路组成
冷却系统,有风冷、开式循环水冷、闭式循环水冷
进、排气(烟)系统,由空气滤清器(粗、细)、汽缸和外接的排气管、柔性连接(波纹管)、消声器等组成
励磁系统,有无刷励磁、手动励磁装置、可控与不控相复励装置、晶闸管励磁调节器、直流发电机励磁、半导体励磁系统(自励、他励)、谐波励磁等
固定柴油发电机组容量确定
柴油发电机组选择
■容量应满足全站保证负荷供电的需要
■机组在下列环境条件下应能输出额定功率并正常地工作:
海拔高度:≤1000m;
环境温度:-5℃~+40℃;
空气相对湿度:≤90%(25℃)。
■柴油发电机组在非标准大气压状况下工作时,应将功率加以修正,简易的计算方法为:
P=(NeC—Nf)K1n
P:柴油发电机组在非标准大气压状况下的输出功率(kW)
Ne:柴油机在标准大气压状况下的额定功率(hp,1hp=0.7355kw)
C:柴油机在非标准大气状况下的温度、湿度和大气压力的综合修正系数
Nf:风扇消耗功率(hp)
K1:功率换算常数
N:发电机效率
柴油发电机组的耗油量
机组在额定工况下,燃油、机油不超过以下范围:

固定柴油发电机组的安装
柴油发电机组安装


固定柴油发电机组的降噪处理
柴油发电机组运行
■主备方式
主备方式工作的两台机组,通过设置任意一台机组均可作主用或备用机组,两台机组具备机械和电气联锁。启动主用机组失败时自动控制启动备用机组。市电来电信号经延时切掉机组输出开关,运行的机组自动空载运行5min后自动停机。
■并联方式
并联方式工作的发电机组,当接到启动信号同时启动两台机组,只有在并联成功后才带负载供电,当负载小于单台机组的额定功率的80%时,自动解除一台机组;当负载达到85%时自动启动另一台机组并入供电。市电来电信号经延时确认后,自动切掉机组输的机组空载运行5min后自动停机。
两台柴油发电机组并联运行的条件是:电压相等、频率相等和相位相同
■ATS
市电和油机的转换应采用机械和电气联锁并具备市电优先供电功能,宜采用ATS。
油机房的设置
发电机房应尽量设置在建筑物的背面,不应设置在大楼的主要出入口、贴邻或主出入口的上下
需考虑发电机的搬运,将发电机尺寸及重量提交土建专业,以便规划搬运通道及楼面荷载,其次考虑发电机进风、排风、排烟管道。对于设置在一楼的,条件允许情况下使柴油发电机房两面墙直接靠室外,一面作进风,一面作排风使用
设置自动灭火系统和火灾自动报警系统,发电机房设一级普通温度探测器(动作温度为62℃)和一级普通光电烟感探测器,连接到气体灭火控制盘。气体灭火控制盘可独立完成气体防火区内火灾探测和气体灭火装置系统的联动控制,并把火灾报警、故障状态、钢瓶喷气、自动手动状态通过模块送到消防控制室,进行报警显示和相关消防联动控制。
油箱设置
根据JGJ/T16-92《民用建筑电气设计规范》第6.1.9.1条规定:按柴油发动机运行3-8h设置日用油箱;又根据GB50045-95《高层民用建筑设计防火规范》第4.1.10.2条规定:中间罐的容积不应大于1m³。设计中,不论柴油发动机的容量大小,设置的油箱为一台发电机对应一个容积不应大于1m³的油箱,较大柴油发电机组1m³油箱仅能满足运行3-4小时,不能满足市电停电较长的要求,所以实际应用中,可通过设置地下油库、移动油车解决长时间供油问题。
固定式燃气轮机发电机组结构图
固定式燃气轮机发电机组结构图
常见油机发电机组

防雷接地系统
雷电过电压产生
直击雷
感应雷
线路来波
地电位反击
雷电过电压造成的后果
电磁污染
电磁干扰
设备损坏
系统崩溃
雷电防护目标
自然界中一次雷击的放电电流很大,从几十千安到几百千安。如果要防护所有可能发生的雷电,代价十分巨大。
合理的防护目标是:防止和减少雷电对通信设备造成的危害,确保人员安全和通信系统的正常运行。确保绝大多数情况下系统的安全正常,个别情况下雷电故障能限制在较小的范围内。

雷电危害的途径
雷电防护的基本原则
确保人身安全
执行规范综合防护
安全性、可靠性并重
合理投资
接地系统分类
根据规范要求,交直流电源系统和建筑物防雷等都要求接地,各种接地的分类一般可分为工作接地、保护接地和防雷接地。工作接地又分为直流工作接地和交流工作接地。防雷接地也称过电压保护接地。
直流工作接地:也可称为电信接地或功能接地。最常见的有开关电源和蓄电池正极接地。
交流工作接地:在交流电力系统中,运行需要的接地(如中性点接地等)称为交流工作接地。最常见的有三相四线中的零线接地。
保护接地:保护接地的作用是防止人身和设备遭受危险电压的接触和破坏,以保护人身和设备的安全。
接地系统图
接地网简图
接地方式
■通信设备的保护接地
机房内通信设备及其供电设备正常不带电的金属部分、进局电缆的保安装置接地端以及电缆的金属护套均应做保护接地;
数字通信设备的机架保护接地,应从接地总汇集线或机房内的分接地汇集线引入,并防止通过布线引入机架的随机接地,天线、馈线的上端和进入机房的入口处均应就近接地。
■通信电源的接地
电力室的直流电源接地线必须从接地总汇集线上引入;
机房的直流电源接地垂直引入线长度超过30m时,从30m处开始,每向上隔一层与接地端连接一次;
在电力变压器高、低侧,除应设保安防雷装置外,宜采用三相五线制引入电力室。该变压器机壳与低压侧中性点汇集后,就近接地,中性线不准安装熔断器;
引入大楼的交流电力线宜采用地下电力电缆,其金属护套的两端均应做良好接地;
大楼内所有交直流用电设备均应采取接地保护。交流保护地线应从接地汇流线上引,严禁采用中性线作为交流保护地线。
电力电缆及断路器
电力电缆
电力线分类
裸电线:表面不带绝缘层的导体,分为电工圆铜杆、电工圆铜线、电工铝线、镀锡圆铜线、电工扁铜线、铜及铝母线、硬铜绞线、铝绞线、钢芯铝绞线、防腐钢芯铝绞线;
铜、铝绞线:由多股单芯实体导线绞制而成,用于室外高、低压架空线路;
铜、铝母线:分为圆母线及矩形母线,矩形母线载流量大,广泛用于高、低压配电设备的屏间连接母线、屏内电气元器件的布线及用于直流电源供电的电源屏到通信设备的电源馈线,最小截面积15*10mm、最大截面积120*10mm,当需承载较大负荷电流时,可采用两根或多跟并接;
绝缘电线:在导体外面包有绝缘层的电线,有橡胶及聚乙烯(PVC);
绝缘电线分为硬导线和软导线,硬绝缘导线一般作为室内外架空明敷线路、建筑照明管路敷设线路、建筑设计的水泵及风机电动机管路敷设的电源线路、配电盘柜间的配线线路、铜铝绞线用于室外高低压架空线路。
电力电缆:用于固定敷设的电力传输和电力配电线路,不同型号的电力电缆可以适用于不同的敷设方式,如直埋、穿管、架空走线架、地槽及隧道等,分单芯、双芯、三芯、四芯、五芯等;
预制分支电缆:具有安装简单、环境要求低的特点,广泛应用于住宅楼、宾馆、医院、商场、工厂配电系统、公路、桥梁、隧道的照明系统,在通信枢纽工程中,预制分支电缆主要用于高层建筑照明、空调配电。费用较高,电缆制作需进行现场实地查勘,电缆制作完成后如安装地点进行变更,原制作的预制分支电缆不能使用;
控制电缆:绝缘材料均采用聚乙烯(PVC)绝缘(有单护套、双护套及铠装),按使用场所及用途分为一般控制电缆、屏蔽控制电缆和多芯屏蔽电子计算机电缆。控制电缆的额定电压分为450/750V和0.6V/1KV两个等级,分别适用于相应电压等级的电器控制电路、监控电路、保护电路及电源信号的引接等;
控制电缆的截面积系列为0.7、1.0、1.5、2.5、4、6、10mm2 ,推荐的芯数系列为2、3、4、5、7、8、10、12、14、16、19、24、27、30、37、42、44、48、52等。
电缆结构
电缆由导体(电缆芯线)、绝缘层和保护层(护套)组成;
导体:电缆的芯线,材料是由铜或铝材制作,由多股小截面积导线组合而成,具有一定的柔韧度;
绝缘层:材料分为匀质和纤维质两类;
匀质材料:有橡胶、聚乙烯等,聚乙烯绝缘层具有很好的防潮性,但受温度、环境的影响较大,长期在高温及恶劣环境中使用容易老化,从而降低使用寿命;橡胶绝缘层不耐油,耐高温性能差,在高电压下橡胶容易受电晕作用而产生裂缝,适用于低压配电。橡皮绝缘电缆柔韧性好,能在寒冷气候下敷设;
纤维质材料:棉、麻、丝、绸、纸等,此材料不加处理极易吸水,为提高电缆的防潮性能,使用纸绝缘材料必须进行油浸(滴流和不滴流),绝缘层外采用金属护套;
保护层(护套):作用是增加电缆机械强度,使电缆敷设时绝缘层不受损伤,电缆护套分单护套和双护套两种;
电缆命名
电缆型号
通常通信电力电缆均采用的是铜芯阻燃聚氯乙烯绝缘护套软电缆RVVZ-600(1000):
常用单芯电缆RVVZ-600(1000):10、16、25、35、50、70、95、120、150、185、240、300mm2。
常用二芯电缆RVVZ-600(1000) :10、16、25、35、50、70、95、120、150、185、240mm2。
常用三芯电缆RVVZ-600(1000):1.5、2.5、4、6、10、16、25、35、50、70、95、120、150、185、240mm2。
常用四芯电缆RVVZ-600(1000):3*1.5+1*1、 3*2.5+1*1、 3*4+1*2.5、 3*6+1*4、 3*10+1*4、 3*16+1*6、 3*25+1*10、 3*35+1*10、 3*50+1*16、 3*70+1*25、 3*95+1*35、 3*120+1*50、 3*150+1*70、3*185+1*95、3*240+1*120mm2
常用五芯电缆RVVZ-600(1000): 3*1.5+2*1、 3*2.5+2*1、 3*4+2*2.5、 3*6+2*4、 3*10+2*4、 3*16+2*6、 3*25+2*10、 3*35+2*10、 3*50+2*16、 3*70+2*25、 3*95+2*35、 3*120+2*50、 3*150+2*70、3*185+2*95、3*240+2*120mm2。
断路器
空气开关型号规格
根据电流分:
1A、2A、3A、4A、5A、6A、10A、16A、20A、25A、32A、40A、50A、63A、80A、100A等系列。
常用的有:
6A、10A、16A、20A、32A、63A、100A等系列。
根据极数分:
单极、双极、3极、4极。
DNC系列小型断路器

RT20系列高分断能力(HRC)刀型触头熔断器
低压熔断器的选择
动力环境监控系统
监控系统的作用
通信局(站)电源、空调和环境集中监控管理系统(以下简称监控系统)是提高通信局(站)电源系统稳定、可靠、安全供电和集中维护管理的一个重要环节。监控系统的目标是对监控范围内的电源系统、空调系统和系统内的各个设备及机房环境进行遥信、遥测、遥控、遥调,实时监视系统和设备运行状态,记录和处理监控数据,及时检测故障并通知维护人员处理,实现电源、空调的集中维护和优化管理,提高供电系统的可靠性和通信设备的安全性,达到通信局(站)少人或无人值守。同时对通信局(站)的基本环境参量(如温湿度、水浸、门禁等)进行检测,及时发现火灾、水灾和非法入侵,保卫通信机楼安全。具体内容为:对各种电源、空调、动力设备的运行状态及机房环境参数实行集中监控。
监控对象
动力设备:高低压配电、通信机房的电源、整流器、稳压器、油机、逆变器、 蓄电池组、UPS以及太阳能供电设备、风力发电设备等。

环境参量:温度、湿度、烟感、红外、玻璃破碎、水淹、门磁开关、智能门禁、手动报警开关、空调以及各个局站的现场视频等。

名词解释
监控中心Supervision Center(SC):本地网或者同等管理级别的网络管理中心。
区域监控中心Supervision Station(SS):区域管理维护单位。
监控单元Supervision Unit(SU):监控系统的最小子系统,由若干监控模块和其它辅助设备组成,监控范围一般为一个独立的通信局(站)或大型局站内一套相对独立的电源系统。
监控模块Supervision Module(SM):完成特定设备管理功能,并提供相应监控信息的设备。
监控系统三级网络结构和接口
监控系统两级网络结构和接口
监控中心PSC/SC
基站现场监控单元SU
组网方式
■在监控系统中,省监控中心(PSC)与监控中心(SC)之间、监控单元(SU)与监控中心(SC)之间传输通信应根据实际的传输资源状况,选择稳定、可靠、合理的传输组网方式
单向链形组网
E1双向保护环方式
IP组网
无线组网
E1单独组网
■组网建议
对于具有E1传输资源的基站,若E1传输资源丰富并能够组成E1传输环路保护的,应首选独立E1或E1双向保护环组网
如果条件不具备的,可选择E1单向链组网。采用E1传输组网时,优选基于IP组网的方式
对于提供IP传输的基站,建议使用IP组网方式
对于边际站等传输资源匮乏、又需要进行动力环境监控的基站,可以采用无线传输方式组网
| 版权声明:联盟致力于好文共享,推送文章部分源于网络,版权归原作者所有,若涉及版权问题,烦请原作者联系我们,我们会在24小时内删除处理,谢谢!^_^。 |