
为什么别人家卫生间的颜值总是蹭蹭蹭往上涨,高颜值的卫浴洁具起着很大作用。现代简约装修风格当然也少不了【入墙式水龙头】。今天就从选购、安装、优缺点等方面,简单分享一下入墙式水龙头应该注意哪些问题。
龙头按安装方式分类:挂墙式和入墙式两种。
入墙式水龙头是将水管等配件埋入墙体之内,外观只能看到一个水龙头以及开关,水龙头和面盆表面上相互分离。不仅能节约空间,清理也会更加方便,所以现在使用的人越来越多。目前市场上入墙式水龙头报价大约多在50-300之间。报价要由品牌、原料等决定。


入墙式龙头如何选购:
1、入墙式龙头放在墙里的配件不多,安装后最好不要轻易更换,因此最好选择一些质量过硬的品牌产品。

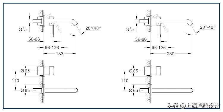
▲产品说明
1、 购买前,要充分了解产品的配件情况。详细阅读产品尺寸说明,入墙多深,出墙多长都需要提前了解清楚。这与龙头的安装和台盆款式的选择都有密切的关联。

▲墙体内部水管构造
3、入墙式龙头尺寸是固定的,安装后,它的好用与否还跟所搭配的台盆、浴缸等尺寸有关,水龙头出水嘴的位置不能贴近边沿,不然会影响使用,如果水龙头是独立安装,就不用考虑内部的结合,可以自由选择台盆的造型。

安装注意事项:
1、 由于暗装的原因,入墙式水龙头在做水电的时候就要与水管一起预埋处理,因此在做水电前就要提前购买好水龙头款式;
2、 施工过程中不要将产品的保护罩拿下来,以免水泥弄花产品,严重的会导致龙头损坏;
3、 且一定要将产品加压测试是否漏水,水管连接是否正确;
4、 安装前必须清除连接处的杂物,一面造成堵塞或者漏水;
5、 正确连接龙头进水口(左热右冷),在墙上做出螺丝孔位置记号,钻孔并安装进水主体;
6、 如果没有问题再进行贴瓷砖等工序!

入墙式龙头的优点:
1、造型别致,颜值控不可错过,而且能提升整个卫浴空间的装饰性;
2、释放台面空间,没有卫生死角,清理也会更加方便;
入墙式龙头的缺点:
1、 价格不美丽,入墙式龙头安装成本要比普通的高一些;
2、 安装也比较的麻烦,需要请专业的师傅来安装;
3、 后期维修麻烦。要把墙面都凿开了才能维修,毕竟水管是预埋在墙体里的;
安装入墙式水龙头能有效节约家居空间,造型美观别致,但是安装难度较大,费用也会相对高一些。需要根据自身实际情况出发,去选择是否安装入墙式水龙头。