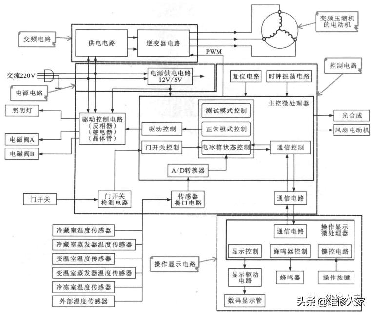
变频电冰箱的电路部分主要包括操作显示电路、电源电路、控制电路和变频电路。变频电冰箱便由这几块单元电路协同工作,同时对主要部件进行控制来实现变频电冰箱的制冷功能。

上图所示为典型变频电冰箱的整机控制方框图。从图中可以看出交流220V电压分别送入电源电路和变频电路中,电源电路为电冰箱内的其他电路和部件提供工作电压,操作显示电路为控制电路提供人工指令信号,并显示当前的工作状态,控制电路则对整机的工作情况进行控制。变频电路上有专门的供电电路,该供电电路主要为变频电路上的元器件提供工作电压。
1.电源电路
电源电路是为变频电冰箱提供基本工作条件的电路,它将交流220 V市电分成两路, 一路经驱动或控制电路为电磁阀、照明灯等部件供电,另一路经处理后,转换为多路直流电压为其他电路元器件供电。
下图所示为电源电路对各部件供电示意图。

2.控制电路
用户通过操作显示面板输入的人工指令信号送入控制电路中,同时控制电路识别后, 根据当前检测到的温度信号,相应地对变频电路、电磁阀、风扇电动机等部件的工作状态进行控制。
下图所示为控制电路对其他电路和部件的控制示意图。

3.操作显示电路
操作显示电路为控制电路传送人工指令信号同时,控制电路则为操作显示电路传送显示信号,并通过数码显示屏显示出来。
下图所示为操作显示电路与控制电路的相互作用示意图。

4.变频电路
变频电路的输入电压为交流220V,经过变频电源电路处理后,为电路板上的其他元器件供电。电冰箱微处理器为变频电路输送控制信号,变频电路直接与变频压缩机相连, 对变频压缩机的工作状态进行控制。
下图所示为变频电路对变频压缩机的控制作用示 意图。
