数字电路设计视频教程 (数字电路与逻辑设计)

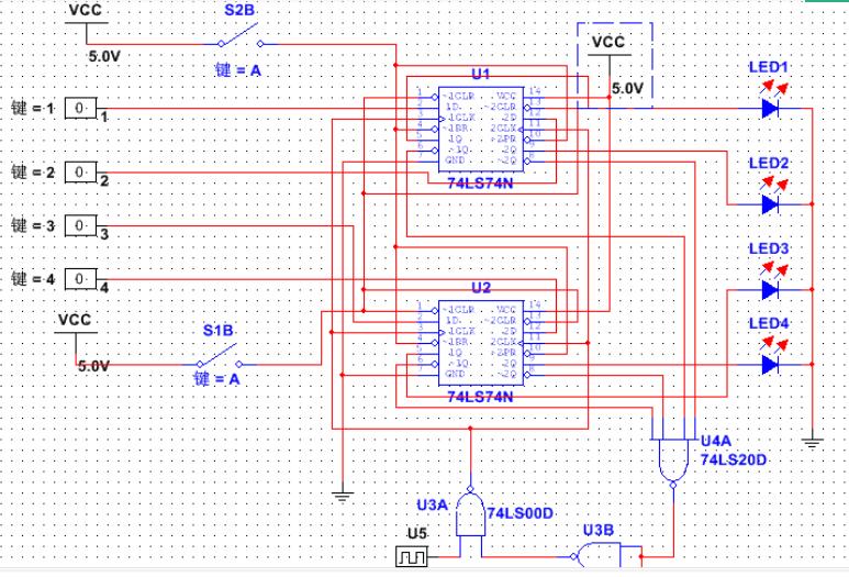
一、四人*答器抢**电路设计

数字电路的简单设计,十大经典电路设计

二、数字电子钟电路设计

数字电路的简单设计,十大经典电路设计

三、555与计数器构成分频器

数字电路的简单设计,十大经典电路设计

四、一位二进制全减器

数字电路的简单设计,十大经典电路设计

五、序列信号发生器电路

数字电路的简单设计,十大经典电路设计

六、红绿灯控制

数字电路的简单设计,十大经典电路设计

七、九路*答器抢**

数字电路的简单设计,十大经典电路设计