感谢萝丽大神的无私开源
本文来自我爱萝丽爱萝丽
作者声明:第三代萝丽遥控器《模型中国首发》其他均为转载。
写在前面:
从简陋的一代遥控器发布,到二代遥控器的逐步完善,再到如今经过潜心开发的第三代遥控器问世,一转眼竟已过两年光阴。我依旧记得两年前的第一次发帖,那时还没几个人,版主手一抖,加了精,于是一股DIY的潮流由此席卷,下至中学生,上至老爷爷,上千人都参与了制作。
或许,喜欢航模的人,本身都有一种强烈的好奇心与控制一切的欲望,楼主的教程只是点起了一个燎原的火星。
同时,这也是个新的时代,一个科技高速发展的时代,DIY必定兴起。因为技术不再只垄断在厂商手里,高性能单片机的不断发展,编程门槛的降低,让普通大众也有了自己DIY电子产品的能力。
外国的开源项目上至多轴飞控、机器人,下至遥控器、无刷电调,数不胜数,而反观中国,除了把老外的开源拿来卖钱之外,根本没有能拿出手的东西。楼主下定决心从三代遥控器开始,打造精品DIY开源。
DIY 宣言:
我想,我们能在这里相会,是因为我们都有一颗不羁的心!
我DIY,我快乐,DIY不是为了省钱,省钱只是DIY的副产品,当我们拿着自己做的遥控、自己做的电调、自己做的飞机在天上翱翔,我想那时我们才能体会到真正的自豪,真正的快乐。但,DIY有风险,可能你买了一堆元器件却什么也没做出来,可能你做出来效果却差强人意。DIY,只为发烧而生。
卸开遥控器外壳,看到里面密密麻麻的电路和元器件,你是否感到它很神奇、很复杂?其实它并没有你想象的那么高深莫测。本贴将带你真正低成本制作一套实用的2.4G 遥控器接收机。
本教程虽然已尽可能傻瓜化,但仍有一定门槛,虽然很多0电子基础的人也比葫芦画瓢的一次性制作成功,但也有不少人电子知识不错反而屡次失败。而且DIY不能只看元件的成本,还要注意到有很多隐形成本,比如逛淘宝需要掏邮费,想焊接,就得先有电烙铁才行,万一制作有问题,可能还得再买个万用表测量下哪里有问题等等。总之,如果你只是抱着省钱的目的来DIY,可能得到的与预期相反。
废话就不多说了,教程开始。
第三代遥控器教程:
一、简介:
经过多次曲折的开发历程后,三代控正式版终于宣告正式问世了。相比于原来规划的版本,去掉了一些复杂和花哨的东西,正式版电路更简单,功能更加实用。
三代控,能够这么玩!:
全中文菜单大屏显示,设置轻松搞定。英文控什么的最讨厌了,楼主入魔时买的天六二代遥控器,到现在还得看着说明书才知道自己设置的对不对。
数据回传!三代的核心特色功能,让你随时知道飞机的电量还有多少,信号好不好。
功能强大的PPM信号输入/输出器,可以用来玩模拟器,教练模式带新手,还能自定义映射通道,两台遥控器操作一个模型或从PPM扩展头追等。
支持可编程的自动动作发生器,一个按键就能让你的模型做出预设的动作。
2.4G全频扫描。查看信号质量,避开可能的干扰源。
除此之外,作为一款遥控器该有的功能他都有多机型参数保存、微调、通道反转、舵量控制、线性调节、自定义的混控器、自定义的跳频、电池电压显示、低压报警、操作音效、遥控计时提醒、开机自检等功能,多达7个模拟通道、5个开关通道。
当然除了基础功能,更多高级遥控器功能还在持续的开发完善中,会持续更新。如此高的性能,价格却低廉的难以想象,因为你只需要出几十元的原器件成本,而楼主心血开发的程序免费开源给你使用。
二、使用手册
1、通道分配
三代具有更大的自由性,比如所有的通道都可以随意配置,不过这给一些航模新手带来困扰,比如哪个通道插电调,哪个通道插副翼,答案是随便插。当然遥控器的默认配置其实和商品控是一样的:
默认配置是美国手:
左手遥杆:上下油门(接收机3通道),左右方向(接收机4通道)
右手遥杆:上下升降(接收机2通道),左右副翼(接收机1通道)
恭喜多位网友已经制作成功
我的萝莉2代已经完工.地面测试距离1000米信号稳定.今天去试飞330效果很好.


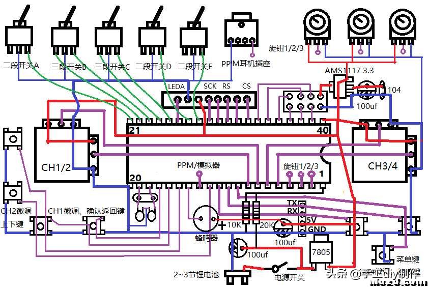
三、电路焊接:
1,先焊接上单片机、电容晶振并*载下**程序。
看到这估计你手中的烙铁已经饥渴难耐了,首先打一下预防针,焊接不及格会出现各种问题:
不要堆太多锡,最好让板面整洁,可以像楼主那样使用电阻腿当导线;
板子上残留焊锡膏、焊点之间如果有奇怪的残留物,会有用万用表量不出来的问题


2,焊接显示屏,如果*载下**程序正确,会有显示效果。单片机和液晶屏电压的关系详见下面的遥控器供电介绍


3,显示屏能显示,DIY已经成功一半,接下来按楼下的电路图逐个焊上摇杆、按键,无线模块,一个最少原件能够工作的四通道遥控器已经完成。
对于一般的模型控制,4通道已经够了,其他旋钮开关之类的不用焊。



4,如果需要控制额外的设备和功能(如起落架、航灯、云台等),添加旋钮通道,开关通道等,构成多通道功能完全版。
背面焊接图:

原理图

部分有误,晶振为12M
关于遥控器供电:
如果电池用3S(11.1V),那么5V稳压只能用7805,如果用开关电源,滤波一点要做好;
如果电池用2S(7.4V),那么5V稳压可以选择AMS1117 5.0(注意引脚顺序和7805不一样,左负右输入,中间是5V输出。这个芯片3S会发热);
如果电池用1S(3.7V),单片机必须更换为STC12LE5A60S2,屏也必须改成3V屏!然后两个稳压芯片都换成HT7333(注意引脚顺序和7805不一样,左负,中间是输入,右是3.3V输出)就可以了,这个方案也可以支持2S电池。另外,蜂鸣器要加三极管放大。
关于电压检测:
很多人遇到电压显示不准的问题:
如果单片机为12C5A(5V),7805稳压(压降2V),只能检测7V以上电压;
如果单片机为12C5A(5V),AMS1117 5.0稳压(压降1.3V),只能检测6.3V以上电压;
只有单片机为12LE5A(3.3V)时,才能准确检测到1S锂电池或5V充电宝的电压;
如果显示差的不多,可以通过设置微调+-10%;如果电压差很多,那么是检测电路不对,还要仔细检查。
元件清单:(为避免广告嫌疑,图片随机抓取,大多数物品可以一站式购齐)
1、STC12C5A60S2 DIP-40单片机一个,12M晶振及30P瓷片电容两个。USB转串口*载下**器一个。




2、稳压芯片AMS117 3.3一个,78m05或AMS1117 5.0一个。


3、晶联讯12864一个.(带不带字库都无所谓,5V和3V要选好)

4、油门摇杆电位器和普通摇杆电位器(区别:油门电位器不自动回中,如果制作目的是车船遥控器,可以都用普通摇杆)。

5、10K电阻、20K电阻一个(选1%精度的),按键7个。



6、 100uf 16V电容三个,104瓷片电容一个。


7、耳机插座一个(用于输入输出PPM模拟信号),蜂鸣器一个。


8、扭子开关,旋钮电位器。


9、最后要说的是无线模块的选取。市面上各种模块质量参差不齐,如果你想获得更远的距离,那一定要买好的模块。
低配版:4.5元模块做发射,4.5元做接收,地面距离100米;
中配版:35元模块做发射,4.5元做接收,地面距离200米到400米间;
高配版:35元模块做发射,35元作接收。地面距离》1000米; PCB天线更换为外置天线后效果可再增加30%。


四、*载下**固件
楼主一直在努力开发和开源,但是个人的力量究竟有限,何况现实身份还是一个没有经济能力的学生,所以在此开放众筹,如果楼主的开源系列给你带来了乐趣,那么不妨你也来支持一下楼主。
大家的支持是楼主前进的动力!
众筹链接:一元众筹
(已有数十位热心的网友支持,十分感谢)
请制作成功的积极向我反馈,反馈内容包括:你制作后的图片,你发现的BUG,你的改进意见等。
三代正式A版更新!!
固件:
固件程序上传不了 有需要可以私信我

更新日志:A版 2016.3.20
1、完整的8通道遥控器的所有功能;
2、回传BEC电压、动力电池电压、遥控信号质量;
3、8通道PPM输入/输出,模拟器/教练;
4、自定义失控舵量,调整后会实时更新到接收机,LED灯会闪一下;
5、摇杆校准,进入校准后晃动每个摇杆到最大值,再次按确认键保存;
6、输入输出双层映射,输入映射用于适应操作习惯,输出映射可以调整通道顺序、实现虚拟Y线等;
常见问题解答 Q and A:
Q:按菜单键没有反应怎么办?
A:没有勾选“复位做IO“选项。这个问题强调很多遍,然而经常还有人出错……Q_Q
*很多问题都是*载下**时没有正确设置造成的。
Q:出现一些奇怪的问题、不正常工作了怎么办?
A:有可能是数据保存出错照成的,勾选“下次*载下**程序时擦除EEPROM”并重新*载下**两次,可以将单片机恢复到最初的状态。
*遥控器开机时长按菜单键也可以强制恢复出厂。
Q:12864液晶出现倒显、镜像等问题?
A:液晶屏的电压过低导致,如果用单节锂电供电,液晶屏需要改成HT7333稳压(板载的3V稳压芯片压降大);
Q:只焊接单片机可以*载下**程序,全部做好后不能*载下**了?
A:这是*载下**器电流不足引起的,可以拆掉大容量电容再试试。
*如果你的*载下**器是CH340g,那么5V和VCC一定要连接在一起。
*如果还不行,那么可以尝试外接电源*载下**法,遥控只接GND、TX、RX,点击*载下**后,再接通外部5V电源。
Q:遥控和接收怎么对频?
A:有三种方法进入等待对频状态:
┌——如果是新制作的接收机,那么第一次开机就是等待对频状态;
├——接收机通过第二条Q A的方法也可恢复为第一次开机状态;
└——使用金属物品,将接收机5/6通道相互连通在一起(就是把单片机5/6通的引脚短接),然后通电,也可以重新对频;
*如何判断等待对频状态:上电后LED直接高亮;
*如何判断已经对过频:上电时LED灯会闪一下再熄灭。如果此时遥控没有开机,2秒后会再亮;
*如何判断故障状态:上电时LED灯会快速闪烁。可能是模块接线不良或电源不稳;
*确认进入等待对频状态,遥控器选择对频,屏幕会显示通信成功。
*如果很长时间不能成功,那么不要折腾怎么对频了、对频怎么这么麻烦、到底怎么对频……(*>﹏<*),这是电路出现问题,检查电路吧。
Q:遥控可以和接收机通信,但舵机乱响不受控制什么原因?
A:使用晶振的接收机*载下**时一定注意不能勾选“内部时钟”。
Q:我做了好几个接收机,怎么用一个遥控控制它们?
A:虽然是多个接收机,但肯定是不同时间分别工作的,所以遥控只需个性化设置一次,然后分别与每个接收机对频即可。
教程出来很久了,对于大部分在制作过程中出现的异常问题,现在可以总结,90%是焊接和连线不合格,5%是看教程不仔细造成的。
因此如果出现问题,首先检查的就是线路是否良好以及是否遗漏了什么步骤。此外如果你不懂电子的话就不要随意改动,每一步都必须按教程来,没有做不出来的道理。
排除法、替换法
DIY的过程中很容易出错,所谓自己动手丰衣足食,自己多思考思考,多备点元器件,把怀疑有问题的换下来,一般的问题很容易自己解决的。
怎么*载下**固件???
*载下**固件对会的人来说像喝凉水一样简单,对不会的来说简直像魔法,其实这个真没什么难的,注意一下注意事项就可以了。
1、前提条件:买*载下**器、安装驱动、制作*载下**线
!注意:如果你买的是带短路帽的CH340G模块,模块上VCC要和5V短路。否则极易*载下**失败

在电脑上安装*载下**器驱动,没有驱动的可以下个驱动精灵,安装驱动
*载下**线的制作非常简单,在GND或5V上接一个开关就行,TXD与RXD分别接电路图中标注的引脚。

2、打开STC-ISP软件,选择单片机型号和COM号;如果出现超出文件大小是单片机型号选错了
正确勾选每个选项;多数异常现象都是由于没有正确勾选导致的
打开程序文件,加载HEX固件;
点击*载下**,单片机接通电源,等待*载下**完成。
!*载下**固件应该在焊接好单片机、晶振、30P电容之后的第一时间就*载下**,如果*载下**不了继续焊接也是白搭;
!如果一直在检测,试着交叉一下RXD和TXD。必须要有断电重新上电的过程。
!如果有电容而有些*载下**器供电不足也会失败,需拆掉电容再*载下**。




一、新版6通道接收机
简述:
新版接收机功能十分强大,通过它,你可以:
1、采用宽电压的芯片,不仅可以用于常见的2S/3S电调,而且可以兼容1S电池,制作微模型。
2、信号回传功能,能够回传电压到遥控器显示,省去电压报警器。
3、失控保护功能,可以在信号丢失时自动执行预设舵量。
4、PPM输出功能,可以做无线模拟器、只用1根线连接四轴飞控等。
5、PWM输出,外接MOS管可以直接驱动有刷电机,连电调都可以省了。
6、开关电平信号输出,外接三极管可以直接做电子开关,灯控。点火器什么的也可以省了。
7、…………
焊接(基础版):
功能这么吊电路依然十分简单:

只焊接好单片机就可以*载下**程序了




背面焊接电路图:

原理图:

材料清单:
1、STC15W408AS DIP-16单片机。
2、红色发光二极管、1K电阻。
3、100uf 16V电容两个,104瓷片电容1个。
4、2.54间距排针,AMS1117 3.3一个。
5、NRF24L01无线模块一个。

六通信号输出









12通道接收机教程
芯片:STC12C5608AD 制作方法及材料与六通道基本相同。注意晶振位置前后有变动。







本12通接收机前7通道为模拟通道,后5通道为开关通道,对应于遥控器CHA、CHB、CHC、CHD、CHE。
4通道PCB轻型接收机教程
手工版接收机过于笨重,针对这种情况,楼主新出4通道的轻型PCB接收机。支持5V到3V的宽电压,可用于1S的小车或小飞机。
没有几个元件,应该很好焊接吧!注意LED底部的横线的位置是靠近102的。兼容直插无线模块和微型无线模块,使用微型时重量只有2g级别。
单片机下面的两个焊盘既可*载下**程序,也可短接后上电重新对码。



如果使用接收机玩飞机模型,遥控器天线需折弯,天线侧面信号最好,切不可将天线指向模型。
推荐接收使用外置天线,不要使用PCB天线。小天线淘宝可以买到,比PCB天线距离能提高30%。


最后说一下模友们在DIY中常犯的错误:
1,布局不合理,信号会被自身电路挡住。如果一定要这样布局,那必须焊接外置天线

最后奉上我做的萝丽控



