基于领先的高压BCD模拟工艺平台,茂睿芯已快速开发并量产了多类业界或国内领先的现象级电源管理芯片系列:业界超快(关断延时10ns)的115V CCM 同步整流控制器MK1808;4A Source/Sink驱动电流的120V高侧及低侧驱动器产品MD18211;110V耐压、待机小于100μA的同步降压(Buck)转换器芯片MK901X;以及110V电压等级AC-DC PWM芯片MK2687。
最近,茂睿芯AC-DC PWM芯片系列又添新成员——采用SOT23-6极小封装的高频QR AC-DC PWM产品MK2697/MK2697G。其中MK2697外驱MOSFET(SJ MOS、超级硅等),MK2697G直驱E-GaN。搭配品类齐全、技术领先的同步整流产品,茂睿芯已经具有了面向USB PD应用全功率范围的电源管理量产解决方案。
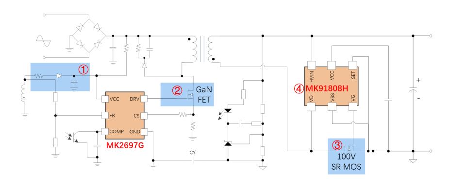
一、 65W高功率密度PD解决方案:MK2697G+MK91808H

正面

反面
茂睿芯量产发布的高精简低成本65W GaN快充方案,具有小体积、高效率的优势。原边PWM控制芯片MK2697G,Vcc 耐压110V,无需外部稳压电路,采用专利驱动技术,直驱GaN功率器件,有效的提高了产品效率及功率密度;搭配业界超短关断延时SR MK91808H,可选用更低耐压等级的同步整流MOSFET,获得更低的BOM成本。
65W直驱GaN方案优势:
① MK2697G 110V Vcc 耐压,支持3.3V-20V Vout,无需外部稳压电路
② MK2697G 直驱GaN,外围简洁
③ MK2697G 专利软驱技术,副边MOSFET应力低
④ MK91808H 支持1MHz开关频率

应用原理图
65W PD直驱GaN方案性能特点:


重载轻载,原边MOSFET均在谷底开通。

整个PPS(Vout: 3.3V-20V)输出过程,MK2697G Vcc电压都在额定工作范围内。

专利技术,配合业界超短关断延时SR,同步整流管采用100V MOSFET足以应对各种故障状态。265V ac输入,输出短路条件下,SR MOSFET VDS电压最高仅91V。
二、茂睿芯AC-DC产品系列

针对PD/QC等快充方案变电压输出的特性,茂睿芯陆续推出多款宽Vcc范围的ACDC解决方案,为客户节省掉传统方案中的Vcc稳压电路,减小布板空间,使用更灵活。独特的专利技术,可减小副边功率管VDS应力,优化BOM成本。
三、 品类完整,技术领先的同步整流产品系列

针对GaN高频应用的特性,茂睿芯陆续推出支持高频应用的同步整流产品: MK91808H和MK91816,至此茂睿芯的同步整流产品将基本覆盖1MHz以下的所有Fly-back应用,后续还将推出支持LLC工作方式的同步整流方案。