图2-46所示是分立元器件构成的OTL功率放大器。OTL功率放大器采用互补推挽输出级电路。OTL功率放大器种类较多,这里以OTL音频功率放大器为例,详细介绍这种放大器的工作原理。

图2-46 分立元器件构成的OTL 功率放大器
电路中,VT1构成推动级放大器;VT2和VT3构成互补推挽输出式放大器,VT2是NPN型三极管,VT3是PNP型三极管。
直流电路分析
电路中,推动级与功放输出级之间采用直接耦合电路,所以两级放大器之间的直流电路相互影响。这一放大器的直流电路比较复杂,分成以下几个部分分析。
1.电路启动分析
接通直流工作电源瞬间,+V经R2和R3给VT2基极提供偏置电压,使VT2发射极有直流电压,这一电压经R4和R1分压后加到VT1基极,给VT1提供静态直流偏置电压,VT1导通。
VT1导通后,其集电极(C点)电压下降,也就是VT3基极电压下降,当放大器输出端A点电压大于C点电压时,VT3也处于导通状态,这样电路中的3只三极管均进入导通状态,电路完成启动过程。
2.静态电路分析
接通直流电源瞬间,很快放大器进入稳定的静态,此时A点电压等于直流电源电压+V的一半,如果+V等于12V,放大器输出端(A点)的直流电压等于6V。这是OTL功率放大器的一大特征,了解和记住这一点对检修OTL功率放大器很有用,如果测量A点电压不等于+V的一半,说明OTL功率放大器已经出现故障。
3.VT2和VT3直流电压供电电路分析
对直流电流而言,VT2和VT3是串联的,所以只有+V的一半加到了每只三极管的集电极与发射极之间,而不是+V的全部。
功率放大器中,电路的直流工作电压大小直接关系到放大器的输出功率大小,+V愈大放大器的输出功率愈大。所以,对于OTL功率放大器而言,由于每只三极管的有效工作电压只有+V的一半,要求有更大的直流工作电压+V才能有较大的输出功率,这是OTL功率放大器电路的一个不足之处。
交流电路分析
电路中,输入信号Ui经VT1放大后,从集电极输出。由于偏置二极管VD1和VD2在直流工作电压+V的正向偏置作用下导通,它们的内阻很小,所以电路中A点和B点上的信号可以认为大小一样。
VT1构成共发射极放大器,它的集电极负载电阻比较复杂,主要有R2、R3、VD1和VD2导通后的内阻以及VT2和VT3的输入电阻。
1.正半周信号分析
在VT1集电极上为正半周信号期间,由于C点电压随正半周信号增大而升高,VT3处于截止状态;同时B点电压随正半周信号增大而升高,VT2处于导通、放大状态,其放大后的输出信号经输出端耦合电容C3加到扬声器BL1中。
2.负半周信号分析
在VT1集电极为负半周信号期间,VT2截止,VT3导通、放大,其输出信号也是通过C3加到BL1。这样,在BL1上得到一个完整的信号。
3.信号传输分析
这一放大器中的信号传输过程是:输入信号Ui→C1(耦合)→VT1基极→VT1集电极(推动放大)→VT2基极(通过导通的VD1和VD2)、VT3基极→VT2和VT3发射极(射极输出器,电流放大)→C3(输出端耦合电容)→BL1→地端。
4.定压式输出特性
电路中,R4和R1构成电压并联式负反馈电路,具有强烈的负反馈作用。这一负反馈电路对直流和交流都存在负反馈作用。由于电压负反馈能够稳定输出电压,所以这种功率放大器具有定压式输出的特性。
自举电路分析
在OTL功率放大器中要设自举电路。图2-46所示电路中,C2、R2和R3构成自举电路。其中,C2为自举电容,R2为隔离电阻,R3将自举电压加到VT2基极。
1.设置自举电路的原因
为了电路分析的方便,将图2-46所示电路重画成如图2-47所示的形式。

图2-47 OTL 功率放大器
如果不加自举电容C2,VT1集电极信号为正半周期间VT2导通、放大。当输入VT2基极的信号比较大时,VT2基极信号电压大,由于VT2发射极电压跟随基极电压,VT2发射极电压逼近+V,造成VT2集电极与发射极之间的直流工作电压减小。
三极管集电极与发射极之间的工作电压减小后,三极管容易进入饱和区,使三极管基极电流不能有效地控制集电极电流。换句话讲,在三极管集电极与发射极之间的直流工作电压减小后,基极电流增大许多才能使三极管集电极电流有一些增大,这显然使正半周大信号的输出受到抑制,造成正半周大信号的输出不足,必须采取措施来加以补偿,即采用自举电路。
2.自举电路静态情况分析
在静态时,+V经R2对C2充电,使C2上充有上正下负的电压UC2,这样电路中E点的直流电压等于A点的直流电压加上UC2,E点的直流电压高于A点电压。
3.自举过程分析
加入自举电路后,由于C2容量很大,它的放电回路时间常数很大,使C2上的电压UC2基本不变。这样,当正半周大信号出现时,A点电压升高导致E点电压也随之升高。
电路中,E点升高的电压经R3加到VT2基极,使VT2基极上的信号电压更高(正反馈过程),有更大的基极信号电流激励VT2,使VT2发射极输出信号电流更大,补偿VT2集电极与发射极之间直流工作电压下降而造成的输出信号电流不足,这一过程称为自举。
4.隔离电阻R2分析
自举电路中,R2用来将E点的直流电压与直流工作电压+V隔离,使E点直流电压有可能在某瞬间超过+V。
当VT2中的正半周信号幅度很大时,A点电压接近+V,E点直流电压更大,并超过+V,此时E点电流经R2流向电源+V(对直流电源充电)端。
如果没有电阻R2的隔离作用(将R2短接),则E点直流电压最高为+V,而不可能超过+V,此时无自举作用。可见设置了隔离电阻R2后,自举电路在大信号时的自举作用更好。
电路特点
OTL功率放大器具有下列一些特点。
(1)OTL功率放大器是目前最常用的功率放大器。
(2)由于两只功率放大管采用串联供电方式,要求直流工作电压+V较高。因为每只三极管上的实际工作电压只有电源电压的一半,所以在直流工作电压较低时,这种功率放大器的输出功率不大,在采用电池供电的机器中不宜用这种功率放大器电路。
(3)功率放大器电路输出端直流工作电压为电源电压+V的一半,这一特点对修理相当重要,在没有电路静态工作电压等资料的情况下,这一直流电压特征对修理的作用显得尤为突出。
(4)采用输出端耦合电容代替输出耦合变压器,使放大器的低频特性和输出功率都有较大的改善。OTL功率放大器电路在采用较高的直流工作电压时,输出功率可以很大。
(5)OTL功率放大器电路在开机瞬间扬声器中会发出“砰”的一声开机冲击声,这是因为输出端耦合电容在刚开机时两端电压不能突变,相当于输出端耦合短路,开机时的这一冲击电流流过了扬声器,产生这一开机噪声。在许多收录机和组合音响中,为了消除这一开机冲击声,可以设置开机静噪电路。
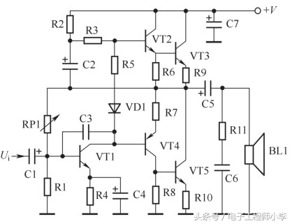
实用复合互补推挽式OTL功率放大器工作原理分析与理解
图2-48所示是实用的复合互补推挽式OTL功率放大器电路。

图2-48 实用复合互补推挽式OTL功率放大器电路
1.电路组成
关于这一实用复合互补推挽式OTL功率放大器的电路组成主要说明下列几点。
(1)VT1构成推动级放大器。
(2)VT2~VT5构成复合互补推挽式输出级,其中VT2和VT3组成一个复合管,等效成一只NPN型三极管,VT4和VT5构成一只PNP型三极管。
(3)VT2和VT4可以采用小功率的不同极性三极管,两只输出管VT3和VT5可以采用同极性的大功率三极管,这样安排就解决了互补推挽功率放大器电路中要求两只同性能而不同极性大功率三极管配对的问题。
2.直流电路分析
关于这一放大器直流电路分析主要说明下列几点。
(1)R P 1和R 1对输出端的直流电压进行分压,分压后的电压给VT1提供基极直流偏置电压,调节RP1的阻值大小可改变VT1静态偏置状态,从而可改变VT2~VT5静态偏置状态。
(2)通过调节RP1的阻值,可以使功放输出级放大器输出端直流电压为+V的一半,这样整个放大器直流电路进入正常的工作状态。
(3)VT2~VT5处于甲乙类工作状态,R5和VD1是复合输出管VT2~VT5的静态偏置电路,提供很小的静态偏置电流,以克服交越失真。
(4)直流工作电压+V提供的直流电流流过R5和VD1偏置电路,在R5和VD1两端产生了电压降,使VT2和VT4基极之间有一定的电压差,这一电压差就是VT2和VT4的直流偏置电压,两管有了很小的直流偏置电流。
(5)VT2偏置电流从发射极输出,加到VT3基极,给VT3提供基极直流偏置电流;VT4集电极输出的直流偏置电流加到VT5基极,给VT5提供了直流偏置电流。
(6)电路中设置电阻R5的目的是为了加大VT2和VT4基极之间的电压,因为采用了复合管后需要更大的正向偏置电压(因为VT2和VT3的发射结串联),而VD1只有0.6V管压降,所以要加入电阻R5,利用电阻R5产生的压降来使VT2和VT4基极之间存在足够大的电压降,作为偏置电压。
3.交流电路分析
交流电路分析时将复合管看成是一只三极管,这样其工作原理的分析与前面介绍的OTL功率放大器基本一样,电路分析很简单。
关于这一放大器的交流电路分析主要说明下列几点。
(1)Ui为输入信号,这一信号经VT1放大后从其集电极输出。VT1集电极输出信号直接加到VT4基极,同时通过已处于导通状态的VD1和R5加到VT2基极,由于VD1导通后内阻小,R5阻值也很小,这样加到VT2和VT4基极上的信号可以认为大小一样。
(2)在VT1集电极输出正半周信号期间,VT2和VT3导通、放大,VT4和VT5截止;在VT1集电极输出负半周信号期间,VT4和VT5导通、放大,VT2和VT3处于截止状态。
(3)两只复合管输出的信号通过输出端耦合电容C5加到扬声器BL1中。
4.元器件作用分析
C2、R2和R3构成自举电路,其中C2为自举电容,R2为隔离电阻,R3将自举电压加到VT2基极,并具有限流保护作用。
C1为输入端耦合电容,C4为VT1发射极旁路电容,C5为输出端耦合电容。对于输出端耦合电容C5要了解它的几个作用:耦合作用、隔直作用和作为功率输出的电源作用。
R6、R9、R8和R10用来减小两只复合管的ICEO。C3为VT1高频负反馈电容,用来消除放大器自激和抑制放大器的高频噪声。C7为滤波电容,R11和C6构成“茹贝尔”电路。
电路分析小结
关于OTL功率放大器的电路分析主要说明以下几点。
(1)OTL功率放大器输出端直流电压等于+V的一半,这一点对检修OTL功率放大器故障很重要。
(2)OTL功率放大器的直流电路分析比较困难,主要是功率放大管的偏置电路、输出端耦合电容的充电和放电、功率放大管的直流电路分析等。
(3)自举电路只对正半周大信号起补偿作用,对于负半周信号没有自举作用。接入隔离电阻后,只要有较小的电流对直流电源充电,在隔离电阻上的压降就比较大(隔离电阻比较大),就能使自举的电压超过直流工作电压+V。
(4)只有掌握了典型分立元器件OTL功率放大器的工作原理之后,才能比较顺利地分析各种OTL功率放大器的变形电路和集成电路OTL功率放大器。