大家好,我是木子,今天给大家带来,数控车床基础的手动编程教学,话不多说,上干货
数控车床的基本编程方法
一、编程的一般规则
1、绝对坐标编程
格式:G00 X Z ;
说明:刀具运动的终点是用绝对坐标指令的,地址X后面的数字为直径值。
2、增量坐标编程
格式:G00 U W ;
说明:刀具运动的终点是用增量坐标指令的,地址U后面的数字为X方向实际移动量的2倍值。
3、混合坐标编程
格式:(1)G00 X W ;
(2)G00 U Z ;
说明:(1)X轴为绝对坐标,Z轴为增量坐标。
(2)X轴为增量坐标,Z轴为绝对坐标。
4、特殊指令G90、G91编程
格式:G90 G00 X Z ;
G91 G00 X Z ;
说明:G90指令,表示程序段中的运动坐标数字为绝对坐标值。
G91指令,表示程序段中的运动坐标数字为增量坐标值。
二、快速点定位指令G00
格式:G00 X(U) Z(W) ;
说明:
(1)刀具以点位控制方式从当前点快速移动到目标点。
(2)快速定位,无运动轨迹要求,移动速度是机床设定的空行程速度,与程序段中指定的进给速度无关。
(3)G00指令是模态代码,其中X(U),Z(W)是目标点的坐标。
(4)车削时快速定位目标点不能直接选在工件上,一般要离开工件表面1~2mm。

如图所示,从起点A快速运动到目标点B,其绝对坐标方式编程为:
G00 X60. Z100.;
其增量坐标方式编程为:
G00 U80. W80.;
执行上述程序段时,刀具快速运动到点(60,60),再运动到点(60,100),所以使用G00指令时要注意刀具是否和工件及夹具发生干涉,忽略这一点,就容易发生碰撞。
三、直线插补指令G01
格式:G01 X(U) Z(W)_ F ;
说明:(1)刀具从当前点出发,在两坐标或三坐标间以插补联动方式按指定的进给速度直线移动到目标点。G01指令是模态指令。
(2) 进给速度由F指定。它可以用G00指令取消。在G01程序段中或之前必须含有F指令。

如图所示,选右端面O为编程原点,绝对坐标编程为:
G00 X50. Z2. S800 M03 ;
G01 Z-40. F80 ;
X80.0 Z-60. ;
G00 X200. Z100.;
增量坐标编程为:
G00 U-150. W-98. S800 M03;
G01 W-42. F80;
U30. W-20.;
G00 U120. W160.;
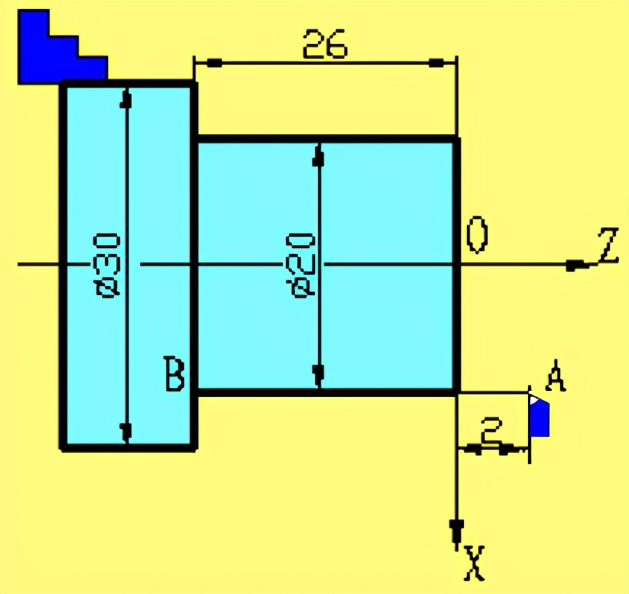
工件如图所示,刀尖从A点移动到B点,完成车外圆、车槽、车倒角的操作。

①车外圆
G00 X20. Z2. ;
绝对坐标方式:
G90 G01 Z-26. F80;
增量坐标方式:
G01 U0 W-28. F80;
或:G91 G01 X0 Z-28. F80;

②车槽
G00 X35. Z-26.;
绝对坐标方式:
G01 X18. F50 ;
增量坐标方式:
G01 U-17. F50 ;

③车倒角
G00 X24. Z2.;
绝对坐标方式:
G01 X30. Z-1. F80;
增量坐标方式:
G01 U6. W-3. F80 ;
四、圆弧插补指令G02∕G03
格式:G02/G03 X(U)_ Z(W)_ I_ K_ F_;
或:G02/G03 X(U)_ Z(W)_ R_ F_;
说明:
(1)G02:顺时针圆弧插补,

G03:逆时针圆弧插补。

(2)采用绝对坐标编程时,圆弧终点坐标为工件坐标系中的坐标值,用X、Z表示,当用增量坐标编程时,圆弧终点坐标为圆弧终点相对于圆弧起点的坐标增量值,用U、W表示。
(3)I为圆弧起点至圆弧中心在X方向上的距离(以半径值表示),K为圆弧起点至圆弧中心在Z方向上的距离。I、K是增量值,并带有“+、-”号。I、K方向是从圆弧起点指向圆心,其正负取决于该方向与坐标轴方向是否相同,相同为正,反之为负。

(4)用半径R指定圆心位置时(它不能与I、K同时使用),由于在同一半径R的情况下,从圆弧的起点到终点有两个圆弧路径。为区别二者,规定圆心角α≤180°时,用“+R”表示,正号可省略;圆心角α>180°时用“-R”表示。用半径R指定圆心位置时,不能进行整圆加工。

①使用圆心坐标I、K编程绝对坐标编程方式:
G00 X20. Z2.;
G01 Z-30. F80;
G02 X40. Z-40. I10. K0 F60;
增量坐标编程方式:
G00 U-80. W-18.;
G01 U0 W-32. F80;
G02 U20. W-10. I10. K0 F60;
②使用圆弧半径R编程
G00 X20. Z2.;
G01 Z-30.F80;
G02 X40. Z-40. R10. F60;

如图所示,刀具从A点开始沿B→C→D移动的程序段如下:
①使用圆心坐标I、K编程绝对坐标编程方式:
G00 X28. Z2.;
G01 Z-40. F80;
G03 X40. Z-46.
I0 K-6. F60;
增量坐标编程方式
G00 U-72. W-18.;
G01 W-42. F80 ;
G03 U12. W-6. I0 K-6. F60;
②使用圆弧半径R编程,绝对坐标编程方式:
G00 X28. Z2.;
G01 Z-40. F80;
G03 X40. Z-46. R6. F60;
2.编制图示零件的加工程序。

①选择刀具,确定安装位置:选择60°刀,安装于T01号位置;
②确定加工路线:粗车、精车ф18外圆、半球SR7至图纸尺寸。
③设置编程坐标原点、换刀点:原点在右端面中心,换刀点A(30,10)。
④计算刀具轨迹坐标值
⑤编程
G50 X30. Z10.;
S800 M03 T0101;
G00 X19. Z1.;
G01 Z-23. F80;
G00 X20. Z1.;
X15.;
G01 Z-13. F60 ;
G00 X16 Z1.5 ;
X0 ;
G03 X16. Z-7. I0 K-8.5 F40;
G01 X15. ;
G02 X0 Z0.5 I-7.5 K0 F40 ;
G01 X0 Z0 F20 ;
G03 X14. Z-7. I0 K-7. F20 ;
G01 Z-13.;
X18.;
Z-23.;
G00 X30. Z10.;
M30;
五、 暂停指令G04
格式:G04 X(P)_
说明:
(1)执行该程序段暂停给定时间,暂停时间过后,继续执行下一段程序。
(2)X(P):暂停时间。其中X后面可用小数表示,单位为秒,如G04 X5.
表示前面的程序执行完后,要经过5秒的暂停,下面的程序段才能执行。地址P后面用整数表示,单位为毫秒。如G04 P1000 表示暂停1000毫秒。
例如:车削环形槽,刀具进给暂停2秒的程序为:
G01 U-6. F50; 切槽
G04 X2.; 主轴不停,刀具在槽底停留2秒
G00 U6.; 退刀
今天的分享就到这里了,喜欢的朋友给个关注哦