
现批准《建筑地基基础工程施工质量验收标准》为国家标准,编号为GB50202-2018,自2018年10月1日起实施。其中,第5.1.3条为强制性条文,必须严格执行。原《建筑地基基础工程施工质量验收规范》GB50202-2002同时废止。
本标准在住房城乡建设部门户网站(www.mohurd.gov.cn)公开,并由住房城乡建设部标准定额研究所组织中国计划出版社出版发行。
中华人民共和国住房和城乡建设部
2018年3月16日
附件:建筑地基基础工程施工质量验收标准
【点击文末“阅读原文”可*载下**】
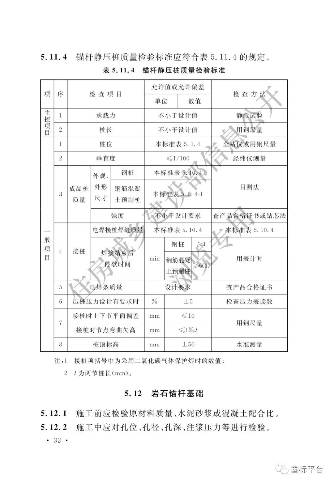
建筑地基基础工程施工质量验收标准 全文【建议使用微信电脑版阅读】:





























































































来源:住建部官网