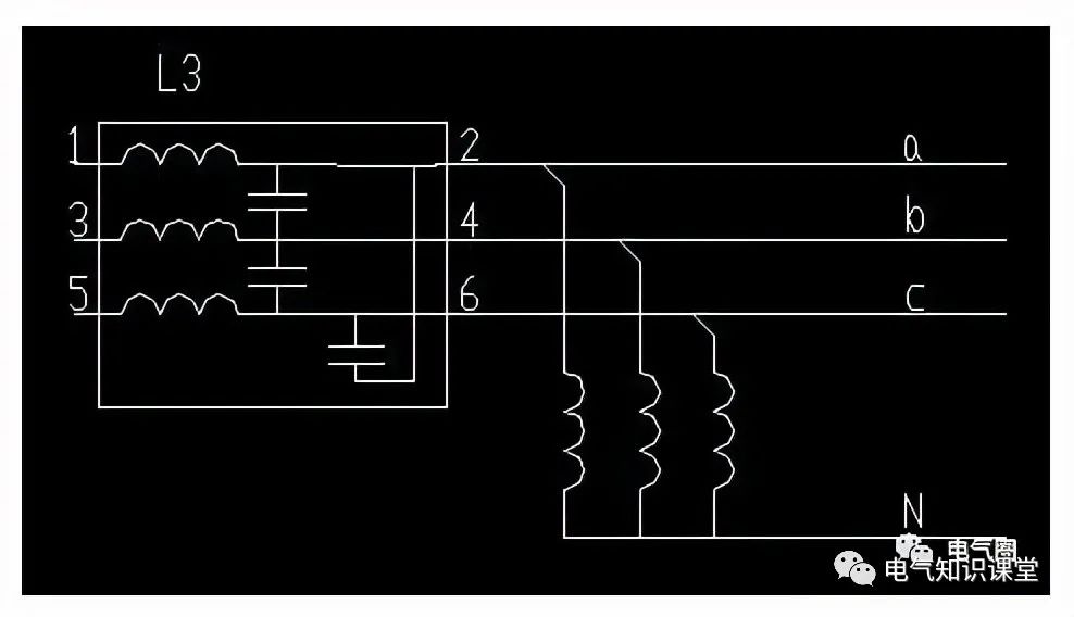
三相四线、三相五线是怎么一回事?估计有不少电气人员都是云里有雾的。其实三相四线是三相电源,每相电源引出一根线叫“相线”,俗称“火线”,A、B、C三相就是三根。三相电源的另外三根线连接在一起,引出一根线,叫“中性线”,俗称“零线”,这是三相四线,若再加一根保护线,就是三相五线了。那么三相四线和三相五线具体是什么区别呢?下面就让小编带大家来详细科普科普吧。

1、前言






2、什么是三相五线制?







3、什么是三相四线制?













了解更多电气方面的知识:
图文详解:供配电系统中的几种配电方案,值得收藏学习
供配电系统中,有几种配电形式?看完本文你就知道
什么是建筑供配电系统?供配电系统由什么组成?一文说清!收藏好
数据中心供配电系统的设计要求,值得收藏
供配电系统的组成、额定电压、供电质量以及基本要求详解,先收藏
消防的供配电线路如何设计?电缆应该怎么选择?干货重点分析
供配电系统设计中怎么计算短路电流?这43页PPT,全概括了
供配电系统的基础知识,电气小白记得收藏
应急电源eps是什么意思?在建筑供配电中起什么作用?
供配电系统的基本知识,这篇讲得最到位!(通俗易懂)