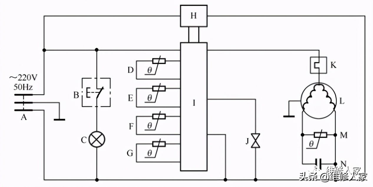
电脑控制型电冰箱的控制系统采用了电脑控制技术,下面以海尔 HCD-237@/257@/287@电脑控制型电冰箱为例进行介绍。该机的电气系统原理图如下图所示。

1.工作原理
该机的系统控制电路由主控板、温度传感器(负温度系数热敏电阻)等构成。它具有自动制冷、自动化霜、开机延迟、超温报警等功能。
(1)制冷控制
该机的控制系统为了实现冷冻室和冷藏室温度的不同控制,不仅需要控制压缩机的运行时间,还要控制电磁阀的工作状态。当冷冻室、冷藏室的温度升高到设置值并被冷冻室、冷藏室的温度传感器检测后,它们的阻值减小,经主控板上的阻抗信号/电压信号转换电路转换为电压信号传送给 CPU,被 CPU检测后输出制冷控制信号,控制继电器接通压缩机的供电回路,启动压缩机运转,开始制冷,同时输出的电磁阀控制信号使电磁阀 J 关闭通往冷冻室毛细管的端口,而打开通往冷藏室毛细管的端口。这样,制冷剂可以通过冷藏室蒸发器、冷冻室蒸发器对冷藏室和冷冻室进行降温。随着压缩机的不断运行,冷藏室和冷冻室的温度开始下降。当冷藏室的温度达到设置温度后,冷藏室的温度传感器的阻值增大,被 CPU 检测后,CPU 输出电磁阀控制信号,使电磁阀 J 关闭通往冷藏室毛细管的端口,而打开通往冷冻室毛细管的端口,此时制冷剂仅通过冷冻室蒸发器,继续对冷冻室进行降温。当冷冻室的温度达到要求后,冷冻室的温度传感器的阻值增大,被 CPU 检测后,CPU 输出停机信号,控制继电器切断压缩机的供电回路,压缩机停转,制冷结束。
(2)门开关及其控制
该机冷藏室设置了门开关。该开关不仅控制照明灯的工作状态,还要控制风扇电动机的工作状态。当冷藏室的箱门关闭时门开关断开,使照明灯熄灭;当冷藏室打开时门开关闭合,使照明灯发光。
(3)故障自诊断功能
为了便于生产和维修,该系统设置了故障自诊断功能(简称为自诊功能)。当该机温度传感器异常被主控制板上的 CPU 检测后,CPU 控制显示屏的温度显示栏显示故障代码,提醒维修人员故障原因。故障代码与故障原因的关系如下表所示。

(4)故障处理功能
当主控板上的CPU 检测到冷冻室、冷藏室温度传感器都异常后,在非化霜状态下,控制压缩机进入定时控制状态,使电冰箱的制冷功能得到保障。
2.故障检测
(1)整机不工作
该机产生该故障主要是由于市电供电系统、电源板上的电源短路或主控板异常所致。首先,用万用表的交流电压挡检测市电插座有无 220V 市电电压,若没有,检查供电系统;若有,将电源线插入市电插座,测电源线另一端电压,若电压不正常,说明电源线异常;若电压为 220V,说明故障发生在电冰箱的电路板上。拆下电路板后,查看电源板上的熔断器是否熔断,若熔断,检查击穿短路或漏电的元器件;若正常,检查电源电路。
(2)显示正常,但压缩机不运转
显示正常,但压缩机不运转,说明压缩机或其供电电路异常。该故障的主要原因有:一是 CPU 未输出压缩机运转信号,二是压缩机供电继电器及其驱动电路异常,三是压缩机或其过载保护器异常等。测压缩机运行绕组两端有无市电电压,若有,检查压缩机;若无,检查电脑板能否输出市电电压,若能,检查过载保护器;若不能,检查压缩机供电电路。首先,测压缩机供电继电器的激励管是否导通,若能导通,检查继电器及供电系统;若不能,检查该管和 CPU。
(3)显示故障代码“F1”
显示故障代码“F1”,说明冷藏室传感器 D 或其阻抗信号/电压信号转换电路异常。首先,测传感器 D 是否正常,若不正常,更换同型号的热敏电阻即可;若正常,查阻抗信号/电压信号转换电路的阻容元件。
提示 :显示故障代码“F2”、“F3”、“F4”故障的检修思路和方法与“F1”代码代表的故障相同,不再介绍。