

文/黄绒 特约撰稿员
编者按:北京时间2021年6月17日上午,神舟十二号在酒泉卫星发射中心成功发射。航天员聂海胜、刘伯明和汤洪波正奔向太空,即将开启为期3个月的飞行任务,并将成为中国载人航天进入空间站在轨组装建造阶段后的首批太空访客。4月29日,长征5号B火箭发射升空,将我国空间站第一个舱段——天和号核心舱带入轨道。到2022年,中国空间站才能全部发射升空建成,但围绕中国空间站的研究项目,则不断曝出“爆炸性”的消息。此前传言的“中国空间站美国科研项目被否决事件”的真相究竟是什么?更重要的是,一个名为“太空肿瘤:来自个体内健康和肿瘤组织的3D类器官培养物由于空间条件导致的早期突变特征研究”项目,将对癌症病因的理解产生重大科学影响,并为癌症的预防和治疗提供新的视角。这再次让国人对太空肿瘤治疗试验寄予新的期望。
核心提要:
1. 中国空间站2022年将发射升空建成,此前传闻中国拒绝美国的项目申请并非事实,实际上由于很多项目是多国研究机构联合申请,本质上并不存在哪个国家获准进驻“天宫”与否的问题。
2. “太空肿瘤研究”是空间站首批研究计划之一,将对癌症病因的理解产生重大科学影响,并为癌症的预防和治疗提供新的视角。埃隆·马斯克的“太空探索公司”的“龙”飞船也接受了悉尼科技大学研究员约书亚·周通过减少重力阻碍癌细胞分裂和扩散的样本研究。
3. 默沙东公司的PD1药物是目前国际空间站实验室取得的最大成功。FDA目前已批准该药用于治疗黑色素瘤、肺癌等数十种肿瘤治疗,是目前全球国内外使用最多的免疫药物。
4. 2017年中国的“天舟”货运飞船就已介入太空零重力对癌细胞作用的研究。2022年中国与联合国合作的太空癌症实验将更进一步,基于三维的癌细胞,研究癌细胞中由于重力作用产生的未知的“噪音”。

中国空间站美国科研项目被否决事件真相

| 图/2021年4月29日,中国空间站“天和号”核心舱点火发射升空。
中国空间站到2022年,才能发射升空建成。但围绕中国空间站的研究项目,则不断曝出“爆炸性”的消息。
此前一则来自于自媒体的消息炒得沸沸扬扬,原文说:“中国空间站消息:中国已经收到了27个国家的申请,中方在评核后,已批准了18个国家进驻天宫空间站的资格。值得一提的是美帝也申请了,不过已被直接拒绝了。”这则语意含糊的消息,由于国内多家媒体的跟进,使得这一传言越演越烈。
其实,这并不是什么新闻,此事发生在两年前,联合国外层空间事务处(UNOOSA)和中国载人航天局(CMSA),于2019年6月12日在维也纳和平利用外层空间委员会第六十二届会议期间,联合宣布了中国载人空间站全球试验项目申请的遴选结果。整个项目申请始于2018年5月,此后共收到了42份申请,相关机构来自27个国家和地区,最终入选项目涉及比利时、中国、法国、德国、印度、意大利、日本、肯尼亚、荷兰、挪威、墨西哥、波兰、秘鲁、俄罗斯、沙特阿拉伯、西班牙和瑞士。由于很多项目是多国研究机构联合申请,所以本质上不存在哪个国家获准进驻“天宫”与否的问题。
这可能就是中国空间站“拒绝”了美国科学家的申请传闻的来源。《自然》杂志专门就相关问题进行了查询。UNOOSA(联合国外层空间事务处)的一位发言人告诉《 自然》杂志 ,自2011年以来,未经美国国会批准,禁止NASA研究人员与中国航空方面合作。事实上,中国空间站并没有排斥美国科学家的项目申请。一个最大的可能就是,这些项目对于中国空间站来说,并不重要。特别重要的项目,也并不会得到美国国会的批准。
这就是中国拒绝美国项目传闻的来龙去脉。
虽然这则新闻没有什么实质的意义,但却曝出了中国空间站雄心勃勃的科学试验计划,包括一个探索DNA如何在太空中变异的项目。以及引人瞩目的“太空肿瘤研究”计划。

马斯克“龙飞船”与中国空间站的
“太空肿瘤”研究
这个非同寻常的“太空肿瘤”癌症研究项目已经获得中国官方批准,将在不久后启动的中国太空站上进行。
据独家获悉的消息称,计划于2022年由中国建成的新国际空间站,首批九个国际合作实验项目里,有一个与癌症有关的, 由挪威科技大学、法国国际航天大学以及荷兰和比利时研究机构共同提出的“太空肿瘤”研究项目。
全称为《太空肿瘤:来自个体内健康和肿瘤组织的3D类器官培养物由于空间条件导致的早期突变特征研究》项目,该项目将研究微重力和宇宙辐射在肿瘤生长和发育中的作用。
据了解,在中国空间站这些已通过项目所涉及的科学领域包括天文学、太空医学、太空生命科学、生物技术、微重力流体物理学、微重力燃烧和太空技术。其中,与生物科技相关的占据一大部分,这主要是因为太空失重环境和宇宙射线已被普遍认为能够为生命科学探索创造一个独特空间,会直接影响从细胞合成药物研发的方方面面。
联合国外层空间事务办事处主任西蒙内塔表示:“正如该项目所展示的那样,太空正在不断为人类前进开辟新领域,旨在寻找减少肿瘤的新方法,这是我们这个时代的主要杀手之一。”它被认为将对癌症病因的理解产生重大科学影响,并为癌症的预防和治疗提供新的视角。
无独有偶,今年6月上旬,埃隆·马斯克的“太空探索公司”披露了一项“龙”飞船升空,恢复自主向国际空间站运送人员、物资和实验后的神秘任务。 一项与癌症有关的研究将在国际空间空间站实施,颇为引人注目:它是澳大利亚科学家提出的——太空失重状态可以杀死大量癌细胞。
肿瘤医学家们认为,如果一切如模型推演的那样,零重力可杀死肿瘤。那么,人类的癌症治疗,将进入一个全新的时代。

| 图/“太空肿瘤”项目是联合国外层空间事务局和中国载人航天局选择在即将发射的中国空间站上进行的九项研究计划之一。

霍金生前假设被华裔科学家实现
悉尼科技大学生物医学工程研究员约书亚·周(Joshua Chou)从2014年起便开始研究微重力如何影响人体中的癌细胞。据周自己介绍,他的研究灵感来自与已故的物理学家史蒂芬·霍金的一次交谈,霍金谈到,宇宙中没有什么能抗拒重力,后来,当周的一个朋友被诊断出患有癌症时, 他想起霍金所说的话,并开始琢磨:“如果我们让癌细胞脱离重力作用,将会发生什么呢?”
从理论上说,重力和癌症,看似不相关,分属物理和化学领域,但其实存在着密切联系。癌症作为一种疾病,简而言之,就是一种坏细胞开始不受控制地分裂并扩散到身体某些部位并占据那里,癌细胞最初聚集在一起,在体内形成实体瘤,等到这种实体瘤生长到一定程度,就会发出信号,通知坏细胞侵入健康组织,例如肺、脑、肝和胰腺等。
当前癌症研究最大的困惑在于,没人确切地知道癌细胞发展到什么时候会发出信号。 但是,癌症生长和扩散过程似乎表明,存在一种手段,使细胞能够相互感知并一起吸引而形成肿瘤, 据生物医学研究人员已经掌握的知识,这种手段只有通过机械力,并且这些力在引力很大的环境中起作用。这就是减少重力阻碍癌细胞分裂和扩散成为一种可能。
周自己正好在太空医学研究方面有一些经验。在哈佛大学工作期间,他曾参与了一个项目,开发一种治疗骨质疏松症的药物,相关部分研究就是在国际空间站(ISS)上展开。正如周所说:“这次的经历使我第一次看到,太空环境可以影响我们对细胞生物学和疾病的理解,于是我想说,为什么我们不能将相同策略应用于研究其他细胞和疾病呢?”

| 图/中国空间站核心模块的面板视图
于是,周和他的团队先花了1年半时间来做准备,2018年在实验室中测试了微重力对癌细胞的影响。为此,他的一名研究生制作了一种设备,这一设备本质上是一个纸巾盒大小的容器,内部装有一个小型离心机。不同的癌细胞被安置在离心机里的一系列小隔离舱中,然后将它们旋转,直到它们经历微重力的状态。
“我们不可能开发出治疗癌症的灵丹妙药,因为每个人的癌症都不一样,人们的反应也不同。但是我真正想知道的是:这些癌症有什么共同点吗?这就是为什么我将它们放在微重力装置中。”
结果,在处于零重力状态下仅一天后,研究人员发现80%以上的癌细胞死亡。
“我们从身体的不同部位中提取了四种不同类型的癌细胞,包括乳腺癌、卵巢癌、肺癌和鼻咽癌,并将它们置于微重力条件下。我们发现,在24小时内,这些癌细胞中有80%至90%实际上死了,”周在一篇发表于《科学》杂志的研究文章中说, 他发现,微重力会使癌细胞无法繁殖。
周最初的研究结果轰动一时。今年5月,研究团队将癌细胞样本,从澳大利亚送往美国,依照程序,在龙飞船发射前24小时,再将所有癌细胞样本放入一个标准部件中,然后由火箭送到国际太空站,这些标本将在太空站停留28天后,最终被送回地球。周解释说,通过那个专门设计的部件,设备抵达太空后会自动记录其中癌细胞样本在太空环境下的转变,整个实验周期为4周,因为这次只是要获得有关癌细胞抵达太空后出现的初期反应。
被龙飞船送往太空的是卵巢癌样本。周解释说:“对我来说,乳癌是一种常见的癌症,但现存的乳癌患者生存率较高,同时,可以使用的治疗方法也有很多。但是对于卵巢癌来说,却并没有太受人注意 ,同时,在个人层面上,因为我自己认识和关心的人患有这一疾病,所以,对我自己来说,这也是一个我个人关注的问题。”

| 图/这是一种在国际空间站广泛使用的一种类器官的细胞生长室。

免疫药物PD1的关键研发源于国际空间站的癌症试验室
那么,如果这次所谓的太空微重力状态下的测试成功,是否意味着将来人类就可以利用建造非重力环境来治疗癌症病人呢?事实并非如此。 周表示,这一研究的最终目的,是了解如何截断癌细胞与周围环境以及癌细胞之间的相互交流,然后让研究人员可以开发一些针对这些癌细胞,让它们误以为自己活在太空状态下的药物,从而通过阻截它们继续繁殖来治疗病人。 换句话说,理想情况下,这些疗法不会构成治愈方法,但可以补充现有的抗癌医疗方案,与药物和化学疗法结合起来,新治疗方法将有可能有效地减缓癌症在人体中的传播,从而使传统治疗方法更有效,成本也更低。
周的团队已与美国著名的梅奥诊所(Mayo Clinic) 和哈佛大学达成合作协议,并会在未来两年内,对不同种类癌症展开研究,并再度实施太空实验,他们下一次的太空实验预计会在2020年底前。他说:“我和我的团队很幸运能够有机会展开这项研究,因为这种研究非常罕见,我们将利用我们在太空实验中的发现向各国研究界证明,太空生物学和医学时代已经来临。”
事实上,国际空间站(ISS)国家实验室为一个独特的研究平台。自诞生起,就吸引了各国那些喜欢创新的研究人员。这些研究机构希望利用微重力来解决地球上的复杂问题,例如癌症。在ISS国家实验室,至少有数十个项目专注于与癌症相关的研究。
这些癌症研究项目包括:培养临床级干细胞以用于治疗应用。蛋白改善药物的发现和传递,以及测试效果更好或副作用更少的新疗法。
这些项目中,最被寄予厚望的则是与癌症相关的新药研发项目。 众多的大型制药公司,都在国际空间站寻求改进“3D细胞培养方法”,以进行更高精度的药物测试,降低当前药物发现工作的失败率。而这些目前都已取得了初步成功。
在免疫药物中大出风头的默沙东公司的PD1药物,中国民间俗称的“K药”,最初就源于在国际空间站实验室的纯化与结晶试验,开发出了这款治疗性单克隆抗体Keytruda®。 这是目前国际空间站实验室取得的最大的成功。
这款名为Pembrolizumab的PD1免疫药物,FDA目前已批准该药用于治疗黑色素瘤、肺癌、头颈癌、霍奇金淋巴瘤和胃癌等数十种肿瘤治疗。是目前全球国内外使用最多的免疫药物。

| 图/默沙东的研究人员正在利用空间站独特的微重力环境,探讨使PD1这种需要数小时的输注化疗,变为几分钟的皮下注射的快捷方式。

| 图/国际空间站的研究人员正从孵化器中,取出装有癌细胞的设备。这里面是癌细胞在微重力下的关键数据。
新药研发的失败率(即达到临床前或临床试验阶段时)大于50%。这对于消费者和制药公司而言都是沉重的负担。经济模型表明,在进行临床试验之前,仅将失败预测率提高10%即可节省每种药物的开发成本1亿美元。
在一项由波音公司资助的研究中,Oncolinx Pharmaceuticals,LLC制药公司正在使用国际空间站在“3D细胞培养物”中测试新型抗癌药:抗体-药物偶联物(ADC)。这是一种新型免疫激活癌症药物,据称它将使用纳米颗粒精准送达癌细胞,如果研制成功,将是一款可以避免所有化疗相关副作用的有前景的药物。

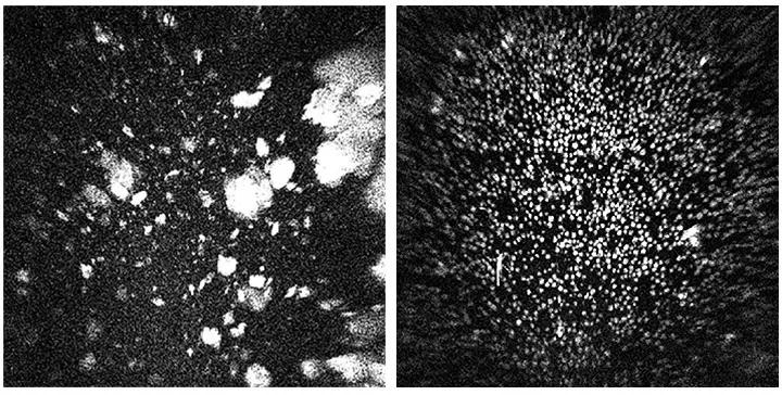
| 图/默沙东公司关于K药的纯化与结晶试验的地面对照样品(左)和航天样品(右)的UV成像,清楚地显示了微重力下生长的晶体的尺寸和分布更加均匀。

2022年联合国太空肿瘤项目,寻找癌细胞突变时的噪音?
德国科学家此前已经发现,重力环境对癌细胞有影响。德国中部马格德堡大学的重力生物学和转化再生医学教授 达尼埃拉·格里姆(Daniela Grimm)2017年领导了一项测试太空中甲状腺癌细胞行为的实验,由中国的“天舟”货运飞船搭载升空。而2022年中国将与联合国合作、由挪威科学家设计的太空癌症实验,将比澳大利亚的华裔科学家更进一步,因为实验将基于被称为类器官的三维的癌细胞。
挪威科学技术大学医学与健康科学学院的研究主管特莉西亚·拉罗斯(Tricia Larose)说:“我们的计划是,将来自同一人的健康组织和癌症组织的3D干细胞类器官发送到太空。我们将研究突变,并研究失重和宇宙射线对细胞DNA的影响。”。
所谓类器官,是从成年人类干细胞生长而来的,成年人类干细胞是一种可以无限分裂并产生不同类型细胞的细胞。研究人员已经完善了生长类器官的结构,因此它们实际上具有模仿不同器官微小结构的能力。此前,人类在太空中展开的癌症研究使用的是更简单的2D细胞,3D干细胞更接近其自然形状,并且具有模仿它们所创建的器官的特征,无疑将为研究人员提供更好的信息。
拉罗斯的假设是,先前对2D细胞的研究表明,失重会对与肿瘤发展有关的基因表达产生影响,因此如果不受重力影响,癌症类器官的生长将减慢或停止。
与此同时,癌细胞中的突变可能会在细胞DNA中留下一种突变特征,这在此前从未被研究过,甚至这个概念就未曾被提出过。 她的理论是,由于重力作用,癌细胞中存在一些未知的“噪音”,健康细胞和癌症细胞都受重力影响,因此研究人员应该能够在所有细胞的突变特种中检测到这一点。

“当我们观察癌细胞的突变特征时,会有很多'噪音'。噪音是我们根本不了解的东西。” 拉罗斯说,“实验过程的一部分是确定造成这种噪音的新原因。”
挪威宇航局人类太空飞行和探索负责人玛丽安·文耶·坦蒂略(Marianne Vinje Tantillo)说,拉罗斯的提议解决了一些关键问题,“如果我们能够确定多少未知的‘噪音’是由于重力引起的,那么识别剩余的未知因素也将更加容易”,“也许我们可以因此更进一步地了解癌症,并找到新的方法来对抗这种疾病”。
中国载人航天工程新闻发言人林西强表示,这次入选中外合作的“太空肿瘤”项目“将对癌症病因的理解产生重大科学影响,并为癌症的预防和治疗提供新的视角。” 2016年3月,中国载人航天工程办公室与联合国外空司签署《利用中国空间站开展国际合作谅解备忘录》,围绕中国空间站空间科学试验与应用等方面,与世界各国开展合作,“太空肿瘤”为首批入选的来自17个国家、23个实体的9个项目之一。
根据2019年6月公开披露的信息,中国空间站规划部署了密封舱内的16台科学实验柜、舱外暴露实验平台以及共轨飞行的光学舱,支持在轨实施空间天文、空间生命科学与生物技术、微重力基础物理等11个学科方向的数百项科学研究与应用项目。16台科学实验柜将分别安装在核心舱、实验舱Ⅰ和实验舱Ⅱ。核心舱科学实验柜即将完成初样阶段研制,实验舱Ⅰ科学实验柜正开展初样研制工作,实验舱Ⅱ科学实验柜已全部完成关键技术攻关。
具体到拉罗斯领先的这个实验项目,届时,在空间站上,一组类器官将同时受到宇宙辐射和失重的影响,另一组类器官将放置在离心机中,使其承受与地球上相似的重力,这意味着它们仅受到宇宙射线的照射;第三组将被放置于免受宇宙射线影响的容器中,使其仅处于失重状态。最终,对实验结果加以比对,从而寻找拉罗斯所说的癌症突变中的“噪音”。

| 图/这是被送上太空的滤泡甲状腺细胞。这些癌细胞将在国际空间站的微重力环境中进行研究。

太空治愈癌症的大国竞赛
事实上,翻看国际空间站上的实验项目记录,与癌症相关的非常多,很多人都期待,利用太空完全不同的环境,寻找理解和治疗癌症的新路径。比如2018年美国国家实验室和波音共同宣布的“太空技术”奖,该奖的三个国际空间站实验项目都致力于癌症研究。 Kernal Biologics.Inc的一项研究将筛选用于白血病免疫疗法的同选择信使RNA,以此研发的药物,据称除了可以破坏癌细胞之外,还可能能够区分癌细胞和健康细胞;MicroQuin的两个项目,一个研究参与肿瘤形成和癌症存活的蛋白质,另一个开发和研究人类乳腺和前列腺癌的复杂3D模型。
梅奥诊所的最新太空研究与中国空间站的试验有一定关联性,它的目的在于培养可用于人类治疗的临床级干细胞,从而增强人类了解化学疗法对癌症的打击力,并可能为开发针对根除癌症的疗法奠定基础。另外,许多蛋白质结晶研究也正将其地面研究工作带到空间实验室,以寻求更大、更均匀的晶体,从而更好地生产新药来控制癌症生长、改善药物发现癌细胞和递送方法。 相对于太空结晶,地面实验室中的蛋白质结晶通常会比较小且不均匀,这使得难以对其分子结构进行解释。
总之,当前太空中展开癌症相关研究,正如火如荼地展开。记得2014年美国宇航局曾在一篇文章中写道:“当我们展望未来的十年轨道空间站时,我们可以通过昨天、今天和明天的历程,看到空间站在癌症研究中的作用。空间站是为研究人员提供长期微重力环境的关键,这一环境可以推动研究形成突破,为世界带来好处。这场比赛终将结束,但通过一路接力,每个人都在尽自己的一份力量,在他人的努力基础上,为更好,甚至没有癌症的明天而努力。”
