故障现象
iPhone7接充电器充电慢。
维修过程
拿到故障机后插上USB充电电流显示头进行充电,发现充电电流很小,只有0.17A,如
图所示,正常一般会在1A左右。

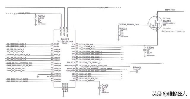
手机充电是电流由数据线进入尾插座,尾插座输出PP5V0_USB给充电芯片U2101和
USB管理芯片U4001,USB管理芯片控制充电芯片工作,输出主供电PP _VDD _MAIN,充
电芯片控制充电管Q2101将主供电转换为电池电压PP_BATT_VCC给电池充电,如图3所示。


通过数据线把手机连接到计算机的USB接口,判断手机是否能连接到计算机。结果发
现连接计算机之后没反应,由此判断多半是USB管理芯片损坏而引起的故障。
拆下主板上的USB管理芯片,更换好的USB管理芯片,如图所示。

更换好USB管理芯片后,开机接上充电线,看到充电电流已正常达到1.22A,如
图所示。维修到此结束。
