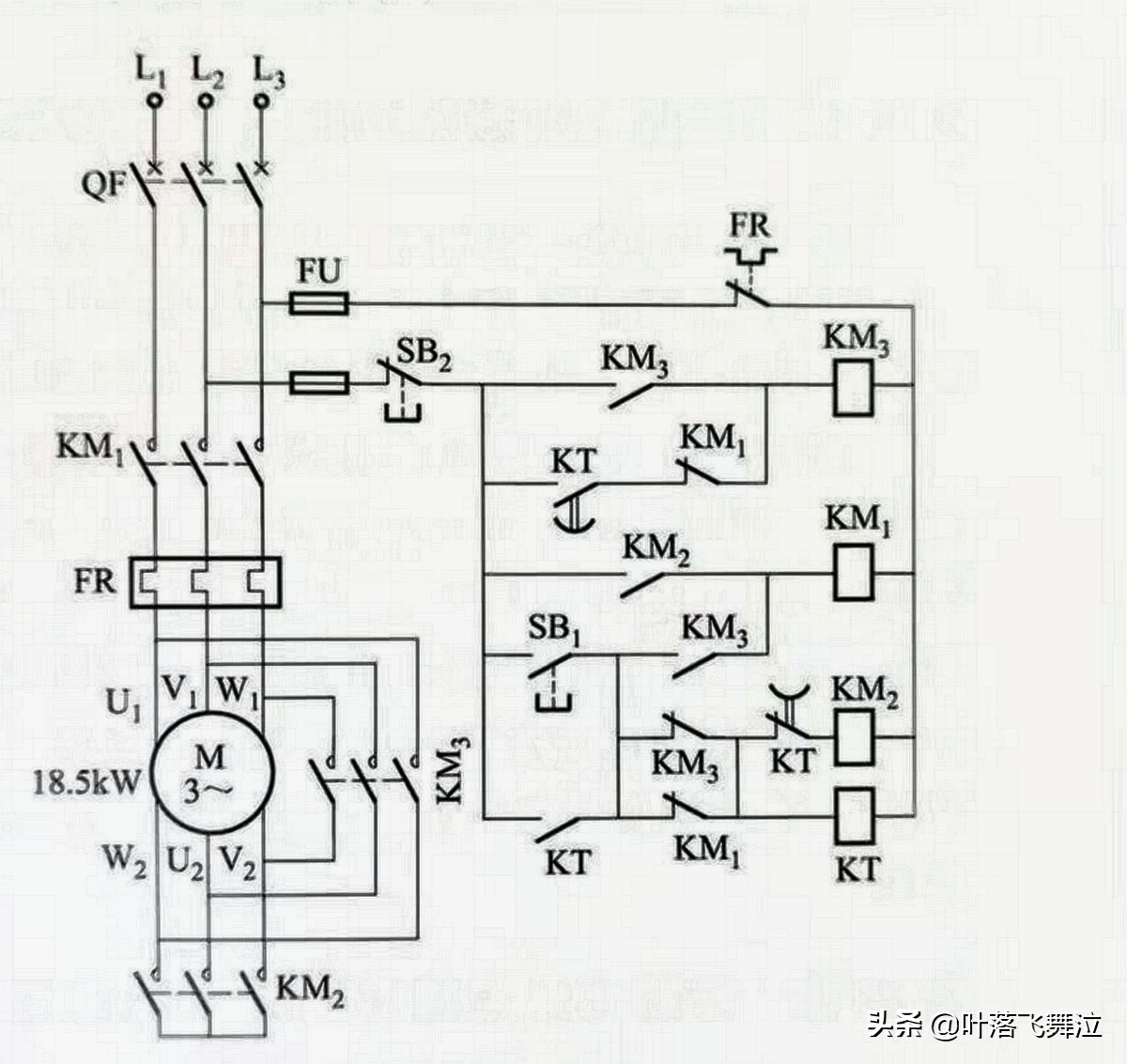
图解带防飞弧短路功能的星三角降压启动线路
1.带防飞弧短路功能的星三角降压启动线路图

2.按动SB1,KM2吸合

3.KM2常开触点闭合,带动KM1吸合

4.时间继电器KT,形成自锁

5.时间继电器KT延时断开

6.时间继电器延时闭合,KM3得电吸合

7.KM3常开触点闭合,使KM1闭合

8.KM1如何形成自锁?

1.带防飞弧短路功能的星三角降压启动线路图

2.按动SB1,KM2吸合

3.KM2常开触点闭合,带动KM1吸合

4.时间继电器KT,形成自锁

5.时间继电器KT延时断开

6.时间继电器延时闭合,KM3得电吸合

7.KM3常开触点闭合,使KM1闭合

8.KM1如何形成自锁?
