步进驱动器控制要求:
当按下启动按钮X0时,步进电机正转一圈,停顿2秒,再反转1圈后停止!
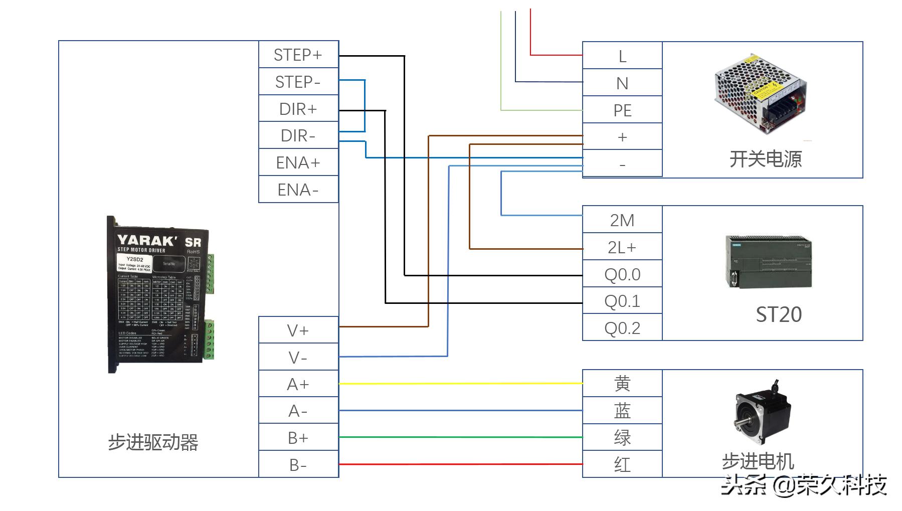
开关电源:IN :AC100~240V、OUT1:24V 、OUT2:5V
PLC(晶体管):ST20
步进驱动器:支持集电极,脉冲+方向形式
步进电机:二相混合式
动态图

静态图

步进驱动器PLC程序
启动程序

步进电机正反程序

延时反转程序

延时正转程序

以上,欢迎分享及收藏!
如有其他关于学习PLC编程控制的问题及资料可告知小编哦!
步进驱动器控制要求:
当按下启动按钮X0时,步进电机正转一圈,停顿2秒,再反转1圈后停止!
开关电源:IN :AC100~240V、OUT1:24V 、OUT2:5V
PLC(晶体管):ST20
步进驱动器:支持集电极,脉冲+方向形式
步进电机:二相混合式
动态图

静态图

步进驱动器PLC程序
启动程序

步进电机正反程序

延时反转程序

延时正转程序

以上,欢迎分享及收藏!
如有其他关于学习PLC编程控制的问题及资料可告知小编哦!