山西大学电力工程系的研究人员段玉戈,在2020年第5期《电气技术》杂志上撰文,设计了一种以单片机为控制核心,利用传感器进行外部环境参数采集的智能窗户控制装置。该装置结合物联网思维,将窗户与窗帘进行联动控制。其通过不断循环检测室内外温度、室外风力、光照强度、烟尘和可燃气体浓度等实时环境参数,并与临界值相比较,进而实现对窗户和窗帘开合的自动控制。

伴随着物联网技术的日渐成熟和其产业规模的快速发展,智能与智慧的生产生活方式更多地来到了人们的身边。其中,智能家居作为一个与日常生活密不可分的新兴产物而受到大众的密切关注,并且一跃成为物联网技术广泛应用且快速发展的领域之一。
智能窗户作为智能家居中一块尚未大量开发和探索的部分,具有广阔的发展空间。截至目前的设计与制作,本文设计的智能窗户控制装置可以通过多种传感器实现对室内外温度、光照、可燃气体浓度、室外风速、雨滴、烟尘等环境参数的实时监测,并将这些信息以输入电平信号的形式传入单片机,在经过程序对参数的比较和处理后,由单片机输出端输出电平信号控制电动机进行正反转,从而实现对窗户和窗帘的开合调节,达到智能控制的目的。该装置不仅可以很好地提升用户的使用感受,而且也为居家舒适和生产安全提供了保障。
1 装置总体设计
基于AT89C2051单片机系统设计,该装置主要包含了由多种传感器相互配合的参数采集模块、单片机输出端的电动机驱动模块、根据用户设定在每天的规定时间控制电动机实现开关窗的定时继电器模块、可实时预警的蜂鸣器报警模块和定时向用户显示检测到的环境参数的显示模块四大基本模块。
其中,参数采集模块在很大程度上将光照传感器、温度传感器、烟尘传感器、可燃气体传感器、风速传感器、雨滴传感器以及振动传感器相结合,很好地达到了对室内外环境参数的24h不间断检测采集的目的。其原理框图如图1所示。
2 硬件设计
2.1 单片机最小系统模块
本装置将高性能处理器AT89C2051作为主控芯片。该单片机作为ATMEL公司的一款价格低且性能好的8位CMOS微型处理器,其具有体积小、功能强等优点。不仅如此,AT89C2051单片机的最低工作电压仅为2.7V,可以由两节五号电池带动进行工作。所以将其应用在窗户的控制装置中不仅可以有效解决在发生停电等特殊情况时单片机的正常运行问题,而且有效缩小了装置的体积,实现了安装的美观。

图1 装置原理框图
对于装置的设计制造者而言,由于该单片机内部程序存储器为Flash,所以相较于其他微处理器,当需要修改它的内部程序时,所需的工作更为精简。而且AT89C2051在前期的设计与生产中为使用者留有2个程序保密位,当保密位1被编程之后,程序存储器不能再被进行编程和修改;当保密位2被编程之后,在程序存储器内已有的程序则不能被读出。因此,该单片机的选用也为后期该装置在市场上投放及保证核心程序不泄露而奠定了良好的基础。
2.2 光照传感器模块
由于利用了光敏二极管的原理,光照传感器模块可以很好地实现对室内光照强度的检测功能。当午时来临时,光照强度逐渐增强,二极管在感知到光照变化后实现单向导通,输出高电平,指示灯变亮,单片机控制窗帘的电动机正向旋转,从而实现窗帘的闭合;当夜晚来临时,光照强度逐渐减弱,二极管在感知到光照减弱后截断电流,输出低电平,指示灯熄灭,单片机控制窗帘的电动机反向旋转,从而实现窗帘的开启。
不仅如此,在给窗帘的电动机设置了自动模式的同时也为其增设了手动模式,使用者也可依据自身的生活习惯与个人喜好进行调节,从而达到使居家生活更为舒适智能的目的。将窗户与窗帘进行联动控制的实现不仅可以使居家生活更舒适便捷,而且在一些特殊的场合也会产生巨大的使用价值。
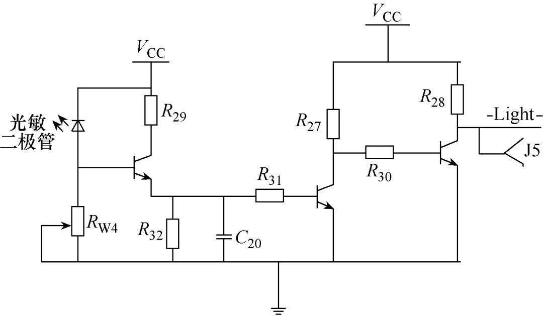
例如在医院安装该智能窗户控制装置,控制权可交由医院进行统一管理,根据每位病患的病情需要,定时为其通风或给予适宜的光照,以辅助病情的缓解和病患的康复。该传感器的电路结构如图2所示。

图2 光照传感器模块
2.3 温度传感器模块
温度传感器模块采用了数字集成温度传感器DS18B20,其可以实现对室内温度变化的连续不间断监测。该传感器尺寸为21mm×10mm,不仅具有硬度大、耐碰撞、体积小和精度高的特点,而且其测量的温度范围可达到55℃~125℃(误差±2℃),因此可用于各种日常生产生活。
由于该传感器还具有多种封装形式,因此在不同的外部环境,根据用户窗户的不同形式可以进行灵活的调整。DS18B20的有效工作电压为5V,将其负极接地,输出引脚DO与单片机引脚相连接。
工作时,DO引脚传输的电信号会随着环境温度的变化而产生一系列相应的变化,所得的温度值也将会存放在对应的存贮器中。再将上述信号经过DO引脚传送至单片机,借助单片机对数据进行处理以实现对电动机正反转的控制,继而做到窗户的自动开启和关闭。
2.4 烟尘传感器模块
烟尘传感器模块采用了目前检测精度较高的夏普GP2Y1051AU0F灰尘传感器,其主要原理为将平行光束射入被测颗粒场时,随着场内颗粒物浓度的变化,其对平行光的散射情况也会相应地改变,从而根据平行光的衰减程度来确定空气中颗粒物的浓度。
该传感器具有很低的电流消耗(11~20mA),不仅如此,其最小粒子检出值高达0.8m。在清洁的空气环境中,该传感器会给单片机输出一个0.9V的模拟电压,随着空气中颗粒物浓度的升高,该模拟电压会根据所测颗粒物浓度而成正比地增加,且灵敏度为0.5V/(0.1mg/m3)。
烟尘传感器模块的增设不仅可以检测空气中存在的烟尘以及PM2.5等对人体有害的颗粒物,而且在一些对空气中粉尘浓度要求较高的特殊的生产加工工厂(例如面粉厂),也可以有效避免一系列安全事故的发生。
当被检测对象为空气中的PM2.5等有害颗粒物时,该传感器会被安装在室外,一旦发现空气中的烟尘浓度高于标准时,装置就会控制窗户及时地关闭,以便最大限度地保证室内空气的清洁程度;而当被检测对象为工厂内的粉尘浓度时,该传感器则会被安装在室内,如发现空气中的烟尘浓度高于标准时,装置就会控制窗户及时地打开,从而进行良好的通风,达到降低粉尘浓度、避免生产安全事故发生的目的。
2.5 可燃气体传感器模块
为实现对室内空气中例如甲烷、乙烷等可燃性有毒气体进行实时监测,可燃气体检测传感器采用的是目前应用比较广泛的MQ135空气污染检测传感器。MQ135气体传感器采用的气敏材料为在空气中电导率较低的二氧化锡。
当所处环境中存在污染气体时,其电导率会随着空气中污染气体浓度的增加而增大。将该传感器与基本电路进行配合使用,可以将电导率的变化转换为与所测有害气体浓度对应的模拟电压进行输出。
该传感器的工作电压为5V,将其AO端与单片机进行连接,在相对无污染的情况下,AO端向单片机输出0.1~0.3V的模拟电压;当发生有害气体泄漏时,AO端输出的模拟电压升高至4V左右。单片机在接收到信号的改变后会根据程序的设定控制电机转动,从而实现及时开窗通风以及蜂鸣器报警的功能。
2.6 风速传感器模块
风速传感器采用了三杯式风速计,该风速计可检测的风速范围为0~70m/s,具有测风范围大、材料强度高且耐腐蚀等优点。在不同的天气情况下,风速计的三个杯体随着不同等级的风力带动而连续不停地旋转。
将其电压采样端与单片机引脚相连,如果室外的风速产生变化,采样端的输出电压等级也会对应地进行改变。风速越大,风速计的旋转叶片转速越高,采样端的输出电压等级也就相应地升高。而如果单片机的输入电压升高,就会控制电动机旋转实现关窗;输入电压如果降低,则其控制电动机旋转实现开窗。
2.7 雨滴传感器模块
雨滴传感器模块采用了Arduino雨滴传感器,借助导电性能良好的大面积镍处理感应板,该传感器可将是否下雨及雨量的多少转成数字信号(DO)和模拟信号(AO)。将其数字输出端DO与单片机引脚进行连接。
在天气晴朗干燥时,传感器的感应板上没有水滴滴落,其输出端DO输出高电平,单片机控制电动机转动进行开窗;当天气突变,遇到降雨时,感应板上感应到有水滴滴落,输出端DO输出低电平,单片机控制电动机转动进行关窗。
2.8 振动传感器模块
振动传感器模块则主要采用了压电陶瓷片。作为一种功能性陶瓷材料,压电陶瓷可以将机械能有效地转化为电能。该材料主要是利用了压电效应的原理,当压电陶瓷片表面受到机械压力时,介质材料会产生一定程度的收缩或拉伸等形状的变化,从而引起陶瓷片表面带电,产生正压电效。
压电陶瓷片体积小、质量轻且灵敏度高,将其安装在窗口处,既不影响美观,又能很及时地检测到窗户的振动。如遇到盗贼撬窗,窗户就会产生持续不间断的振动,继而在压电陶瓷片上产生较长时间的电压。
将上述电平信号传入单片机,单片机可以依据压电陶瓷片上产生电压时间的长短来确定是正常情况下的自然振动还是盗贼作案,进而控制蜂鸣器报警。该传感器的电路结构如图3所示。

图3 振动传感器模块
2.9 定时继电器模块
定时继电器模块与智能窗户控制装置的首次结合不仅解决了家里有老人常出现忘关窗而导致安全事故的问题,而且在极大程度上使无人在家但保持家里定时通风换气成为了可能。该模块的工作电压为5V,可分为OPE(控制继电器闭合时间)和CLE(控制继电器断开时间)两种工作模式,且每个模式均可设置多个时间段。
用户可以根据居住的地域条件以及自身的喜好来设定每日开窗和关窗的时间。当到达预先设定的开窗时间,定时继电器模块输出高电平,控制单片机从而实现电动机正转打开窗户;当预先设定好的关窗时间来临,定时继电器模块输出低电平,控制单片机从而实现电动机反转关闭窗户。
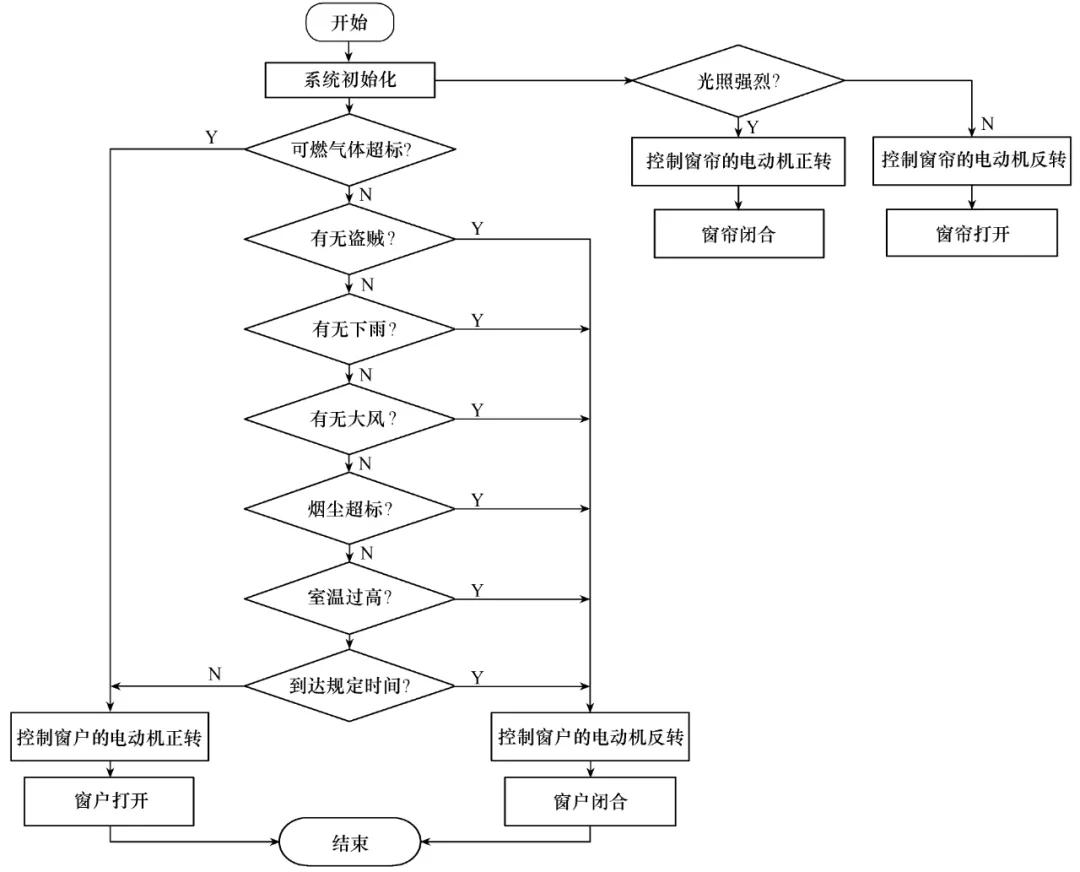
3 系统主程序设计流程图
本装置的系统软件以Keil作为编辑软件,C语言作为编程语言,AT89C2051作为控制核心,并结合多种传感器所检测到的环境参数进一步控制电动机的转动,进而实现对窗户的智能控制,如图4所示。如遇到停电等特殊情况,用户也可将该装置切换为手动的操作模式。Keil编辑软件开发图如图5所示,系统设计流程如图6所示。

图4 装置实物图

图5 Keil编辑软件开发图
4 结论
本装置以AT89C2051单片机为基础,配合多种传感器进行环境参数采集,进而达到利用电平信号对电动机进行控制的效果,窗户的自动开合也由此实现。该装置很大程度上改变了室内无人时遇到外界环境突变而无法开关窗的现状,有效满足了人们的生产生活需要。

图6 程序流程图
其简单实用的结构、明了清晰的电路、价格低廉的器件材料,也为其在家庭、医院及工厂仓库等的广泛使用奠定了良好的基础。在接下来的研究工作中,将结合现代信息通信技术扩增远程控制的功能。伴随智能家居领域的不断发展,该装置的研发可为后续物联网技术的研究发挥重要的作用。