go猫粮猫不吃 (go猫粮吃了没反应)

作者:Echo
本文由萌爪医生团队原创,谢绝转载
如有需要请联系hi@wecarepet.com

11月18日,豆瓣有主人发帖说自家猫咪吃了从京东购买的“Go猫粮”两周后,开始精神不振、吐黄水,紧急送医后医生怀疑是食物中毒,最后猫咪当天就口吐白沫带血丝去世了。

go猫粮吃了拉黄水,go猫粮吃了会黑下巴吗

go猫粮吃了拉黄水,go猫粮吃了会黑下巴吗

可怜的小猫咪十一

主人晒出了和百加世售后的聊天记录:

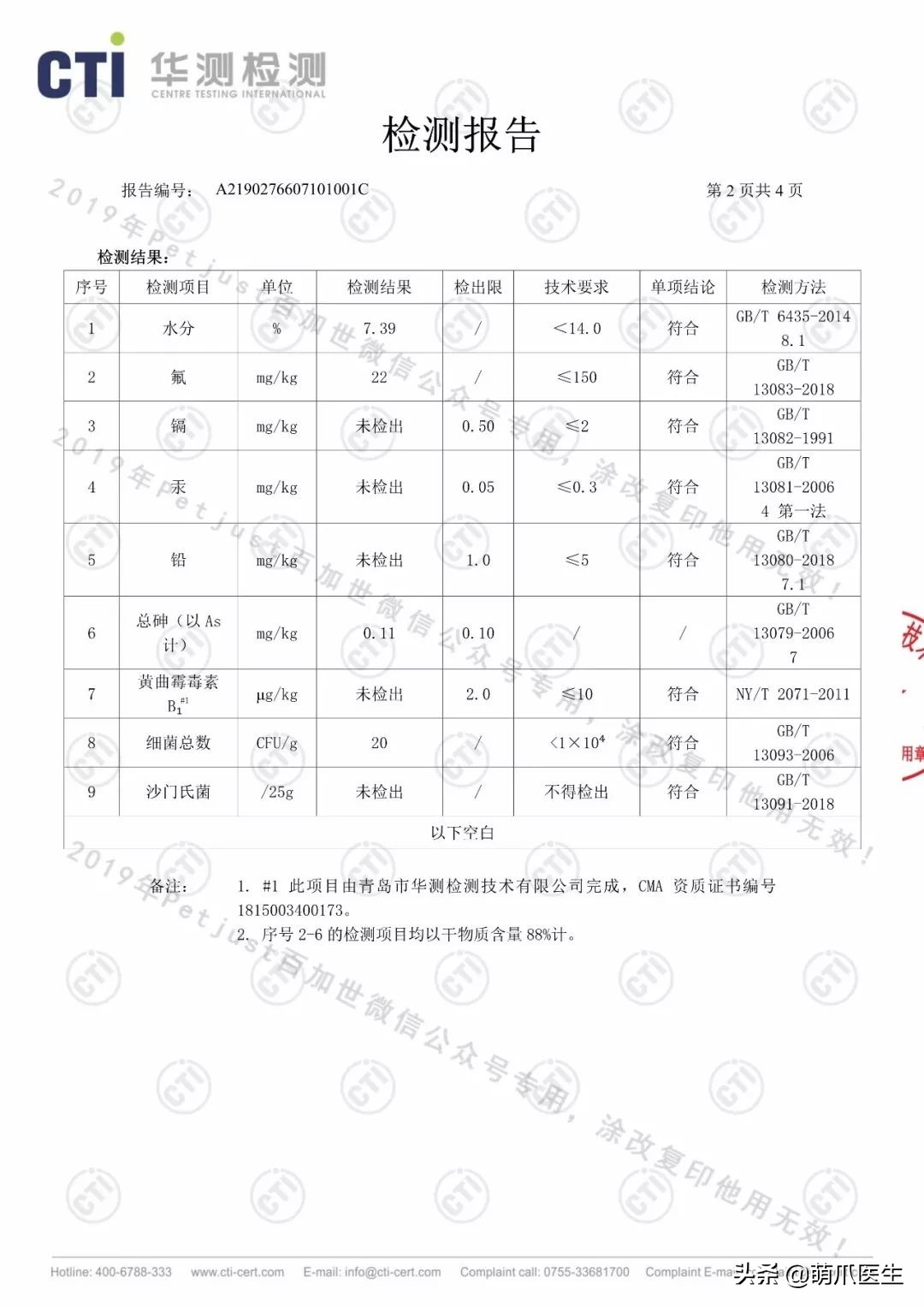
①猫粮是20201105批次,该批次抽检报告合格

②售后承诺配合送检剩余的猫粮并承担费用

③由于猫咪已经掩埋3天,无法进行尸检

go猫粮吃了拉黄水,go猫粮吃了会黑下巴吗

go猫粮吃了拉黄水,go猫粮吃了会黑下巴吗

“go猫粮吃死猫?”一时之间大家人心惶惶,也有很多粉丝来咨询我们。

但目前在没有尸检以及猫粮送检结果的情况下,无法确定猫咪的真正死因。

go猫粮吃了拉黄水,go猫粮吃了会黑下巴吗

主人也呼吁不要盲目下结论,理性等待最终的检测结果

在此之前,我们先根据现有情况来客观分析一下,go猫粮导致猫咪死亡的可能性大吗?

文字有点长,希望你们可以耐心看完。

疑点一:黄曲霉素中毒死亡?

大家目前普遍怀疑猫咪是黄曲霉素中毒,猫咪发病的症状也的确有相似之处。但从发作过程来看,不太符合。

动物长期低剂量摄入黄曲霉素可造成慢性中毒,影响肝脏功能,导致肝损伤,甚至是肝衰竭、肝癌;短期大剂量摄入,可发生急性中毒

听起来很可怕,但问题也正出在这里。

go猫粮吃了拉黄水,go猫粮吃了会黑下巴吗

我们拿图上的花生来举例,“绿毛”实际上就体现着黄曲霉素的孢子数量:C>B>A,猫粮也是一样的。

外观正常不一定就不含黄曲霉素,但如果没有出现“绿毛”,那它含有的黄曲霉素只会是微量的,而低剂量摄入黄曲霉素的中毒是一个慢性发作的过程。

但根据主人的描述,猫咪15日早上出现症状,下午就去世了。这么快速的急性发作,如果与黄曲霉素有关,应该是短期内大量摄入的结果

go猫粮吃了拉黄水,go猫粮吃了会黑下巴吗

猫咪15日早上吐的黄水

那么只有两种可能:

1. 吃了已经长绿毛(含大量黄曲霉素)的猫粮

2. 一下子吃了几斤(含微量黄曲霉素)的猫粮

但我们看到猫粮并没有外观变化,而后者也不可能发生,因此,如果说是黄曲霉素中毒,实际情况是不符合的

go猫粮吃了拉黄水,go猫粮吃了会黑下巴吗

主人拍摄的剩余猫粮

而且近些年由于人们养宠观念的提升,不会去喂宠物明显发霉的东西,所以临床上黄曲霉素中毒的案例非常非常少。

大概全成都的宠物医院几年内的接诊病例,也很难出现一例黄曲霉素中毒。

所以,十一是因为黄曲霉素中毒而去世的几率较低,这一点希望其他家长不要过度恐慌。

go猫粮吃了拉黄水,go猫粮吃了会黑下巴吗

疑点二:猫咪的检查结果?

我们先来看看十一主人上传的当时生化检查结果:

go猫粮吃了拉黄水,go猫粮吃了会黑下巴吗

GOT(谷草转氨酶)和LDH(乳酸脱氢酶)升高,当这两个指标同时升高,可能提示3种问题:

  • 肌肉损伤,比如受到外力打击、撞击等,但情况不存在,排除。
  • 心肌损伤,待分析。
  • 肝脏损伤,待分析。

再来看看血常规检查

go猫粮吃了拉黄水,go猫粮吃了会黑下巴吗

报告显示白细胞升高,这可能是身体有炎症的表现,也可能是应激反应所导致的。红细胞积压升高表示有脱水,可能是呕吐导致的。

最后我们看一下X光片

go猫粮吃了拉黄水,go猫粮吃了会黑下巴吗

腹腔未见明显异常,而胸腔里肺部有一些渗出心脏稍圆润偏大

由于临床上只做了这三项检查,没办法确定具体病因。就目前的检查结果,结合猫咪的症状、发病情况,基于以下2个方向进一步分析:

1.心肌损伤

像英短、美短、布偶、金吉拉等品种的猫咪,包括中华田园猫,都有可能先天患心脏病(最常见的就是肥厚性心肌病)。

十一才1岁多,年轻的猫咪身上容易出现的通常就是遗传性的心脏病。

这种心脏病在没有发作的时候,猫咪吃喝拉撒基本都是正常的,除了日常体检打心脏彩超之外,是没办法发现的。

go猫粮吃了拉黄水,go猫粮吃了会黑下巴吗

十一生前照片

但在某些因素的刺激下(比如惊吓、应激),就有可能会突然发病导致心力衰竭

左心衰竭会导致肺水肿,从而呼吸不畅。

右心衰竭可能导致全身供血不足甚至动脉血栓(胃肠供血不足会导致恶心,呕吐)。

而且发病的整个过程非常急,很快就会导致死亡。

go猫粮吃了拉黄水,go猫粮吃了会黑下巴吗

十一生前照片

前面说到,十一的生化检查结果显示有心肌损伤的可能性,并且X光片发现肺部有水肿或者渗出

而肺水肿会导致呼吸困难,每分钟呼吸次数超过50次。并出现严重的腹式呼吸

主人说猫咪下午腹部出现抽搐,可能是呼吸困难导致的。

go猫粮吃了拉黄水,go猫粮吃了会黑下巴吗

猫咪“肚子抽搐”

除了心脏彩超,如果当时医生能够给十一做个BNP(b型脑钠肽)检测,结果呈阳性的话,则可以确定有心力衰竭的问题,缩小救治范围

但很遗憾,现在只能通过尸检才能验证了。

2.肝脏损伤

除了黄曲霉素中毒外,还有一些其他的物质中毒可引起肝脏损伤,比如洋葱、人的感冒药、老鼠药等。

另外胰腺炎也是临床上导致肝脏损伤的常见原因。

go猫粮吃了拉黄水,go猫粮吃了会黑下巴吗

但是主人给猫咪设置了单独的房间,猫咪接触到有毒物质的可能性较小

猫咪胰腺炎发作,可能导致呕吐、腹泻、精神萎靡,严重情况下会释放一种循环衰竭因子,引发肝脏、肾脏、心脏等多器官发生衰竭。

而十一发病最开始的症状是呕吐、精神萎靡,所以胰腺炎也成为了一个比较怀疑的对象。

go猫粮吃了拉黄水,go猫粮吃了会黑下巴吗

十一生前照片

那又回到上面说的,如果因为胰腺炎出现左心衰竭,会诱发肺部水肿、渗出,导致呼吸困难、缺氧。

而如果肝脏出现衰竭,可能会导致猫咪因为肝性脑病死亡。(发生肝性脑病后,猫咪可能出现全身抽搐、癫痫的神经症状)

但由于X光检查看不到胰腺的形态结果变化(B超可以),并且没有看到医生当时给猫咪做胰腺炎的测试,所以无从得知十一是否有胰腺炎,只能暂做怀疑。

go猫粮吃了拉黄水,go猫粮吃了会黑下巴吗

十一生前照片

疑点三:急性肾衰竭?

至于原贴中医生说的急性肾衰竭,我们是怀有疑问的。

化验单上显示CREA(肌酐)163,这是个绝对数值,而每个检测仪器的指标参考范围可能会有轻微的差异(但临床通常为:71~212umol/L )。

目前来看,猫咪肌酐指标处于正常范围内,不知道急性肾衰竭的结论从何而来。

go猫粮吃了拉黄水,go猫粮吃了会黑下巴吗

另外,黄曲霉素中毒通常不会导致急性肾衰竭,因为黄曲霉素是针对性对肝脏组织有破坏作用,和肾脏没有直接的关系。

所以综合分析:

  • 急性发病过程与低剂量摄入黄曲霉素不吻合,黄曲霉素中毒可能性较小
  • GOT和LDH同时升高提示可能有心肌损伤、肝脏损伤,X光显示有肺水肿,怀疑心脏病或胰腺炎发作可能性较大

go猫粮吃了拉黄水,go猫粮吃了会黑下巴吗

十一生前照片

但是否就可以因此断定,这一包go猫粮没有滋生黄曲霉素呢?不能,只有送检结果才是实锤。

所以大家现在可以做这3件事:

看猫粮包装批次

如果你近期也购买了“go猫粮”,可以看下包装,保质期到2020年11月05日的即为同一批次。

进口粮进入中国都需要做检验检疫,这一批次的抽样送检报告合格,也就是说在出厂之前,原材料及生产的环节是没有问题的。

但如果你实在担心,可以先停喂,等一等后续的检测结果。

go猫粮吃了拉黄水,go猫粮吃了会黑下巴吗

注意储粮方式

出厂后猫粮会经过仓库储存后运输到你家,所以家庭的储粮方式也尤为重要,尤其南方的铲屎官。

可以购买储粮桶、密封罐等,但是不建议直接把粮倒进桶里储存,可以用封口食品夹封好袋子,再放到密封桶里,也算是双重保险。

还可以去淘宝买抽真空机,把大袋猫粮分成小包装,避免多次打开袋子使粮和空气水分接触。

go猫粮吃了拉黄水,go猫粮吃了会黑下巴吗

心脏病体检

有些铲屎官可能想问日常养护中的心脏病预防方法,但其实没有!只能是早发现早控制。

比如可以通过做心脏彩超来检查,不过费用比较高昂,一线城市大约500元/次

go猫粮吃了拉黄水,go猫粮吃了会黑下巴吗

英短、美短、缅因、布偶、折耳、波斯、斯芬克斯等品种猫携带致病基因的概率更大,雄性发病率高于雌性,需要家长更加注意筛查。

也可以通过一些基因检测手段来侦测,对于携带致病基因的猫咪更应该及时绝育,避免产生后代。

但基因筛查目前只能针对布偶猫和缅因猫,准确性也不是100%的,这是它的一个不足。

go猫粮吃了拉黄水,go猫粮吃了会黑下巴吗

好了,“go猫粮”事件就分析到这里,一共3000余字,感谢大家耐心看完。

写这篇文章的目的是帮大家了解现象背后的一些原理,担心着急是肯定的,但不要陷入恐慌甚至盲目定论。就像十一主人所说,理性看待,耐心等待送检结果

最后,特别能够体会十一主人的难过。但猫咪能拥有这样认真负责的铲屎官,一定度过了非常幸福的喵生,没有白来这世间一趟,希望你也能尽早从伤心中走出来吧。

go猫粮吃了拉黄水,go猫粮吃了会黑下巴吗

本文宠物养护知识由唐俊辉(BVM. 执业兽医师)审核

如有误欢迎指正!

更多养宠问题点击阅读原文咨询兽医,首次免费~

萌爪君:

大家可以把文章转发出去,告诉身边的铲屎官们不要过度焦虑。学习知识,尽自己最大所能保护毛球,就是我们能做的最有意义的事情啦。